YSi-V(HS2)_cwd_je - 第17页
Condential & Proprietary P AGE 14 1707 Wiring par ts list No Part No. Part Name Q'ty Remarks No Part No. Part Name Q'ty Remarks 1 KLR-M6185-000 F AN MOTOR ASSY 3 F AN1-3 39 90K30-245020 HNS,EAR TH 1 J0078 …

Condential & Proprietary
H024085
YSi-V(HS2)
PAGE
13
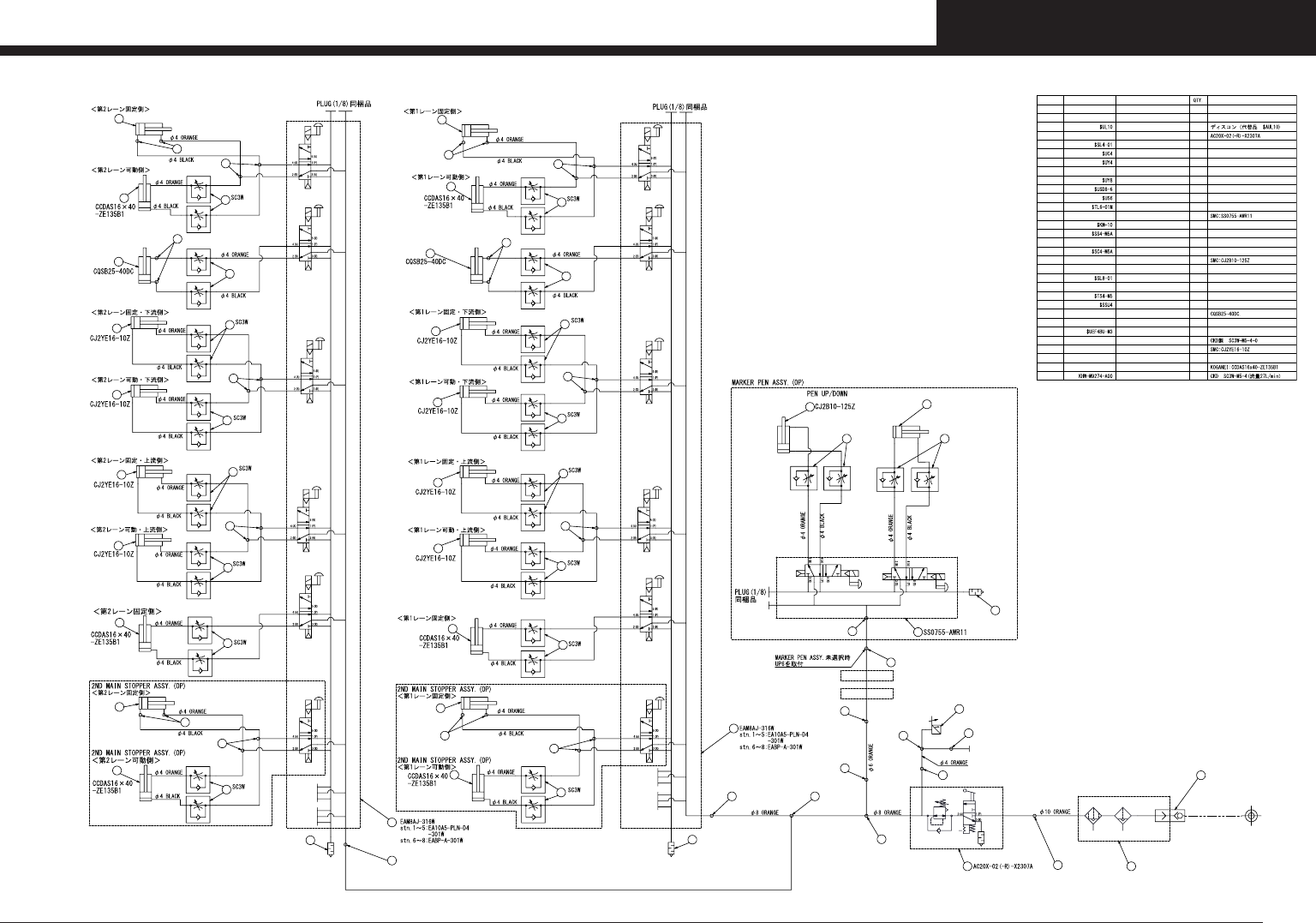
Air circuit
P
AIR SOURCE
AC20X-02C-A-X2294A
SL4-01
ISE30A-C4L-B-MD
USD8-6
UC4
UL10
UY8
UY8
UY4
US6
P
R
KM-10
SS4-M5A
SC4-M5A
MXH10-30-M9BL
AB A B
KM-10
TL6-01M
TS4-M5
SSU4
DL PUSH UP ASSY.,1
UEF4BU-M3
UY4
CDUJB10-10DM
-M9BMS
-M5-4-0
-M5-4-0
18
16
17 15
14
12
13
8
6
7
5
2
3
4
9
10
920
14
21
24
22
25
30
7
26
30
28
28
28
28
27
27
7
UY4
SL8-01
29
30
CDUJB10-10DM
-M9BLS
26
UEF4BU-M3
7
UY4
UY4
7
27
-M5-4-0
27
-M5-4-0
11
11
US6
X AXIS CABLE DUCT
Y AXIS CABLE DUCT
1
HI-COUPLER
SOCKET 30SH
CAP OPEN/CLOSE
-M5-4-0
-M5-4-0
27
-M5-4-0
27
7
UY4
UY4
7
UEF4BU-M3
26
CDUJB10-10DM
-M9BLS
30
29
UY4
7
27
27
28
28
28
28
26
7
30
25
23
22
14
-M5-4-0
CDUJB10-10DM
-M9BMS
UY4
UEF4BU-M3
-M5-4
DL PUSH UP ASSY.,2
SSU4
TS4-M5
KM-10
20
SL8-01
MAIN STOPPER ASSY.
MAIN STOPPER ASSY.
MAIN STOPPER ASSY.
MAIN STOPPER ASSY.
SUB STOPPER ASSY.
CP BOARD SUB ASSY.
CP BOARD SUB ASSY.
CP BOARD SUB ASSY.
CP BOARD SUB ASSY.
CP BOARD SUB ASSY.
CP BOARD SUB ASSY.
CP BOARD SUB ASSY.
CP BOARD SUB ASSY.
SUB STOPPER ASSY.
21
-M5-4
-M5-4
-M5-4
31
31
31
-M5-4
31
30
31
-M5-4
31
24
23
NO. PARTS NO. PARTS NAME DESCRIPTION
1 90990-42J001 JOINT 1 IMGK-C03-008
2 KLT-M8501-010 AIR COMB. 1 AC20X-02C-A-X2294A
3
JOINT 1
4 KLC-M8505-001 REGULATOR COMB. 1
5 JOINT 1 .
6
JOINT 1 .
7
JOINT 17 .
8 KKX-M8596-A01 PRESSURE GAUGE 1 SMC ISE30A-C4L-B-MD
9
JOINT 2 .
10
JOINT 1 .
11
JOINT 2 .
12
JOINT 1 .
13 KLT-M5160-000 VALVE 1
14 MUFFLER 3 KOGANEI KM-10
15
SPEED CONTROLLER 2 .
16 KLT-M5165-000 CYLINDER 1 SMC:MXH10-30-M9BL
17
SPEED CONTROLLER 2 .
18 KLT-M5179-000 CYLINDER 1
19
20
JOINT 2 .
21 KLD-M8582-000 VALVE 2
22
JOINT 4 .
23
SPEED CONTROLLER 4 .
24 KLT-M9215-000 CYLINDER 2
25 KLT-M9166-000 CYLINDER 2 SMC:CDUJB10-10DM-M9BMS
26
JOINT 8 .
27 KKE-M926S-A00SPEED CONTROLLER 16
28 KLT-M9263-000 CYLINDER 8
29 KLT-M9169-000 CYLINDER 2 SMC:CDUJB10-10DM-M9BLS
30 KHY-M9166-000 CYLINDER 6
31 SPEED CONTROLLER 12
DUAL LANE

Condential & Proprietary
PAGE
14
1707
Wiring parts list
No Part No. Part Name Q'ty Remarks No Part No. Part Name Q'ty Remarks
1 KLR-M6185-000 FAN MOTOR ASSY 3 FAN1-3 39 90K30-245020 HNS,EARTH 1 J0078
2 KLA-M53M4-002 FAN MOTOR ASSY 2 FAN6,FAN7 40 90K30-245080 HNS,EARTH 1 J0078
3 KLA-M53L2-003 FAN MOTOR ASSY 1 FAN8 41 90K30-366020 HNS,EARTH 2 J0079
4 KLA-M53L6-003 FAN MOTOR ASSY 2 FAN9,FAN10 42 90K30-377025 HNS,EARTH 1 J0081
5 KKH-M6565-000 UPS 1 GB1 43 90K30-377020 HNS,PE 200 1 J0082
6 KV7-M6561-010 POWER SUPPLY1 1 GS21 44 90K30-544050 HNS,PE 500 1 J0083
7 KLT-M661A-000 HNS,XB11-QS11-QF11 1 J0001 45 90K30-544120 HNS,EARTH 1 J0086
8 KHY-M661L-002 HNS,QF11-TM11 1 J0002 46 90K30-544100 HNS,EARTH 1 J0087
9 KLT-M661C-000 HNS,QF11-TC11 1 J0003 47 90K30-445100 HNS,EARTH 1 J0088
10 KLT-M661D-000 HNS,TM11-QF31 1 J0004 48 90K30-445100 HNS,EARTH 1 J0089
11 KLT-M661E-000 HNS,QF31-NF11 1 J0005 49 90K30-244015 HNS,EARTH 3 J0090,93,96
12 KLT-M661F-000 HNS,NF11-KM11 1 J0006 50 90K30-245060 HNS,EARTH 3 J0091,92,94,95
13 KHY-M661H-001 HNS,C/R AC230V 1
J0007 51 90K30-244010 HNS,COVER FG 1 J0097
14 KLT-M661G-000 HNS,QF31-GS31 1 J0008 52 KKE-M665F-000 HNS,CONV.DRIVER 1 J0101
15 KHN-M661M-200 HNS,TAP CHANGE 1 10 J0021-28,30,31 53 KKT-M665E-100 HNS,CONV.MOTOR 1 J0102
16 KHN-M661M-300 HNS,TAP CHANGE 2 1 J0029 54 KKE-M665F-000 HNS,CONV.DRIVER 1 J0103
17 KLT-M662A-000 HNS,TC11-QF21 1 J0032 55 KKT-M665E-100 HNS,CONV.MOTOR 1 J0104
18 KGA-M662M-001 HNS,U10 JUMPER 1 J0033 56 KLT-M66A0-002 HNS,SRV1 ENC1 1 J0111
19 KHW-M66M4-000 HNS,V10 JUMPER 1 J0034 57 KLT-M66A1-002 HNS,SRV1 ENC2 1 J0112
20 KLT-M662B-001 HNS,UPS AC100V IN 1 J0035 58 KLT-M66A2-002 HNS,SRV2 ENC2 1 J0113
21 KLC-M662E-000 HNS,UPS AC100V OUT 1 J0036 59 KLT-M66A3-001 HNS,BASE Y1P 1 J0114
22 KLC-M662D-001 HNS,ATX POWER 1 J0037 60 KLT-M66A4-001 HNS,BASE Y2P 1 J0115
23 KLT-M662C-001 HNS,LCD POWER 1 J0038 61 KLT-M66A5-001 HNS,BASE XP 1 J0116
24 KLT-M662F-000 HNS,C/R AC100V 1 J0039 62 KLT-M66A6-001 HNS,BASE W1P 1 J0117
25 KLT-M662G-000 HNS,QF22-GS21 1 J0040 63 KLT-M66A7-001 HNS,BASE W2P 1 J0118
26 KHT-M663T-001 HNS,I/O CONV.PWR 1 J0050 64 KLT-M66A8-001 HNS,Y-FLEX XP
1 J0119
27 KLT-M663B-000 HNS,CONV.MOTOR PWR 1 J0051 65 KLF-M667A-000 HNS,EMG SW 1 J0126
28 KHY-M663E-001 HNS,I/O HEAD DC24V 1 J0052 66 KLT-M668A-001 HNS,I/O CONV CMN 1 J0131
29 KLT-M663F-001 HNS,CN30 H.L DC24V 1 J0055 67 KLT-M66E0-000 HNS,SERVO1 MO 1 J0151
30 KLT-M663G-001 HNS,Y-FLEX H.L DC24V 1 J0056 68 KLT-M66E1-000 HNS,SERVO2 MO 1 J0152
31 KLT-M663H-001 HNS,X-FLEX H.L DC24V 1 J0057 69 KLT-M66E2-002 HNS,Y-FLEX XM 1 J0153
32 KLT-M664C-000 HNS,KM12-HEAD DC48V 1 J0062 70 KLT-M55G0-000 HNS,LAN SYS-SRV 1 J0171
33 KLT-M664D-002 HNS,Y-FLEX H.PWR EMG 1 J0063 71 KMG-M66BA-100 HNS,LAN SRV-SRV 1 J0172
34 KLT-M664E-002 HNS,X-FLEX H.PWR EMG 1 J0064 72 KLT-M66B1-000 HNS,BASE LAN 1 J0173
35 KHY-M536A-001 HNS,PE 1 J0071 73 KLT-M66B2-000 HNS,XY-FLEX LAN 1 J0174
36 90K30-945070 HNS,EARTH 3 J0072-74 74 KLF-M66BR-000 HNS,EXT.LAN 1 J0176
37 90K30-945020 HNS,EARTH 1 J0075 75 KLT-M66F0-010 HNS,CN11 EMG 1 J0181
38 90K30-945030 HNS,FG-NF11 1 J0076 76 KLT-M66F1-000 HNS,CN12 48 DI/EMG 1 J0182

Condential & Proprietary
PAGE
15
1707
Wiring parts list
No Part No. Part Name Q'ty Remarks No Part No. Part Name Q'ty Remarks
77 KLT-M66F2-000 HNS,CN13 EMG 1 J0183 115 KLT-M66J4-200 HNS,H I/O BRD DO 1 J0305
78 KLT-M66F4-000 HNS,CONTACTOR 1 J0185 116 KLT-M66J6-000 HNS,Z-FLEX ANGLE 1 J0307
79 KLT-M66F5-001 HNS,Y-FLEX Y DI 1 J0186 117 KLT-M66J7-000 HNS,ANGLE TRG 1 J0308
80 KLT-M66F8-000 HNS,KM10 EMG 1 J0190 118 KLT-M66J8-010 HNS,CZ BK. M.VALVE 1 J0309
81 KLT-M66GW-000 HNS,NEXT INTERFACE 1 J0192 119 KLT-M66JA-100 HNS,Z-FLEX CAM POW 1 J0312
82 KLT-M66GX-000 HNS,PRE.INTERFACE 1 J0193 120 KLT-M66JD-100 HNS,Z-FLEX 3D 1 J0314
83 KLT-M66GW-000 HNS,NEXT INTERFACE 1 J0198 121 KLT-M66J5-200 HNS,Z-FLEX L.PWR 1 J0321
84 KLT-M66GX-000 HNS,PRE.INTERFACE 1 J0199 122 KLT-M66K0-001 HNS,XY-FLEX CAM 1 J0501
85 KLT-M66G0-001 HNS,CN49 FAN 1 J0201 123 KLT-M66K2-010 HNS,BASE GIGE 4 J0504
86 KLT-M66G1-000 HNS,CN4 SERVO 1 J0202 124 KLT-M66K3-101 HNS,XY-FLEX GIGE 4 J0505-508
87 KHY-M66GE-001 HNS,CONV.TERMINAL F 1 J0203 125 KKH-M66J1-000 HNS,LASER X-Y 1 J0521
88 KLT-M66G3-001 HNS,CN18 OPE.PANEL 1 J0204 126 KHY-M537F-000 SAFETY RELAY 1 KM10
89 KLT-M66GE-002 HNS,CONV.TERMINAL R 1
J0205 127 KLF-M537G-000 CONTACTOR,1 2 KM11
90 KLT-M66G6-001 HNS,LANE1 SMEMA 1 J0207 128 KLF-M537G-500 CONTACTOR,1 2 KM11A
91 KLT-M66G7-001 HNS,LANE2 SMEMA 1 J0208 129 KHN-M537A-000 NOISE FILTER 1 NF11
92 KLT-M66G8-001 HNS,LANE2 SMEMA 1 J0209 130 KJJ-M4554-000 TERMINAL BOARD ASSY 1 P017
93 KLT-M66G9-101 HNS,LASER PWR 1 J0210 131 KJJ-M5184-000 SEAL,TERMINAL BOARD 1 P018
94 KLR-M66GH-001 HNS,AIR PRESSURE 1 J0216 132 KJJ-M4580-241 I/O CONV.BOARD ASSY 1 P025
95 KLT-M66GR-000 HNS,EXT.W ORG 1 J0217 133 KLT-M4506-021 HEAD IO UNIT ASSY 1 P041,P042
96 KLT-M66GR-000 HNS,EXT.W ORG 1 J0218 134 KLA-M5802-880 HEAD SERVO UNIT ASSY 1 P061-P063
97 KLT-M66GS-000 HNS,EXT.W SAFE 1 J0219 135 KGS-M6510-000 BREAKER ASSY 1 QF11
98 KLT-M66GA-000 HNS,MAIN ST1/2 R2 1 J0220 136 KGS-M6511-001 MAIN BREAKER,1 1 QF11/QF41
99 KLT-M66GA-000 HNS,MAIN ST1/2 R2 1 J0221 137 KHA-M6513-010 CIRCUIT PROTECTOR,1P 2 QF21,QF22
100 KLT-M66H0-000 HNS,VALVE 1 J0251 138 KHY-M6513-020 CIRCUIT PROTECTOR,3P 1 QF31
101 KLT-M66H1-000 HNS,VALVE DUAL 1 J0252 139 KHN-M6513-210 CIRCUIT PROTECTOR,1P 1 QF51 3A M
102 KKE-M66G4-000 HNS,SIG.TOWER 1 J0253 140 KM5-M6554-A00 MAIN SWITCH ASSY
1 QS11
103 KLT-M66H2-010 HNS,UPS REMOTE 1 1 J0254 141 KLF-M6573-001 SPARK KILLER ASSY 1 S10
104 KLT-M66H3-000 HNS,UPS REMOTE 2 1 J0255 142 LC1-M13H2-000 SWITCH,EMG ASSY 1 SB01
105 KLF-M53L1-000 HNS,FAN BASE2 1 J0270 143 KLT-M652D-000 SENSOR,Y OT+ ASSY. 1 SQ004
106 KHN-M4275-A01 HNS,KEY/MOUSE ASSY 1 J0271 144 KLT-M652E-000 SENSOR,Y OT- ASSY. 1 SQ005
107 KGA-M6640-B02 HNS,SWITCHER IN2 ASS 1 J0272 145 KLT-M652F-000 SENSOR,Y ORG ASSY. 1 SQ006
108 KLT-M6682-000 HNS,DVI-D 3M 1 J0273 146 KJJ-M5318-104 POWER TRANSFORMER 1 TC11
109 KMG-M6680-000 HNS,ADAPTER USB 2M 1 J0276 147 KJJ-M5328-200 POWER TRANSFORMER 1 TM11
110 KLW-M65N5-100 HNS,ENG.READY 1 J0279 148
111 KLR-M66C1-000 HNS,HD +48V 1 J0302 149
112 KLT-M66J2-000 HNS,H SIGNAL PWR 1 J0303 150
113 KLT-M66J3-001 HNS,H I/O BRD DI 1 J0304 151
114 KLT-M66J4-200 HNS,H I/O BRD DO 1 J0305 152