YSi-V(HS2)_cwd_je - 第3页
T able of contents /目次 YSi-V T ypeHS2 P. 1 Overview/全体接続図 P. 2 Powercircuit/電源回路図 P. 3 Emergencycircuit/非常停止回路図 P. 4 SystemC/R/システムC/R接続図 P. 5 Servo C/R /サーボコントローラー接続図 P. 6…

Safety.
To replace the purchased parts safely, be sure to comply with the following items.
However the following cannot cover all items regarding safety in detail. So it is
extremely important that the worker or person handling the machine make correct
decisions regarding safety.
CAUTION Machine operation of operator•Work is limited to maintenance and
safety skill.
Be sure to turn off the machine’s power supply before doing the exchange work.
Be sure to push the emergency stop SW, and do adjustment work under the
emergency stop condition.
Refer to the manual for the replacement work of each consumable part.
*
Safety alert symbols and signal words
CAUTION
Indicates a potentially hazardous situation which, if not avoided, may result in minor
injury, or material loss or damage to the machine. These points are important for
protecting the safety of the machine and data, etc.
安全について
お買い上げいただいたパーツを安全に交換していただくために、下記の事項は必ず守って作
業を行ってください。しかしながら、下記に全ての安全性に関する項目を細部にわたり網羅
することは困難です。従って作業者自身の安全に対する正確な判断が非常に大切な要素とな
りますことをご留意ください。
注意 作業者は本機の動作・メンテナンスに習熟していて安全に作業を行える方に限り
ます。
①交換作業は、マシンの電源を切ってから必ず行ってください。
②調整作業は、非常停止 SW を押し、非常停止状態で必ず行ってください。
③消耗品の交換、各メンテナンス作業についてはマニュアルをご参照ください。
※安全標記の 注意は取り扱いを誤った場合、傷害に至る可能性または物的損害の発生
が想定される内容を示しています。本体およびデータなどの損傷を防ぐために重要な注
意事項です。
Table of contents
/目次
YSi-V
TypeHS2
P. 1 Overview/全体接続図
P. 2 Powercircuit/電源回路図
P. 3 Emergencycircuit/非常停止回路図
P. 4 SystemC/R/システムC/R接続図
P. 5 Servo C/R/サーボコントローラー接続図
P. 6 I/Oconveyor-1-/I/Oコンベアー接続図-1-
P. 7 I/Oconveyor-2-/I/Oコンベアー接続図-2-
P. 8 I/Oconveyor-3-/I/Oコンベアー接続図-3-
P. 9 Head/ヘッド
P.10 HeadCamera /ヘッドカメラ
P.11 Powertransformer/電源トランス接続図
P.12Aircircuit/ エアー回路図
P.14Wiringpartslist /配線部品表
Condential & Proprietary

Confidential & Proprietary
PAGE
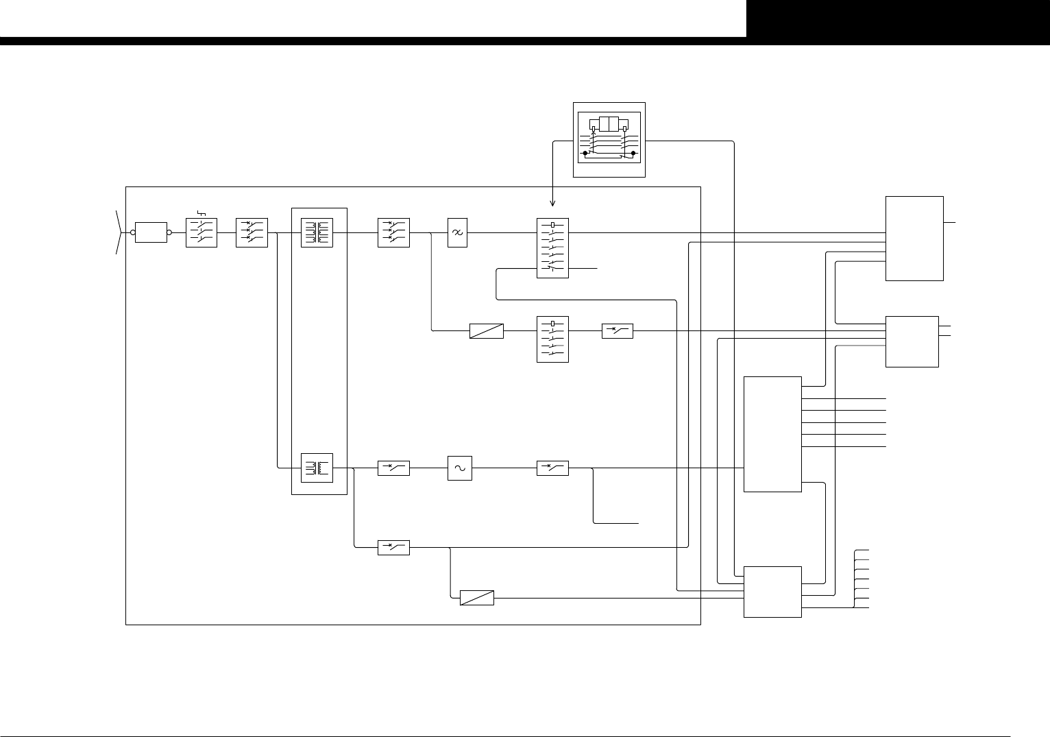
POWER CIRCUIT
POWER TRANSFORMER
TERMINAL
Circuit
ProtectorTransformer
200/208/220/240
380/400/416
3∼ 50/60Hz
Rating 7.0KVA MAX.
Main Switch
Main Breaker
3∼
QF11 20A
Terminal
XB11
3∼
QS11 25A NF11
Noise
Filter
Safety Relay1
KM10
EMERGENCY CIRCUIT
K1
CH1CH2
K2
Contactor
SYSTEM CONTROL BOX
SIGNAL TOWER
COVER S/W
EMG S/W
CONVEYOR MOTOR 30W
VALVE
SENSOR
FAN
CONVEYOR MOTOR
DC24VDC24V
1∼ AC230V DC48V
Contactor
Power Supply
Circuit
Protector
DC48V
Power Supply
DC24VA
Transformer
Circuit
Protector
1∼ AC100V1∼
Circuit
Protector
QF21 7A
QF31 5A
QF22 7A
I/O CONVEYOR BOARD
HEAD UNIT
SENSOR,VALVE
MKY
MKY
See Page 2
See Page 3
ECAT
ECAT
1∼ AC100V
ECAT
ECAT
See Page 6-8
INPUT:
CONTROL:1∼ 100V
CZ,R MOTOR
GS21 300W 14A
3∼ AC230V 3∼ AC230V 3∼ AC230V
See Page 5
See Page 4
A02
INPUT:
OUTPUT:
MOTOR :3∼ 230V
CONTROL:1∼ 100V
SERVO CONTROL BOX
DRIVER
STANDARD
DUAL LANE
3∼ 200V 0-375Hz
Each
Motors
DC48V
DC24V
A01
KM11/KM11A
KM12/KM12A
1:3.06KW(TOTAL)
AC50/60Hz 2.09A(MAX)
AC50/60Hz 1.64A(MAX)
2:0.06KW(TOTAL)
UPS
CAMERA UNIT
USB MEMORY
HDD
LASER CONTROLLER(OPTION)
TC11 1.5KVA
TM11 1.7KVA
LCD
Circuit
Protector
1∼ AC100V
QF61 3A
GB1
1∼ AC100V
UPS
GS31 300W 6.3A
QF51 3A
See Page 11
See Page 9
CC.V0
1
OVER VIEW
YSi-V(HS2)