YSi-V(HS2)_cwd_je - 第6页
Confidential & Proprietary P A GE 2 3 4 5 6 7 8 9 10 1 2 3 4 5 6 7 8 9 10 1 11 12 11 12 CN48 +24VS3 +24VB2 +24VB2 +24VB2 RL7 RL8 RL9 EMG1-1 EMG1-2 EMG1-3 EMG1 +24VB2 EMG3 EMG2 EMG1 EMG0 RL1 2 3 4 5 6 7 8 9 10 1 2 3 4…

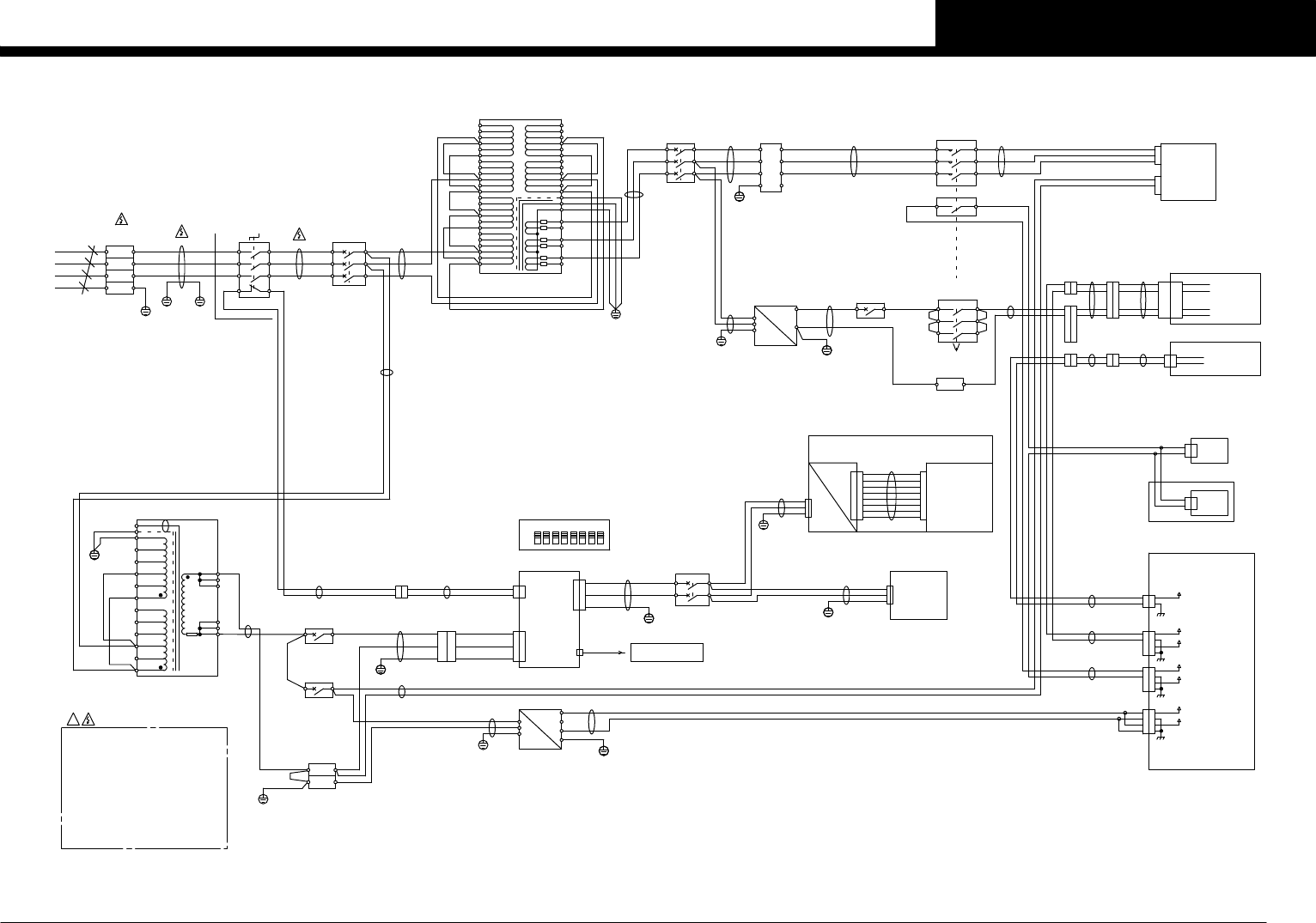
Confidential & Proprietary
PAGE
T1
T2
T3
L1
L3
L2
1211
QS11
T1
S1
R1
11 12
L3
L2
L1
PE
L3
L2
L1
J0001
J0001
L3
L2
L1
MAX750V/44A
PE
XB11
1
2
3
POWER
DRIVE
MOTOR
AC230V:
1
2
3
CONTROL
AC100V:
MAX690V/25A
V10
V10V10
V10
XT21
MAX600V/30A
V10
V10
UPS REMOTE
2
1
2
1
REMOTE
SERIAL
GB1
OUT
UPS
1 2
DIP SW
ON
OFF
3 4 5 6 7 8
The setting switch of the UPS
IN
UPS OUT
U11A
2
1
UPS IN
N
L
N
L
FG FG
1
2
1
2
U10
T1
T2L2
L1U12
V12
U13A
V13A
U13A
V13A
QF61 3A
TC11
J0254 J0255
J0030
J0031
J0032
J0034
J0035
J0036
J0037
J0278
NOTE:Icu≧7.5kA(AC440V)
T2
S2
R2R1
S1
T1
MAX690V/20A
QF11
L1
L2
L3
T2
T3
T1
R2
S2
J0002
J0003
V52V51V51V50
T2S2
R2
NF11
W
V
U
230V
230V
230V
N
0V
190V
200V
208V
220V
240V
0V
190V
200V
208V
220V
240V240V
220V
208V
200V
190V
0V
240V
220V
208V
200V
190V
0V
240V
220V
208V
200V
190V
0V
240V
220V
208V
200V
190V
0V
V51
1.7KVA
W50
V50
U50
QF31 5A
J0004
J0020
J0021
J0022
J0023
J0024
J0025
J0026
J0027
J0028
J0071
J0033
J0072
J0073
J0074
J0075
J0076
J0077
J0078
1.5KVA
U11B
U11B
J0039
I/O CONVEYOR BOARD ASSY
1
2
1
2
+24V2
+24V
CN1
1
2
3
4
1
2
3
4
1
2
3
4
1
2
3
4
CN1
V10
U11B
-
-
FG
N
L +
+
GS21
J0040
J0050
J0080
QF21 7A
QF22 7A
CN30
1
2
3
4
1
2
3
4
+24VF3
+24VC1
MAX250V/10A
220V
220V
220V
300W 14A
CN43 CN43CN43
CN45
+24VF4
+24VB6
+24VD3
CN45
CN30
ATX
8
7
6
5
4
3
2
1
AC IN
8
7
6
5
4
3
2
1
12V
MOTHER
CPU12V1
3
2
1
-12V/0.5A
+12V/22A
+5VSB/2A
+5V/22A
350W +3.3V/20A
V52
KM11
73 74CONV+24V CONV+24E
MAX690V/12A
J0007J0006
ATX PWR
U51
V51
0V48
-
FG
N
L
+
A1
B1
A1
B1
+24V
GND+24V
CN2
HEAD POW BOARD ASSY
+48V
GND+48V
A3
B3 B3
A3
P041
A2
B2 B2
A2
GS31
MAX690V/6A
KM12
5/L3
3/L2
1/L1 2/T1
4/T2
6/T3
J0062
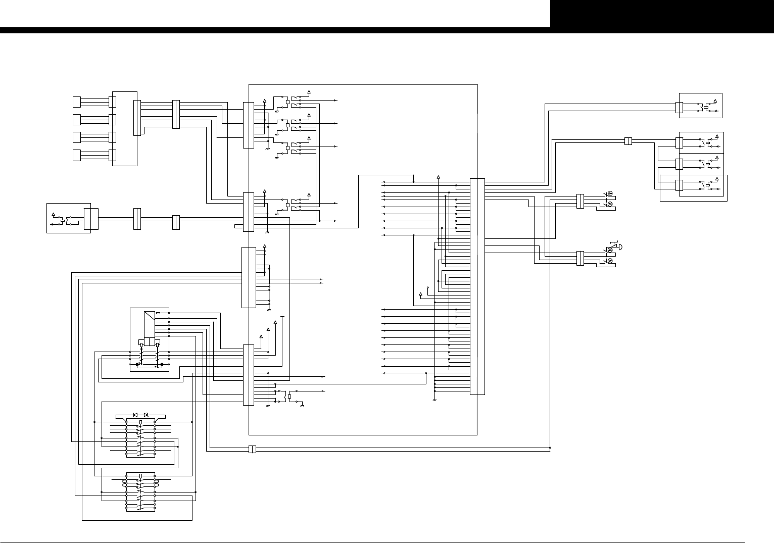
EMERGENCY CIRCUIT
1 1
2 2
H+24V
1 1
H+48V
2 2
6 6
5 5
4 4
3 3
1 1
2 2
6 6
3 3
4 4
5 5
HEAD I/O BOARD ASSY
1 1
2 2
+24V
GND+24V
P042
1 1
2 2
L+24V
1 1
2 2
L+24V
V54
+24A
0V24
+48A +48A +48B +48B +48V
W51
U51
U51
U50
W50 W51 W52
U51 U52
W52
U52
W54
U54
POW EMG
CN3
J0005
J0008
J0079
J0060
J0051
J0052
J0055
J0056 J0057
J0063 J0064
AC230V
AC100V
4
5
6
7
8
BRACKET
MAIN SWITCH
See Page 6-8
See Page 4
See Page 5
MOTHER BOARD
SYSTEM CONTROL BOX
SERVO CONTROL BOX
A01
ATX POWER SUPPLY
High Voltage
!
・Around J0001 harness.
・Lower of INCOMING SUPPLY TERMINAL BLOCKS XB11.
that might be gotten an electric shock.
*The charge mark is put on the place
when MAIN SW QS11 is OFF.
Residual risk
and MAIN SW QS11.
・Secondary side of UPS.
・Between INCOMING SUPPLY TERMINAL BLOCKS XB11
*
・Chemical capacity for motor power in
≧AWG12(3.3sq)
J0061
0V48
XT51
0V480V48
P011
1
2
CONVEYOR
DRIVER2
1
DCN1
DCN1
1
2
CONVEYOR
DRIVER2
1
P012
MAX600V/15A
A02
CONTROL BOX A02.
・Near the MAIN SW QS11.
・On the cover at the rear right side.
・On the cover at the rear center side.
・On the right side of the base frame.
・On the cover at the front right side.
・On the cover at the front center side.
DUAL LANE(OPTION)
U10
V10
240V
220V
208V
200V
190V
0V
240V
220V
208V
200V
190V
0V
0V
100V
100V
100V
0V
0V
S2
R2
P025
LCD PWR
J0038
LCD
TOUCH PANEL LCD(OPTION)
LCD
COM1
See Page 4
SYSTEM C/R
E E
25
6
4 1
3
3/L2 4/T2
1/L1
5/L3 6/T3
2/T1
QF51 3A
300W 6.3A
See Page 3
See Page 13
See Page 13
See Page 9
See Page 9
CC.V0
2
POWER CIRCUIT
YSi-V(HS2)

Confidential & Proprietary
PAGE
2
3
4
5
6
7
8
9
10
1
2
3
4
5
6
7
8
9
10
1
11
12
11
12
CN48
+24VS3
+24VB2
+24VB2
+24VB2
RL7
RL8
RL9
EMG1-1
EMG1-2
EMG1-3
EMG1
+24VB2
EMG3
EMG2
EMG1
EMG0
RL1
2
3
4
5
6
7
8
9
10
1
2
3
4
5
6
7
8
9
10
1
A1
B1
A2
B2
A3
B3
A4
B4
A5
B5
A6
B6
A7
B7
A8
B8
A9
B9
A10
B10
A11
B11
A12
B12
A13
B13
A14
B14
A15
B15
A16
B16
A17
B17
A18
B18
A19
B19
A20
B20
A21
B21
A22
B22
A23
B23
A24
B24
A25
B25
A26
B26
A27
B27
A28
B28
A29
B29
A30
B30
A1
B1
A2
B2
A3
B3
A4
B4
A5
B5
A6
B6
A7
B7
A8
B8
A9
B9
A10
B10
A11
B11
A12
B12
A13
B13
A14
B14
A15
B15
A16
B16
A17
B17
A18
B18
A19
B19
A20
B20
A21
B21
A22
B22
A23
B23
A24
B24
A25
B25
A26
B26
A27
B27
A28
B28
A29
B29
A30
B30
EMG3
EMG4
EMG5
EMG6
EMG7
EMG8
EMG9
EMG10
EMG11
EMG12
+24VS3
0V
+24VS3
0V
EMG5
EMG6
E12A
EMG11
EMG6
E11A
E13A
EMG16
E12A
E13A
E11A
E12A
+24E
+24VB2
0V
EMG12
EMG13
EMG14
EMG15
EMG16
EMG17
EMG18
EMG19
EMG20
EMG21
EMG22
+24VS3
+24E
SPARE
SPARE
SPARE
SPARE
+24VB2
+24E
0V
0V
DI
T31
T32B
EMG0
EMG22
EMG22
2
3
4
5
6
7
8
9
10
11
12
13
14
15
16
1
2
3
4
5
6
7
8
9
10
11
12
13
14
15
16
1
+24VB3
READY OUT
SERVO ON
RL2
+24VB2
+24VB4
+24E
T0100037
EMG0
I/O CONVEYOR BOARD ASSY P025
SPARE
SPARE
+24VS3
CN48
CN12
CN13
CN12
CN13
CN11 CN11
+24VB3
+24VB2
+24VB2
+24VB4
SPARE
SPARE
SPARE
1
2
3
GOOD
1
2
3
1
2
3
GOOD
1
2
3
SRV1 GOOD
1
2
3
GOOD
1
2
3
SRV2 GOOD
D.POWER BOARD
SERVO BOARD 2
SERVO BOARD 1
DPOW GOOD GOOD
GOOD
GOOD
HEAD
SPARE
SYSCR
SRVCR
SPARE
SPARE
SPARE
GOOD
A1 A1
B1
A2
B2
A3
B3B3
A3
B2
A2
B1
CN2 HP CN2
P041
Y-OT
Y+OT
N01003B6
N0100382
N0100383
N01003E7
N01003E5
X+OT
N01003E1
X-OT
N0100384
N0100385
N0100386
N0100387
N0100390
SPARE
EMG SW
COVER SW
SPARE
N01003A0
N01003A1
N01003A2
N01003A3
N01003A5
N01003A6
N01003A7
N0100396
N0100397
N0100395
N0100393
N0100392
N0100391
N01003A4
N0100394
CN4 CN4
A1
B1
A2
B2
A3
B3
A4
B4
A5
B5
A6
B6
A13
B13
・
・
A1
B1
A2
B2
A3
B3
A4
B4
A5
B5
A6
B6
A13
B13
・
・
+24VAD
1
2
3
4
1
2
3
4
EMG SW
SB31EMG SW
1
2
3
4
1
2
3
4
COVER
SPARE
1
2
1
2
1 1
H EMG
2 2
3 3
4 4
1 1
2 2
6 6
3 3
4 4
5 5
24V EMG
2
1
GOOD
GOOD
2
1
REMOTE IF BRD.
A
B
C
A
B
C
+ +
IN
JUNCTION BOX
7
8
-
7
8
-
1 1
2 2
3 3
4 4
5 5
6 6
A
B
C
A
B
C
A
B
C
A
B
C
A
B
C
A
B
C
1 1
2 2
3 3
4 4
5 5
6 6
7 7
88
JB DIJUNC IN
1JB1 X OT+
JB2 X OT-
JB4 Y OT+
2
4
5
X OT+
X OT-
Y OT+
Y OT-
XT71
SQ001
SQ002
SQ004
SQ005
C/R GOOD
SYSTEM CONTROL BOX A01
SERVO CONTROL BOX A02
HEAD POW BOARD ASSY
T32
T31
T11 EMG0
A2 0V24
T32
T31
T22
T12
T11
A2
A1 +24VA1
13 +24V
23 +24V
33 +24V
14
24 +24E
34 +24B
14
24
34 33
23
13
42 41
CH1CH2
K1K2
LOGIC
DC
AC
KM10
21 22
73 74
83 84
53 54
A1 A2
1/L1
3/L2
5/L3
2/T1
4/T2
6/T3
61 62
S10
KM11/KM11A
U52
V52
W52
A1
1121 T32B
U54
V54
W54
1122 T32A
A2 0V24
1161 T32B
CONV+24V CONV+24E
1162 T32A
21 22
73 74
83 84
53 54
A1 A2
1/L1
3/L2
5/L3
2/T1
4/T2
6/T3
61 62
KM12/KM12A
A2 0V24
+48V
+48V
+48V
1222 T32
+48A
+48A
+48A
A1
1221 T32A
1261 T32B 1262 T32A
1153 +24 1154 KM11OK
1253 +24 1254 KM12OK
1 1
2 2
KM10 EMG
T12 EMG
T22 EMG
SQ101
COVER SW
JB5 Y OT-
IF GOOD
DUAL LANE(OPTION)
CC.V0
3
EMERGENCY CIRCUIT
YSi-V(HS2)

Confidential & Proprietary
PAGE
AC IN
USB
LCD PWR
SYSTEM CONTROL BOX
A16
A15
MOUSE
KEYBOARD
MS
KB
MS
KB J0272
J0273
QF61
See Page 2
REMOTE I/F BOARD
KEY/MS
HDMI
DVI-1
USB1
DVI
SATA0
ATX POWER
+12V POWER
J0081
J0038
TOUCH
DVI-1
POWER CIRCUIT
LCD
J0274USB1
TOUCH PANEL LCD(OPTION)
LCD
SERVO C/RJ0171
See Page 5
ECAT
LAN
SRV1 IN
SYS ECAT
USB3
USB4
USB5
USB6
USB MEMORY
J0276USB3
LASER CONTROLLER I/O CONVEYOR -3-
See Page 8
USB2
J0275USB2
LASER(OPTION)
A01
ATX POWER SUPPLY
HDD
ATX PWR
AC IN
J0043
QF61
See Page 2
POWER CIRCUIT
MS
KBJ0271
E09
I/O CONVEYOR -1-
CN14MKY
See Page 6
J0131I/O
I/O
I/O CONVEYOR -1-
CN11
See Page 6
J0181IF GOOD
GOOD
EMG
LAN CARD
HEAD CAMERA
ANGULAR CAMERA(OPTION)
A.CAM 1
A.CAM 2
A.CAM 3
A.CAM 4
A.CAM 1
A.CAM 2
A.CAM 3
A.CAM 4
J0505
J0506
J0507
J0508
COM2
ATX MOTHER BOARD
VGA
See Page 10
12M CAMERA
Ch2
HEAD CAMERA
Ch1
See Page 10
Ch1
Ch2
J0501
VISION BOARD
COM3
UPS
J0278
See Page 2
POWER CIRCUIT
COM1
CC.V0
4
SYSTEM C/R
YSi-V(HS2)