JM-100-Rev02 - 第116页
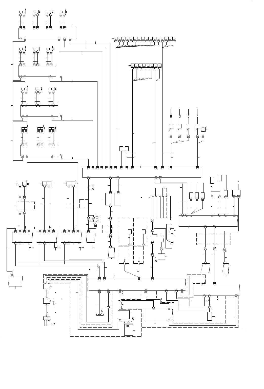
- 111 - 56. SYSTEM DIAGRAM (1) SYSTEM DIAGRA M(1) 㹄㹇㹀㹃㹐 㹒㸲ࠉ㹍㹐㹇㹅㹇㹌ࠉ㹑㹃㹌㹑㹍㹐 㹄㹇㹀㹃㹐 㹄㹇㹀㹃㹐 㹄㹇㹀㹃㹐 㹒㸱ࠉ㹍㹐㹇㹅㹇㹌ࠉ㹑㹃㹌㹑㹍㹐 㹒㸰ࠉ㹍㹐㹇㹅㹇㹌ࠉ㹑㹃㹌㹑㹍㹐 㹒㸯ࠉ㹍㹐㹇㹅㹇 㹌ࠉ㹑㹃㹌㹑㹍㹐 㸯 㸰 㸱 㸴 㸵 㸶 㸷 㸯㸮 㸲 㸯㸯 㸯㸱 㸯㸯 㸯㸵 㸯㸰 㸯㸰 㸯㸲 㸯㸳 㸯㸶 㸯㸷 㸰㸮 㸰㸯 㸰㸰 㸯㸰㸳 㸰㸴 㸰㸵 㸯㸰㸲 㸰㸶 㸰㸷…

- 110 -
REF.NO NOTE PART NO D E S C R I P T I O N
品 名
Qty
1 402-13938 CLINCH_SERVO_AMP_ASM
クリンチサーボアンプ組
1
2 402-13462 SERVO AMP
サーボアンプ
(1)
3 402-13463 SERVO AMP
サーボアンプ
(1)
4 SL-4051691-SC SCREW M5 L=16
座金付きなべ小ねじ M5 L=16
(2)
5 401-83517 DRIVER_COLLAR
ドライバカラー
(2)
6 SL-6041292-TN SCREW M4 L=12
座金付き六角穴ボルト M4 L=12
(2)
7 EZ-1492148-11 AMPLIFIER SERVO
サ−ボ アンプ (MR−MD212−S016)
(1)
8 SL-4030691-SC SCREW M3 L=6
座金付きなべ小ねじ M3 L=6
(4)
9 HX-0070600-0A MOUNT BASE
マウントベース
(2)
10 402-13861 CLINCH_POWER_SUPPLY_BR
クリンチパワーサプライブラケット
(1)
11 SL-4040891-SC SCREW M4X8
座金付きなべ小ねじ M4 L=8
(2)
12 SD-0640246-SP SHOULDER SCREW D=6.35 H=2.4
段ねじ D=6.35 H=2.4
(1)
13 402-13939 ELECTRICAL_UNIT_C_ASM_ST
エレクトリカルユニット組_ST
1
14 HA-0065100-0E CIRCUIT PROTECTOR
サーキットプロテクタ
(1)
15 HA-0065000-0B CIRCUIT PROTECTOR
サーキットプロテクタ
(1)
16 HA-0063000-00 MAGNETIC CONTACTOR
電磁開閉器
(1)
17 HB-0012800-0C RELAY
リレー
(1)
18 HB-0005800-10 RELAY
リレー 止め金具
(1)
19 SL-4040891-SC SCREW M4X8
座金付きなべ小ねじ M4 L=8
(2)
20 HK-0695900-20 TERMINAL
ジャンパ2極
(2)
21 HK-0695900-0A BLOCK TERMINAL
マーキングシート
(1)
22 HK-0695900-00 BLOCK TERMINAL
端子台
(1)
23 HK-0691900-0B BLOCK TERMINAL
端子台
(2)
24 HK-0695500-10 BLOCK TERMINAL
端子台
(5)
25 NM-6030001-SC NUT M3X0.5 TYPE1
六角ナット M3X0.5 1種
(2)
26 SL-4030891-SC SCREW M3 L=8
座金付きなべ小ねじ M3 L=8
(2)
27 E8760-452-P00 TUBE
スミチューブ
(0.32)
28 SL-4030691-SC SCREW M3 L=6
座金付きなべ小ねじ M3 L=6
(8)
29 400-63485 DIN_RAIL_D
ディンレールD
(1)
30 SL-4040891-SC SCREW M4X8
座金付きなべ小ねじ M4 L=8
(3)
31 402-13862 CLINCH_ELEC_UNIT_BOX_TOP_BR
クリンチエレキユニットボックストップBR
(1)
32 402-13863 CLINCH_ELEC_UNIT_BOX_BOTTOM_BR
クリンチエレキユニットボックスボトムBR
(1)
33 SL-4040891-SC SCREW M4X8
座金付きなべ小ねじ M4 L=8
(4)
34 EA-9500B01-00 CABLE BAND
束線バンド
(5)
35 EA-9500B02-00 CABLE BAND
束線バンド
(10)
36 SL-6041092-TN SCREW M4 L=10
座金付き六角穴ボルト M4 L=10
(4)
37 402-13497 EU P601 WIRE ASM
EU P601ワイヤー組
(1)
38 HA-0065100-0F CIRCUIT PROTECTOR
サーキットプロテクタ
(1)
39 HA-0065100-0A CIRCUIT PROTECTOR
サーキットプロテクタ
(1)
40 401-96265 POSITION BOARD
ポジションボード
1
41 HX-0031400-0A SPIRAL TUBE
スパイラルチューブ
2

- 111 -
56.SYSTEM DIAGRAM (1)
SYSTEM DIAGRAM(1)
㹄㹇㹀㹃㹐
㹒㸲ࠉ㹍㹐㹇㹅㹇㹌ࠉ㹑㹃㹌㹑㹍㹐
㹄㹇㹀㹃㹐
㹄㹇㹀㹃㹐
㹄㹇㹀㹃㹐
㹒㸱ࠉ㹍㹐㹇㹅㹇㹌ࠉ㹑㹃㹌㹑㹍㹐
㹒㸰ࠉ㹍㹐㹇㹅㹇㹌ࠉ㹑㹃㹌㹑㹍㹐
㹒㸯ࠉ㹍㹐㹇㹅㹇㹌ࠉ㹑㹃㹌㹑㹍㹐
㸯
㸰
㸱
㸴
㸵
㸶
㸷
㸯㸮
㸲
㸯㸯
㸯㸱
㸯㸯
㸯㸵
㸯㸰 㸯㸰
㸯㸲
㸯㸳
㸯㸶
㸯㸷
㸰㸮
㸰㸯 㸰㸰
㸯㸰㸳
㸰㸴 㸰㸵
㸯㸰㸲
㸰㸶
㸰㸷
㸱㸮 㸱㸯
㸱㸰
㸱㸱
㸱㸲
㸱㸳
㸲㸰
㸱㸴
㸲㸳
㸲㸴
㸳㸲
㸲㸷
㸳㸱
㸳㸮 㸳㸰
㸳㸯
㸵㸮
㸵㸯
㸴㸵
㸴㸴
㸵㸰
㸵㸵
㸵㸱
㸵㸲
㸵㸳
㸵㸴
㸶㸮
㸵㸷
㸶㸯
㸶㸳
㸶㸰㸶㸱㸶㸲
㸶㸴
㸶㸶
㸵㸶
㸷㸲
㸷㸴
㸯㸮㸯 㸯㸮㸯 㸯㸮㸯
㸯㸮㸴
㸯㸮㸵
㸯㸮㸶
㸯㸮㸷
㸯㸯㸮 㸯㸯㸯
㸯㸯㸰
㸯㸯㸱
㸯㸯㸲
㸯㸯㸳
㸯㸯㸶
㸯㸯㸷
㸯㸯㸵
㸯㸰㸮
㸯㸰㸯㸯㸰㸯㸯㸰㸯㸯㸰㸯
㸯㸰㸰㸯㸰㸰㸯㸰㸰㸯㸰㸰
㸯㸰㸱
㸯㸯㸴
㸯㸯㸴
㸴㸷
㸴㸶
㹀㹓㹎
㸦㹍㹎㸧ࠉ㹃㹌ࠉ㹍㹎㹒㹇㹍㹌ࠉ㹒㹍㹐㹍㹊㹊㹃㹗
㹄㹐㹍㹌㹒ࠉ㹊㹃㹄㹒
㹀㸿㹌㹉ࠉ㹑㹕
㸦㹍㹎㸧ࠉ㹃㹌ࠉ㹑㹒㸿㹌㹂㸿㹐㹂
㹄㹇㹖ࠉ㹀㸿㹌㹉
㹄㹀㹓㹎
㸦㹍㹎㸧ࠉ㹃㹌ࠉ㹍㹎㹒㹇㹍㹌ࠉ㹒㹍㹐㹍㹊㹊㹃㹗
㹀㹓㹎
㹐㹃㸿㹐ࠉ㹐㹇㹅㹆㹒
㹀㸿㹌㹉ࠉ㹑㹕
㹄㹖㸫㹄㹅
㹎㹍㹕㹃㹐ࠉ㹑㹓㹎㹎㹊㹗ࠉ
㹓㹌㹇㹒ࠉ㹀
㸲㸱
㸱㸷 㸲㸮
㸲㸯
㸱㸵
㸱㸶
㸰㸯 㸰㸰
㸳
㸲㸵
㸳㸴
㸴㸮
㸴㸮
㸳㸵
㹀㹓㹎
㸦㹍㹎㸧ࠉ㹃㹌ࠉ㹑㹒㸿㹌㹂㸿㹐㹂
㹄㹇㹖ࠉ㹀㸿㹌㹉
㸳㸵
㸦㸲㸭㸲㸧
㸦㸲㸭㸲㸧
㸦㸱㸭㸲㸧
㸦㸱㸭㸲㸧
㸦㸰㸭㸲㸧
㸦㸰㸭㸲㸧
㸦㸯㸭㸲㸧
㸦㸯㸭㸲㸧
㸦㸰㸭㸲㸧
㸦㸰㸭㸲㸧
㸦㸯㸭㸲㸧
㸦㸯㸭㸲㸧
㸦㸯㸭㸲㸧
㸦㸯㸭㸲㸧
㸴㸫㸲㹁
㹌㹍㹒㹃㸰
㹍㹁㹁㸫㸯
㹐㹈㸲㸳ࠉ㹐㹃㹊㸿㹗
㹁㹍㹌㹌㹃㹁㹒㹍㹐
㹊㹌㹁
㸳㸫㸯㸿
㸯㸫㸰㹀
㹊㸿㹌㸰
㹁㹎㹓ࠉ㹀㹍㸿㹐㹂
㹊㸿㹌㸰
㹍㹁㹁ࠉ㹍ࠉ㹎㹁㹀
㸰㸫㸯㹂
㹃㹈㹑㹔
㹃㹈㹃㹁㹒㹍㹐
㹑㹔
㹁㹌ࠉ㹀㸱
㹁㹌ࠉ㹀㸱
㹁㹌ࠉ㸿㸰
㹁㹌ࠉ㸿㸰
㹎㹑㸱
㹁㹌ࠉ㸿㸯㸲
㸦㹍㹎㸧ࠉ㹃㹌
㹁㹍㹌㹌㹃㹁㹒㹍㹐ࠉ
㹁㸿㹎
㹃
㹄㹅
㹁㹍㹔㹃㹐
㹋㹒㹑ࠉ㹎㹕㹐
㹃
㹒㹀
㹌㹍㹒㹃㸰 ࠉ㹓㹱㹣ࠉ㹲㹦㹧㹱ࠉ㹎㸭㹌ࠉ㹟㹱ࠉ㹌㹍㹌㹃ࠉ㹒㹐㸿㹌㹑ࠉ㹍㹮㹲㹧㹭㹬㸬
㹌㹍㹒㹃㸰
㹌㹍㹒㹃㸰
㹀㹓㹎
㹁㹌ࠉ㸿㸯㸮㸦㹃㹌㸧
㹐㹀㹓㹎
㹁㹌ࠉ㸿㸯㸮㸦㹃㹌㸧
㸰㸫㸯㹀
㹃㹌ࠉ㹍㹎㹒㹇㹍㹌
㹁㹌ࠉ㸿㸲㸦㹃㹌㸧
㹁㹌ࠉ㸿㸲
㹁㹌ࠉ㸮㸮㸮㸯
㹁㹌ࠉ㸯
㹁㹌ࠉ㸿㸯
㸦㹍㹎㸧ࠉࠉ㹌㹍㹌㹃ࠉ㹒㹐㸿㹌㹑ࠉ㹍㹎㹒㹇㹍㹌
ࠉࠉࠉࠉࠉࠉ㸰㸮㸮㹔
㸦㹑㹒㸧ࠉ㹒㹐㸿㹌㹁㹃ࠉ㹄㹍㹐㹋㸿㹐
ࠉࠉࠉࠉࠉ㸰㸯㸳㹔㸪㸰㸲㸮㹔㸪㸱㸶㸮㹔㸪㸲㸮㸮㹔㸪㸲㸯㸳㹔
㹍㹁㹁
㹍㹁㹁ࠉ㹎㹕㹐
㹍㹁㹁
㹊㹃㹌㹑
㹁㹌㸮㸴㸯㸯㸿
㹁㹌㸯㸯
㹖㸫㹋㹒㹐㸯
㹖㸫㹃㹌㹁㸲
㹄㹖
㹑㹆㹍㹐㹒ࠉ㹁㹇㹐㹁㹓㹇㹒ࠉ㹀㹐㹃㸿㹉㹃㹐ࠉ㸿㹁ࠉ㸰㸮㸮㸭㸰㸯㸳㸭㸰㸲㸮㹔ࠉ㹇㹌㹎㹓㹒ࠉ㸸ࠉ㹆㸿㸮㸮㸵㸮㸱㸮㸮㸮㸮ࠉ㸦㸱㸮㸿㸧
㹑㹆㹍㹐㹒ࠉ㹁㹇㹐㹁㹓㹇㹒ࠉ㹀㹐㹃㸿㹉㹃㹐ࠉ㸿㹁ࠉ㸱㸶㸮㸭㸲㸮㸮㸭㸲㸯㸳㹔ࠉ㹇㹌㹎㹓㹒ࠉ㸸ࠉ㹆㸿㸮㸮㸴㸳㸲㸮㸮㸮㸿ࠉ㸦㸰㸮㸿㸧
㹌㹍㹒㹃㸯 ࠉ㹒㹦㹧㹱ࠉ㹋㹁㹁㹀̓㹑ࠉ㹎㸭㹌ࠉ㹡㹦㹟㹬㹥㹣㹱ࠉ㹵㹧㹲㹦ࠉ㹱㹮㹣㹡㹧㹤㹧㹡㹟㹲㹧㹭㹬
㸰㸫㸯㹁
㸯㸫㸱㹁
㹄㹅
㹁㹌㸮㸴㸮㸵
㹁㹌㸮㸵㸰㸲
㹁㹌㸰㸲
㹄㸿㹌
㹄㸿㹌
㹂㹁ࠉ㹄㸿㹌
㹒㸲
㹒㸱
㹒㸰
㹒㸯
㹁㹌㸮㸵㸮㸵
㹁㹌㸵
㹁㹌㸮㸵㸯㸳
㹁㹌㸯㸳
㹁㹌㸮㸵㸯㸴
㹁㹌㸯㸴
㹔㸿㹁㹓㹓㹋ࠉ㹓㹌㹇㹒
㹘㸶ࠉ㹑㹃㹌㹑㹍㹐
㹘㸵ࠉ㹑㹃㹌㹑㹍㹐
㹘㸴ࠉ㹑㹃㹌㹑㹍㹐
㹘㸳ࠉ㹑㹃㹌㹑㹍㹐
㹘㸲ࠉ㹑㹃㹌㹑㹍㹐
㹘㸱ࠉ㹑㹃㹌㹑㹍㹐
㹘㸯ࠉ㹑㹃㹌㹑㹍㹐
㹘㸰ࠉ㹑㹃㹌㹑㹍㹐
㹘㸶ࠉ㹔㸿㹁㹓㹓㹋ࠉ㹑㹃㹌㹑㹍㹐
㹘㸵ࠉ㹔㸿㹁㹓㹓㹋ࠉ㹑㹃㹌㹑㹍㹐
㹘㸴ࠉ㹔㸿㹁㹓㹓㹋ࠉ㹑㹃㹌㹑㹍㹐
㹘㸳ࠉ㹔㸿㹁㹓㹓㹋ࠉ㹑㹃㹌㹑㹍㹐
㹘㸲ࠉ㹔㸿㹁㹓㹓㹋ࠉ㹑㹃㹌㹑㹍㹐
㹘㸱ࠉ㹔㸿㹁㹓㹓㹋ࠉ㹑㹃㹌㹑㹍㹐
㹘㸰ࠉ㹔㸿㹁㹓㹓㹋ࠉ㹑㹃㹌㹑㹍㹐
㹘㸯ࠉ㹔㸿㹁㹓㹓㹋ࠉ㹑㹃㹌㹑㹍㹐
㹁㹌㸮㸵㸯㸯
㹁㹌㸯㸯
㹘㸶㹔
㹘㸵㹔
㹘㸵㹀
㹘㸶㹀
㹘㸶ࠉ㹔㸿㹁㹓㹓㹋ࠉ㹑㸬㹔㸬
㹘㸵ࠉ㹔㸿㹁㹓㹓㹋ࠉ㹑㸬㹔㸬
㹘㸶ࠉ㹀㹊㹍㹕ࠉ㹑㸬㹔㸬
㹘㸵ࠉ㹀㹊㹍㹕ࠉ㹑㸬㹔㸬
㹌㹍㹘㹘㹊㹃ࠉ㹓㹎
㹑㹃㹌㹑㹍㹐
㹁㹌㸮㸵㸮㸷
㹌㹍㹘㹘㹊㹃ࠉ㹓㹎
㹑㹃㹌㹑㹍㹐
㹁㹌㸷
㹁㹌㸮㸵㸮㸶
㹁㹌㸶
㹔㸿㹁㹓㹓㹋ࠉ㹓㹌㹇㹒
㹘㸴㹔
㹘㸳㹔
㹘㸲㹔
㹘㸱㹔
㹘㸰㹔
㹘㸯㹔
㹘㸴㹀
㹘㸳㹀
㹘㸲㹀
㹘㸱㹀
㹘㸯㹀
㹘㸰㹀
㹘㸴ࠉ㹔㸿㹁㹓㹓㹋ࠉ㹑㸬㹔㸬
㹘㸳ࠉ㹔㸿㹁㹓㹓㹋ࠉ㹑㸬㹔㸬
㹘㸲ࠉ㹔㸿㹁㹓㹓㹋ࠉ㹑㸬㹔㸬
㹘㸱ࠉ㹔㸿㹁㹓㹓㹋ࠉ㹑㸬㹔㸬
㹘㸰ࠉ㹔㸿㹁㹓㹓㹋ࠉ㹑㸬㹔㸬
㹘㸯ࠉ㹔㸿㹁㹓㹓㹋ࠉ㹑㸬㹔㸬
㹘㸴ࠉ㹀㹊㹍㹕ࠉ㹑㸬㹔㸬
㹘㸳ࠉ㹀㹊㹍㹕ࠉ㹑㸬㹔㸬
㹘㸲ࠉ㹀㹊㹍㹕ࠉ㹑㸬㹔㸬
㹘㸱ࠉ㹀㹊㹍㹕ࠉ㹑㸬㹔㸬
㹘㸰ࠉ㹀㹊㹍㹕ࠉ㹑㸬㹔㸬
㹁㹌㸮㸵㸯㸮
㹘㸯ࠉ㹀㹊㹍㹕ࠉ㹑㸬㹔㸬
㹁㹌㸯㸮
㹖㹗ࠉ㹀㹃㸿㹐
㹁㸿㹀㹊㹃㹑
㸿㹑㹋
㹁㹌㸳
㸰㸫㸯㸿
㸯㸫㸱㹁
㹁㹌㸮㸴㸱㸰
㹍㹁㹁㸫㹍㸯
㹍㹁㹁㸫㸿㸯
㹍㹁㹁㸫㹁㸯
㹁㹌㸮㸱㸮㸰 㹁㹌㸮㸱㸮㸷
㹁㹌㸮㸮㸴㸮
㹁㹌㸮㸴㸯㸲
㹁㹌㸮㸴㸮㸯
㹁㹌㸮㸮㸮㸳
㹁㹌㸰
㹇㹍ࠉ㹁㹍㹌㹒㹐㹍㹊ࠉ㹎㹁㹀
㹁㹌㸮㸵㸯㸵
㹁㹌㸮㸵㸮㸯
㹁㹌㸮㸴㸯㸳
㹁㹌㸮㸴㸮㸱
㹁㹌㸯
㹁㹌㸮㸴㸮㸴
㹁㹌㸮㸴㸮㸵㸫㸯
㹒㹆㹃㹐㹋㸿㹊ࠉ㹑㹃㹌㹑㹍㹐
㹎㹁㹀
㹌㹘㹊ࠉ㹓㹎ࠉ㹑㸬㹔㸬
㹆㹇㹅㹆㹒ࠉ㹋㹃㸿㹑㹓㹐㹃㹋㹃㹌㹒
㹑㹃㹌㹑㹍㹐
㹁㹌㸮㸴㸱㸮㹁㹌㸮㸴㸮㸶
㹁㹌㸮㸴㸯㸰
㹍㹁㹁ࠉ㸿ࠉ㹎㹁㹀
㹍㹁㹁ࠉ㹁ࠉ㹎㹁㹀
㹁㹌㸴
㹁㹌㸵
㹁㹌㸶
㹁㹌㸲
㹁㹌㸱
㹁㹌㸳
㹁㹌㸯㸰
㹁㹌㸯㸵
㹆㹃㸿㹂ࠉ㹋㸿㹇㹌ࠉ㹎㹁㹀
㹁㹌㸯
㹁㹌㸮㸵㸮㸲
㹊㹌㹁㸫㸱
㹁㹌㸲
㹊㹌㹁ࠉ㹊㸿㹌
㹁㹌㸮㸵㸯㸲
㹊㹌㹁㸫㸰
㹁㹌㸯㸲
㹇㹊㹊㹓㹋㹇㹌㸿㹒㹇㹍㹌
㹓㹌㹇㹒
㹊㹌㹁㸯㸰㸮㸫㸶
㹐㹈㸲㸳ࠉ㹐㹃㹊㸿㹗
㹁㹍㹌㹌㹃㹁㹒㹍㹐
㹐㹈㸲㸳ࠉ㹐㹃㹊㸿㹗
㹁㹍㹌㹌㹃㹁㹒㹍㹐
㹖㹗ࠉ㹀㹃㸿㹐
㹁㸿㹀㹊㹃㹑
㸿㹑㹋
㸯㸫㸰㹂
㸯㸫㸱㹁
㹊㸿㹌㸱
㹁㹎㹓ࠉ㹀㹍㸿㹐㹂
㹊㸿㹌㸱
㹁㹌㸮㸵㸯㸱
㹒㸿ࠉ㹁㹌㸳
㹁㹌㸳
㹁㹌㸯㸱
㹁㹌㸯㸷
㹖㹗ࠉ㹀㹃㸿㹐
㹁㸿㹀㹊㹃㹑
㸿㹑㹋
㹒㸿ࠉ㹁㹌㸴
㹁㹌㸴
㹁㹌㸮㸵㸮㸱
㹁㹌㸱
㹁㹌㸮㸵㸰㸱
㹁㹌㸰㸱
㹗㹐㸫㹁㹌㸰
㹗㹊㸫㹁㹌㸰
㹗ࠉ㹑㹃㹐㹔㹍ࠉ㹋㹍㹒㹍㹐㸦㹗㹐㸧
㹗㹐ࠉ㹋㹒㹐
㹗㹐ࠉ㹁㹌㹃㹌㹁
㹗ࠉ㹑㹃㹐㹔㹍ࠉ㹋㹍㹒㹍㹐ࠉ㸦㹗㹊㸧
㹒㸿ࠉ㹁㹌㹎㸯
㹁㹌㸰㹂
㹁㹌㹎㸰㹂
㹁㹌㸰㹁
㹁㹌㹎㸰㹁
㹁㹌㸰㹀
㹁㹌㹎㸰㹀
㹁㹌㸯㹀
㹁㹌㸰㸿
㹁㹌㹎㸰㸿
㹁㹌㹎㸯
㹁㹌㸯㸿
㹒㸲
㹋㹍㹒㹍㹐
㹒㸱
㹋㹍㹒㹍㹐
㹒㸰
㹋㹍㹒㹍㹐
㹒㸯
㹋㹍㹒㹍㹐
㹒㸿ࠉ㹂㹐㹇㹔㹃㹐
㹁㹌ࠉ㸿㸴㹁㹌ࠉ㸿㸴
㹁㹌ࠉ㹀㸰
㹁㹌ࠉ㹀㸰
㹎㹑㸫㹍㹌
㹁㹌ࠉ㸿㸱
㹁㹌ࠉ㸿㸱
㹁㹌ࠉ㸿㸷
㹁㹌ࠉ㸿㸷
㹄㹅
㹁㹍㹔㹃㹐
㹋㹒㹑ࠉ㹎㹕㹐
㹁㹌ࠉ㸿㸯
㹁㹎㹁㹇㸫㹁㹌㸯
㹀㸿㹒㹒
㹀㸿㹒㹒㹃㹐㹗ࠉ㹓㹌㹇㹒
㹄㹅
㹄㹅
㸦㹆㹃㸿㹂ࠉ㹓㹌㹇㹒㸧
㹄㹖㸯㸫㹁㹌㸰
㹗㹊㸫㹁㹌㹎㸱
㹗㹐㸫㹁㹌㹎㸱
㹁㹌㸮㸵㸰㸮
㹁㹌㸮㸵㸰㸰
㹁㹌㸮㸵㸰㸯
㹘㸿㹁㹌㹎㸯
㹁㹌㸯㸿
㹁㹌㸮㸵㸯㸷
㹄㹗㹐㸫㹄㹅
㹄㹗㹊㸫㹄㹅
㹁㹍㹌㹒㹐㹍㹊ࠉ㹓㹌㹇㹒
㸰㸫㸯㸿
㸯㸫㸯㹂
㸰㸫㸯㹁
㸰㸫㸯㹀
㸰㸫㸯㹀
㹁㹌㸮㸮㸲㸱
㹄㹅
㹁㹌㸮㸮㸵㸲
㹁㹌㸮㸮㸵㸯
㹄㹅
㹁㹌㸲㸱
㹄㹅㸦㹆㹃㸿㹂ࠉ㹓㹌㹇㹒㸧
㹁㹆㸯
㹎㹍㹑㹇㹒㹇㹍㹌ࠉ㹀㹍㸿㹐㹂
㹘㸱
㹋㹍㹒㹍㹐
㹘㸰
㹋㹍㹒㹍㹐
㹘㸯
㹋㹍㹒㹍㹐
㹁㹌㸰㹁
㹁㹌㹎㸰㹁
㹁㹌㸰㹀
㹁㹌㹎㸰㹀
㹁㹌㸯㹀
㹁㹌㸰㸿
㹁㹌㹎㸰㸿
㹄㹅㹄㹅
㹄㹅
㹁㹌㸮㸮㸵㸮
㹁㹌㸰㸰
㹁㹌㸰㸯
㹁㹌㸰㸮
㹆㹃㸿㹂ࠉ㹐㹃㹊㸿㹗ࠉ㹎㹁㹀
㹘㸯㸪㹘㸰㸪㹘㸱ࠉ㹂㹐㹇㹔㹃㹐
㹁㹌㹎㸯
㹁㹌㸯㸿
㹗㹊ࠉ㹋㹒㹐
㹗㹊ࠉ㹁㹌㹃㹌㹁
㹖㸫㹋㹒㹐㸰
㹖㸯㸫㹋㹒㹐㸯
㹖ࠉ㹑㹃㹐㹔㹍ࠉ㹋㹍㹒㹍㹐
㹖㸫㹃㹌㹁㸳
㹗ࠉ㹀㹃㸿㹐
㹁㸿㹀㹊㹃㹑
㸿㹑㹋
㹖㸯㸫㹃㹌㹁㸲
㹁㹌㹎㸱
㹁㹌㸰
㹁㹌㸯㹀
㹁㹌㸯㸿
㹃
㹁㹌㹎㸰
㹁㹌㹎㸯
㹄㹅
㹁㹌㹎㸱
㹁㹌㸰
㹁㹌㸯㹀
㹁㹌㸯㸿
㹃
㹁㹌㹎㸰
㹁㹌㹎㸯
㹄㹅
㹁㹌㹎㸱
㹁㹌㸰
㹁㹌㸯㹀
㹁㹌㸯㸿
㹃
㹁㹌㹎㸰
㹁㹌㹎㸯
㹄㹅
㹗㹐ࠉ㹑㹃㹐㹔㹍ࠉ㹂㹐㹇㹔㹃㹐
㹗㹊ࠉ㹑㹃㹐㹔㹍ࠉ㹂㹐㹇㹔㹃㹐
㹖ࠉ㹑㹃㹐㹔㹍ࠉ㹂㹐㹇㹔㹃㹐
㹁㹌ࠉ㸿㸳
㹇㹌㹎㹓㹒
㹎㹍㹕㹃㹐ࠉ㹑㹓㹎㹎㹊㹗
㹓㹌㹇㹒ࠉ㹀
㸯㸫㸰㹀
㹁㹌ࠉ㸿㸯
㹁㹌ࠉ㸿㸳
㸰㸮㸮㹔
㹁㹌ࠉ㸿㸯
㹃㹊㹃㹁㹒㹐㹇㹁㸿㹊ࠉ
㹓㹌㹇㹒ࠉ㸿
㹒㹄
㹒㹐㸿㹌㹑㹄㹍㹐㹋㹃㹐
㹁㹌㸰㸮㸮㸰
㸯㸫㸯㹀
㹋㸿㹇㹌ࠉ㹑㹕㹇㹒㹁㹆
㹄㹅
㹁㹌㸰㸮㸮㸯
㹁㹌ࠉ㸿㸵
㹁㹌ࠉ㸿㸵
㸴㹑㹊㹍㹒ࠉ㹁㹎㹁㹇ࠉ㹀㸿㹁㹉ࠉ㹀㹍㸿㹐㹂
㸳㸫㸯㸿
㸯㸫㸰㹂
㸯㸫㸯㸿
㸯㸫㸰㹀
㹀㹊㸿㹌㹉
㸯㸫㸰㹁
㸿㹒㹖㸫㹎㸯
㹇㹍ࠉ㹁㹍㹌㹒㹐㹍㹊
㹐㹑㸰㸱㸰㹁ࠉ㹀㹍㸿㹐㹂
㹎㹍㹑㹇㹒㹇㹍㹌ࠉ㹀㹍㸿㹐㹂
㹁㹎㹓ࠉ㹀㹍㸿㹐㹂
㸿㹁ࠉ㹇㹌
㸿㹒㹖ࠉ㹓㹌㹇㹒
㹄㹅
㹇㹌㹎㹓㹒
㹎㹃
㹌㹄
㹌㹍㹇㹑㹃ࠉ㹄㹇㹊㹒㹃㹐
㹋㸿㹇㹌ࠉ㹑㹕㹇㹒㹁㹆
㹋㹁㹁㹀
㹌㹍㹒㹃㸯
㹊㸱
㹊㸰
㹊㸯
㸯㸴 㸯㸴
㸲㸲
㸴㸳
㸳㸳
㸶㸷
㸶㸵
㸷㸯
㸷㸮
㸷㸰
㸷㸱
㸷㸲
㸷㸲
㸷㸳
㸷㸵
㸷㸶
㸷㸷
㸯㸮㸮
㸷㸵
㸷㸶
㸯㸮㸯
㹁㹌㸯㸿
㹘㸲
㹋㹍㹒㹍㹐
㹘㸲㸪㹘㸳㸪㹘㸴ࠉ㹂㹐㹇㹔㹃㹐
㸷㸷
㸯㸮㸮
㸷㸵
㸷㸶
㹁㹌㸯㸿
㹁㹌㹎㸰㸿
㹁㹌㸰㸿
㹁㹌㸯㹀
㸦㸰㸭㸲㸧
㸦㸰㸭㸲㸧
㸷㸴
㸯㸮㸯 㸯㸮㸯
㹘㸴
㹋㹍㹒㹍㹐
㹘㸳
㹋㹍㹒㹍㹐
㹁㹌㹎㸯
㸯㸮㸮
㸷㸷
㹁㹌㹎㸰㹀
㹁㹌㸰㹀
㹁㹌㹎㸰㹁
㹁㹌㸰㹁
㸦㸱㸭㸲㸧
㸦㸱㸭㸲㸧
㸦㸱㸭㸲㸧
㸦㸱㸭㸲㸧
㹘㹀㹁㹌㹎㸯
㹄㹅㸦㹆㹃㸿㹂ࠉ㹓㹌㹇㹒㸧 㹄㹅㸦㹆㹃㸿㹂ࠉ㹓㹌㹇㹒㸧
㸯㸮㸯
㹘㸵
㹋㹍㹒㹍㹐
㸷㸵
㸷㸶
㸷㸴
㸯㸮㸯 㸯㸮㸯
㹘㸿
㹋㹍㹒㹍㹐
㹘㸶
㹋㹍㹒㹍㹐
㹘㹁㹁㹌㹎㸯
㸦㸲㸭㸲㸧
㸦㸲㸭㸲㸧
㹁㹌㸰㹁
㹁㹌㹎㸰㹁
㹁㹌㸰㹀
㹁㹌㹎㸰㹀
㸯㸮㸰
㸯㸮㸱
㹁㹌㹎㸯
㸦㸲㸭㸲㸧
㸦㸲㸭㸲㸧
㹁㹌㸯㹀
㹁㹌㸰㸿
㹁㹌㹎㸰㸿
㹁㹌㸯㸿
㸯㸮㸮
㸷㸷
㹘㸵㸪㹘㸶㸪㹘㸿ࠉ㹂㹐㹇㹔㹃㹐
㹁㹌㸯㸿
㸯㸮㸯 㸯㸮㸯 㸯㸮㸯 㸯㸮㸯
㸯㸮㸳
㸯㸮㸲
㸯㸮㸳
㸯㸮㸲
㸯㸮㸲
㸯㸮㸲
㸯㸮㸲
㸯㸮㸲
㸰㸲
㸰㸱
㸰㸳
㸲㸶
㸳㸶
㸳㸷
㹊㹌㹁
㸳㸳
㹊㹌㹁㸫㸯
㸳㸳
㸴㸯
㸳㸯
㸴㸱
㸴㸲
㸴㸰
㹁㹊㹇㹌㹁㹆ࠉ㹓㹌㹇㹒ࠉ
㹍㹎㹒㹇㹍㹌
㸰㸫㸳㹀
㹎㹍㹑㹇㹒㹇㹍㹌ࠉ㹀㹍㸿㹐㹂
㹁㹊㹇㹌㹁㹆ࠉ㹓㹌㹇㹒ࠉ㹍㹎㹒㹇㹍㹌
㹁㹌ࠉ㸿㸯㸲
㹁㹌ࠉ㹁㸲
㹁㹌ࠉ㹁㸲
㹁㹌ࠉ㹁㸵
㹁㹌ࠉ㹁㸵
㹁㹌ࠉ㹁㸯
㹁㹌ࠉ㹁㸯
㹃㹊㹃㹁㹒㹐㹇㹁㸿㹊ࠉ
㹓㹌㹇㹒ࠉ㹁
㸰㸫㸯㸿
㸯㸰㸴
㸯㸰㸵
㸯㸰㸶 㸯㸰㸷
㸯㸱㸮
㸯㸱㸯

- 112 -
NOTE( 注記 ) #01....OPTIONAL PARTS(EN) オプション部品(EN)
#02....FOR EN EN 用
REF.NO NOTE PART NO D E S C R I P T I O N
品 名
Qty
1 401-96265 POSITION BOARD
ポジションボード
1
2 401-29627 OPTICAL FIBER CABLE 1M
光ファイバケーブル1M
1
3 401-29652 X AXIS DRIVER
X軸ドライバ
1
4 401-82256 FX AMP-FG WIRE ASM
FX AMP−FGワイヤー組
1
5 402-05723 X AMP-XY BEAR ENC CABLE ASM
X AMP−XYベアENCケーブル組
1
6 402-05720 X MOTOR CABLE ASM
X モータケーブル組
1
7 401-82273 Y BEAR CABLE
Y ベアケーブル
1
8 401-29148 X-MOTOR ENC CABLE ASM
X−モータ ENCケーブル組
1
9 400-44546 X MTR PWR CABLE
X MTR電源ケーブル
1
10 401-29653 X AXIS MOTOR
X軸モータ
1
11 401-29654 Y AXIS DRIVER
Y軸ドライバ
1
12 401-29628 OPTICAL FIBER CABLE 0.15M
光ファイバケーブル0.15M
1
13 401-82257 FYL AMP-FG WIRE ASM
FYL AMP−FGワイヤー組
1
14 400-45401 YL ENC CABLE ASM
YL ENCケーブル組
1
15 402-05721 YL MOTOR CABLE ASM
YL モータケーブル組
1
16 401-46348 Y AXIS SERVO MOTOR
Y軸モータ
1
17 401-82258 FYR AMP-FG WIRE ASM
FYR AMP−FGワイヤー組
1
18 400-45403 YR ENC CABLE ASM
YR ENCケーブル組
1
19 402-05722 YR MOTOR CABLE ASM
YR モータケーブル組
1
20 400-48070 OPTICAL FIBER CABLE 7M
光ファイバケーブル7M
1
21 402-06696 ASM_JM100_POWER_SUPPLY_UNIT_B
JM100_電装ユニット_B
1
22
#01
402-06708 ASM_JM100_POWER_SPLY_UNIT_B_EN
JM100_電装ユニット_B_EN
1
23 401-82243 EU TOP-F XY BEAR AMP PWR CABLE ASM
EU TOP−F XY ベアアンプ電源ケーブル組
1
24 401-82272 XY BEAR CABLE
XY ベアケーブル
1
25 401-33060 XY BEAR AMP PWR-FG WIRE ASM
XYベア−FGワイヤー組
1
26 401-86993 BREAKER-NF WIRE ASM
BREAKER−NF束線組
1
27 401-86992 BREAKER-NF WIRE ASM
BREAKER−NF束線組
1
28 HN-0040100-00 NOISE FILTER
ノイズフィルタ
1
29 401-82379 NOISE FILTER
ノイズフィルタ
1
30 401-86994 NF-SW WIRE ASM
NF−SW束線組
1
31 402-05759 NF-SW WIRE ASM
NF−SWワイヤー組
1
32 401-88712 SWITCH
スイッチ
1
33 402-05719 SW-TF/MTS WIRE ASM2
SW−TF/MTSワイヤー組
1
34 402-05715 MS-E UNIT RELAY CABLE ASM
MS−E ユニット中継ケーブル組
1
35 402-05768 MTS PWR CABLE ASM
MTS 電源ケーブル組
1
36 402-05716 MS-E UNIT CABLE ASM
MS−E ユニットケーブル組
1
37 402-06695 ASM_JM100_ELECTRICAL_UNIT_A
JM100_電装ユニット_A
1
38
#01
402-06707 ASM_JM100_ELECTRICAL_UNIT_A_EN
JM100_電装ユニット_A_EN
1
39 401-82229 CN A5-X/YL/YR CNP1 CABLE ASM
CN A5−X/YL/YR CNP1ケーブル組
1
40
#02
401-88160 CN A5 -X /YL/YR CNP1 CABLE ASM
CN A5 −X /YL/YR CNP1ケーブル組
1
41 401-82230 CN A3-AMP CNP2 CABLE ASM
CN A3−AMP CNP2ケーブル組
1
42 401-91280 TRANSFORMER
トランス
1
43 402-05716 MS-E UNIT CABLE ASM
MS−E ユニットケーブル組
1
44
#01
HK-0429900-7A CAP
キャップ
1
45 402-05718 SV EJECTOR RELAY CABLE ASM
SV エジェクタ中継ケーブル組
1
46 401-82232 EU CN A6-EU CN B2 CABLE ASM
EU CN A6−EU CN B2ケーブル組
1
47
#01
401-88159 EU CN A4- CN0001 CABLE ASM(EN)
EU CN A4− CN0001ケーブル組(EN)
1
48 402-05717 EJSV CABLE ASM
EJSVケーブル組
1
49 401-28871 IO CONTROL PCB ASM
IOコントロール基板組
1
50 401-82239 IO-F XY BEAR SERIAL CABLE ASM
IO−F XY ベアシリアルケーブル組
1
51 402-05709 XY BEAR CABLE
XY ベアケーブル
1
52 401-82240 EU TOP-F XY BEAR HDM PWR CABLE ASM
EU TOP−F XY ベア HDM電源ケーブル組
1
53 402-05766 CAMERA
カメラ
1
54 401-36338 LAN CABLE 5M
LANケーブル 5M
1
55 HK-0849200-80 CONNECTOR
コネクタ
1
56 401-88158 EU BTM-BANK UP CABLE ASM(EN)
EU BTM−BANK UPケーブル組(EN)
1
57
#01
400-02344 BUP SHORT WIRE(EN) ASM
BUP ショートケーブルEN組
1
58 402-05765 CPU BOARD
CPUボード
1
59 401-36338 LAN CABLE 5M
LANケーブル 5M
1
60
#01
400-02287 B SW CABLE ASM(EN)
B スイッチケーブル組(EN)
1
61 401-82216 LNC LAN CABLE ASM
LNC LANケーブル組
1
62 401-82791 LNC120-8
LNC120−8
1
63 401-82217 LNC ENCODER CABLE ASM
LNC エンコーダケーブル組
1
64 401-82218 HDR-LNC LED CABLE ASM
HDR−LNC LEDケーブル組
1
65 402-05762 EU TOP-ATX RELAY CABLE ASM
EU TOP−ATX 中継ケーブル組
1
66 401-86497 ATX RELAY-ATX 250V CABLE ASM
ATX RELAY−ATX 250Vケーブル組
1
67 EZ-1756647-11 BATTERY PACK (BS06A-H24/2.5L)
バツテリ− パック(BS06A−H24/2.5L)
1
68 EZ-1468979-11 POWER (ENSP-300P-S20-11S)
電源(ENSP−300P−S20−11S)
1
69 401-72724 ATX-CPCI WIRE ASM3
ATX−CPCI束線組3
1
70 401-82233 ATX-SW CABLE ASM
ATX−SWケーブル組
1
71 401-88712 SWITCH
スイッチ
1
72 402-06693 ASM_JM100_CTRL_UNIT
ASM_JM100_コントロールユニット
1
73 402-05765 CPU BOARD
CPUボード
1
74 401-28871 IO CONTROL PCB ASM
IOコントロール基板組
1
75 401-96265 POSITION BOARD
ポジションボード
1
76 401-35433 8-PORT COM BOARD
8−PORT COMボード
1
77 401-72512 CPCI BACK BOARD 6SLOT
CPCIバックボード6スロット
1
78 401-28873 HEAD MAIN PCB ASM
ヘッドメイン基板組
1
79 401-82241 HDM-HDR SERIAL CABLE ASM
HDM−HDR シリアルケーブル組
1
80 401-29105 HDM-HDR PWR CABLE ASM
HDM−HDR 電源ケーブル組
1
81 401-29273 HDM-OCC LIGHT L CABLE ASM
HDM−OCCライトLケーブル組
1
82 401-28879 OCC C PCB ASM
OCC C基板組
1
83 401-28878 OCC A PCB ASM
OCC A基板組
1
84 401-28880 OCC O PCB ASM
OCC O基板組
1
85 401-29106 HDM-HMS L RELAY CABLE ASM
HDM−HMS L 中継ケーブル組
1
86 402-05724 HMS SENSOR ASM
HMSセンサ組
1
87 401-85429 NZL-UP SV EXTENSION CABLE ASM
NZL−UP SV 延長ケーブル組
1
88 401-83349 NZL-UP SV CABLE ASM
NZL−UP SVケーブル組
1
89 401-86318 HDM-TMP SENSOR CABLE ASM
HDM−TMP センサケーブル組
1
90 401-28883 THERMAL SENSOR PCB ASM
サーマルセンサ基板組
1
91 402-05725 CAMERA PWR CABLE ASM
カメラ電源ケーブル組
1
92 402-05766 CAMERA
カメラ
1
93 401-44863 LENS_MJ076_96TL
レンズ_MJ076_96TL
1
94 401-29628 OPTICAL FIBER CABLE 0.15M
光ファイバケーブル0.15M
1
95 401-29650 4AXIS INTEGRAL TYPE T AXIS D
4軸一体T軸ドライバ
1
96 EZ-1492148-11 AMPLIFIER SERVO
サ−ボ アンプ(MR−MD212−S016)
1
97 401-90511 Z1357 ENCODER RELAY CABLE ASM
Z1357エンコーダ中継ケーブル組
1
98 401-90510 Z1357 POWER RELAY CABLE ASM
Z1357電源中継ケーブル組
1
99 401-90513 Z2468 ENCODER RELAY CABLE ASM
Z2468エンコーダ中継ケーブル組
1
100 401-90512 Z2468 POWER RELAY CABLE ASM
Z2468電源中継ケーブル組
1
101 401-87431 SERVO MOTOR 30W
サーボモータ 30W
1
102 401-82565 ZC CN2A CABLE ASM
ZC CN2Aケーブル組
1
103 401-82563 ZC CNP2A CABLE ASM
ZC CNP2Aケーブル組
1
104 401-90515 T1234 ENCODER RELAY CABLE ASM
T1234エンコーダ中継ケーブル組
1
105 401-90514 T1234 POWER RELAY CABLE ASM
T1234電源中継ケーブル組
1
106 401-82252 HDR-ZA AMP PWR CABLE ASM
HDR−ZA アンプ電源ケーブル組
1
107 401-82253 HDR-ZB AMP PWR CABLE ASM
HDR−ZB アンプ電源ケーブル組
1
108 401-82254 HDR-ZC AMP PWR CABLE ASM
HDR−ZC アンプ電源ケーブル組
1
109 401-82222 HDR-TA AMP PWR CABLE ASM
HDR−TA アンプ電源ケーブル組
1
110 401-82250 TAMP-HDR SERIAL CABLE ASM
TAMP−HDR シリアルケーブル組
1
111 401-82215 TA CN5-CN0713 CABLE ASM
TA CN5−CN0713ケーブル組
1
112 401-82251 HDR-SV CABLE ASM
HDR−SVケーブル組
1
113 401-33002 NZL UP SENSOR 6T L CABLE ASM
ノズルアップセンサ(6TL)ケーブル組
1
114 401-33003 NZL UP SENSOR 6T R CABLE ASM
ノズルアップセンサ(6TR)ケーブル組
1
115 401-89336 HDR-Z VAC SENSOR CABLE ASM
HDR−Zバキュームセンサケーブル組
1
116 401-82489 VACCUM_UNIT
バキュームユニット
1
117 401-89336 HDR-Z VAC SENSOR CABLE ASM
HDR−Zバキュームセンサケーブル組
1
118 401-82220 HDR-SV CABLE ASM2
HDR−SVケーブル組2
1
119 401-82558 CN0707 - T1/T2/T3 ORIGIN CABLE ASM
CN0707 − T1/T2/T3 原点ケーブル組
1
120 401-82559 CN0724 - T4 ORIGIN CABLE ASM
CN0724 − T4 原点ケーブル組
1
121 401-94684 T1_T2_T3_T4 ORIGIN SENSOR ASM
T1_T2_T3_T4 原点センサ組
1
122 401-83385 FIBER UNIT 2M
ファイバーユニット 2M
1
123 401-19461 HEAD FAN MOTOR A ASSY
頭部ファンモータA組
1
124 401-28954 NF-FG WIRE ASM
NF−FG ワイヤー組
1
125 401-28874 HEAD RELAY PCB ASM
ヘッドリレー基板組
1
126 402-13468 AC200V INPUT CABLE ASM
AC200V入力ケーブル組
1
127 402-13469 PSU-C SIGNAL CABLE ASM
PSU−Cシグナルケーブル組
1
128 402-13939 ELECTRICAL_UNIT_C_ASM_ST
エレクトリカルユニット組_ST
1
129
#01
402-13940 ELECTRICAL_UNIT_C_ASM_EN
エレクトリカルユニット組_EN
1
130 402-13467 DC48V INPUT CABLE ASM
DC48V入力ケーブル組
1
131 401-96265 POSITION BOARD
ポジションボード
1