JM-100-Rev02 - 第121页
- 116 - NOTE( 注記 ) #01....OPTIONAL PA RTS(EN) オプション部品(EN) #02....OPTIONAL PARTS オプション部品 REF.NO NOTE PART NO D E S C R I P T I O N 品 名 Qty 1 401-28871 IO CONTROL PCB ASM IOコントロール基板組 1 2 401-29323 IO-R BKR SERIAL CABLE ASM…

- 115 -
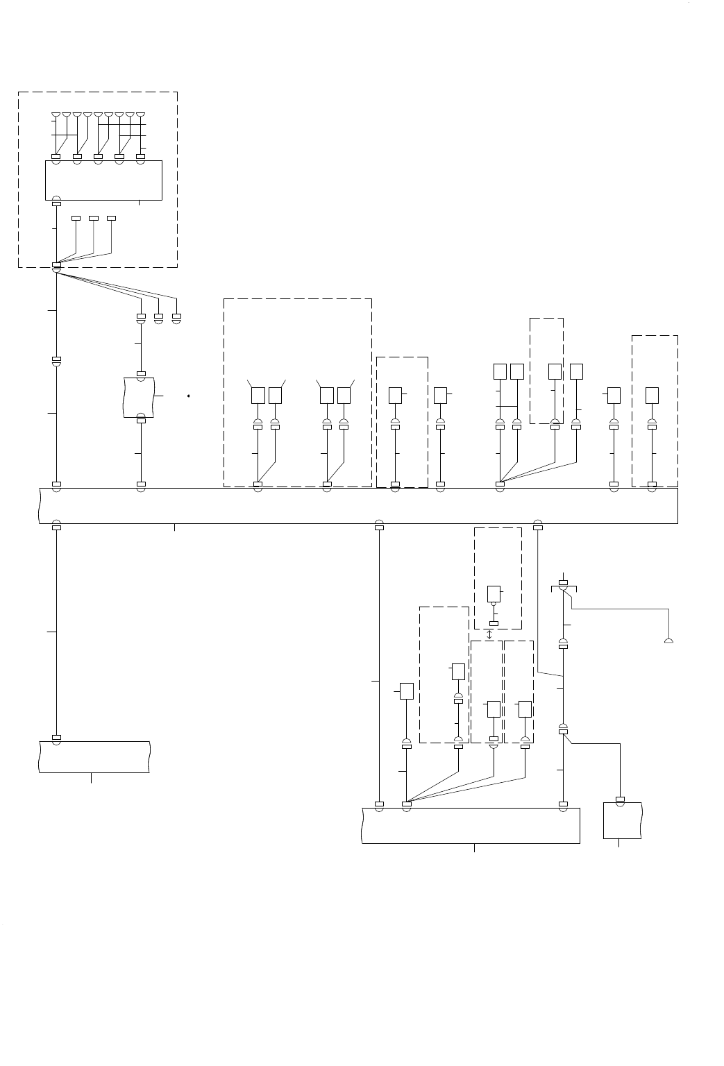
58.SYSTEM DIAGRAM (3)
SYSTEM DIAGRAM ( 3 )
㹌㹍㹌㹃ࠉ㹐㹃㸿㹐ࠉ㹀㸿㹌㹉
㹐㹍㹎ࠉ㹁㹌㸵
㹁㹍㹔㹃㹐ࠉ㹍㹎㹃㹌ࠉ㹑㹕㸦㹐㸧
㹃㹌ࠉ㹍㹎㹒㹇㹍㹌
㹑㹒㸿㹌㹂㸿㹐㹂
㹑㹋㹒ࠉ㹄㹃㹃㹂㹃㹐㸦㹄㸧ࠉ㹍㹎㹒㹇㹍㹌
㹁㹌㸯㸱
㹀㸿㹌㹉
㹁㹌㸯㸲㸯㸱
㹉㹌㹍㹁㹉ࠉ㹁㹗㹊㹇㹌㹂㹃㹐
㹂㹐㹔ࠉ㹎㹕㹐
㹁㹌ࠉ㹄㸭㹐
㹁㹌㸲㸴㸱
㹁㹌㸲㸴㸰
㹁㹌㸴㸰㸯
㹁㹌㸰㸯
㹁㹌㸴㸰㸰
㹁㹌㸰㸰
㹁㹌㸰㸱
㹁㹌㸴㸰㸲
㹁㹌㸰㸲
㹁㹌㸴㸰㸱
㹁㹌㸴㸰㸳
㹁㹌㸰㸳
㹁㹌㸳㸮㸵
㸲㸫㸯㹁
㸰㸫㸲㹁
㹋㹇ࠉ㹀㸿㹌㹉ࠉ㹒㹐㹍㹊㹊㹃㹗ࠉ㹓㹌㹇㹒㸦㹐㹃㸿㹐㸧
㹁㹌㸯㸱㸲㸮
㸯㸱㸫㸯㸳
㸯㸮㸫㸯㸰
㸵㸫㸷
㸲㸫㸴
㸯㸫㸱
㸰㸳㸫㸰㸶
㸰㸰㸫㸰㸲
㸯㸷㸫㸰㸯
㸯㸴㸫㸯㸶
㹁㹌㸯
㹁㹌㸯㸵㸳㸴
㹄㹐㹍㹌㹒ࠉ㹄㹃㹃㹂㹃㹐ࠉ㹇㸭㹄ࠉ㹎㹁㹀
㹁㹌㸲㸴㸯
㹁㹌㸮㸮㸯㸳
㹁㹌㸯㸳
㹁㹌㸯㸲㸯㸳
㹁㹌㸰
㹁㹌㸯㸲㸮㸰
㹁㹌㸯㸳
㹁㹌ࠉ㹀㸲
㹎㹍㹕㹃㹐ࠉ㹑㹓㹎㹎㹊㹗ࠉ㹓㹌㹇㹒ࠉ㹀
㹁㹌ࠉ㹀㸲
㹒㹍㹐㹍㹊㹊㹃㹗ࠉ㹍㹎㹒㹇㹍㹌
㹀㸿㹌㹉ࠉ㹓㹎
㹑㹃㹌㹑㹍㹐
㹁㹌㸯㸰
㹁㹌㸴㸴㸴㸵
㹁㹌㸯㸲㸯㸰
㹄㹃㹃㹂㹃㹐ࠉ㹄㹊㹍㸿㹒ࠉ㹑㹃㹌㹑㹍㹐㸦㹄㸧ࠉ㹍㹎㹒㹇㹍㹌
㹀㸿㹌㹉ࠉ㹎㹍㹕㹃㹐
㹑㹕
㹁㹌㸱
㹀㹉ࠉ㹎㹕
㹁㹌㸯㸲㸮㸱
㹄㹃㹃㹂㹃㹐ࠉ㹄㹊㹍㸿㹒ࠉ㹑㹃㹌㹑㹍㹐ࠉ㹐㹃㹁㸰
㹄㹃㹃㹂㹃㹐ࠉ㹄㹊㹍㸿㹒ࠉ㹑㹃㹌㹑㹍㹐ࠉ㹃㹋㹇㸯
㹁㹌㸯㸮
㹁㹌㸯㸱㸱㸱
㹁㹌㸯㸱㸱㸯
㹁㹌㸯㸲㸯㸮
㹄㹃㹃㹂㹃㹐ࠉ㹄㹊㹍㸿㹒ࠉ㹑㹃㹌㹑㹍㹐ࠉ㹃㹋㹇㸰
㹁㹌㸷
㹁㹌㸯㸱㸰㸵
㹁㹌㸯㸱㸰㸳
㹁㹌㸯㸲㸮㸷
㹄㹃㹃㹂㹃㹐ࠉ㹄㹊㹍㸿㹒ࠉ㹑㹃㹌㹑㹍㹐ࠉ㹐㹃㹁㸯
㹁㹍㹔㹃㹐
㹁㹌㸯㸲㸮㸶
㹁㹌㸮㸶
㸰㸫㸱㹁
㸰㸫㸯㹂
㹇㹑
㹋㹒㹑ࠉ㹇㹄
㹋㹒㹑ࠉ㹇㹄㸫㸯
㹋㹒㹑ࠉ㹇㹄㸫㸰 㹋㹒㹑ࠉ㹇㹄
㹋㹒㹑ࠉ㹇㸭㹄
㹁㹌㸯㸰㸯㸳
㹁㹌㸯㸳
㸲㸫㸰㸿
㹁㹌㸯㸮㸰㸱
㹁㹌㸰㸱
㹁㹍㹌㹔㹃㹗㹍㹐ࠉ㹎㹁㹀ࠉ㸦㹐㸧
㹍㹎ࠉ㹁㹌㸵
㹁㹔㹊㹍㹁㹉
㹁㹍㹔㹃㹐ࠉ㹊㹍㹁㹉ࠉ㹑㸬㹔㸬㸦㹐㸧
㹁㹌㸯㸰㸳㸯
㸲㸫㸯㸿
㸰㸫㸯㸿
㸦㹍㹎㸧
㸦㹐㹃㸿㹐ࠉ㹋㹍㹌㹇㹒㹍㹐㸧
㹁㹌㸮㸱㸮㸶
㹁㹌㸶
㹁㹌㸯㸲㸮㸳
㹁㹌㸳㹁㹌㸴
㹁㹌㸯㸰㸮㸴
㹁㹌㸲
㹁㹍㹌㹑㹍㹊㹃ࠉ㹑㹕㸦㹐㸧
㹁㹌㸯㸲㸲㸶
㹑㹒㹍㹎ࠉ㹑㹕㸦㹐㸧
㹑㹒㸿㹐㹒ࠉ㹑㹕㸦㹐㸧
㹁㹌㸯㸲㸲㸵
㹁㹌㸯㸲㸲㸴
㹁㹌㸯㸲㸲㸳
㹁㹌㸯㸲㸮㸲
㹃㹋㹅ࠉ㹑㹕㸦㹐㸧
㹁㹌㸯㸲㸮㸯
㹁㹌㸯
㹋㹇ࠉ㹀㸿㹌㹉ࠉ㹐㹃㹊㸿㹗ࠉ㹎㹁㹀㸦㹐㸧
㹁㹌㸴
㹁㹌㸯㸲㸱㸳
㹁㹌㸯㸲㸮㸴
㸿㹇㹐ࠉ㹎㹐㹃㹑㹑㹓㹐㹃
㹑㹃㹌㹑㹍㹐㸦㸫㸧
㹁㹌㸲
㹁㹍㹔㹃㹐ࠉ㹍㹎㹃㹌ࠉ㹑㹕㸦㹐㸧
㹁㹌㸯㸰㸳㸮
㹁㹌㸯㸰㸲㸵
㹁㹌㸯㸰㸮㸲
㹗ࠉ㹎㹍㹑ࠉ㹊㹋㹒㸯ࠉ㹑㹃㹌㹑㹍㹐㸦㹐㸧
㹑㸿㹄㹃㹒㹗ࠉ㹎㹁㹀
㹇㹍ࠉ㹁㹍㹌㹒㹐㹍㹊ࠉ㹎㹁㹀
㸯
㸰
㸲
㸳
㸴
㸵
㸷㸶
㸯㸱
㸯㸰
㸯㸲
㸯㸳
㸯㸯
㸯㸮
㸲㸳
㸱
㸯㸵
㸯㸴
㸯㸶
㸰㸯
㸯㸷 㸰㸮
㸰㸷 㸱㸰 㸱㸱
㸱㸲 㸱㸴
㸱㸳
㸱㸵
㸱㸶
㸱㸷
㸲㸮
㸲㸰 㸲㸲
㸲㸱
㸲㸯
㸱㸯㸱㸮 㸱㸮㸱㸯
㸰㸰
㸰㸱
㸰㸲
㸰㸳
㸰㸶
㸰㸵
㸰㸴
㹁㹊㹇㹌㹁㹆ࠉ㹓㹌㹇㹒ࠉ㹍㹎㹒㹇㹍㹌
㹁㹗ࠉ㹌㹃㸿㹐ࠉ㹑㹃㹌㹑㹍㹐
㹁㹌㸯㸰㸲㸷㹁㹗
㸲㸴
㸲㸵

- 116 -
NOTE( 注記 ) #01....OPTIONAL PARTS(EN) オプション部品(EN)
#02....OPTIONAL PARTS オプション部品
REF.NO NOTE PART NO D E S C R I P T I O N
品 名
Qty
1 401-28871 IO CONTROL PCB ASM
IOコントロール基板組
1
2 401-29323 IO-R BKR SERIAL CABLE ASM
IO−R BKR シリアルケーブル組
1
3 402-06240 MI BANK RELAY PCB ASM
MI バンク中継基板組
1
4 402-09949 SAFETY PCB ASM
安全基板組
1
5 401-82246 R BKR-SF CABLE ASM
R BKR−SFケーブル組
1
6 402-05729 SF-YC TOP SENS RELAY CABLE ASM
SF−YC トップセンサ中継ケーブル組
1
7 401-65028 XY LMT SENSOR ASM
XY リミットセンサ組
1
8
#02
400-02254 COVER OPEN SW CABLE ASM
カバーオープンスイッチケーブル組
1
9
#01
401-46405 COVER LOCK SV ASM
カバーロックSV組
1
10 402-05769 CO OP SW REAR CABLE ASM
CO OPスイッチリアケーブル組
1
11 HD-0028100-00 SENSOR
センサー
1
12 401-82268 MTS I/F CABLE ASM
MTS I/Fケーブル組
1
13 402-05733 MTS I/F CABLE2 ASM
MTS I/F ケーブル2組
1
14 401-29336 MTS I/F BR CABLE ASM
MTS I/F BRケーブル組
1
15 401-28875 CONVEYOR PCB ASM
搬送基板組
1
16 402-05748 BKR-FDR IF CABLE ASM
BKR−FDR IFケーブル組
1
17 401-36610 MI BANK RLY CABLE ASM
MI バンク中継ケーブル組
1
18 401-29073 F BKR-EU TOP PWR CABLE ASM
F BKR−EU トップパワーケーブル組
1
19 402-06696 ASM_JM100_POWER_SUPPLY_UNIT_B
JM100_電装ユニット_B
1
20
#01
402-06708 ASM_JM100_POWER_SPLY_UNIT_B_EN
JM100_電装ユニット_B_EN
1
21 402-05749 CONNECTOR BKT PWR CABLE ASM
コネクタBKT電源ケーブル組
1
22 401-36611 MI BANK CABLE ASM
MI バンクケーブル組
1
23 401-30360 FEEDER I/F PCB ASM
フィーダI/F基板組
1
24 402-05750 RADIAL CB CABLE 1 ASM
RADIAL CBケーブル1組
1
25 402-05751 RADIAL CB CABLE 2 ASM
RADIAL CBケーブル2組
1
26 402-05752 RADIAL CB CABLE 3 ASM
RADIAL CBケーブル3組
1
27 402-05753 RADIAL CB CABLE 4 ASM
RADIAL CBケーブル4組
1
28 402-05754 RADIAL CB CABLE 5 ASM
RADIAL CBケーブル5組
1
29
#02
402-05745 FD FLOAT L CABLE ASM
FD フロート L ケーブル組
1
30
#02
401-81501 SEPARATE SENSOR RECEIVER ASM
SEPARATE SENSOR_受光組
1
31
#02
401-81502 SEPARATE SENSOR EMISSION ASM
セパレートセンサ_投光組
1
32
#02
402-05744 FD FLOAT R CABLE ASM
FD フロート Rケーブル組
1
33
#02
402-05746 BANK UP SENSOR CABLE ASM
バンクアップセンサケーブル組
1
34
#02
401-29042 AWC/BU ORG SENSOR CABLE ASM
AWC/BU ORG センサワイヤー組
1
35 402-05747 BANK PWR SW CABLE ASM
AWC/BU 原点センサワイヤー組
1
36 401-37307 BANK POWER SW F/R ASM
バンク電源スイッチ F/R組
1
37 401-29082 R BKR-OPSW RELAY CABLE ASM
R BKR−OPSW 中継ケーブル組
1
38 401-90601 START SW CABLE ASM
スタートスイッチケーブル組
1
39 401-90602 STOP SW CABLE ASM
ストップスイッチケーブル組
1
40
#02
402-05714 CONSOLE SW CABLE ASM
コンソールスイッチケーブル組
1
41 401-29025 EMG SW CABLE ASM
エマージェンシースイッチケーブル組
1
42 401-29151 R BKR-AIR(N) RELAY CABLE ASM
R BKR−AIR(N)中継ケーブル組
1
43 401-29080 AIR(N) SENSOR CABLE ASM
エアー(N)センサケーブル組
1
44
#02
402-05755 BANK CABLE ASM
バンクケーブル組
1
45 401-84382 MTS I/F JUMPER CABLE ASM
MTS I/Fジャンパーケーブル組
1
46 402-13474 CY NEAR SENS RELAY CABLE ASM
CYニアセンサ中継ケーブル組
1
47 401-29002 NEAR SENSOR CABLE ASM
ニアセンサケーブル組
1

- 117 -
59.SYSTEM DIAGRAM (4)
SYSTEM DIAGRAM ( 4 )
㹁㹌㸯㸮㸶㸷
㹁㹌㸯㸮㸶㸷㸫㸯
㹁㹌㸯㸮㸶㸷㸫㸰
㸿㹒㹁ࠉ㹑㹔
㸿㹒㹁㸯ࠉ㹑㸬㹔㸬
㹃㹌ࠉ㹍㹎㹒㹇㹍㹌
㹃㹌ࠉ㹍㹎㹒㹇㹍㹌
㹄㹅
㹁㹌ࠉ㸿㸯㸱
㹁㹌ࠉ㸿㸯㸱
㸿㹁
㸰㸫㸯㹀
㹃㹊㹃㹁㹒㹐㹇㹁㸿㹊ࠉ㹓㹌㹇㹒ࠉ㸿
㹁㹌㸯㸯㸮㸰
㹁㹌㸰
㹁㹌㸯㸯㸮㸵
㹁㹌㸯㸯㸮㸲
㹀㹓ࠉ㹃㹌㹁㹍㹂㹃㹐
㹁㹌㸴㸴㸶
㸿㹕㹁ࠉ㹍㹎㹒㹇㹍㹌
㹁㹌㸯㸮㸴㸵
㹍㹐㹅ࠉ㹑㹃㹌㹑㹍㹐㸦㹀㹓㸧
㹑㹒㸿㹌㹂㸿㹐㹂
㹕㸿㹇㹒
㹕㸿㹇㹒ࠉ㹑㹃㹌㹑㹍㹐
㹊㸭㹐㸫㹑㹒㹍㹎ࠉ㹑㹔
㹑㹒㹍㹎㹎㹃㹐ࠉ㹑㹔
㹊㸫㹑㹒㹍㹎ࠉ㹑㹔
㹋ࠉ㹑㹒㹍㹎㹎㹃㹐㹙㹊㹛ࠉ㹑㸬㹔㸬
㹀㹓ࠉ㹊㹍㹁㹉
㹑㹃㹌㹑㹍㹐
㹑㹒㸿㹌㹂㸿㹐㹂
㹑㹒㹍㹎ࠉ㹑㹃㹌㹑㹍㹐
㹑㹒㹍㹎
㹁㹍㹓㹒
㹁㹍㹓㹒ࠉ㹑㹃㹌㹑㹍㹐
㹊㹋㸳㹔
㹊㹃㹄㹒ࠉ㹋㹍㹒㹍㹐
㹊㹃㹄㹒ࠉ㹂㹐㹇㹔㹃㹐
㹁㹋㸫㸯
㹁㹌㸯
㹁㹌㸰
㹁㹋㸫㸰 㹁㹌㸲㸷㸴㹐
㹀㹓ࠉ㹋㹍㹒㹍㹐
㹀㹓㹋
㹁㹌㸲
㹀㹓ࠉ㹑㹃㹐㹔㹍ࠉ㹂㹐㹇㹔㹃㹐
㹁㹌㸵
㹋㹍㹒㹍㹐
㹀㹓ࠉ㹊㹍㹁㹉
㹁㹌㸯㸮㸵㸶㸫㸱
㹀㹓ࠉ㹊㹍㹁㹉ࠉ㹑㸬㹔㸬
㹁㹌㸯㸮㸵㸰
㸦㹍㹎㸧ࠉ㹁㹍㹌㹔㹃㹗㹍㹐ࠉ
㹃㹖㹒㹃㹌㹑㹇㹍㹌ࠉ㸯㸳㸮㹫㹫ࠉ㹭㹰ࠉ㸰㸳㸮㹫㹫
㹁㹌㸯㸮㸵㸰
㹁㹌㸯㸮㸵㸰
㸦㹍㹎㸧ࠉ㹁㹍㹌㹔㹃㹗㹍㹐ࠉ
㹃㹖㹒㹃㹌㹑㹇㹍㹌ࠉ㸯㸳㸮㹫㹫ࠉ㹭㹰ࠉ㸰㸳㸮㹫㹫
㹁㹌㸯㸮㸴㸳
㹁㹌㸯㸮㸴㸳
㸲㸫㸰㹂
㸲㸫㸯㸿
㹁㹍㹌㹔㹃㹗㹍㹐ࠉ㹎㹁㹀ࠉ㸦㹊㸧
㹁㹌㸯㸯㸰㸶
㹁㹌㸰㸶
㹁㹌㸮㸱㸮㸵
㹁㹌㸵
㹇㹍ࠉ㹁㹍㹌㹒㹐㹍㹊ࠉ㹎㹁㹀
㹁㹌㸯㸶
㸲㸫㸲㹁
㹁㹍㹌㹔㹃㹗㹍㹐ࠉ㹎㹁㹀ࠉ㸦㹊㸧
㸱㸫㸯㹂
㹐㹇㹅㹆㹒ࠉ㹋㹍㹒㹍㹐
㹐㹇㹅㹆㹒ࠉ㹂㹐㹇㹔㹃㹐
㹁㹌㸯㸯㸯㸶
㹁㹌㸮㸮㸯㸱
㹁㹌㸯㸱
㹁㹌㸯㸮㸷㸯
㹑㹀㸯㹑㹀㹊㸯
㸲㸫㸱㹁
㹁㹌㸯㸯
㹁㹌㸯㸮㸯㸯
㹁㹌㸶
㹁㹌㸯㸮㸮㸶
㹑㹋㹃㹋㸿
㹑㹋㹃㹋㸿
㸳㸫㸱㸿
㸱㸫㸱㸿
㸱㸫㸯㸿
㹁㸿㹊ࠉ㹔㸿㹁
㹁㹌㸯㸮㸵㸶㸫㸶ࠉ㹑㹋㹃㹋㸿
㹁㹌㸯㸮㸵㸶㸫㸵ࠉ㹂㹇㹐
㹁㹌㸯㸮㸵㸶㸫㸴ࠉ㹇㹂㹊㹃
㹁㹌㸯㸮㸵㸶㸫㹑㸳
㹁㹌㸯㸮㸵㸶㸫㹑㸲
㹁㹌㸯㸮㸷㸴
㹁㹌㸯㸮㸷㸳
㹄㹊㹓㹖㹃㹐ࠉ㸰㹎
㹄㹊㹓㹖㹃㹐ࠉ㸲㹎
㹁㹍㹌㹔㹃㹗㹍㹐ࠉ㹎㹁㹀ࠉ㸦㹐㸧
㹁㹌㸯㸴
㹁㹌㸯㸮㸯㸴
㹁㹌㸯㸷
㹁㹌㸯㸮㸯㸷
㹑㹋㹃㹋㸿ࠉ㹐ࠉ㹑㹇㹂㹃
㹑㹋㹃㹋㸿ࠉ㹊ࠉ㹑㹇㹂㹃
㹁㹍㹔㹃㹐
㹁㹌㸰㸴
㹁㹌㸯㸮㸰㸴
㹀㹓ࠉ㹊㹍㹁㹉
㹁㹌㸯㸮㸵㸲
㹁㹌㸯㸮㸵㸱
㹁㹌㸰㸳
㹁㹌㸯㸮㸰㸳
㸿㹒㹁ࠉ㹑㹃㹌㹑㹍㹐ࠉ㹁㹊㹍㹑㹃
㹁㹌㸯㸮㸶㸶
㸿㹒㹁ࠉ㹑㹃㹌㹑㹍㹐ࠉ㹍㹎㹃㹌
㹁㹌㸯㸮㸶㸵
㹁㹌㸯㸮㸶㸷
㹁㹌㸰㸲
㹁㹌㸯㸮㸰㸲
㹁㸿㹊ࠉ㹔㸿㹁㹓㹓㹋ࠉ㹑㸬㹔㸬
㹁㹌㸯㸮㸶㸰
㹁㹌㸯
㹁㹌㸰
㹁㹌㸯㸮㸷㸳
㹁㸿㹊ࠉ㹀㹊㹍㹁㹉ࠉ㹎㹁㹀
㹀㹓ࠉ㹎㹇㹌ࠉ㹂㹃㹒㹃㹁㹒ࠉ
㹑㹃㹌㹑㹍㹐㸦㹃㹋㹇㸧
㹁㹌㸲㸲㸱
㹀㹓ࠉ㹎㹇㹌ࠉ㹂㹃㹒㹃㹁㹒ࠉ
㹑㹃㹌㹑㹍㹐㸦㹐㹃㹁㸧
㹁㹌㸲㸲㸲
㹑㹇㹂㹃ࠉ㹑㹃㹌㹑㹍㹐㸦㹊㸧
㹁㹌㸯㸮㸵㸰
㹑㹀㹊㸯ࠉࠉ
㸫㹎㸿㹌㹃㹊
㹁㹌㸯㸲
㹁㹌㸯㸮㸯㸲
㹁㹌㸯㸮㸵㸷
㹁㹌㸱㸮
㹁㹌㸯㸮㸱㸮
㹁㸿㹊ࠉ㹔㸿㹁㹓㹓㹋ࠉ㹑㹃㹌㹑㹍㹐
㹁㹌㸯㸮㸰㸷
㹁㹌㸰㸷
㹁㹌㸯㸮㸴㸳
㹑㹇㹂㹃ࠉ㹑㹃㹌㹑㹍㹐㸦㹐㸧
㹁㹌㸲
㹁㹌㸯㸮㸮㸲 㹁㹌㸯㸮㸳㸵
㹁㹌㸯
㹁㹌㸰
㹁㹌㸯㸮㸳㸶
㸳㹎㹆㸿㹑㹃ࠉ㸿㹕㹁ࠉ㹂㹐㹇㹔㹃㹐
㹁㹌㸯㸮㸳㸷
㸿㹕㹁ࠉ㹋㹍㹒㹍㹐
㹁㹌㸴
㹁㹌㸱㸯
㹁㹌㸯㸮㸮㸴 㹁㹋㸫㸯
㹁㹌㸯
㹁㹌㸰
㹁㹋㸫㸰 㹁㹌㸲㸷㸴㹐
㹁㹌㸯㸮㸱㸯
㹁㹋㸫㸯
㹁㹌㸯
㹁㹌㸰
㹁㹌㸯㸮㸯㸶
㹁㹌㸯㸶
㹁㹌㸯㸮㸰㸶
㹁㹌㸰㸶
㹁㹋㸫㸰
㹁㹃㹌㹒㹍㹐ࠉ
㹂㹐㹇㹔㹃㹐
㹁㹌㸲㸷㸴㹁
㹁㹃㹌㹒㹍㹐ࠉ㹋㹍㹒㹍㹐
㹁㹌㸮㸱㸮㸱
㹁㹌㸮㸮㸯㸴
㹎㹍㹕㹃㹐ࠉ㹑㹓㹎㹎㹊㹗ࠉ㹓㹌㹇㹒ࠉ㹀
㹁㹌㸯㸴
㹁㹌㸱
㹇㹍ࠉ㹁㹍㹌㹒㹐㹍㹊ࠉ㹎㹁㹀
㸯
㸳
㸰
㸵
㸱㸴㸶 㸯㸮
㸷
㸯㸯
㸳
㸯㸳
㸯㸰
㸯
㸯㸱
㸯㸲
㸯㸶㸯㸵
㸯㸴
㸯㸷 㸯㸷
㸰㸮
㸰㸰 㸰㸱
㸰㸳
㸰㸲
㸲
㸲㸴
㸲㸲
㸲㸳㸲㸳
㸲㸱 㸲㸱
㸲㸰
㸲㸯
㸲㸮
㸱㸷
㸱㸶
㸱㸳
㸱㸴
㸱㸵
㸱㸮 㸱㸲
㸰㸵
㸱㸱㸱㸯㸰㸷
㸱㸰
㸰㸵
㸰㸵
㸱㸮㸰㸶
㸰㸵
㸰㸴
㸲㸶
㸲㸵
㸲
㸲㸷
㸳㸮
㸳㸯
㸳㸰
㸳㸴
㸳㸳
㸳㸱 㸳㸲
㸳㸷
㸳㸵
㸳㸶
㹁㹊㹇㹌㹁㹆ࠉ㹓㹌㹇㹒ࠉ㹍㹎㹒㹇㹍㹌
㹲㹭ࠉ㹁㹗ࠉ㸿㹋㹎ࠉ
㹭㹤ࠉ㸲㸮㸰㸮㸳㸵㸱㸰
㸦㸰㸫㸯㹂㸧
㸦㹄㹐㹍㹌㹒
㹊㹃㹄㹒㸧
㸦㹄㹐㹍㹌㹒
㹐㹇㹅㹆㹒㸧
㸦㹐㹃㸿㹐
㹊㹃㹄㹒㸧
㸦㹐㹃㸿㹐
㹐㹇㹅㹆㹒㸧
㹁㹊㹇㹌㹁㹆ࠉ㹓㹌㹇㹒ࠉ㹍㹎㹒㹇㹍㹌
㹁㹌㸯㸮㸵㸶㸫㹑㸶
㹁㹗㸫ࠉ㹊㹇㹋㹇㹒ࠉ
㹑㹃㹌㹑㹍㹐㸦㹃㹋㹇㸧
㹁㹌㸲㸷㸵ࠉ㹁㹌㸲㸷㸵㹄
㹁㹗㸫ࠉ㹊㹇㹋㹇㹒ࠉ
㹑㹃㹌㹑㹍㹐ࠉ㸦㹐㹃㹁㸧
㸦㹊㹇㹅㹆㹒ࠉ㹍㹌ࠉ㹋㹍㹂㹃㸧
㹁㹌㸲㸷㸶ࠉ㹁㹌㸲㸷㸶㹄
㹁㹌㸯㸮㸵㸶㸫㹑㸵
㹁㹗㸩ࠉ㹊㹇㹋㹇㹒ࠉ
㹑㹃㹌㹑㹍㹐㸦㹃㹋㹇㸧
㹁㹌㸲㸷㸵ࠉ㹁㹌㸲㸷㸵㹐
㹁㹗㸩ࠉ㹊㹇㹋㹇㹒ࠉ
㹑㹃㹌㹑㹍㹐ࠉ㸦㹐㹃㹁㸧
㸦㹊㹇㹅㹆㹒ࠉ㹍㹌ࠉ㹋㹍㹂㹃㸧
㹁㹌㸲㸷㸶ࠉ㹁㹌㸲㸷㸶㹐
㹕㸿㹇㹒
㹕㸿㹇㹒ࠉ㹑㹃㹌㹑㹍㹐
㸿㹋㹎
㸲㸮㸯㸶㸯㸶㸴㸶
㹁㹊㹇㹌㹁㹆ࠉ㹓㹌㹇㹒ࠉ㹍㹎㹒㹇㹍㹌
㹁㹊㹇㹌㹁㹆ࠉ㹓㹌㹇㹒ࠉ㹍㹎㹒㹇㹍㹌
㹁㹊㹇㹌㹁㹆ࠉ㹓㹌㹇㹒ࠉ㹍㹎㹒㹇㹍㹌
㹀㹓ࠉ㹁㹌㹅㸦㹐㸧
㹁㹌㸯㸮㸵㸶㸫㸰
㹎㹁㹀ࠉ㹁㹊㸿㹋㹎
㹂㹍㹕㹌ࠉ㹑㹃㹌㹑㹍㹐㸦㹐㸧
㹎㹁㹀ࠉ㹁㹊㸿㹋㹎
㹂㹍㹕㹌ࠉ㹑㹃㹌㹑㹍㹐㸦㹄㸧
㹑㹒㹍㹎ࠉ㹑㹃㹌㹑㹍㹐
㸿㹋㹎
㹑㹒㹍㹎
㹁㹍㹓㹒
㹁㹍㹓㹒ࠉ㹑㹃㹌㹑㹍㹐
㸿㹋㹎
㹎㹁㹀ࠉ㹁㹊㸿㹋㹎ࠉ㹑㸬㹔㸬
㸴㸲 㸴㸲
㸴㸳㸴㸳
㸲
㸴㸯㸴㸰 㸴㸯㸴㸰
㸴㸱
㸴㸴 㸴㸵
㸰㸯
㸴㸮
㸴㸲
㸴㸳