JM-100-Rev02 - 第123页
- 118 - NOTE( 注記 ) #01....OPTIONAL PARTS(EN) オプション部品(EN) #02....OPTIONAL PARTS オプション部品 REF.NO NOTE PART NO D E S C R I P T I O N 品 名 Qty 1 401-29046 SIDE SENSOR CABLE ASM サイドセンサケーブル組 1 2 401-28871 IO CONTROL PCB ASM IOコン…

- 117 -
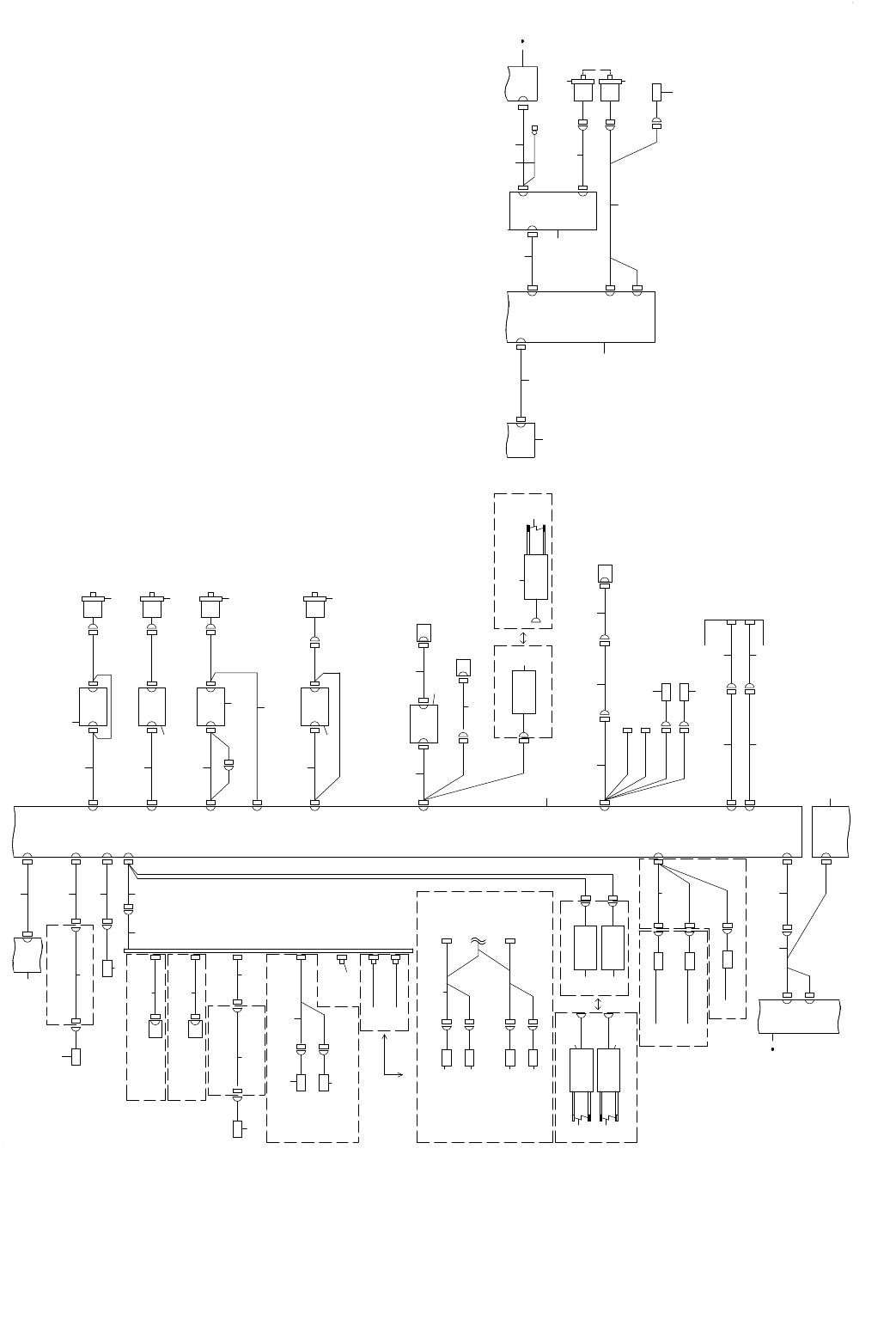
59.SYSTEM DIAGRAM (4)
SYSTEM DIAGRAM ( 4 )
㹁㹌㸯㸮㸶㸷
㹁㹌㸯㸮㸶㸷㸫㸯
㹁㹌㸯㸮㸶㸷㸫㸰
㸿㹒㹁ࠉ㹑㹔
㸿㹒㹁㸯ࠉ㹑㸬㹔㸬
㹃㹌ࠉ㹍㹎㹒㹇㹍㹌
㹃㹌ࠉ㹍㹎㹒㹇㹍㹌
㹄㹅
㹁㹌ࠉ㸿㸯㸱
㹁㹌ࠉ㸿㸯㸱
㸿㹁
㸰㸫㸯㹀
㹃㹊㹃㹁㹒㹐㹇㹁㸿㹊ࠉ㹓㹌㹇㹒ࠉ㸿
㹁㹌㸯㸯㸮㸰
㹁㹌㸰
㹁㹌㸯㸯㸮㸵
㹁㹌㸯㸯㸮㸲
㹀㹓ࠉ㹃㹌㹁㹍㹂㹃㹐
㹁㹌㸴㸴㸶
㸿㹕㹁ࠉ㹍㹎㹒㹇㹍㹌
㹁㹌㸯㸮㸴㸵
㹍㹐㹅ࠉ㹑㹃㹌㹑㹍㹐㸦㹀㹓㸧
㹑㹒㸿㹌㹂㸿㹐㹂
㹕㸿㹇㹒
㹕㸿㹇㹒ࠉ㹑㹃㹌㹑㹍㹐
㹊㸭㹐㸫㹑㹒㹍㹎ࠉ㹑㹔
㹑㹒㹍㹎㹎㹃㹐ࠉ㹑㹔
㹊㸫㹑㹒㹍㹎ࠉ㹑㹔
㹋ࠉ㹑㹒㹍㹎㹎㹃㹐㹙㹊㹛ࠉ㹑㸬㹔㸬
㹀㹓ࠉ㹊㹍㹁㹉
㹑㹃㹌㹑㹍㹐
㹑㹒㸿㹌㹂㸿㹐㹂
㹑㹒㹍㹎ࠉ㹑㹃㹌㹑㹍㹐
㹑㹒㹍㹎
㹁㹍㹓㹒
㹁㹍㹓㹒ࠉ㹑㹃㹌㹑㹍㹐
㹊㹋㸳㹔
㹊㹃㹄㹒ࠉ㹋㹍㹒㹍㹐
㹊㹃㹄㹒ࠉ㹂㹐㹇㹔㹃㹐
㹁㹋㸫㸯
㹁㹌㸯
㹁㹌㸰
㹁㹋㸫㸰 㹁㹌㸲㸷㸴㹐
㹀㹓ࠉ㹋㹍㹒㹍㹐
㹀㹓㹋
㹁㹌㸲
㹀㹓ࠉ㹑㹃㹐㹔㹍ࠉ㹂㹐㹇㹔㹃㹐
㹁㹌㸵
㹋㹍㹒㹍㹐
㹀㹓ࠉ㹊㹍㹁㹉
㹁㹌㸯㸮㸵㸶㸫㸱
㹀㹓ࠉ㹊㹍㹁㹉ࠉ㹑㸬㹔㸬
㹁㹌㸯㸮㸵㸰
㸦㹍㹎㸧ࠉ㹁㹍㹌㹔㹃㹗㹍㹐ࠉ
㹃㹖㹒㹃㹌㹑㹇㹍㹌ࠉ㸯㸳㸮㹫㹫ࠉ㹭㹰ࠉ㸰㸳㸮㹫㹫
㹁㹌㸯㸮㸵㸰
㹁㹌㸯㸮㸵㸰
㸦㹍㹎㸧ࠉ㹁㹍㹌㹔㹃㹗㹍㹐ࠉ
㹃㹖㹒㹃㹌㹑㹇㹍㹌ࠉ㸯㸳㸮㹫㹫ࠉ㹭㹰ࠉ㸰㸳㸮㹫㹫
㹁㹌㸯㸮㸴㸳
㹁㹌㸯㸮㸴㸳
㸲㸫㸰㹂
㸲㸫㸯㸿
㹁㹍㹌㹔㹃㹗㹍㹐ࠉ㹎㹁㹀ࠉ㸦㹊㸧
㹁㹌㸯㸯㸰㸶
㹁㹌㸰㸶
㹁㹌㸮㸱㸮㸵
㹁㹌㸵
㹇㹍ࠉ㹁㹍㹌㹒㹐㹍㹊ࠉ㹎㹁㹀
㹁㹌㸯㸶
㸲㸫㸲㹁
㹁㹍㹌㹔㹃㹗㹍㹐ࠉ㹎㹁㹀ࠉ㸦㹊㸧
㸱㸫㸯㹂
㹐㹇㹅㹆㹒ࠉ㹋㹍㹒㹍㹐
㹐㹇㹅㹆㹒ࠉ㹂㹐㹇㹔㹃㹐
㹁㹌㸯㸯㸯㸶
㹁㹌㸮㸮㸯㸱
㹁㹌㸯㸱
㹁㹌㸯㸮㸷㸯
㹑㹀㸯㹑㹀㹊㸯
㸲㸫㸱㹁
㹁㹌㸯㸯
㹁㹌㸯㸮㸯㸯
㹁㹌㸶
㹁㹌㸯㸮㸮㸶
㹑㹋㹃㹋㸿
㹑㹋㹃㹋㸿
㸳㸫㸱㸿
㸱㸫㸱㸿
㸱㸫㸯㸿
㹁㸿㹊ࠉ㹔㸿㹁
㹁㹌㸯㸮㸵㸶㸫㸶ࠉ㹑㹋㹃㹋㸿
㹁㹌㸯㸮㸵㸶㸫㸵ࠉ㹂㹇㹐
㹁㹌㸯㸮㸵㸶㸫㸴ࠉ㹇㹂㹊㹃
㹁㹌㸯㸮㸵㸶㸫㹑㸳
㹁㹌㸯㸮㸵㸶㸫㹑㸲
㹁㹌㸯㸮㸷㸴
㹁㹌㸯㸮㸷㸳
㹄㹊㹓㹖㹃㹐ࠉ㸰㹎
㹄㹊㹓㹖㹃㹐ࠉ㸲㹎
㹁㹍㹌㹔㹃㹗㹍㹐ࠉ㹎㹁㹀ࠉ㸦㹐㸧
㹁㹌㸯㸴
㹁㹌㸯㸮㸯㸴
㹁㹌㸯㸷
㹁㹌㸯㸮㸯㸷
㹑㹋㹃㹋㸿ࠉ㹐ࠉ㹑㹇㹂㹃
㹑㹋㹃㹋㸿ࠉ㹊ࠉ㹑㹇㹂㹃
㹁㹍㹔㹃㹐
㹁㹌㸰㸴
㹁㹌㸯㸮㸰㸴
㹀㹓ࠉ㹊㹍㹁㹉
㹁㹌㸯㸮㸵㸲
㹁㹌㸯㸮㸵㸱
㹁㹌㸰㸳
㹁㹌㸯㸮㸰㸳
㸿㹒㹁ࠉ㹑㹃㹌㹑㹍㹐ࠉ㹁㹊㹍㹑㹃
㹁㹌㸯㸮㸶㸶
㸿㹒㹁ࠉ㹑㹃㹌㹑㹍㹐ࠉ㹍㹎㹃㹌
㹁㹌㸯㸮㸶㸵
㹁㹌㸯㸮㸶㸷
㹁㹌㸰㸲
㹁㹌㸯㸮㸰㸲
㹁㸿㹊ࠉ㹔㸿㹁㹓㹓㹋ࠉ㹑㸬㹔㸬
㹁㹌㸯㸮㸶㸰
㹁㹌㸯
㹁㹌㸰
㹁㹌㸯㸮㸷㸳
㹁㸿㹊ࠉ㹀㹊㹍㹁㹉ࠉ㹎㹁㹀
㹀㹓ࠉ㹎㹇㹌ࠉ㹂㹃㹒㹃㹁㹒ࠉ
㹑㹃㹌㹑㹍㹐㸦㹃㹋㹇㸧
㹁㹌㸲㸲㸱
㹀㹓ࠉ㹎㹇㹌ࠉ㹂㹃㹒㹃㹁㹒ࠉ
㹑㹃㹌㹑㹍㹐㸦㹐㹃㹁㸧
㹁㹌㸲㸲㸲
㹑㹇㹂㹃ࠉ㹑㹃㹌㹑㹍㹐㸦㹊㸧
㹁㹌㸯㸮㸵㸰
㹑㹀㹊㸯ࠉࠉ
㸫㹎㸿㹌㹃㹊
㹁㹌㸯㸲
㹁㹌㸯㸮㸯㸲
㹁㹌㸯㸮㸵㸷
㹁㹌㸱㸮
㹁㹌㸯㸮㸱㸮
㹁㸿㹊ࠉ㹔㸿㹁㹓㹓㹋ࠉ㹑㹃㹌㹑㹍㹐
㹁㹌㸯㸮㸰㸷
㹁㹌㸰㸷
㹁㹌㸯㸮㸴㸳
㹑㹇㹂㹃ࠉ㹑㹃㹌㹑㹍㹐㸦㹐㸧
㹁㹌㸲
㹁㹌㸯㸮㸮㸲 㹁㹌㸯㸮㸳㸵
㹁㹌㸯
㹁㹌㸰
㹁㹌㸯㸮㸳㸶
㸳㹎㹆㸿㹑㹃ࠉ㸿㹕㹁ࠉ㹂㹐㹇㹔㹃㹐
㹁㹌㸯㸮㸳㸷
㸿㹕㹁ࠉ㹋㹍㹒㹍㹐
㹁㹌㸴
㹁㹌㸱㸯
㹁㹌㸯㸮㸮㸴 㹁㹋㸫㸯
㹁㹌㸯
㹁㹌㸰
㹁㹋㸫㸰 㹁㹌㸲㸷㸴㹐
㹁㹌㸯㸮㸱㸯
㹁㹋㸫㸯
㹁㹌㸯
㹁㹌㸰
㹁㹌㸯㸮㸯㸶
㹁㹌㸯㸶
㹁㹌㸯㸮㸰㸶
㹁㹌㸰㸶
㹁㹋㸫㸰
㹁㹃㹌㹒㹍㹐ࠉ
㹂㹐㹇㹔㹃㹐
㹁㹌㸲㸷㸴㹁
㹁㹃㹌㹒㹍㹐ࠉ㹋㹍㹒㹍㹐
㹁㹌㸮㸱㸮㸱
㹁㹌㸮㸮㸯㸴
㹎㹍㹕㹃㹐ࠉ㹑㹓㹎㹎㹊㹗ࠉ㹓㹌㹇㹒ࠉ㹀
㹁㹌㸯㸴
㹁㹌㸱
㹇㹍ࠉ㹁㹍㹌㹒㹐㹍㹊ࠉ㹎㹁㹀
㸯
㸳
㸰
㸵
㸱㸴㸶 㸯㸮
㸷
㸯㸯
㸳
㸯㸳
㸯㸰
㸯
㸯㸱
㸯㸲
㸯㸶㸯㸵
㸯㸴
㸯㸷 㸯㸷
㸰㸮
㸰㸰 㸰㸱
㸰㸳
㸰㸲
㸲
㸲㸴
㸲㸲
㸲㸳㸲㸳
㸲㸱 㸲㸱
㸲㸰
㸲㸯
㸲㸮
㸱㸷
㸱㸶
㸱㸳
㸱㸴
㸱㸵
㸱㸮 㸱㸲
㸰㸵
㸱㸱㸱㸯㸰㸷
㸱㸰
㸰㸵
㸰㸵
㸱㸮㸰㸶
㸰㸵
㸰㸴
㸲㸶
㸲㸵
㸲
㸲㸷
㸳㸮
㸳㸯
㸳㸰
㸳㸴
㸳㸳
㸳㸱 㸳㸲
㸳㸷
㸳㸵
㸳㸶
㹁㹊㹇㹌㹁㹆ࠉ㹓㹌㹇㹒ࠉ㹍㹎㹒㹇㹍㹌
㹲㹭ࠉ㹁㹗ࠉ㸿㹋㹎ࠉ
㹭㹤ࠉ㸲㸮㸰㸮㸳㸵㸱㸰
㸦㸰㸫㸯㹂㸧
㸦㹄㹐㹍㹌㹒
㹊㹃㹄㹒㸧
㸦㹄㹐㹍㹌㹒
㹐㹇㹅㹆㹒㸧
㸦㹐㹃㸿㹐
㹊㹃㹄㹒㸧
㸦㹐㹃㸿㹐
㹐㹇㹅㹆㹒㸧
㹁㹊㹇㹌㹁㹆ࠉ㹓㹌㹇㹒ࠉ㹍㹎㹒㹇㹍㹌
㹁㹌㸯㸮㸵㸶㸫㹑㸶
㹁㹗㸫ࠉ㹊㹇㹋㹇㹒ࠉ
㹑㹃㹌㹑㹍㹐㸦㹃㹋㹇㸧
㹁㹌㸲㸷㸵ࠉ㹁㹌㸲㸷㸵㹄
㹁㹗㸫ࠉ㹊㹇㹋㹇㹒ࠉ
㹑㹃㹌㹑㹍㹐ࠉ㸦㹐㹃㹁㸧
㸦㹊㹇㹅㹆㹒ࠉ㹍㹌ࠉ㹋㹍㹂㹃㸧
㹁㹌㸲㸷㸶ࠉ㹁㹌㸲㸷㸶㹄
㹁㹌㸯㸮㸵㸶㸫㹑㸵
㹁㹗㸩ࠉ㹊㹇㹋㹇㹒ࠉ
㹑㹃㹌㹑㹍㹐㸦㹃㹋㹇㸧
㹁㹌㸲㸷㸵ࠉ㹁㹌㸲㸷㸵㹐
㹁㹗㸩ࠉ㹊㹇㹋㹇㹒ࠉ
㹑㹃㹌㹑㹍㹐ࠉ㸦㹐㹃㹁㸧
㸦㹊㹇㹅㹆㹒ࠉ㹍㹌ࠉ㹋㹍㹂㹃㸧
㹁㹌㸲㸷㸶ࠉ㹁㹌㸲㸷㸶㹐
㹕㸿㹇㹒
㹕㸿㹇㹒ࠉ㹑㹃㹌㹑㹍㹐
㸿㹋㹎
㸲㸮㸯㸶㸯㸶㸴㸶
㹁㹊㹇㹌㹁㹆ࠉ㹓㹌㹇㹒ࠉ㹍㹎㹒㹇㹍㹌
㹁㹊㹇㹌㹁㹆ࠉ㹓㹌㹇㹒ࠉ㹍㹎㹒㹇㹍㹌
㹁㹊㹇㹌㹁㹆ࠉ㹓㹌㹇㹒ࠉ㹍㹎㹒㹇㹍㹌
㹀㹓ࠉ㹁㹌㹅㸦㹐㸧
㹁㹌㸯㸮㸵㸶㸫㸰
㹎㹁㹀ࠉ㹁㹊㸿㹋㹎
㹂㹍㹕㹌ࠉ㹑㹃㹌㹑㹍㹐㸦㹐㸧
㹎㹁㹀ࠉ㹁㹊㸿㹋㹎
㹂㹍㹕㹌ࠉ㹑㹃㹌㹑㹍㹐㸦㹄㸧
㹑㹒㹍㹎ࠉ㹑㹃㹌㹑㹍㹐
㸿㹋㹎
㹑㹒㹍㹎
㹁㹍㹓㹒
㹁㹍㹓㹒ࠉ㹑㹃㹌㹑㹍㹐
㸿㹋㹎
㹎㹁㹀ࠉ㹁㹊㸿㹋㹎ࠉ㹑㸬㹔㸬
㸴㸲 㸴㸲
㸴㸳㸴㸳
㸲
㸴㸯㸴㸰 㸴㸯㸴㸰
㸴㸱
㸴㸴 㸴㸵
㸰㸯
㸴㸮
㸴㸲
㸴㸳

- 118 -
NOTE( 注記 ) #01....OPTIONAL PARTS(EN) オプション部品(EN)
#02....OPTIONAL PARTS オプション部品
REF.NO NOTE PART NO D E S C R I P T I O N
品 名
Qty
1 401-29046 SIDE SENSOR CABLE ASM
サイドセンサケーブル組
1
2 401-28871 IO CONTROL PCB ASM
IOコントロール基板組
1
3 401-82259 IO-R CNV SERIAL CABLE ASM
IO−R CNVシリアルケーブル組
1
4 401-28875 CONVEYOR PCB ASM
搬送基板組
1
5
#02
401-50822 IN/OUT SENS RLY CABLE ASM
LEFT/RHIGTセンサ中継ケーブル組
1
6 402-05742 SIDE(R) CABLE ASM
サイド(R)ケーブル組
1
7 401-29080 AIR(N) SENSOR CABLE ASM
エアー(N)センサケーブル組
1
8 401-29256 CONVEYOR(F)-CAL VAC(S/R) CABLE ASM
CONVEYOR(F)−CAL VAC(S/R)ケーブル組
1
9 400-47908 SBL2 CABLE ASM
センサブロックL2束線組
1
10 402-05740 CNV RELAY CABLE ASM
CNV中継ケーブル組
1
11
#01
401-29053 BU LOCK SV CABLE ASM
BUロックSV ケーブル組
1
12 401-82338 SIDE SENSOR(L) CABLE ASM
サイドセンサ(L)ケーブル組
1
13
#02
401-61237 BU PIN RECEIVE SENS ASM
BUピン受光センサ組
1
14
#02
401-61236 BU PIN EMISSION SENS ASM
BUピン投光センサ組
1
15
#02
401-82339 BU PIN DETECT SENSOR CABLE ASM
BUピン検出センサケーブル組
1
16 401-29056 CNV AUTO SET1 WIRE ASM
CNVオートセット1 ワイヤー組
1
17 401-29059 CNV AUTO SET2 WIRE ASM
CNVオートセット2 ワイヤー組
1
18 401-29060 CNV AUTO SET3 WIRE ASM
CNVオートセット3 ワイヤー組
1
19 402-05760 WAIT STOP COUT SENS ASM
ウェイトストップCOUTセンサ組
1
20
#01
402-05741 BU CLINCH UNIT SENS CABLE ASM
BUクリンチユニットセンサケーブル組
1
21
#01
400-92574 BU LOCK SENS ASM
BU ロックセンサ組
1
22 402-06696 ASM_JM100_POWER_SUPPLY_UNIT_B
JM100_電装ユニット_B
1
23
#01
402-06708 ASM_JM100_POWER_SPLY_UNIT_B_EN
JM100_電装ユニット_B_EN
1
24 401-82328 CNV PWR CABLE ASM
CNV電源ケーブル組
1
25 401-82329 CNV PWR RLY CABLE ASM
CNV電源中継ケーブル組
1
26 402-05735 C MOTOR CABLE ASM
C モータケーブル組
1
27 HM-0013200-00 MOTOR DRIVER
モータドライバ
1
28 400-48075 JOINT MOTOR ASM
ジョイントモータ組
1
29 402-05736 R MOTOR CABLE ASM
R モータケーブル組
1
30 401-58136 2PHASE STEPPING MOTOR
2相ステッピングモータ
1
31 402-05739 L MOTOR DRV CABLE ASM
L モータDRVケーブル組
1
32 402-05738 L MOTOR CABLE ASM
L モータケーブル組
1
33 402-05737 AWC MOTOR CABLE ASM
AWC モータケーブル組
1
34 401-29040 AWC MOTOR ASM
AWCモータ組
1
35 402-05743 CAL WAIT STP SV CABLE ASM
CALウェイトストップSVケーブル組
1
36 400-07376 CALBLOCK PCB ASM
CALブロック基板組
1
37 401-29260 CAL-VACUUM SV CABLE ASM
CAL−VACUUM SVケーブル組
1
38 401-56969 STOPPER SV CABLE ASM
ストッパSVケーブル組
1
39 402-05760 WAIT STOP COUT SENS ASM
ウェイトストップCOUTセンサ組
1
40 401-82340 CNV-ATC(F) CABLE ASM
CNV−ATC(F)ケーブル組
1
41 402-05761 ATC SV RELAY CABLE ASM
ATC SV中継ケーブル組
1
42 401-29261 ATC SV CABLE ASM
ATC SVケーブル組
1
43 401-29062 PHOTOMICRO SENSOR ASM
フォトマイクロセンサ組
1
44 401-82342 CNV-SMEMA L RELAY (F) CABLE ASM
CNV−SMEMA L中継(F)ケーブル組
1
45 401-29031 SMEMA CABLE ASM
スメマケーブル組
1
46 401-29029 CNV-SMEMA R RELAY (F) CABLE ASM
CNV−SMEMA R中継(F)ケーブル組
1
47 401-28871 IO CONTROL PCB ASM
IOコントロールキ基板組
1
48 401-82333 IO-L CNV SERIAL CABLE ASM
IO−L CNVシリアルケーブル組
1
49 402-00005 BU DRIVE CABLE ASM
BU ドライバケーブル組
1
50 401-29636 BU AXIS SERVO AMP
BU軸サーボドライバ
1
51 402-00006 BU DRIVE PWR CABLE ASM
BU ドライバ電源ケーブル組
1
52 401-10035 BU DRV FG CABLE ASM(EN)
BUドライバFGケーブル組(EN)
1
53 402-06695 ASM_JM100_ELECTRICAL_UNIT_A
JM100_電装ユニット_A
1
54
#01
402-06707 ASM_JM100_ELECTRICAL_UNIT_A_EN
JM100_電装ユニット_A_EN
1
55 402-00007 BU ENC/ORG RELAY CABLE ASM
BU ENC/ORG 中継ケーブル組
1
56 402-00195 BU MOTOR CABLE ASM
BU モータケーブル組
1
57 400-48076 BACK UP MOTOR ASM
バックアップモータ組
1
58 E9433-729-0A0 BU ENC ASM.
BU ENC組
1
59 401-29042 AWC/BU ORG SENSOR CABLE ASM
AWC/BU 原点センサワイヤー組
1
60 402-13480 PCB CLAMP SV CABLE ASM
基板クランプSVケーブル組
1
61 402-13516 CY LMT SENS RECEIVE ASM
CY LMTセンサ受光組
1
62 402-13517 CY LMT SENS EMISSON ASM
CY LMTセンサ投光組
1
63 402-13520 CY SENSOR CABLE ASM
CYセンサケーブル組
1
64 400-92512 FIBER
ファイバー
1
65 401-81868 STOP SENSOR CABLE ASM
ストップセンサケーブル組
1
66 402-13481 PCB CLAMP DOWN SENS R ASM
基板クランプダウンセンサR組
1
67 402-13479 PCB CLAMP DOWN SENS F ASM
基板クランプダウンセンサF組
1

- 119 -
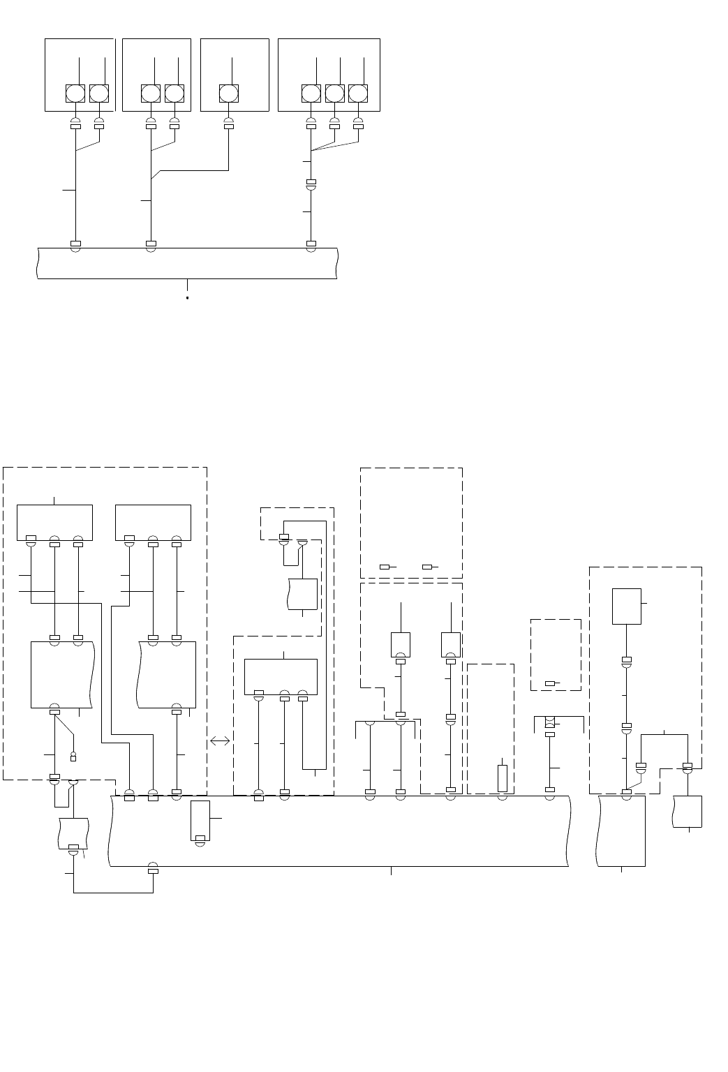
60.SYSTEM DIAGRAM (5)
SYSTEM DIAGRAM ( 5 )
㹑㹒㸿㹌㹂㸿㹐㹂
㸿㹒㹖㸫㹎㸲
㸳㸫㸯㸿
㸿㹒㹖㸫㹎㸳
㸿㹒㹖ࠉ㹓㹌㹇㹒
㹁㹍㹋㸯
㹂㹔㹇㸫㸯
㹄㹊㹁㹂㸫㹎㹕㹐
㹎㹍㹕㹃㹐
㹄㹊㹁㹂㸰㸱㸰㹁
㹐㹑㸰㸱㸰㹁
㹐㹑㹍㹓㹒㸯
㹄㹐㹍㹌㹒ࠉ㹊㹁㹂ࠉ㹋㹍㹌㹇㹒㹍㹐
㹊㹁㹂ࠉ㹄
㹂㹔㹇㸫㹂
㸦㹍㹎㸧㹃㹌
㸦㹍㹎㸧㹃㹌
㹁㹍㹌㹌㹃㹁㹒㹍㹐ࠉ㹁㸿㹎
㹁㹍㹌㹌㹃㹁㹒㹍㹐ࠉ㹁㸿㹎
㹁㹍㹌㹌㹃㹁㹒㹍㹐ࠉ㹁㸿㹎
㹄㹐㹍㹌㹒ࠉ㹀㹍㹒㹒㹍㹋
㹐㹇㹅㹆㹒ࠉ㹁㹍㹔㹃㹐
㹊㸿㹌
㹓㹑㹀ࠉ㹁㹆㸲
㹓㹑㹀ࠉ㹁㹆㸱
㹊㸿㹌㸯
㹄㹐㹍㹌㹒ࠉ㹀㹍㹒㹒㹍㹋
㹐㹇㹅㹆㹒ࠉ㹁㹍㹔㹃㹐
㹓㹑㹀
㹓㹑㹀ࠉ㹁㹆㸰
㹓㹑㹀ࠉ㹁㹆㸯
㸳㸫㸰㸿
㸳㸫㸯㸿
㹑㹓㹎㹃㹐ࠉ㹇㹋㹎㹍㹑㹃ࠉ㹀㹍㸿㹐㹂
㹂㹔㹇㸫㸯
㸿㹒㹖㸫㹎㸲
㹇㹌㸫㹂㹁㸯㸰㹔
㸳㸫㸰㹀
㸯㸫㸰㹂
㸲㸫㸯㹂
㸯㸫㸰㹀
㹃
㹄㸿㹌
㹁㹍㹌㹒㹐㹍㹊ࠉ㹓㹌㹇㹒ࠉ㹒㹍㹎
㹁㹍㹔㹃㹐
㹁㹒㹐㹊ࠉ㹄㸿㹌㸯
㹂㹁ࠉ㹄㸿㹌
㹄㸿㹌
㹄㸿㹌㸱
㹂㹁ࠉ㹄㸿㹌
㹄㸿㹌
㹄㸿㹌
㹒㹍㹎
㹁㹍㹔㹃㹐
㹂㹁ࠉ㹄㸿㹌
㹄㸿㹌㸰
㹄㸿㹌㸯
㹁㹌㸮㸮㸴㸰
㹂㹁ࠉ㹄㸿㹌
㹁㹌㸮㸮㸱㸴
㹁㹌㸱㸴
㹄㸿㹌
㹄㸿㹌
㹐ࠉ㹑㹇㹂㹃ࠉ㹀㹍㹒㹒㹍㹋
㹁㹍㹔㹃㹐
㹂㹁ࠉ㹄㸿㹌
㹄㸿㹌㸰
㹄㸿㹌㸯
㹂㹁ࠉ㹄㸿㹌
㹁㹌㸮㸮㸰㸰
㹁㹌㸰㸰
㹄㸿㹌
㹄㸿㹌
㹊ࠉ㹑㹇㹂㹃ࠉ㹀㹍㹒㹒㹍㹋
㹁㹍㹔㹃㹐
㹂㹁ࠉ㹄㸿㹌
㹄㸿㹌㸰
㹄㸿㹌㸯
㹂㹁ࠉ㹄㸿㹌
㹁㹌㸮㸮㸰㸯
㹁㹌㸰㸯
㹎㹍㹕㹃㹐ࠉ㹑㹓㹎㹎㹊㹗ࠉ㹓㹌㹇㹒ࠉ㹀
㹐㹃㸿㹐ࠉ㹋㹍㹌㹇㹒㹍㹐ࠉ㹍㹎㹒㹇㹍㹌
㹑㹓㹎㹃㹐ࠉ㹇㹋㹎㹍㹑㹃ࠉ㹀㹍㸿㹐㹂
㹁㹍㹋㸰
㸿㹒㹖㸫㹎㸳
㸿㹒㹖ࠉ㹓㹌㹇㹒
㸯㸰㹔ࠉ㹇㹌
㸯㸰㹔ࠉ㹍㹓㹒
㹍㹓㹒㸫㹂㹁㸯㸰㹔
㹐㹊㹁㹂㸫㹎㹕㹐
㹎㹍㹕㹃㹐
㹐㹊㹁㹂㸰㸱㸰㹁
㹐㹑㸰㸱㸰㹁㹐㹑㸰㸱㸰ࠉ㸰
㹐㹑㹍㹓㹒㸰
㹄㹐㹍㹌㹒ࠉ㹊㹁㹂ࠉ㹋㹍㹌㹇㹒㹍㹐
㹊㹁㹂ࠉ㹐
㹂㹔㹇㸫㹂
㸯㸰㹔ࠉ㹍㹓㹒
㹍㹓㹒㸫㹂㹁㸯㸰㹔
㹄㹊㹁㹂㸫㹎㹕㹐
㹎㹍㹕㹃㹐
㹄㹊㹁㹂㸰㸱㸰㹁
㹐㹑㸰㸱㸰㹁
㹐㹑㸰㸱㸰ࠉ㸯
㹐㹑㹍㹓㹒㸯
㹄㹐㹍㹌㹒ࠉ㹊㹁㹂ࠉ㹋㹍㹌㹇㹒㹍㹐
㹐㹑㸫㹎㹁㸯
㹐㹑㸰㸱㸰㹎㹁
㹁㹌㸮㸯㸮㸰
㹁㹍㹋㸯
㹑㹑㹂
㹁㹎㹓ࠉ㹀㹍㸿㹐㹂
㹊㹁㹂ࠉ㹄
㹂㹔㹇㸫㹂
㹂㹔㹇㸫㸰
㸯
㸰
㸱
㸲
㸳
㸴
㸶
㸵
㸷
㸴
㸯㸯
㸯㸱
㸯㸰
㸯㸲
㸯㸮
㸯㸵
㸯㸳 㸯㸴
㸯㸶
㸰㸷 㸰㸷
㸯㸷
㸱㸮 㸱㸮
㸱㸯
㸰㸮
㸰㸯
㸰㸰 㸰㸱
㸰㸲
㸰㸳
㸰㸶
㸰㸵
㸰㸴 㸰㸴 㸰㸴 㸰㸴 㸰㸴 㸰㸴 㸰㸴 㸰㸴
㹋㹓㹊㹒㹇ࠉ㹁㹍㹂㹃ࠉ㹐㹃㸿㹃㹂㹃㹐ࠉ㹍㹎㹒㹇㹍㹌
㸳㸫㸰㹀
㸿㹒㹖ࠉ㹓㹌㹇㹒
㹋㹓㹊㹒㹇ࠉ㹁㹍㹂㹃ࠉ㹐㹃㸿㹃㹂㹃㹐
㹂㹋㸯㸮㸮㹂㹋㸯㸮㸮
㸳㹔㹂㹁
㹎㸱
㸿㹒㹖㸫㹎㸱
㸰㸫㸯㹂
㹐㹑㸫㸰㸱㸰㹁ࠉ㹀㹍㸿㹐㹂
㹑㹇㹍㸰
㹁㹍㹋
㸴㸫㸯㹀
㹃㹖㹒㹃㹐㹌㸿㹊ࠉ㹍㹓㹒㹎㹓㹒ࠉ㹍㹎㹒㹇㹍㹌
㸰㹂ࠉ㹀㸿㹐㹁㹍㹂㹃ࠉ㹐㹃㸿㹂㹃㹐ࠉ㹍㹎㹒㹇㹍㹌
㹀㸿㹐㹁㹍㹂㹃ࠉ㹐㹃㸿㹂㹃㹐
㹀㸿㹐㹁㹍㹂㹃ࠉ㹐㹃㸿㹂㹃㹐
㸰㹂ࠉ㹎㹐㹍㹒㹃㹁㹒ࠉ㹋㹍㹂㹓㹊㹃
㸱㸰
㸱㸰
㸱㸱 㸱㸱
㸱㸲
㸱㸳
㸴㸫㸯㹀
㸲㸮
㸱㸷
㸱㸶
㸲㸯
㸱㸴
㸱㸵