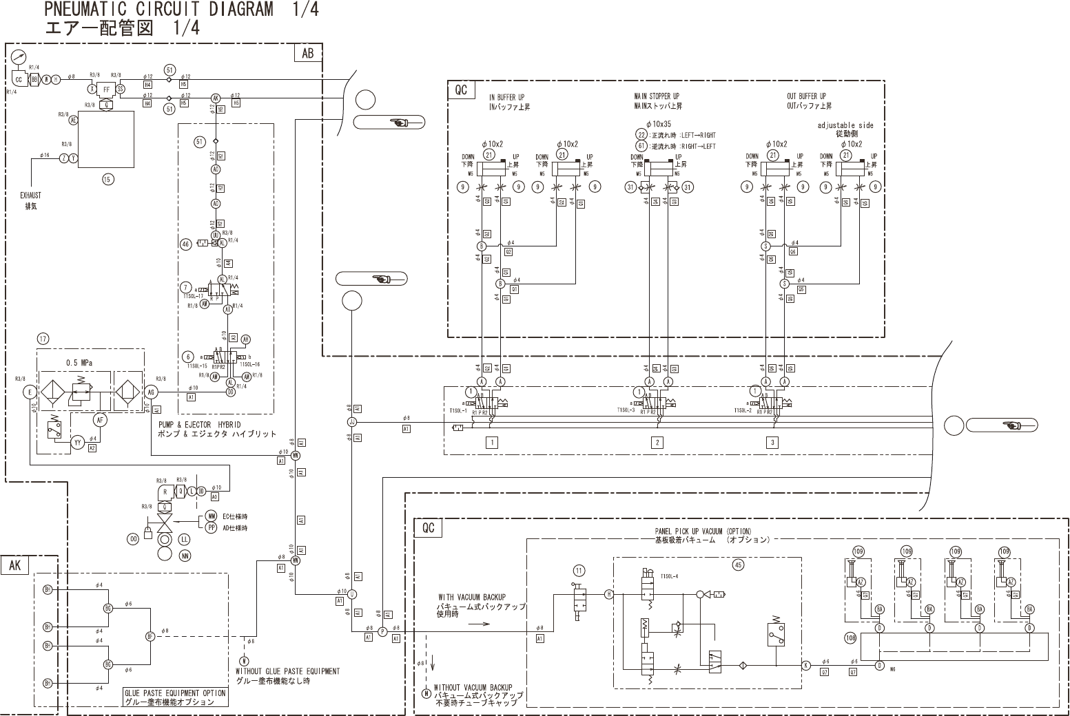
PTS-XPFL-03JE - 第109页
SIDE2 CLAMP TYPE COVER サイド2 クランプ式カバー AGGAK9302 No. Drg.No. & Code No. QTY Description Rating Materials Remarks 番号 図番 & コード番号 個 数 品名 規格 材質 備考 1 GGUF0650 2 COVER, CONNECTOR カバー コネクタ PL 2 K51693 4 SCREW, C/R COUNTE…

15
29
29
6
34
32
9
9
11
11
21
20
24
25
2
3
1
4
1
4
13
12
5
7
8
10
14
17
16
15
17
16
18
25
26
23
22
21
19
27
28
30
31
35
15
16
17
14
15
17
16
18
24
26
19
20
22
23
2
3
33
8
10
13
12
AGGAK9302
108
PTS-XPFL-03JE

SIDE2 CLAMP TYPE COVER
サイド2 クランプ式カバー AGGAK9302
No. Drg.No. & Code No. QTY Description Rating Materials Remarks
番号 図番 & コード番号 個数 品名 規格 材質 備考
1 GGUF0650 2 COVER, CONNECTOR カバー コネクタ PL
2 K51693 4 SCREW, C/R COUNTERSUNK 小ネジ 十穴皿 M02.5X008(ステンレス) FE
3 K5221Z 4 SCREW, C/R PAN 小ネジ 十穴鍋 M02.5X010 ステンレス FE
4 W1020H 4 WASHER, LOCK ワッシャ スプリング 2.5M/M FE
5 GGAK3150 1 BLOCK 駒 AL
6 H5322A 2 BOLT, HEX SOCKET ボルト 六角穴 M06X015 FE
7 W1024A 2 WASHER, LOCK ワッシャ スプリング 6M/M FE
8 GGAK3061 2 GUIDE ガイド FE
9 H5288A 4 BOLT, HEX SOCKET ボルト 六角穴 M04X010 FE
10 W1011A 4 WASHER, CONICAL ワッシャ 皿 M- 4-L FE
11 GGAK3140 2 COVER, WIRING カバー 配線 FE
12 K5255T 4 SCREW, HEX SOCKET BUTTON 小ネジ 六角穴ボタン M03X006 FE
13 W1021A 4 WASHER, LOCK ワッシャ スプリング 3M/M FE
14 GGAK3110 2 BKT BKT FE
15 GGAK3091 6 BKT, JOINT BKT ジョイント FE
16 H5287A 6 BOLT, HEX SOCKET ボルト 六角穴 M04X008 ゼンネジ FE
17 W1022A 6 WASHER, LOCK ワッシャ スプリング 4M/M FE
18 GGAK3130 2 SPACER スペーサ FE
19 GGUF0631 2 PLATE プレート FE
20 GGAK3120 2 BKT, SENSOR BKT センサ FE
21 H5290A 4 BOLT, HEX SOCKET ボルト 六角穴 M04X015 FE
22 W1022A 4 WASHER, LOCK ワッシャ スプリング 4M/M FE
23 W1040S 4 WASHER, FLAT ワッシャ 平 4M/MX0.8X9(1W-4)(3カ クロ) FE
24 A1002L 2 ACTUATOR アクチュエータ BPS250 OT
25 H5290A 4 BOLT, HEX SOCKET ボルト 六角穴 M04X015 FE
26 W1011A 4 WASHER, CONICAL ワッシャ 皿 M- 4-L FE
27 GGPZ0040 1 NAMEPLATE, CAUTION 銘板 注意 PL
28 GGAK3102 1 COVER カバー FE
29 K5172K 6 SCREW, C/R TRUSS 小ネジ 十穴トラス M04X005(3カ シロ) FE
30 T50000 1 HANDLE 取手 UAF-20X160-BL OT
31 W1089C 2 WASHER ワッシャ WSSB20-6-5 FE
32 K5365F 2 SCREW, C/R TRUSS 小ネジ 十穴トラス M06X015(3カ シロ) FE
33 GGAK3160 1 BLOCK 駒 AL
34 H5322A 2 BOLT, HEX SOCKET ボルト 六角穴 M06X015 FE
35 W1024A 2 WASHER, LOCK ワッシャ ス
プ
リン
グ
6M/M FE
109
PTS-XPFL-03JE

Ref.2/4
Ref.3/4
Ref.2/4
aa
bb
cc
AGGPI9005
110
PTS-XPFL-03JE