PTS-XPFL-03JE - 第113页
AGGPI9005 113 PTS-XPFL-03JE

A
Ref.1/4
bb
AGGPI9005
112
PTS-XPFL-03JE

AGGPI9005
113
PTS-XPFL-03JE

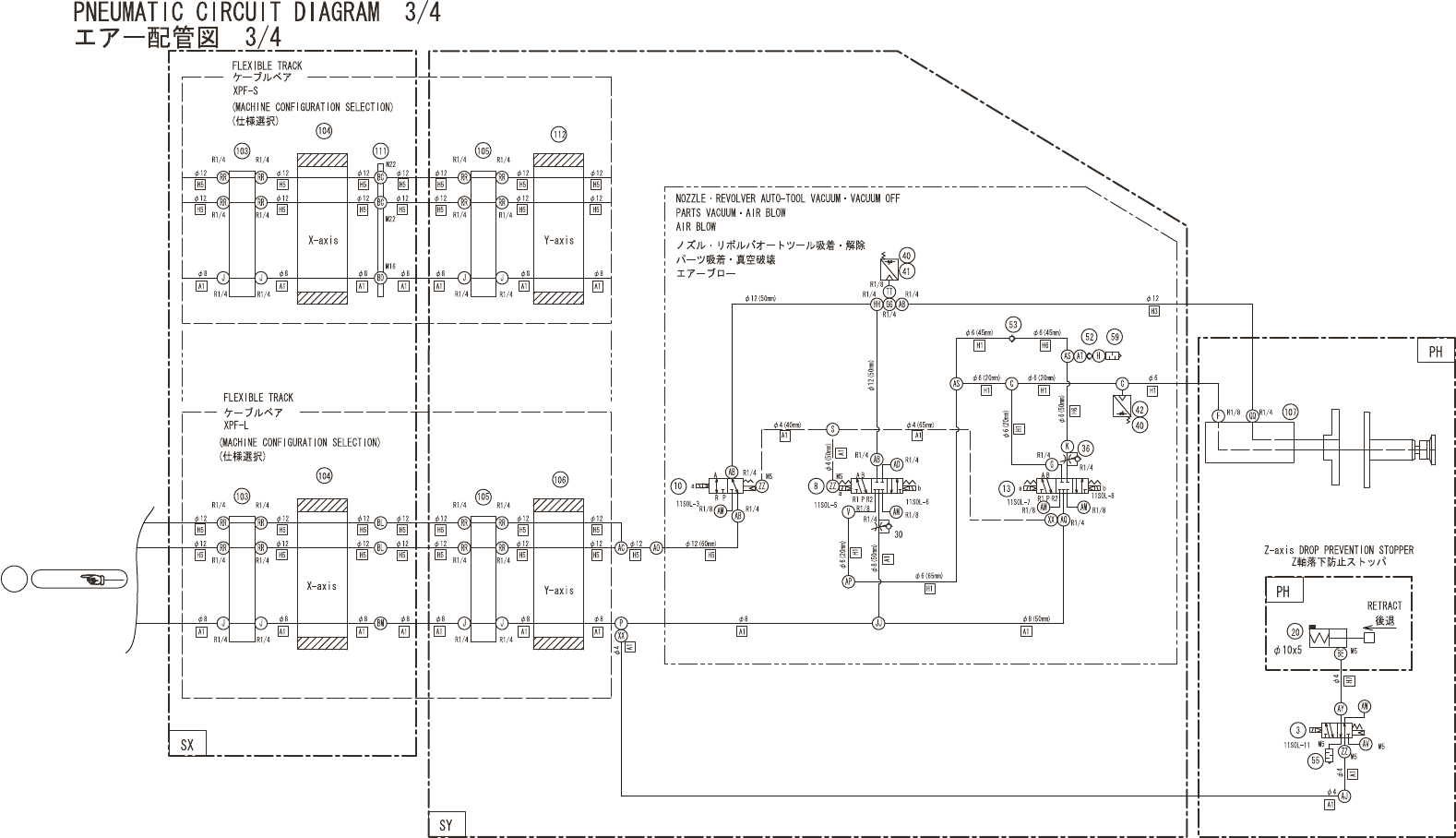
PNEUMATIC CIRCUIT DIAGRAM
エアー配管図 AGGPI9005
No. Drg.No. & Code No. QTY Description Rating Materials Remarks
番号 図番 & コード番号 個数 品名 規格 材質 備考
1 H1331A 5 VALVE バルブ VQ1101-5 DC24V OT
2 H1332A 2 VALVE バルブ VQ1201-5 DC24V OT
3 H1124B 1 VALVE, SOL バルブ SOL VQZ1121-5M-C4 OT
4 H3051E 2 COVER, BLIND 蓋 盲 VVQ1000-10A-1 OT
5 GGPI0021 1 VALVE UNIT バルブユニット OT
6 H1124C 1 VALVE, SOL バルブ SOL VQZ3221-5M-C10 OT
7 H1124D 1 VALVE, SOL バルブ SOL VQZ342-5M-02 OT
8 H1124E 1 VALVE, SOL バルブ SOL VQZ3321R-5M-02 OT
9 K5337D 8 CONTROLLER, SPEED コントローラ スピード AS1211FM-M5-04 OT
10 H1124F 1 VALVE, SOL バルブ SOL VQZ342R-5M-02 OT
11 H1037T 1 VALVE, MANUAL バルブ 手動 HV8-8-2 OT
12 H13384 2 VALVE, SOL バルブ SOL SX5320-5MZ-C6-F2-X21 OT
13 H1124G 1 VALVE, SOL バルブ SOL VQZ3321-5M-02 OT
14 H1125C 1 VALVE, SOL バルブ SOL VQZ3121-5L-C8 OT
15 H5447W 1 PUMP, VACUUM ポンプ バキューム KHA750A-305-G1 OT
16 H1009D 1 GENERATOR, VACUUM 発生器 真空 ZH05BS-0101 OT
17 H30283 1 FILTER REGULATOR フィルタレギュレータ AC40D-03D-X465B OT
18 GGPI0121 1 VALVE UNIT バルブユニット OT
19 GGPI0151 1 VALVE UNIT バルブユニット OT
20 S1297C 1 CYLINDER, AIR シリンダ エアー CDU10-5T-M9BLS OT
21 GFQC1220 4 CYLINDER シリンダ OT
22 GFQC1240 1 CYLINDER シリンダ OT
23 S2115N 4 CYLINDER, AIR シリンダ エアー CDLQB80-30D-B-M9PL OT
24 DNPK0330 2 CYLINDER シリンダ OT
25 GGPI0190 1 VALVE UNIT バルブユニット OT
26 H30268 1 FILTER フィルタ ZFC200-08 OT
27 A40905 1 ELEMENT エレメント I-63S-A OT ACC-26
28 H1031C 1 VALVE, PRESSURE REDUCING バルブ 減圧 IR1010-01B OT
29 H1125B 1 VALVE, SOL バルブ SOL VQZ342-5L-C8 OT
30 K5346T 1 CONTROLLER, SPEED コントローラ スピード AS2211F-02-08S OT
31 K5337G 2 CONTROLLER, SPEED コントローラ スピード AS1201F-M5-04 (シロ) OT
32 K5340Y 4 CONTROLLER, SPEED コントローラ スピード AS2001F-06(シロ) OT
33 K53495 4 CONTROLLER, SPEED コントローラ スピード AS3201F-03-06S OT
35 K5342D 4 CONTROLLER, SPEED コントローラ スピード AS2201F-01-06S(シロ) OT
36 K5343A 1 CONTROLLER, SPEED コントローラ スピード AS2201F-02-06S OT
40 S40330 2 SENSOR, PRESSURE センサ 圧力 PSE304-ML OT
41 S40331 1 SENSOR, PRESSURE センサ 圧力 PSE543-01 OT
42 S40332 1 SENSOR, PRESSURE センサ 圧力 PSE543-R06 OT
114
PTS-XPFL-03JE