PTS-NADXHD-06 - 第25页
このページはブランクページです This page is intentionally blank. 此页是空白页 2 5 P TS - N A D X H D - 0 6

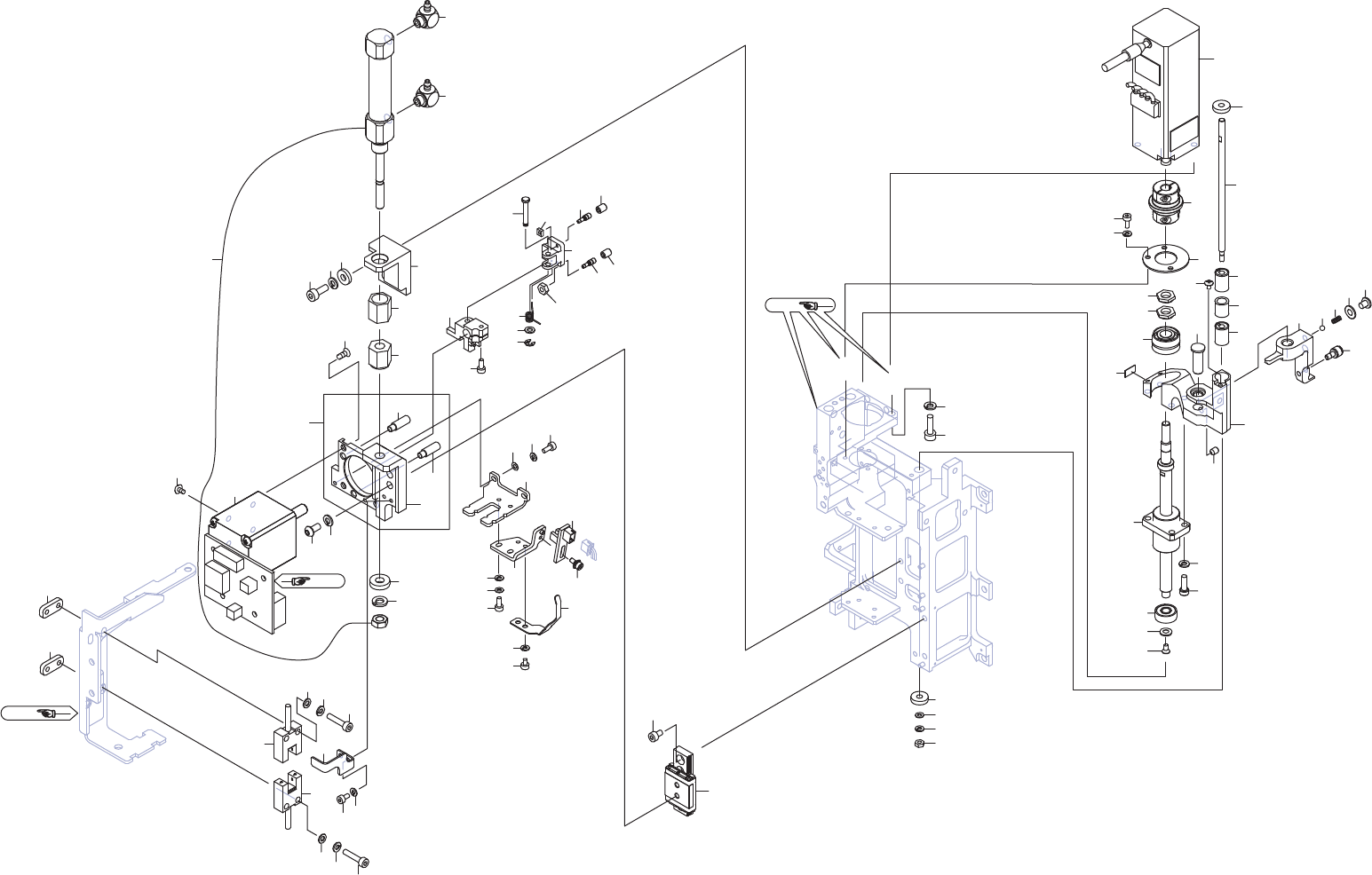
DynaHead (DX) 3/
ダイナヘッド (DX) 3/
2UGKHL000566
No. Drg.No. & Code No. QTY Description Rating Remarks
番号 図番 & コード番号 個数 品名 規格 備考
71 2MGKHL022703 1 SHEET
シート
72 2MGKHL066400 1 HOSE, AIR
ホース エアー
24
PTS- NADXHD- 06
このページはブランクページです
This page is intentionally blank.
此页是空白页
25
PTS- NADXHD- 06

Ref.6/
EE
FF
Ref.1/
Ref.7/
1
2
4
6
7
9
10
11
12
13
14
14
15
16
5
5
18
20
21
22
23
23
24
25
26
24
25
26
27
27
30
31
32
33
34
35
36
37
38
39
41
43
42
44
45
46
47
48
49
50
51
52
53
51
52
53
60
61
62
63
64
65
66
66
67
68
69
70
71
72
73
74
75
77
78
78
79
80
80
81
82
83
84
85
86
87
88
89
90
58
59
19
95
96
97
98
3
ࢲࢼ࣊ࢵࢻ';ࠉ
DynaHead (DX)ࠉ4/
2UGKHL000566
26
PTS- NADXHD- 06