文档中心
/
XP-243E-02JE PART LIST
XP-243E-02JE PART LIST - 第78页
78 PTS-XP243E-02JE
目录
100%
显示:宽度
宽度
1 / 203
回到旧版
旧版
?
77
PTS-XP243E-02JE
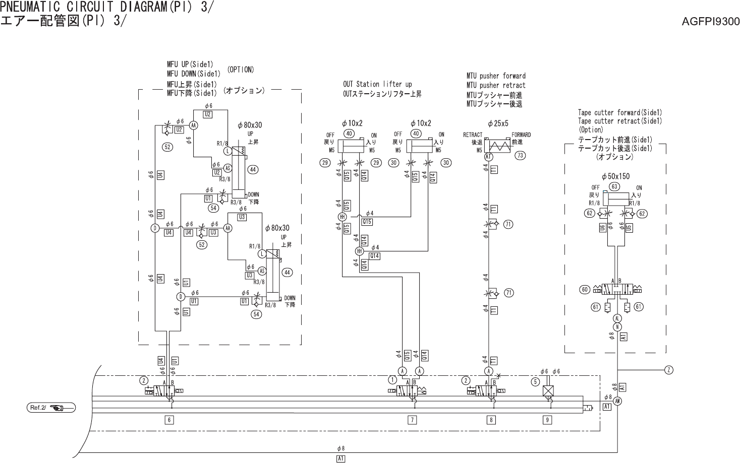
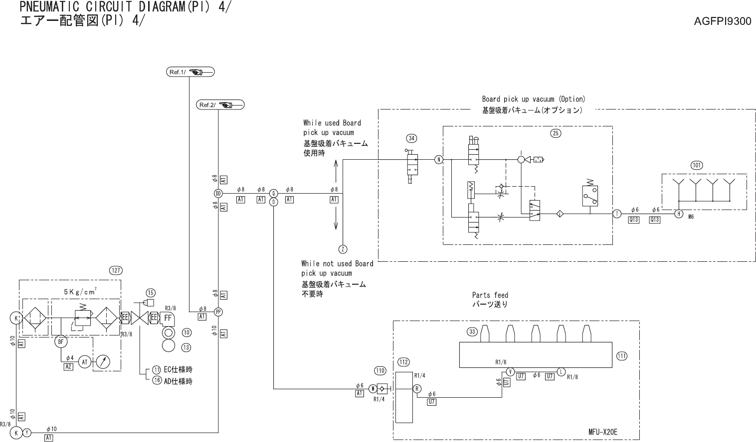
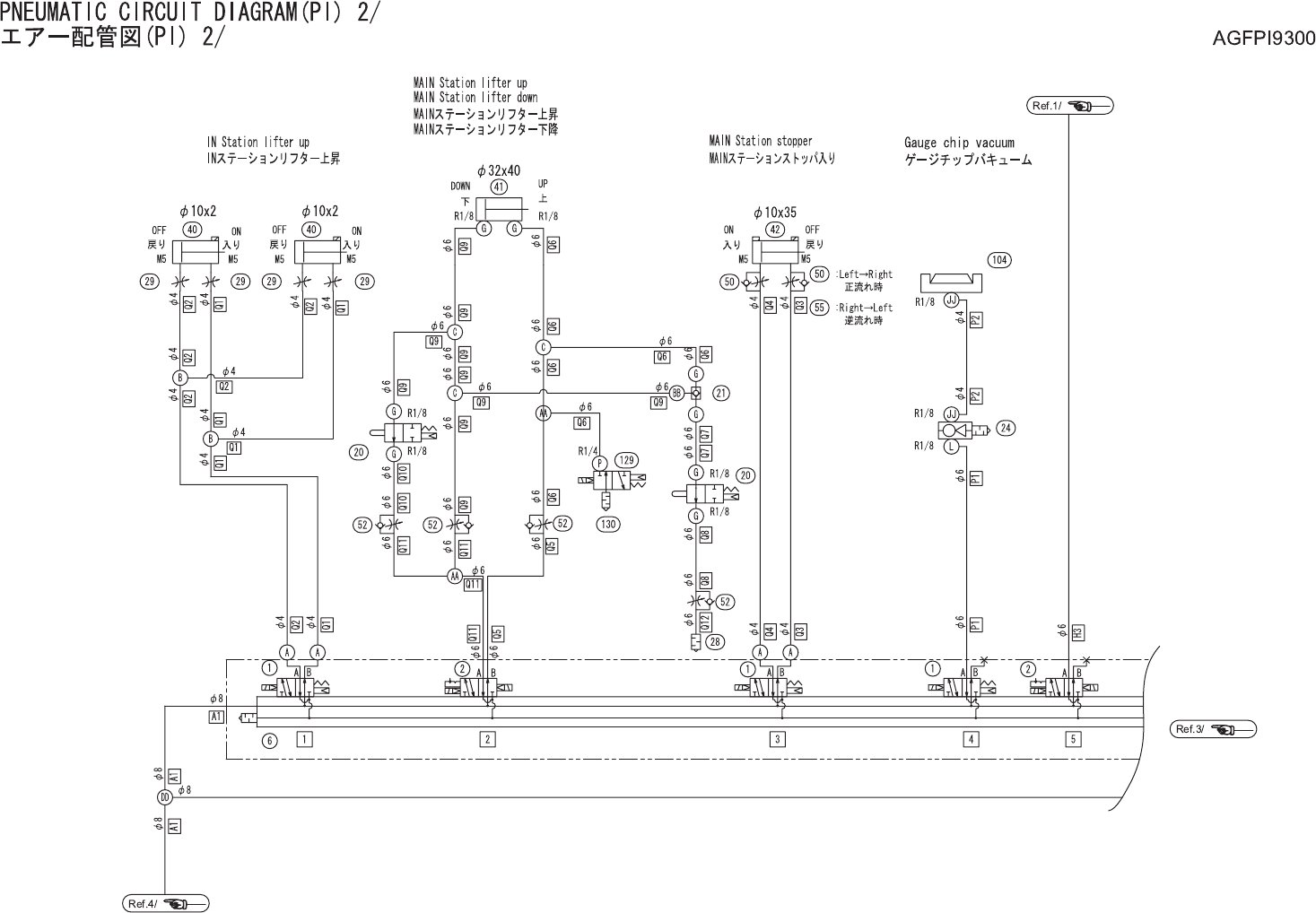
78
PTS-XP243E-02JE
79
PTS-XP243E-02JE
该页面需要启用 JavaScript 才能进行交互式预览。