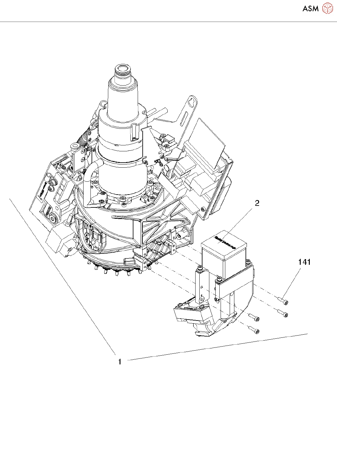
Placement head C

Placement head C&P20M Page 1 / 18 24.11.2021

100%1 / 18
Placement head C&P20M
Page 1 / 18 24.11.2021
Placement head C&P20M
Page 2 / 18 24.11.2021
Placement head C&P20M
Page 3 / 18 24.11.2021