CX-1-Rev10PDF.pdf - 第132页
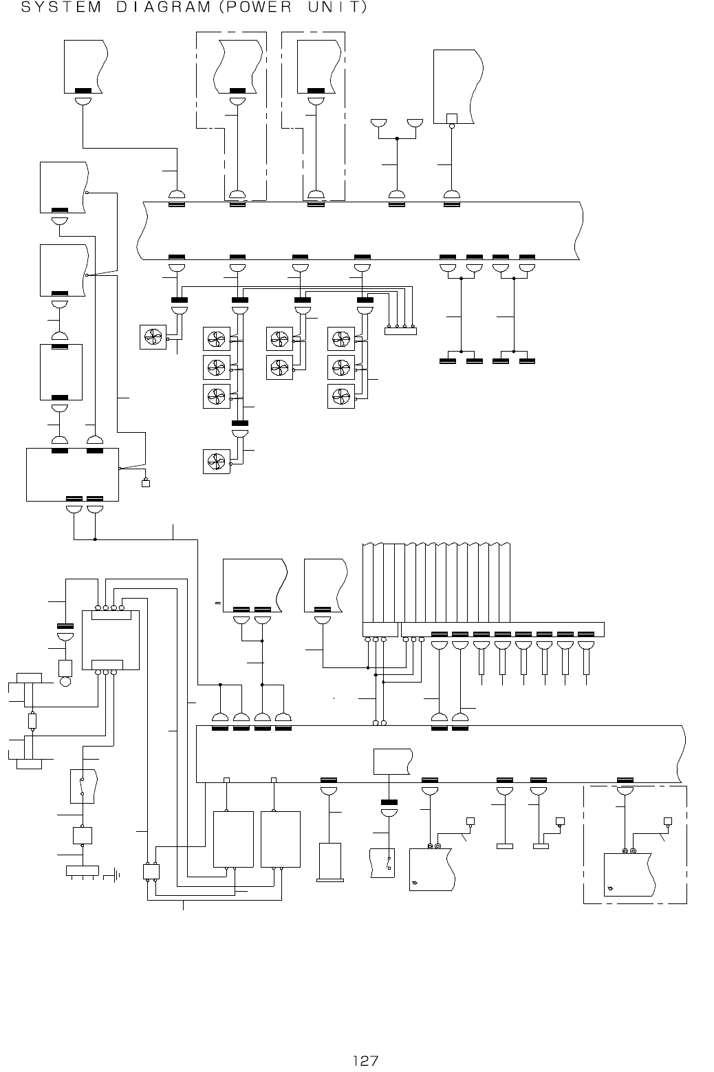
- - 65.S YS T EM DIAGRAM (POWER U N I T ) A M PL - C N 1 1 - 3 C F G - T A P F R O N T 7 - 5 B D C 1 2 V R E A R L C D O P T I O N ( R E A R M O N I T O R ) C N 1 4 O P T I O N ( C V S ) V E R I F Y P C B S 8 - 5 8 - 1…

- -
REF.NO NOTE PART NO D E S C R I P T I O N Qty
1 400-51813 MOTOR_BRAKET_C_(RPQ) 1
2
#01
400-65415 WAIT SENSOR BRACKET L ASM 1
3
#02
400-65419 WAIT SENSOR BRACKET R ASM 1
4 400-63951 WAIT SENSOR BRACKET BASE (1)
5
#01
400-63952 WAIT SENSOR BRACKET FLR (1)
6 #02 400-65137 WAIT SENSOR BRACKET FRL (1)
7 E2284-725-000 HOLD PLATE B (1)
8 SL-6040892-TN BOLT (4)
9 SL-6030692-TN BOLT (4)
10 400-64197 WAIT_SENSOR_ASM (1)
11 HK-0691900-0B BLOCK TERMINAL (1)
12
#01
400-65416 STOP SENSOR BRACKET FLR ASM 1
13
#02
400-65420 STOP SENSOR BRACKET FRL ASM 1
14
#01
400-62274 STOP SENSOR BRACKET FLR (1)
15
#02
400-65134 STOP SENSOR BRACKET FRL (1)
16 SM-6031202-TN B0LT (2)
17 400-65423 STOP SENSOR BRACKET R1 (1)
18 SM-1031001-SC SCREW M3X0.5 L=10 (2)
19 400-63955 STOP SENSOR BRACKET R2 (1)
20 SL-6030892-TN SCREW (4)
21 SM-8030302-TP SCREW M3X0.5 L=3 (3)
22 400-65133 CABLE COVER F (1)
23 SM-6030552-KS SCREW (2)
24 400-63953 CABLE COVER R (1)
25 400-65141 STOP SENSOR AMP BRACKET (1)
26 400-64198 STOP_SENSOR-1_ASM (1)
27 400-64202 STOP_SENSOR-2_ASM (1)
28 HD-0026600-30 SENSOR (2)
29 SL-6041092-TN SCREW (2)
30 SL-4030691-SC SCREW M3X6 (4)
31 NM-6040001-SC NUT M4 (2)
32 WP-0430801-SC WASHER 4.3X9X0.8 (2)
33 WS-0410002-KN SPRING WASHER (2)
34 400-64207 BRANCH_CABLE_ASM (1)
35 400-65418 PTFE TUBE 2.5X3.5 (0.2)
36 EA-9500B01-00 CABLE BAND (8)
37 HX-0029400-00 FIXED BASE 5
38 SM-4040855-SC SCREW 3
39 EA-9500B01-00 CABLE BAND 6
40 EA-9500B02-00 CABLE BAND 150 5
41 HX-0031400-00 SPIRAL TABE 2.3
42 BT-0800501-EA TUBE HOSE, BLUE 4
43 EA-9500B02-00 CABLE BAND 150 3
44 EA-9500B01-00 CABLE BAND 3
45 HX-0029400-00 FIXED BASE 1
46 HX-0031400-00 SPIRAL TABE 0.6
47 SM-6051002-TN BOLT 1
48 400-62271 PUSHER PLATE 1
49 400-62621 Y PUSHER ASM 5
50 400-62302 STOPPER FRAME FR 1
51 400-65140 STOPPER FRAME FL 1
52 400-62303 STOPPER CHIP 1
53 PF-0200040-00 REGULATOR 1
54
#01
EA-9500B01-00 CABLE BAND 1
55
#02
HX-0031400-00 SPIRAL TABE 0.6
56 #01 HX-0031400-00 SPIRAL TABE 0.6
57
#01
BT-0400251-EA TUBE HOSE, BLUE 1.8
58
#02
BT-0400251-EA TUBE HOSE, BLUE 1.8
59
#02
EA-9500B01-00 CABLE BAND 1
60 400-65135 BU TABLE 1

- -
65.SYSTEM DIAGRAM (POWER UNIT)
AMPL
-CN1
1 - 3 C
F G - T A P
F R O N T
7 - 5 B
D C 1 2 V
R E A R L C D
O P T I O N ( R E A R M O N I T O R )
C N 1 4
O P T I O N ( C V S )
V E R I F Y P C B
S 8 - 5
8 - 1 B
C N 2 9
C N 1 1
C N 7 0 9
V C S M O N I T O R
8 - 3 A
C N 0 2
C N 2 6
C N 2 1
C N 0 3
8 - 3 C
8 - 4 B
C N 0 1
C N 2 0
C N 2 5
C N 0 0
Z E X T P C B
C N 3 3
C N 3 2
Z 4 - C N 5 B
3 - 1 C
Z 4 - C N 5 A
X Y - C N 4
S Y N Q N E T - R E L A Y P C B
2 - 2 A
C N 1 8
C N 0 9
B A S E F A N R
C N 0 6 7
C N 0 8
B A S E F A N L
C N 0 6 6
C N 0 6 5 C N 0 6 4
C N 0 7
2 - 5 A
C E N T M O T O R
D R I V E R
C N 6 5 5
C N 2 8
C N 2
C N 2 7
C N 1
C N 2 4
T B 2
T B 1
V M E B A C K B O A R D
C P C I B A C K B O A R D
3 - 3 C
6 - 1 A
4 - 3 C
5 - 1 A
3 - 2 D
4 - 3 D
3 - 4 B
1 - 5 B
2 - 1 B
7 - 4 A
C T R L P W R
S A F E T Y
L I G H T C T R L
B A S E - F E E D E R
I / O C T R L
I P - X 3 C
M C M ( L )
V E R I F Y I / F
B U S - B R I D G E
X M P - C P C I
C P U
P W R -
C N 3 B
C N 0 0 2
O P T I O N ( A U T O W I D T H
A D J U S T M E N T )
C N 1 5
5 D R I V E R
( 1 / 2 )
M A I N S W
( 2 / 2 )
T F 1
2 - 2 B2 - 2 A
7 - 3 A
C D - R O M
F G - T A P
R E A R
F G - T A P
F R O N T
F G - T A P
R E A R
F G - T A P
F R O N T
C N 0 9 6
T B 2
F G - T A P
R E A R
1 - 4 A
P O W E R U N I T
T B 1
N F B
P O W E R U N I T
Y L M O T O R F A N
F G - T A P
R E A R
C O N T R O L U N I T T O P F A N
C N 0 6
P W R -
C N 3 A
C A P
- C N 1
C N 0 6 3
X R / Y R D R I V E RX L / Y L D R I V E R
X Y D R I V E R
C O N U N I T
X Y D R I V E R
P O W E R U N I T
C N 0 0 1
M A I N S W
( 1 / 2 )
1 - 1 C
1 - 1 D
Y R M O T O R F A N
T B
T B
5 D R I V E R
( 1 / 2 )
B U ( L ) D R I V E R
C N 0 3
A U T O W I D T H
A D J U S T M E N T D R I V E R
P W R - O N
L A M P
C N 0 6 0
A C I N P U T
U N I T
T B 1
M T C P W R
( L )
C N 0 6
M T C P W R
( R )
C N 0 7
1 - 1 A
H O U R M E T E R
2 - 5 B
2 - 5 B
U
V
W
C N 1 0
F G
P W R
- C N 1
P W R
- C N 2
C A P
- C N 2
A M P R
- C N 1
2
1
3
4
5
6
7
8
9
1 0
1 1
1 2
1 4
1 3
1 5
1 6 1 7 1 8
1 9
2 0
2 1
2 3
2 5 2 6
2 9
3 2 3 3
3 5
3 6
3 7
3 8
4 0
4 1
4 2
4 3
4 4
4 5
4 6
4 7
4 8
3 0 3 9
2 8
3 4
2 2
A C 2 0 0 V
I N P U T
T F 2
U P S
( 1 / 3 )
7 - 3 B
C N 7
C N 8
C N 9
C N 1 0
C N 1 1
C N 1 2
3 13 13 13 13 13 1
CN013
CN31
I - C X
9 - 3 B
2 4 2 7
I N P W R
9 - 4 A
9 - 4 B
I N M O T O R
D R I V E R
O U T M O T O R
D R I V E R
O U T P W R
L O A D C E L L
A M P L I F E R
9 - 2 B
O L D - T Y P E O V E R A L L
R E P L A C E M E N T T A B L E F
O L D - T Y P E O V E R A L L
R E P L A C E M E N T T A B L E R
2 - 2 A
M C M ( R )
1 2 - 4 C

- -
REF.NO NOTE PART NO D E S C R I P T I O N Qty
1 400-02055 BREAKER INPUT CABLE ASM 1
2 400-02067 BREAKER OUT CABLE ASM 1
3 400-02064 MAIN SW OUTPUT CABLE ASM 1
4 400-02062 MTC POWER CABLE L ASM 1
5 400-02063 MTC POWER CABLE R ASM 1
6 E9221-729-0A0 PWR ON LIGHT ASM. 1
7 400-02061 POWER ON LAMP RELAY CABLE ASM 1
8 400-02058 TF2 FG CABLE ASM 1
9 400-02057 TF1 FG CABLE ASM 1
10 400-02056 INPUT UNIT FG CABLE ASM 1
11 400-02060 TF2 INPUT CABLE ASM 1
12 400-02059 TF1 INPUT CABLE ASM 1
13 400-02193 XY SERVO POWER WIRE ASM 1
14 400-02217 ZT SERVO POWER WIRE ASM 1
15 400-02199 CD ROM POWER CABLE ASM 1
16 400-02327 PS CTRL POWER CABLE ASM 1
17 400-02330 CPCI CTRL POWER CABLE ASM 1
18 400-02328 BACKBOARD MONITOR CABLE ASM 1
19 400-02329 BACKBOARD SIGNALCABLE ASM 1
20 400-02115 HOURMETER ASM 1
21 400-02101 UPS SW CABLE ASM 1
22 400-02110 BU DRV POWER CABLE ASM 1
23 400-02111 BU DRV FG WIRE ASM 1
24 400-31970 IN/OUT MOTOR POWER CABLE ASM 1
25 400-02100 CENT MOTOR PWR CABLE ASM 1
26 400-02118 VCS MONITOR PWR CABLE ASM 1
27 400-21155 LOAD CELL POWER CABLE ASM 1
28 400-02109 AWC DRV POWER CABLE ASM 1
29 400-02113 AWC DRV FGWIRE ASM 1
30 400-02315 BANK RLY CABLE ASM F 1
31 400-02344 BUP SHORT WIRE(EN) ASM 1
32 400-02194 PN1 CABLE ASM 1
33 400-02196 PN3 CABLE ASM 1
34 400-02116 XY DRV FG WIRE ASM 1
35 400-02195 PN2 CABLE ASM 1
36 400-02106 YL FAN CABLE ASM 1
37 400-02076 SYNQNET PWR CABLE ASM 1
38 E9247-729-0A0 YL MOTOR FAN ASM. 1
39 400-02316 BANK RLY CABLE ASM R 1
40 E9250-729-0A0 YR MOTOR FAN ASM 1
41 E9249-729-0A0 CTRL UNIT TOP FAN ASM. 1
42 400-02054 CTRL UNIT TOP FAN RELAY ASM 1
43 400-02216 VERIFY PWR CABLE ASM 1
44 E9252-729-0A0 BASE FAN(L) ASM. 1
45 400-02107 BASE FAN(L) CABLE ASM 1
46 400-02322 R LCD POWER CABLE ASM 1
47 400-02326 BASE FAN(R)ASM 1
48 400-02108 BASE FAN(R) CABLE ASM 1