CX-1-Rev10PDF.pdf - 第140页
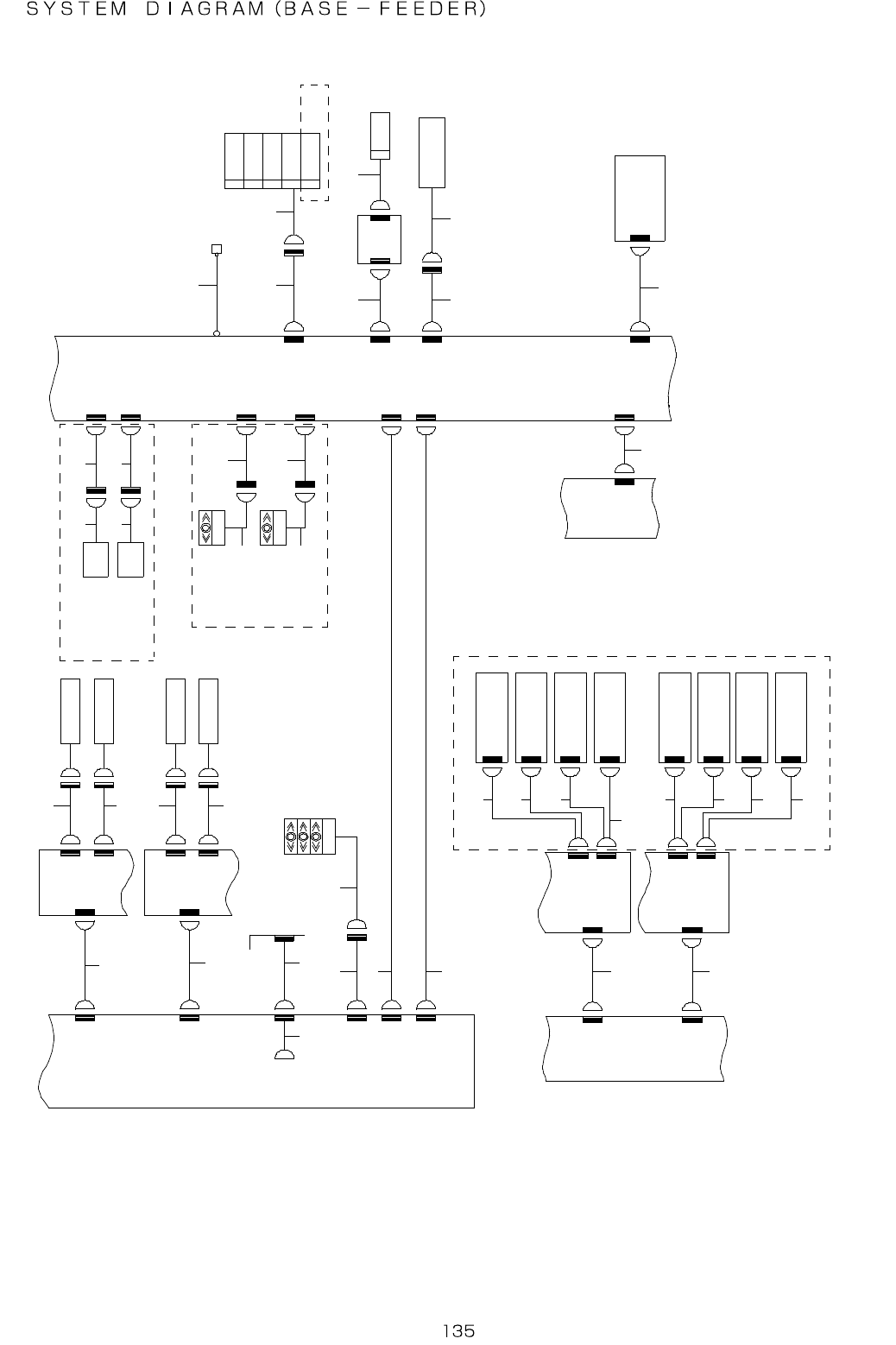
- - 69.S YS T EM DIAGRAM (B A SE -FE ED E R) 3 - 2 D 1 - 3 C O P T I O N ( F E E D E R P O S I T I O N I N D I C A T E R ) O P T I O N ( N O N - S T O P O P . ) N O N - S T O P S I G N A L L I G H T ( R ) C N 6 2 4 M P…

- -
REF.NO NOTE PART NO D E S C R I P T I O N Qty
1 400-32129 HIGHT SENSOR TYPE 2 ASM 1
2 E9638-729-000 FIBER LENS 1
3 HD-0013100-30 FIBER UNIT 1
4 400-02267 BAD MARK SENSOR ASM 1
5 400-02092 HEAD PWR CABLE ASM 1
6 400-31861 XY BEAR HEAD CABLES ASM 1
7 400-02181 Z12 SENSOR RELAY CABLE ASM 1
8 400-02182 Z34 SENSOR RELAY CABLE ASM 1
9 400-02156 OCC CAMERA(R)CABLE ASM 1
10 400-02188 OCC RELAY POWER CABLE ASM 1
11 400-02222 Z12 SENSOR CABLE ASM 1
12 400-02186 Z VACUUM CABLE ASM 1
13 400-02187 Z BLOW CABLE ASM 1
14 400-32818 OCC LIGHT (L) CABLE ASM CX-1 1
15 400-02151 OCC CAMERA CABLE ASM 1
16 400-02154 OCC LIGHT(R)CABLE ASM 1
17 400-02140 OCC LIGHT CABLE ASM 1
18 400-02224 Z34 SENSOR CABLE ASM 1
19 400-02155 OCC CAMERA(L)CABLE ASM 1
20 400-01253 EJECTOR 50 1
21
#01
400-30514 L1 SOLENOID VALVE RELAY CABLE ASM 1
22
#01
400-83482 SOLENOID VALVE CABLE ASM 1

- -
69.SYSTEM DIAGRAM (BASE-FEEDER)
3 - 2 D
1 - 3 C
O P T I O N ( F E E D E R P O S I T I O N I N D I C A T E R )
O P T I O N ( N O N - S T O P O P . )
N O N - S T O P
S I G N A L
L I G H T ( R )
C N 6 2 4M P T L _ R
C N 2 4
C N 2 3
C N 6 2 3
C N 2 6
C N 6 2 6
L S 3 - 3
C N 3
L S 3 - 1
C N 1
O P T I O N
( R E P L A C I N G O V E R A L L C J E M G E R T A B L E U N I T )
C N 1
( E N )
C N 6 2 5M P T L _ F
N O N - S T O P
S I G N A L
L I G H T ( F )
C N 6 2 7
C N 2 7
T H E R M A L
S E N S O R
P C B
( B A S E F R A M E )
6 - 2 A
2 - 4 C
C N 6 6 9
A T C
S H A P E Y
S H A P E X
S T O P P E R
C N 6 3 0
C N 3 0
C N 6 2 8
C N 2 8
C N 4 9 2
CN 4 9 1
C A L S . V
C A L P C B
C N 2
C A R R Y P C B .
C N 6 7 0C N 6 1 2
C N 1 2
S . V .
TB
C N 5 2 C N 3 7
C N 6 3 7
C N 4 3 5
C N 4 3 6
B A N K U P
S E N S O R ( R )
B A N K U P
S E N S O R ( F )
C N 6 4 2
C N 6 4 3
C N 4 2
C N 4 3
C N 2 5
B U - L O C K
4 - 1 B
7 - 1 A
C T R L
P W R
P C B
F G - T A P
F R O N T
F P I - L E D
P C B ( R 3 - 2 )
C N 1
C N 5 4 1
C N 5 5 1
C N 1
F P I - L E D
P C B ( R 3 - 1 )
C N 5 6 1
C N 5 7 1
F P I - L E D
P C B ( R 2 - 1 )
C N 1
C N 1
F P I - L E D
P C B ( R 2 - 2 )
F P I - L E D
P C B ( F 2 - 1 )
C N 1
C N 1
F P I - L E D
P C B ( F 2 - 2 )
C N 5 7 1
C N 5 6 1
F P I - L E D
P C B ( F 1 - 2 )
C N 1
C N 5 5 1
C N 5 4 1
C N 1
F P I - L E D
P C B ( F 1 - 1 )
7 - 1 A
C N 2
C N 1
B A N K / F P I
- F P C B .
C N 2
C N 6 2 1 FL S 4 - 2
5 - 2 A
C N 3
C N 3
5 - 2 B
C N 6 2 1 R
B A N K / F P I
- R P C B .
C N 1
C N 2
C N 1
L S 4 - 1
C N 5 0 2
C N 5 0 3
C N 5 0 3
C N 5 0 2
I / O C T R L
P C B
L S 3 - 4 R
C N 4 R
C N 6
F E E D E R ( R L )
C N 1
B A N K / F P I
- R P C B .
C N 5 0 1 R
C N 5 0 6 R
B K - R L
5 - 2 C
C N 7
C N 5 0 7 R
B K - R R
F E E D E R ( R R )
F E E D E R ( F R )
B K - F R
C N 5 0 7 F
C N 7
L S 3 - 6
5 - 2 C
L S 3 - 4 F
B K - F L
C N 5 0 6 F
C N 5 0 1 F
C N 4 F
B A S E - F E E D E R
P C B
S I G N A L L I G H T
C N 4 8 3
C N 2
C N 6
M T C I / F
( L )
C O V E R
C N 1 1
L S 3 - 2
B A N K / F P I
- F P C B .
C N 1
F E E D E R ( F L )
C N 6
C A L V A C U U M
S E N S O R
1
2 3
74 6
5
8 1 0 1 19
1 2
1 3 1 5
1 4
1 6
1 7 1 9
1 8
3 1
3 2
2 4 2 5
2 6
2 7
2 8
2 9
3 0
3 3 2 0
2 1 2 22 1
2 2
2 22 22 1 2 1
2 3

- -
REF.NO NOTE PART NO D E S C R I P T I O N Qty
1 400-02088 BANK F CABLE ASM 1
2 400-02089 BANK R CABLE ASM 1
3 400-02104 MTC I F(L) CABLE ASM 1
4 400-02090 SIGNAL LIGHT CABLE ASM 1
5 400-03265 SIGNAL TOWER ASM 1
6 400-02081 TEMP VAC CABLE ASM 1
7 400-02075 CRY BASE CABLE ASM 1
8 400-02244 BANK FR CABLE ASM 1
9 400-02243 BANK FL CABLE ASM 1
10 400-02245 BANK RL CABLE ASM 1
11 400-02246 BANK RR CABLE ASM 1
12 400-02167 BANK UP(F)SENS ASM 1
13 400-02168 BANK UP(F)CABLE ASM 1
14 400-02169 BANK UP(R)SENS ASM 1
15 400-02170 BANK UP(R)CABLE ASM 1
16 E9819-729-0A0 MINI PAT CABLE ASM. 1
17 400-02285 MINI PAT F RLY CABLE ASM 1
18 E9819-729-0A0 MINI PAT CABLE ASM. 1
19 400-02286 MINI PAT R RLY CABLE ASM 1
20 400-02086 FPI R CABLE ASM 1
21 400-02249 FPI LED CABLE ASM A 1
22 400-02250 FPI LED CABLE ASM B 1
23 400-02052 BASE MTC CABLE ASM 1
24 400-02082 CARRY MTR FD WIRE ASM 1
25 400-02079 CARRY SV CABLE ASM 1
26 400-02080 CARRY SV WIRE ASM 1
27 400-02179 CAL BLOCK CABLE ASM 1
28 400-02125 CAL VCUM SV ASM 1
29 400-02180 CAL VCUM CABLE ASM 1
30 400-02126 CAL VCUM SENS ASM 1
31 400-02337 CARRY PWR CABLE ASM 1
32 400-02119 BASE TEMP CABLE ASM 1
33 400-02087 FPI F CABLE ASM 1