CX-1-Rev10PDF.pdf - 第142页
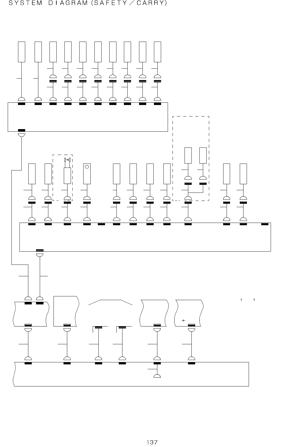
- - 70.S YS T EM DIAGRAM (SAFET Y / CAR RY ) C N 5 3 - 2 C C N 1 Z 4 - C N 1 L S 1 - 5 Z E X T P C B 1 0 - 1 B S Y N Q N E T R E L A Y P C B C N 3 L S 1 - 6 X Y - C N 1 C N 1 2 - 2 D N O T E 1 C O V E R C N 0 3 L S 1 -…

- -
REF.NO NOTE PART NO D E S C R I P T I O N Qty
1 400-02088 BANK F CABLE ASM 1
2 400-02089 BANK R CABLE ASM 1
3 400-02104 MTC I F(L) CABLE ASM 1
4 400-02090 SIGNAL LIGHT CABLE ASM 1
5 400-03265 SIGNAL TOWER ASM 1
6 400-02081 TEMP VAC CABLE ASM 1
7 400-02075 CRY BASE CABLE ASM 1
8 400-02244 BANK FR CABLE ASM 1
9 400-02243 BANK FL CABLE ASM 1
10 400-02245 BANK RL CABLE ASM 1
11 400-02246 BANK RR CABLE ASM 1
12 400-02167 BANK UP(F)SENS ASM 1
13 400-02168 BANK UP(F)CABLE ASM 1
14 400-02169 BANK UP(R)SENS ASM 1
15 400-02170 BANK UP(R)CABLE ASM 1
16 E9819-729-0A0 MINI PAT CABLE ASM. 1
17 400-02285 MINI PAT F RLY CABLE ASM 1
18 E9819-729-0A0 MINI PAT CABLE ASM. 1
19 400-02286 MINI PAT R RLY CABLE ASM 1
20 400-02086 FPI R CABLE ASM 1
21 400-02249 FPI LED CABLE ASM A 1
22 400-02250 FPI LED CABLE ASM B 1
23 400-02052 BASE MTC CABLE ASM 1
24 400-02082 CARRY MTR FD WIRE ASM 1
25 400-02079 CARRY SV CABLE ASM 1
26 400-02080 CARRY SV WIRE ASM 1
27 400-02179 CAL BLOCK CABLE ASM 1
28 400-02125 CAL VCUM SV ASM 1
29 400-02180 CAL VCUM CABLE ASM 1
30 400-02126 CAL VCUM SENS ASM 1
31 400-02337 CARRY PWR CABLE ASM 1
32 400-02119 BASE TEMP CABLE ASM 1
33 400-02087 FPI F CABLE ASM 1

- -
70.SYSTEM DIAGRAM (SAFETY/CARRY)
C N 5
3 - 2 C
C N 1
Z 4 - C N 1L S 1 - 5
Z E X T P C B
1 0 - 1 B
S Y N Q N E T
R E L A Y P C B
C N 3
L S 1 - 6 X Y - C N 1
C N 1
2 - 2 D
N O T E 1
C O V E R
C N 0 3
L S 1 - 2
C N 2
S M E M A ( R )
C N 1
L S 1 - 1
7 - 1 A
C N 4
C N 7 0 4L S 1 - 3
C N 3
O P E R A T I O N P C B .
C N 1 1
C N 6 1 1
S A F E T Y P C B
1 - 3 C
C N 4
L S 1 - 4
C N 0 2
S M E M A ( L )
C O V E R
C N 6 2 2
C N 2 2
C N 6 2 1
C N 2 1
C N 1
C N 4 0 1
5 - 4 D
C A R R Y P C B .
C N 2 0
C N 4 2 0 R C N 4 3 4
F E E D E R D E T E C T S E N S O R
C N 1 9
C N 4 1 9 R C N 4 3 3
F E E D E R F L O A T S E N S O R ( R R )
C N 1 8
E M I S S I O N
C N 4 1 8 R C N 4 3 2
F E E D E R F L O A T S E N S O R ( F F )
C N 4 1 5 R C N 4 3 1
C N 1 5
F E E D E R F L O A T S E N S O R ( R F )
C N 1 4
C N 4 3 0C N 4 1 4 R
F E E D E R F L O A T S E N S O R ( F R )
R E C E I V I N G
F E E D E R D E T E C T S E N S O R
C N 4 1 3 R C N 4 2 9
C N 1 3
C N 0 8C N 4 1 2 R
C N 1 2
M A I N A I R P R E S S U R E S E N S O R
C N 4 0 9 R C N 4 4 5
C N 9
A W C O R G S E N S O R
A T C C L O S E S E N N S O R ( L )
C N 4 0 3 R
C N 3
C N 4 0 2 R
C N 2
A T C O P E N S E N N S O R ( L )
C A R R Y S E N S O R
R E L A Y P C B
( R )
C N 2 0
C N 1 9
C N 4 2 8C N 4 1 9 L
F E E D E R F L O A T S E N S O R ( R F )
C N 4 1 8 C N 4 2 7
F E E D E R F L O A T S E N S O R ( F R )
C N 1 8
C N 4 4 0C N 4 1 7 L
C N 1 7
C N 4 1 6 L C N 4 4 1
C . O U T S E N S O R ( L )
C N 1 6
C N 4 2 6C N 4 1 5 L
F E E D E R F L O A T S E N S O R ( R R )
C N 1 5
F E E D E R F L O A T S E N S O R ( F F )
C N 4 1 4 L C N 4 2 5
C N 1 4
C N 4 0 9 L
C N 9
B U O R G S E N S O R
C N 8
C N 4 4 2C N 4 0 7 L
C N 7
T P I N S E N S O R ( L )
C N 4 0 4 L C N 4 3 9
C N 4
C N 4 3 8C N 4 0 3 L
C N 3
O U T S E N S O R
C N 4 0 2 L
C N 2
C A R R Y S E N S O R
R E L A Y P C B
( L )
I N S E N S O R
C N 4 3 7
C N 1
C N 4 2 1
C N 4 0 9 L
N O T E 1
C A B L E C O N N E C T I O N P O I N T
C A R R Y D I R E C T I O N L R
E 9 3 7 8 : C N 1
2 3 3 4 : C N 2
C A R R Y D I R E C T I O N R L
E 9 3 7 8 : C N 2
2 3 3 4 : C N 1
R E C E I V I N G
R E C E I V I N G
E M I S S I O N
E M I S S I O N
R E C E I V I N G
R E C E I V I N G
E M I S S I O N
E M I S S I O N
1 2 - 1 C
1 0 - 1 A
N O T E 2
A d a s h e d l i n e p a r t s h o w s a d i f f e r e n c e
w i t h s t a n d a r d s p e c i f i c a t i o n s .
N O T E 2
N O T E 2W A I T S E N S O R
C N 4 4 0 A
C N 4 4 0 B
S T O P S E N S O R - 1
S T O P S E N S O R - 2
3 6 3 7
3 8
3 9 4 1
4 0
4 3
4 2
4 5
4 4
4 7
4 6
4 9
4 8
5 1
5 0
1 5
3 4
1 0
9
1 2
1 1
1 4
1 3
1 8
1 7
2 1
1 6 2 2
2 3
2 4
2 5
2 6
2 7
2 8
2 9
1 9 2 0
3 1
3 0 3 2
3 3
7 8
1 2 3 4 5 6
3 5

- -
REF.NO NOTE PART NO D E S C R I P T I O N Qty
1 400-02078 CRY SAFE CABLE ASM 1
2 400-02202 SAFETY CABLE ASM 1
3 E9378-729-0A0 SMEMA CABLE (L) ASM. 1
4 400-02334 SMEMA CABLE(R)ASM 1
5 400-02077 SAFETY LMT CABLE ASM 1
6 400-02071 SAFETY ALM CABLE ASM 1
7 400-02073 CRY SENSOR(R)CABLE ASM 1
8 400-02074 CRY SENSOR(L)CABLE ASM 1
9 400-02209 IN SENS CABLE ASM 1
10 400-02208 IN SENS ASM 1
11 400-02211 OUT SENS CABLE ASM 1
12 400-02210 OUT SENS ASM 1
13 400-02213 WAIT SENS CABLE ASM 1
14 400-64197 WAIT_SENSOR_ASM 1
15 400-02138 FD SENS ASM 1
16 400-02345 BU ORG RLY CABLE ASM 1
17 400-02123 T.PIN CABLE ASM 1
18 400-02122 T.PIN SENS ASM 1
19 400-64198 STOP_SENSOR-1_ASM 1
20 400-64202 STOP_SENSOR-2_ASM 1
21 400-02124 BU ORG SENS ASM 1
22 400-02158 FD FLOAT(FF)RCV CABLE ASM 1
23 400-02131 FD-FLOAT(FF)RECEIVE SENS ASM 1
24 400-02164 FD FLOAT(RR)RCV CABLE ASM 1
25 400-02137 FD FLOAT(RR)RECEIVE SENSOR 1
26 400-02236 C.OUT SENS CABLE ASM 1
27 400-02235 C.OUT SENS ASM 1
28 400-02215 STOP SENS CABLE ASM 1
29 400-64207 BRANCH_CABLE_ASM 1
30 400-02159 FD FLOAT(FR)CABLE ASM 1
31 400-02132 FD FLOAT(FR)SENS ASM 1
32 400-02161 FD FLOAT(RF)CABLE ASM 1
33 400-02134 FD FLOAT(RF)SENS ASM 1
34 400-02165 FD SENS CABLE ASM 1
35 400-02051 SAFE SYNQ CABLE ASM 1
36 400-02128 ATC OPEN SENS ASM 1
37 400-02127 ATC CLOSE SENS ASM 1
38 400-02121 AWC ORG CABLE ASM 1
39 400-02120 AWC ORG SENS ASM 1
40 400-02178 AIR PRESSRE CABLE ASM 1
41 400-02333 AIR PRESSURE METER ASM 1
42 400-02166 FD SENS RCV CABLE ASM 1
43 400-02139 FD RECEIVE SENS ASM 1
44 400-02160 FD FLOAT(FR)RCV CABLE ASM 1
45 400-02133 FD FLOAT(FR)RECEIVE SENSOR 1
46 400-02162 FD FLOAT(RF)RCV CABLE ASM 1
47 400-02135 FD FLOAT(RF)RECEIVE SENSOR 1
48 400-02157 FD FLOAT(FF)CABLE ASM 1
49 400-02130 FD FLOAT(FF)SENS ASM 1
50 400-02163 FD FLOAT(RR)CABLE ASM 1
51 400-02136 FD FLOAT(RR)SENS ASM 1