CX-1-Rev10PDF.pdf - 第145页
- - REF.NO N OTE PART NO D E S C R I P T I O N Qty 1 400-02198 OP POWER CABLE ASM 1 2 400-02197 RS2 32C CABLE ASM 1 3 400-02203 OP S P CABLE ASM 1 4 400-26414 ADD OP RS232C CABLE 2 ASM 1 5 400-02205 F EMG SWITCH CABLE …

- -
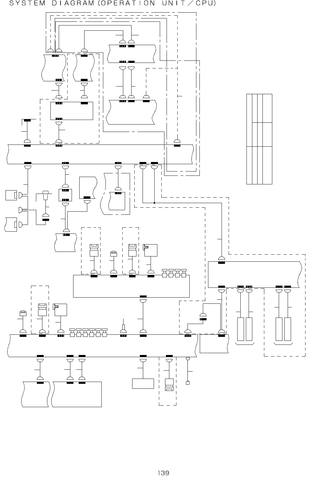
71.SYSTEM DIAGRAM (OPERATION UNIT/CPU)
1 - 2 B
7 - 4 B
R S 2 3 2 C
R S 2 3 2 C
R E A R L C D
V I D E O
1 - 5 B
O U T 2
7 - 3 B
V I D E O
F R O N T L C D
1 - 3 C
O U T 1
P A N E L - L I N K
D I S T R I B U T O R
P A N E L
L I N K
I N
M O U S E
K B
C N 7 2 0
C N 2 0
E X K B / M S P C
K B 2
K E Y B O A R D
( R E A R )
T R A C K B A L L
M S 2
M S 1
T R A C K B A L L
( F R O N T )
K E Y B O A R D /
M O U S E
S W I T C H
K E Y B O A R D
K B 1
D C 1 2 V
7 - 5 A
F R O N T L C D
F D D P W R
F D D
F D D
F D D I / F
C D R O M
H D D
C O P Y
H D D
C O V E R
P R I N T E R
C N 1 3
L P T
C P U
H D D I / F
C O M 1
P O W E R U N I T
1 - 1 C
A C C E S S O R Y
R S - 2 3 2 C
( 2 / 2 )
U P S
C N 0 5 5
C T R L
- P W R
P C B
C O V E R
H A R D D I S K
A C C E S S L A M P
7 - 1 A
C N 2
C N 6
C N 7
F E E D E R
S W ( R )
C O V E R
O P E N
S W ( R )
E M G S W _ R R
C N 7 4 2
C N 7 4 6
O P T I O N ( N O N S T O P O P E R A T I O N )
O P E R A T I O N
P C B .
C N 7 4 1
C N 1
C N 7 0 3
C N 7
O P T I O N ( N O N S T O P O P E R A T I O N )
C N 7 1 9
C N 1 9
C N 7 1 8
C N 1 8
H O D
B O X
C N 0 2
C N 7 1 1
C N 1 1C N 5 4
L S 4 - 2
C N 1
C N 7 0 1
C N 2
F G - T A P
F R O N T
O P E - E 1
K E Y
C H A N G E
S W
S T A R T S W
S T O P S W
S E R V O F R E E S W
C Y C L E S W
C T R L - P W R
C O N N E C T O R
P A N E L
O P E R A T I O N
P C B .
S W ( R )
C N 7 1 5
C N 1 5
C N 5
O N L I N E S W
O R I G I N S W
S T A R T S W
S T O P S W
S E R V O F R E E S W
C Y C L E S W
C N 7 0 5
E M G S W _ F R
C O V E R
O P E N
S W ( F )
I / O C O N T R O L
P C B .
5 - 3 C
7 - 3 B
5 - 1 D
6 - 2 B
S W 2
S W 1
S W 6
S W 5
S W 1 0
S W 9
S W 6
S W 5
S W 1 0
S W 9
C N 6
L S 4 - 6
F E E D E R
S W ( F )
1
2 3
8
9
5
7
6 1 1
1 4
1 6 1 7
1 5
1 8
7
1 2
6
1 9
2 1
2 0
2 2
2 3
2 5 2 6
3 0
CN5
O P T I O N ( R E A R M O N I T O R )
1 0
C N 3
C N 7 1 0
C N 1 0
R S 2 3 2
C H A N G E
P C B A S M
R S - C N 5
7 - 5 B
C H G - 4 P
C H G - 4 P - A
C H G
4 P - B
R S - C N 5
O P T I O N ( R E A R M O N I T O R )
K B / M O U S E
O P T I O N ( R E A R M O N I T O R )
C N 7 4 5
9
K E Y
C H A N G E
S W
C P U C O M 2
N O T E 1
O P T I O N
( R E A R M O N I T O R )
O P T I O N
( T O U C H P A N E L W I T H R E A R M O N I T O R )
O P T I O N ( T O U C H P A N E L )
K E Y B O A R D /
M O U S E
S W I T C H
R S 2
R S 1
R S - P C
R S - A
R S - A
R S - C N 2
R S - B
E X T 2
C N 3
C N 4
C N 2
C N 2
R S 2 3 2 C
C H A N G E
P C B A S M
1 3
3 1 4
2 4
4 0 0 2 7 8 1 5
T O U C H P A N E L
T O U C H P A N E L
W I T H R E A R M O N I T O R )
C O N N E C T I O N P O I N T
F R O M T O
C P U C O M 2 F L C D R S 2 3 2 C
C P U C O M 2 R S - A
N O T E 1
2 7
2 9 2 8
7-2D
1 0 - 5 B
1 1 - 5 A
7 - 1 C
1 1 - 1 C
1 0 - 2 C
9 - 2 B
1 1 - 3 C
1 1 - 3 B

- -
REF.NO NOTE PART NO D E S C R I P T I O N Qty
1 400-02198 OP POWER CABLE ASM 1
2 400-02197 RS232C CABLE ASM 1
3 400-02203 OP S P CABLE ASM 1
4 400-26414 ADD OP RS232C CABLE 2 ASM 1
5 400-02205 F EMG SWITCH CABLE ASM 1
6 400-02252 FEEDER SWITCH CABLE ASM 1
7 400-02254 COVER OPEN SWITCH CABLE ASM 1
8 E9649-729-000 HOD ASM. 1
9 400-02251 OPRATION ON SW CABLE ASM 1
10 400-02207 OP FG CABLE ASM 1
11 400-02204 R OP SWITCH CABLE ASM 1
12 400-02206 R EMG SWITCH CABLE ASM 1
13 400-26197 ADD CHANGE BOX CABLE ASM 1
14 400-02302 KEYBOARD CABLE ASM 1
15 400-02301 MOUSE CABLE ASM 1
16 400-02304 R KEYBOARD CABLE ASM 1
17 400-02303 R MOUSE CABLE ASM 1
18 400-03282 MOUSE KEYBOARD SELECTOR 1
19 400-02325 HDD ACCESS LAMP ASM 1
20 400-02201 FDD MONITOR POWER CABLE ASM 1
21 400-02200 CD HDD I F CABLE ASM 1
22 400-02321 FDD I F CABLE ASM 1
23 400-02311 PRINTER I F CABLE ASM 1
24 400-27815 F-232C CABLE ASM 1
25 400-28017 PANEL LINK F CABLE ASM 1
26 400-28018 PANEL LINK R CABLE ASM 1
27 400-25580 3.3K RESISTOR CABLE ASM 1
28 400-02263 OP 232C CABLE(R)ASM 1
29 400-02260 F 232C CABLE ASM 1
30
#01
400-03297 PANEL LINK RELAY CABLE ASM 1
31 400-26196 ADD OP RS232C CABLE ASM 1

- -
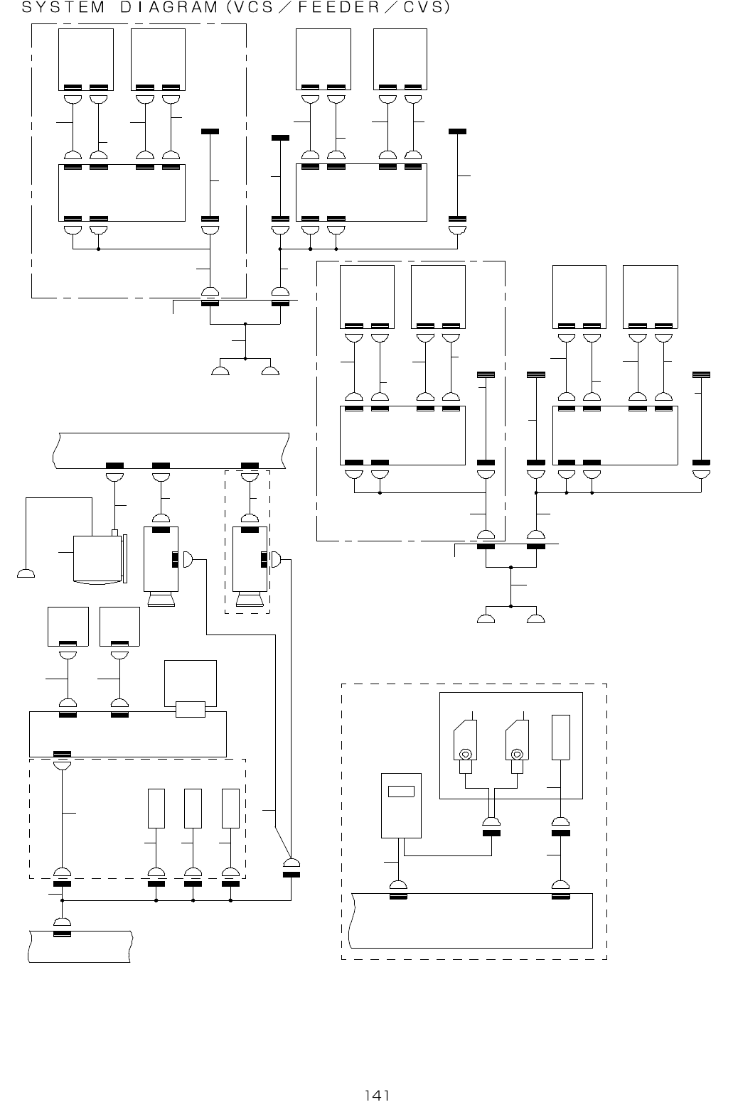
72.SYSTEM DIAGRAM (VCS/FEEDER/CVS)
4 - 3 D
1 - 3 C
O L D - T Y P E
O V E R A L L
R E P L A C E M A N T
T A B L E R
O L D - T Y P E
O V E R A L L
R E P L A C E M A N T
T A B L E F
1 - 3 C
C O V E R
C N 1 0
C N 0 2
C N 0 3 C N 0 4
F E E D E R
B A N K P C B
( R L )
F E E D E R
I / F P C B
( R )
C N 6 6 1
C N 6 6 2
C N 1
C N 2
F E E D E R
B A N K P C B
( R R )
C N 6 4 9
I C F U L L
I C F U L L
C N 6 4 9
F E E D E R
B A N K P C B
( R R )
C N 7 6 0C N 6 6 9 - 2
C N 9
C N 6 7 0 - 2
C N 1 0
C N 7 6 1
C N 1 0 - 2
C N 9 - 2
C N 7 5 1
C N 1 0
C N 6 7 0 - 1
C N 1 0 - 1
C N 9C N 9 - 1
C N 6 6 9 - 1
C N 2
C N 1
C N 7 5 0
C N 6 6 2
C N 6 6 1
F E E D E R
I / F P C B
( R )
F E E D E R
B A N K P C B
( R L )
C N 5 0 7 C N 1 1
O P T I O N ( O L D - T Y P E O V E R A L L R E P L A C E M A N T T A B L E R )
C N 1 1C N 5 0 7
F E E D E R
B A N K P C B
( F L )
F E E D E R
I / F P C B
( F )
F E E D E R
B A N K P C B
( F R )
C N 6 4 9
I C F U L L
I C F U L L
C N 6 4 9
F E E D E R
B A N K P C B
( F R )
O P T I O N ( O L D - T Y P E O V E R A L L R E P L A C E M A N T T A B L E F )
F E E D E R
I / F P C B
( F )
F E E D E R
B A N K P C B
( F L )
C N 0 4
C N 0 1
C N 0 0
C N 1 0
C O V E R
O P T I O N ( C V S )
J 3
P / J 0 4 2
P / J 0 4 3
J 1
S T A T I O N
V E R I F Y P R O V E
V E R F Y C H U C K S . V .
(-)
(+)
V E R F Y
I / F
O P T I O N
( H I G H R E S O L U T I O N C A M E R A )
C N 2
C N 1
1 - 1 D
P W R
C N 4 7
3
S I D E
L I G H T
U N I T
C N 4 9 1
V C S C H A N G E S V
C N 4 7 6
V C S S E N S O R _ O P
C N 4 7 5
C N 4 7 4
V C S S E N S O R _ S T
C N 2
1 - 5 B
4 - 3 C
C O A X I A L
L I G H T
P C B
C N 4 8 1
B A C K
L I G H T
P C B
B O T T O M
L I G H T
P C B
C N 4 7
2
C N 4 7 1
C N 7 0 9
C N 4 7 0
L I G H T
C T R L
P C B
I N
V C S ( O C S )
M O N I T O R
I P - X 3
P C B
L S 2 - 2
C N 3
L S 5 - 3
C N 9
C N 1 0
C N 9
C N 1 0
C N 7 5 1
C N 7 5 0
C N 7 6 0
C N 7 6 1
C N 6 7 0 - 1
C N 6 6 9 - 1
C N 6 6 9 - 2
C N 6 7 0 - 2
C N 1 0 - 1
C N 9 - 1
C N 1 0 - 2
C N 9 - 2
C N 1
C N 2
C N 6 6 1
C N 6 6 2
C N 6 6 1
C N 6 6 2
C N 2
C N 1
C N 9 - 1
C N 1 0 - 1
C N 1 0 - 1
C N 9 - 1
C N 1 0 - 2
C N 9 - 2
C N 1 0 - 2
C N 9 - 2
C N 6 7 0 - 1
C N 6 6 9 - 1
C N 6 7 0 - 2
C N 6 6 9 - 2
C N 7 5 0
C N 7 5 1
C N 7 5 0
C N 7 5 1
C N 7 6 0
C N 7 6 1
C N 7 6 1
C N 7 6 0
C N 6 7 0 - 2
C N 6 6 9 - 2
C N 6 7 0 - 1
C N 6 6 9 - 1
C N 9
C N 1 0
C N 1 0
C N 9
C N 9
C N 1 0
C N 1 0
C N 9
3 4 5
8 9
1 1
1 2
4 5
3 8 1 0
3 9
4 4
4 0
4 1
4 2 4 3
3 7
3 6
3 4
3 53 3
1 4
1 5 2 1
2 7
2 62 5
2 4
2 3
2 2
1 6
2 0
1 9
1 8
1 7
2 8
2 9
3 0
3 1 3 2
2
1
V C S C A M E R A
H I G H R E S O -
L U T I O N
V C S C A M E R A
H I G H R E S O -
L U T I O N
L S 5 - 1
L S 5 - 2
1 3 7
C X V C S P W R
C X O P V P W R
O P T I O N ( H I G H R E S O L U T I O N C A M E R A )
C N 4 7 7
6
1 0 - 1 B
1 3 - 3 C