CX-1-Rev10PDF.pdf - 第34页
- - 15.AIR COMPO N E NT S 1 3 1 4 1 1 1 2 2 4 9 1 6 1 5 1 0 2 3 1 8 2 1 2 5 1 9 2 0 2 0 2 2 2 2 1 7 2 3 6 5 1 4 8 7

- -
REF.NO NOTE PART NO D E S C R I P T I O N Qty
1 400-34056 BOTTOM COVER ASSY (CX-1) 1
2 SL-3061232-TN SCREW (4)
3 400-31190 COVER SBL (1)
4 400-26955 CORNER COVER (3)
5 400-26956 CORNER COVER FR (1)
6 SL-3061232-TN SCREW (6)
7 E9252-729-HA0 BASE FAN (L) ASM. (1)
8 SL-4033591-SC SCREW M3X35 (4)
9 400-31191 COVER SBR (1)
10 SL-3061232-TN SCREW (6)
11 HM-0010100-10 FAN FILTER (3)
12 SL-4033591-SC SCREW M3X35 (6)
13 PJ-3081000-01 UNION Y (1)
14 SM-6040602-TN BOLT (1)
15 SL-6042592-TN SCREW (1)
16 400-02326 BASE FAN(R)ASM (1)
17 400-26959 COVER RBL (1)
18 SL-3061232-TN SCREW (4)
19 400-01507 SETUP COVER (1)
20 E1038-871-000 PLATEN LOCK CAM SCREW (2)
21 SL-4030891-SC SCREW M3X8 (2)
22 400-26960 COVER RBR (1)
23 SL-3061232-TN SCREW (4)
24 400-32123 COVER RBC (1)
25 B2585-220-000 CASSETTE PRESSER RUBBER MAGNET (2)
26 168-70206 GRAVITY SEAL (4)
27 HX-0033400-0D SPACER (1)
28 400-26961 COVER FB (1)
29 SL-3061232-TN SCREW (4)
30 SL-3061232-TN SCREW (8)
31 NM-6030001-SC NUT M3 (10)
32 CM-3001000-04 DANGER LABEL (50) 3

- -
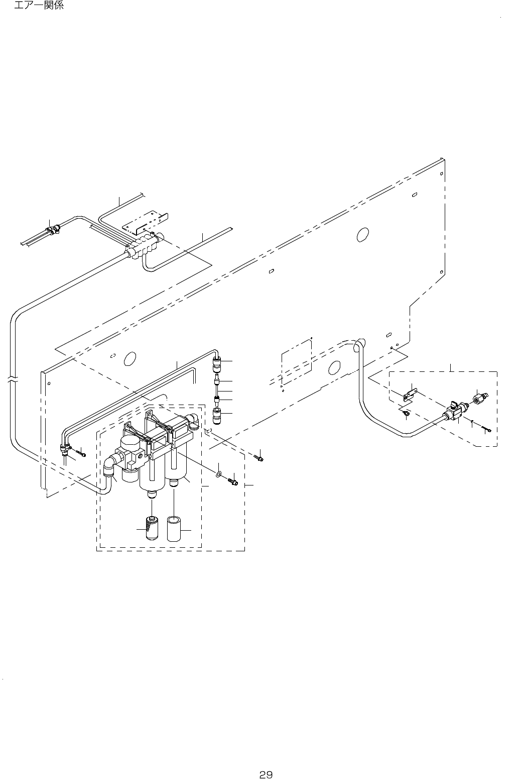
15.AIR COMPONENTS
1 3
1 4
1 1
1 2
2 4
9
1 6
1 5
1 0
2 3
1 8
2 1
2 5
1 9
2 0
2 0
2 2
2 2
1 7
2
3
6 5
1
4
8
7

- -
REF.NO NOTE PART NO D E S C R I P T I O N Qty
1 400-01560 AIR COMBINATION ASSY 1
2 SL-6061692-TN BOLT (2)
3 WP-0841601-SC WASHER 8.4X17.4X1.6 (2)
4 400-00545 AIR PROVIDER (1)
5 PF-0552150-A0 AIR COMBINATION (1)
6 PJ-3041253-01 ELBOW UNION (2)
7 PF-9010060-00 FILTER ELEMENT (1)
8 PF-9010020-00 FILTER ELEMENT A (1)
9 400-00547 FINGER VALVE ASSY 1
10 PJ-0252000-03 PLUG (1)
11 WP-0320500-SC WASHER M3 (2)
12 400-00550 FV BRACKET (1)
13 PV-0152120-00 FINGER VALVE (1)
14 SL-6032542-TN SCREW (2)
15 BT-0600400-EC TUBE HOSE, BLUE 12.8
16 BT-0800501-EA TUBE HOSE, BLUE 20
17 BT-0400251-EA TUBE HOSE, BLUE 1
18 PJ-3080600-03 Y UNION 6
19 BT-1000651-EB POLYURETHANE TUBE 2
20 PJ-3031000-02 STRAIGHT 2
21 SL-6042592-TN SCREW 2
22 PJ-3090400-03 REDUCER 2
23 SL-6052092-TN SCREW 2
24 SL-6051092-TN BOLT 2
25 PJ-3081000-01 UNION Y 1