KJK_FSi_M-PL - 第6页
No. Part No. Part Name Q'ty Remarks KJK-M1 150-01 HANDLE LEVER ASSY 1 KJK-M1 16S-01 ROLLER ARM ASSY 1 1 B-CAP 2 2 KJK-M1 14L-01 COVER 1 3 LEVER 1 4 GUIDE PIN 1 5 LEVER 1 6 GUIDE PIN 1 7 KJW -M115L-00 HOLD ARM 1 8 KJ…

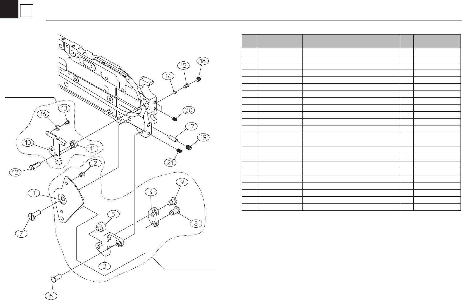
No. Part No. Part Name Q'ty Remarks
KJK-M117A-01
FRONT LEVER ASSY
1
KJK-M1131-00
CLAMP LEVER ASSY
1
1
CLAMP LEVER
1
2
GUIDE PIN
1
3
CLANK ARM
1
4
ARM
1
5
CLAMP PIN
1
6
KJK-M113M-00 AXIS PIN
1
7
KJK-M113L-00 CLAMP LEVER AXIS
1
8 HINGE PIN 1
1
9
HINGE PIN 2
1
10
LEVER
1
11
COIL SPRING
1
12
KJK-M117D-00 GUIDE AXIS
1
13
GUIDE AXIS
1
14 KJK-M117J-00
STOPPER PIN
1
15
KJK-M117K-01 SPRING
1
16
BEARING
1
17
K87-M113H-00 PUSH PIN
1
18
K87-M111Y-00 SCREW, SET 1
19
K87-M111V-00 SCREW, SET
1
20
K87-M111X-00 SCREW, SET
2
21
K87-M111R-00 SCREW, SET 1
KJK-M117A-01
KJK-M1131-00
KJK-FSI-0911
1
3
TOGGLE CLAMP & T/G FRONT LEVER Assy 27-A(7in)
FT/FS2/FSI-84,82(A type)8mm

No. Part No. Part Name Q'ty Remarks
KJK-M1150-01
HANDLE LEVER ASSY
1
KJK-M116S-01
ROLLER ARM ASSY
1
1
B-CAP
2
2
KJK-M114L-01 COVER
1
3
LEVER
1
4
GUIDE PIN
1
5 LEVER
1
6
GUIDE PIN
1
7
KJW-M115L-00
HOLD ARM
1
8
KJK-M115M-00 HOLD ARM AXIS
1
9
KJK-M1155-00 ROLLER
1 *Attention
10
KJK-M1156-00 LEVER SPACER
1 *Attention
11
KJK-M1165-00 ROLLER AXIS
1 *Attention
12
KJK-M116U-00 ROLLER
2
13
ROLLER ARM
1
14 KJK-M116W-00
LEVER SPACER
1 *Attention
15
ROLLER AXIS
1
16 KJW-M1163-00
ROLLER AXIS
1 *Attention
17
KJK-M1164-00 WASHER
2
18 KJK-M119K-00 SPRING
1
19 KJK-M119W-00
WASHER
1
*Attention
20
STRAIGHT PIN 1
21
LG4-M1AD1-00 CIRCULAR RIVET
1
*Attention
22
KJK-M11BF-00 SCREW, THIN HEAD
4
23 K87-M11BF-000
SCREW, FLAT HEAD +
2
Continued from
Page 1-1
KJK-M1150-01
KJK-M116S-01
KJK-FSI-0911
1
4
HOLD ARM & ROLLER,COVER Assy 27-A(7in)
FT/FS2/FSI-82(A type)8mm-2P
*Attention: This parts need press t and training.
*Attention:
圧入部品のため修理依頼を推奨します。

No. Part No. Part Name Q'ty Remarks
KJW-M116D-00
TENSION LEVER ASSY
1
KJK-M119L-00
IDLE ROLLER ASSY
1
KJW-M1192-00
INDENTATION LEVER ASSY
1
KJK-M119F-01 DRIVE ROLLER ASSY
1
KJW-M119A-00
I. ROLLER ALL ASSY
1
KJW-M1191-00
D. ROLLER ALL ASSY
1
1 KJW-M116J-00
METAL SHAFT
1
2
LEVER METAL
1
3
INDENTATION LEVER
1
4
ARM STUD
1
5
KJK-M119K-00 SPRING
1
6
LG4-M1A85-00 ROLLER
1
7 KJW-M116F-00 TENSION LEVER AXIS PIN
1
8
TENSION LEVER
1
9 KW1-M119P-00
SPRING
1
10
ROLLER AXIS
1
11
KJK-M11A1-00 LOWER GUIDE PLATE,R
1
12
KJW-M11A3-00 LOWER GUIDE PLATE,L
1
13
KJW-M119C-00 PLANE WASHER
2
14
K87-M111C-00 PLANE WASHER 1
15
K87-M111P-00 SCREW, FLAT HEAD +
1
16
K87-M11BB-00 SCREW, FLAT HEAD + 2
17
LG4-M1ADC-00 SCREW, PAN HEAD +
1
18
K87-M111N-00 SCREW, PAN HEAD +
1
19 K87-M53BS-00
SCREW, PAN HEAD +
2
20 LG4-M1AD1-00
CIRCULAR RIVET
1
*Attention
21 KJK-M119W-00
WASHER
2
KJW-M119A-00
Continued from
Page 1-1
KJW-M116D-00
KJK-M119L-00
KJW-M1192-00
KJK-M119F-01
KJW-M1191-00
KJK-FSI-0911
1
5
ROLLER UP Unit 27-A(7in)
FT/FS2/FSI-84,82(A type)8mm
*Attention: This parts need press t and training.
*Attention:
圧入部品のため修理依頼を推奨します。