SM482_TRM(Ver7.1_CS17.06) - 第182页
Page +$1:+$ 178 SM482(L) Power Block Diagram(7/7) AM03-014909B AM03-014851A AM03-014906B AM03-019377A AM03-014907B AM03-014853B AM03-005700A AM03-005699A 3 5 U V W PE 1 3 +24V HD MAIN AIR V ACUUM AIR SOL CONNECTOR V ACUU…

Page
+$1:+$
177
SM482(L)
Power Block Diagram(6/7)
NO. PART NO. PART NAME Q'TY Old No. Supply Supply LT Reference
1 AM03-020599B CABLE ASSY-TB WIRE MODULE;B 1 SM482_PW000_LT
2 AM03-020125A CABLE ASSY-SW SERVO POWER 1 SM48_PW018-01
3 AM03-006960A CABLE ASSY-X_Y2_SERVO_POWER 1 SM48_PW019
4 AM03-006961B CABLE ASSY-Y1_SERVO_POWER 1 SM48_PW020

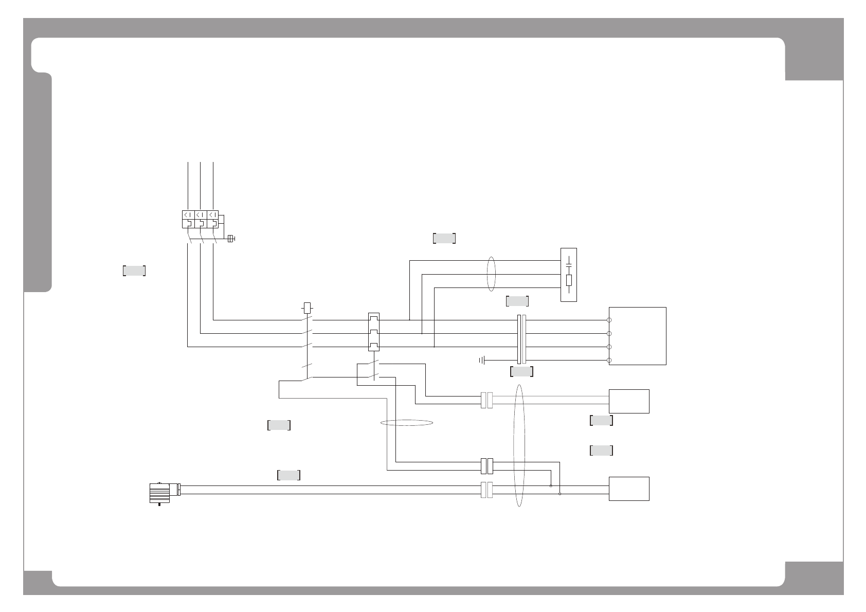
Page
+$1:+$
178
SM482(L)
Power Block Diagram(7/7)
AM03-014909B
AM03-014851A
AM03-014906B
AM03-019377A
AM03-014907B
AM03-014853B
AM03-005700A
AM03-005699A
3
5
U
V
W
PE
1
3
+24V
HD MAIN AIR
VACUUM AIR SOL CONNECTOR
VACUUM PUMP ALARM
GND
VACUUM PUMP ALARM
GND
+24V
VACUUM PUMP PWR
PE3
2
2
2
-MC2
(T16-2.3)
VACUUM
PUMP
-SK
(SM48C_PW042)
CV-CN12
(SM48C_PW146)
CV-CN15
< PUMP OPTION >
SH203-C16
-CP2
(16A)
1.5mm(BLK)
K3CRD-50500
1.5mm(BLK)
(B6-30-10-01)
-TR
1.5mm(BLK)
0.5A(200W)
KHB200A-304A-G1
SM471_PW146-1
SM471_PW147
1
3
5
2
4
6
2
4
6
97
95
98
96
13
A1
14
A2
135
246
(SM48C_PW040)
(SM48C_PW041)
(SM48C_PW042-1)
(SM48C_PW147-1)
1
2
6
7
8
3
4
5

Page
+$1:+$
179
SM482(L)
Power Block Diagram(7/7)
NO. PART NO. PART NAME Q'TY Old No. Supply Supply LT Reference
1 AM03-014909B CABLE ASSY-MC_INPUT_220V 1 SM48C_PW040
2 AM03-014907B CABLE ASSY-PUMP_PWR_ALARM-EXT 1 SM48C_PW147-1
3 AM03-014853B CABLE ASSY-VACUUM_PWR_CABLE 1 SM48C_PW146
4 AM03-005700A CABLE ASSY-PUMP_PWR_ALARM 1 SM471_PW147
5 AM03-005699A CABLE ASSY-VACUUM_EJECTOR_PWR 1 SM471_PW146-1
6 AM03-014851A CABLE ASSY-SPARK_KILLER 1 SM48C_PW041
7 AM03-014906B CABLE ASSY-VACUUM_PUMP_PWR_EXT 1 SM48C_PW042-1
8 AM03-019377A CABLE ASSY-VACUUM_PUMP_220V 1 SM48C_PW042