SM481PLUS_TRM(Ver1.1_CS17.01) - 第121页
Page +$1:+$ 109 SM481 PLUS AIR Ass’y(3/5) NO. Lev . PA R T N O . P ART NAME Q'TY Old No. Supply Supply L T Reference 1 FC14-900644 PLUG KQ2P-08 5 2 HP09-0000 07 MANIFOLD;ET1 :ETC. 1 3 HP06-900282 S TRAIGHT FITTING […

Page
+$1:+$
108
SM481
PLUS
AIR Ass’y(3/5)
B
7
LEFT CABLE DUCT ASSY
FRONT AIR PANEL ASS'Y
FRONT
FEEDER BASE ASS'Y (STANDARD)
REAR도
STANDARD일 때
, 동일 구조
Feeder Base
HP09-000007
KM11-08-12-10
VACUUM GENERATOR (AIR OPTION)
VAC
UUM PUMP (AIR OPTION)
MAIN MANIFOLD ASS'Y
U2-4-12*8, BLACK
U2-4-4*2.5, BLACK
U2-4-12*8, BLACK
U2-4-6*4, BLACK
U2-4-6*4, YELLOW
U2-4-6*4, BLACK, 1000mm
U2-4-6*4, BLACK
U2-4-12*8, BACLK
U2-4-4*2.5, BALCK
U2-4-6*4, BALCK
U2-4-6*4, YELLOW
U2-4-6*4, BLACK
U2-4-8*5, BLACK
U2-4-12*8, BLACK
U2-4-4*2.5, BLACK
U2-4-4*2.5, BLACK
U2-4-4*2.5, BLACK
U2-4-6*4, BLACK
HP06-900043
FITTING
KQ2F04-01
TE07-900096
ANALOG GAUGE (VACUUM)
GZ46-K-01-C1
HP09-001019
REGULATOR
ARP20-02BG-CJSZ1406
HP04-001016
AIR FILTER
AC30-03D-CJSZ2045
U2-4-12*8 U2-4-12*8
HP09-000150
DIGITAL GAUGE
SPABT-P10-R18-2N-K1-SA
U2-4-4*2.5
HP06-900255
FITTING
KQ2H04-M5
U2-4-4*2.5
HP06-900050
SQU04-06-W
U2-4-4*2.5
2-HP06-900027
KQ2L04-M5
HP06-000226
FITTING KQ2R10-12
(S
T OPTION
㢰
ᷱ㟤
KQ2P-10
㥐ᶤ䚌Ḕ
ⵤ㉔䚔 ᶷ)
FC14-900641
PLUG KQ2P-10
FC14-900644
PLUG KQ2P-08
FC14-900644
PLUG KQ2P-08
FC14-900644
PLUG KQ2P-08
FC14-900644
PLUG KQ2P-08
FC14-900644
PLUG KQ2P-08
HP06-900282
KQ2R06-08
HP06-900282
KQ2R06-08
HP06-900282
KQ2R06-08
HP06-900282
KQ2R06-08
A-B
B-C
1 1 1
2
3
3 3
1 1 3
4
5
6
8 9
10
11
13
12

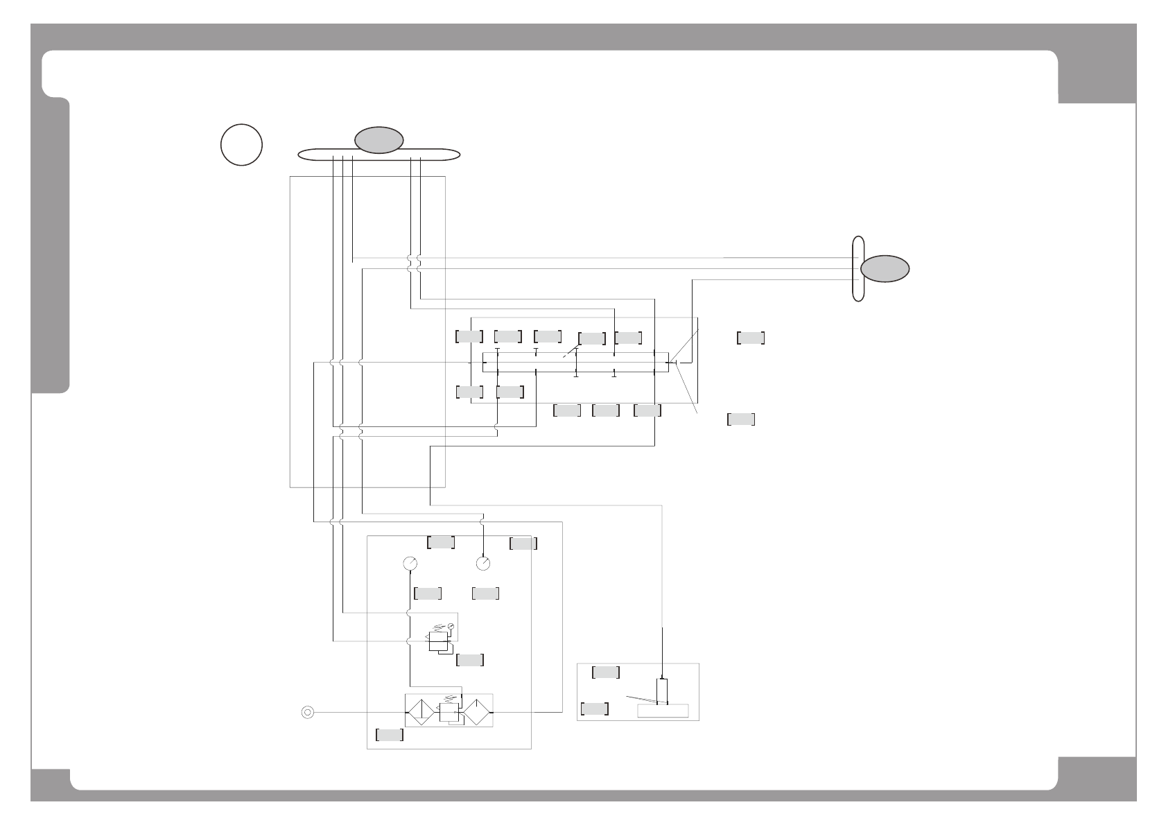
Page
+$1:+$
109
SM481
PLUS
AIR Ass’y(3/5)
NO. Lev. PART NO. PART NAME Q'TY Old No. Supply Supply LT Reference
1 FC14-900644 PLUG KQ2P-08 5
2 HP09-000007 MANIFOLD;ET1:ETC. 1
3 HP06-900282 STRAIGHT FITTING [KQ2R06-08] 3
4 HP06-000226 FITTING-KQ2R10-12;STRAIGHT 1
5 FC14-900641 PLUG KQ2P10 1
6 HP09-000150 COMPONENTS,ELECTRIC-SPABT-P10-R18-2N-K1- 1
7 HP06-900043 JOINT KQ2F04-01 1
8 HP06-900255 STRAIGHT FITTING KQ2H04-M5/SQL04-M5-W 1
9 TE07-900096 METER GZ46-K-01-C1 1
10 HP09-001019 REGULATOR-ARP20-02BG-CJSZ1406;AIR,1.0MPA 1
11 HP04-001016 FILTER,AIR-AC30-03D-CJSZ2045 1
12 HP06-900050 UNION Y FITTING 1
13 HP06-900027 FITTING [KQ2L04-M5/PL4-M5M/SQL04-M5] 2

Page
+$1:+$
110
SM481
PLUS
AIR Ass’y(4/5)
C
B-C
9
VACUUM GENERATOR (AIR OPTION)
초기 진공도달압 : -93.3 kPa 이하
교체
기준
: -87 kPa
VACUUM PUMP (OPTION)
'a'
'b'
U2-4-10*6.5, BLACK
U2-4-10*6.5, BALCK
VACUUM GENERATOR (OPTION) 㐐, ḩ㚉 ⵤ㉔䚔 ᶷ
U2-4-10*6.5, BACLK
U2-4-4*2.5, BLACK
U2-4-12*8, BLACK
U2-4-4*2.5, BLACK
U2-4-12*8, BLACK
HP11-000075
P6010-AJ-01-LA52SG
HP06-900204
SQL10-02S
ADAPTER M3/4"-F1/2"
ELBOW FITTING 12-04S
ELBOW FITTING 04-01S
'a
'
'b'
HP11-001019
VACUUM PUMP
KHB200A-304A-G1
HP06-001070
FITTING
KQ2VD12-02AS
HP06-000234 / KQ2R08-12
HP06-900046 / KQ2R04-08
HP06-900104
FITTING
KQ2L06-02S
U2-4-6*4(YELLOW)
HP14-000978
SOLENOID VALVE
VUVG_L18_M52
3-DIN908-G1/4
2-QSL-E-1/4-10
VUVG-L18-M52-RT-G14-1H2L
2
1
3
4
5
7
8
6