SM481PLUS_TRM(Ver1.1_CS17.01) - 第24页
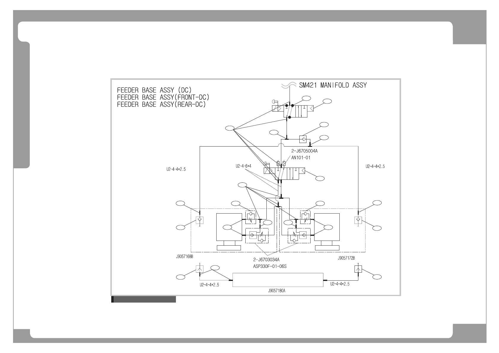
Page +$1:+$ 12 SM481 PLUS Feeder Base Ass’y - DC (4/4) Reference to Air Ass'y ڡۀۀڿۀۍٻڝڼێۀٻڃڟڞڄ 1 1 2 3 3 6 6 2 2 4 5 5 4 10 11 12 7 10 9 8 12

Page
+$1:+$
11
SM481
PLUS
Feeder Base Ass’y - DC (3/4)
NO. Lev. PART NO. PART NAME Q'TY Old No. Supply Supply LT Reference
1 J91741071A FEEDER_INPUT_EXT_BOARD VER 1.1 1
2 AM03-015857C ASSY,BOARD-FEEDER IO VER 2.0 1 AM03-015857B
3 FC09-000977A FRONT SENSOR BKT2 1 J70540267B
4 FC09-000976A FRONT SENSOR BKT1 1 J70540266B/ J70540266C
5 FC29-900144 DRAWER PULL [HD-108] 2
6 FC15-001297A COVER-COVER LFM DC SM481 1

Page
+$1:+$
12
SM481
PLUS
Feeder Base Ass’y - DC (4/4)
Reference to Air Ass'y
ڡۀۀڿۀۍٻڝڼێۀٻڃڟڞڄ
1
1
2
3
3
6
6
2
2
4
5 5
4
10
11
12
7
10
9
8
12

Page
+$1:+$
13
SM481
PLUS
Feeder Base Ass’y - DC (4/4)
NO. Lev. PART NO. PART NAME Q'TY Old No. Supply Supply LT Reference
1 FC14-900724 PLUG [PT 1/8] 2
2 HP06-900027 FITTING [KQ2L04-M5/PL4-M5M/SQL04-M5] 4
3 HP06-900299 COUPLER[KD-M5-SA34697KR] 1
4 HP14-900090 SPEED CON[ASP330F-01-06S] 1
5 HP06-900048 ELBOW FITTING [KQ2L06-M5] 1
6 HP06-900293 ELBOW FITTING[PT18EF] 2
7 FC14-900724 PLUG [PT 1/8] 3
8 HP06-900199 UNION Y FITTING [KQ2U04-06] 1
9 HP14-900092 CHECK VALVE[AKH06-00] 1
10 HP06-900018 FITTING [KQ2U06-00/PY6M] 5
11 HP06-900014 FITTING [KQ2L06-01/PL6-01] 5
12 HP14-900026 SOLENOID VALVE [K180-4E1-21-DC24V] 1
AM03-006535B CABLE ASSY-ND-CART DSUB EXT CABLE ASSY 1