松下NPM-D3^D3A操作说明书 - 第4页
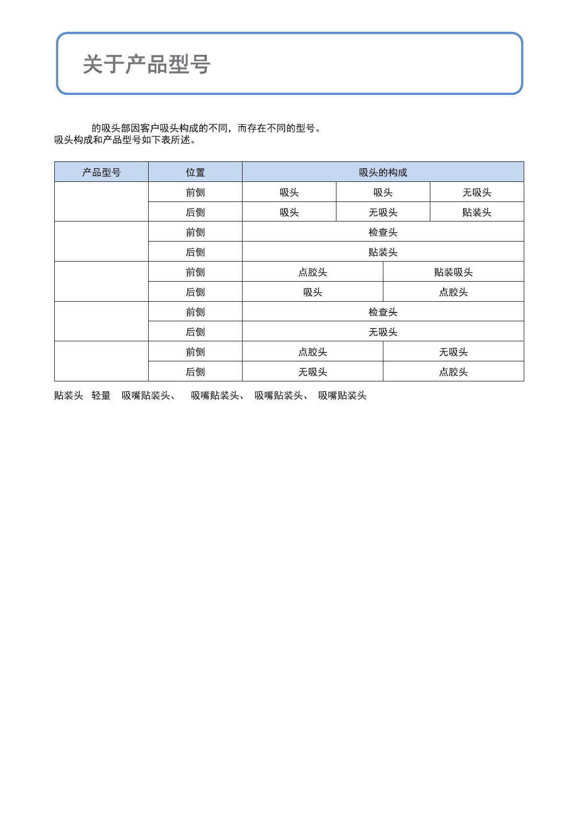
NPM- D3 E JM6DC-BP-01N-00 S-4 NPM-D3 : 16 12 8 2 NM-EJM6D NM-EJM6D-MA NM-EJM6D-MD NM-EJM6D-A NM-EJM6D-D

NPM-D3 EJM6DC-BP-01N-00
S-3
…
:
1375
TEL: 055-275-6223
FAX: 055-243-4972
Panasonic Factory Solutions Europe
For Service and Supply of Spares in Europe
you may contact Panasonic Europe:
Continental Europe
Panasonic Factory Solutions Europe
Winsbergring 15
22525 Hamburg Germany
Phone number:0049-(0)40-85386-321
Fax number:0049-(0)40-85386-332
United Kingdom
Panasonic Factory Solutions Europe
Panasonic House, Willoughby Road
Bracknell, Berks. RG12 8 FP
Phone number:0044-(0)1344-853267
Fax number:0044-(0)1344-425970
CE
CE
(Council directive)
Machinery Directive: 2006/42/EC
EMC Directive: 2004/108/EC
(Harmonized standards)
EN ISO 12100:2010,
EN 60204-1:2006 +A1:2009,
EN 61000-6-4:2007 +A1:2011,
EN 61000-6-2:2005
(Authorized Representative in EU)
Panasonic Testing Centre
Panasonic Marketing Europe GmbH
Winsbergring 15, 22525 Hamburg, F.R. Germany
(Manufacturer)
Panasonic Factory Solutions Co., Ltd.
2-7, Matsuba-cho, Kadoma, Osaka 571-8502
Japan
(Product)
Production Modular
(Trade Name)
Panasonic
(Model ID)
NPM-D3
(Model No.)
NM-EJM6D, NM-EJM6D-N , NM-EJM6D-MD,
NM-EJM6D-MA, NM-EJM6D-DA, NM-EJM6D-D
NM-EJM6D-A
(Statement)
The object of the declaration described above is
in conformity with the requirements of the
following EU legislations and harmonized
standards:

NPM-D3 EJM6DC-BP-01N-00
S-4
NPM-D3
: 16 12 8 2
NM-EJM6D
NM-EJM6D-MA
NM-EJM6D-MD
NM-EJM6D-A
NM-EJM6D-D

NPM-D3 EJM6DC-BP-02N-00
S-5