松下NPM-D3^D3A操作说明书 - 第685页
NPM- D3 EJM6DC-MB-09O-01 9-1-6 -6 (1/2) No. 1551 / 1551N 1479 / 1479N 2405 / 2405N ( : mm) 0.12 g 3.5 g 1.5 g 28 mm 25.5 mm 28 mm : 2 2.5 mm : 2 7.5 mm : 2 2.5 mm No. 1 101 / 1101N 1 202 / 1202N 1128 / 1128N ( : mm) 3.0 …

NPM-D3 EJM6DC-MB-09O-01
2
3
N NPM 2D
16
12 8 0603
AM100
9-1-6
9-1-6
-5
8
3.5
1 2
( )
No.
(mm)
( )
1582
1582N
0603R, C
1001
1001N
1005R, C
1608R, C
2012R, C
SS-Mini Tr,
Di
S-Mini Tr,
Di
Mini Tr, Di
1002
1002N
3216R, C
4532R, C
TAN-X, B,
C, D
AI -A, B,
C
1003
1003N
AI -D, E,
F
SOP
SOJ
PLCC
BGA
CSP
No.
(mm)
( )
1004
1004N
SOP
SOJ
QFP
PLCC
BGA
1005
1005N
SOJ
QFP
PLCC
BGA
1006
1006N
( )
33 33 mm 2
1

NPM-D3 EJM6DC-MB-09O-01
9-1-6
-6
(1/2)
No.
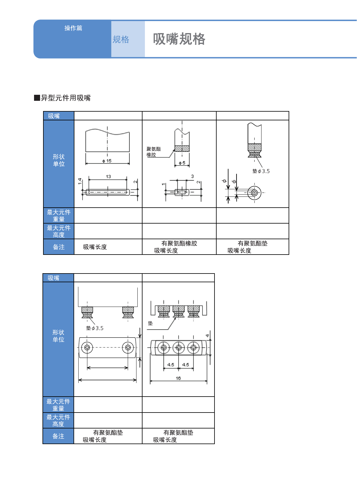
1551 / 1551N 1479 / 1479N 2405 / 2405N
( :
mm)
0.12 g 3.5 g 1.5 g
28 mm 25.5 mm 28 mm
: 22.5 mm
: 27.5 mm : 22.5 mm
No. 1101 / 1101N 1202 / 1202N 1128 / 1128N
( :
mm)
3.0 g 8.0 g 23.0 g
28 mm 28 mm 28 mm
: 22.5 mm : 22.5 mm : 22.5 mm
5
3
5
1
2
3
5
1.4
3
7
10
8
2
4
12
10
0.5
2

NPM-D3 EJM6DC-MB-09O-01
4
9-1-6
-7
9-1-6
(2/2)
No. 1115 / 1115N 2405 / 2405N
1424 / 1424N
( :
mm)
2.0 g 1.5 g 4.8 g
28 mm 28 mm 28 mm
: 22.5 mm
: 22.5 mm : 22.5 mm
No. 1421 / 1421N 2421 / 2421N
( :
mm)
9.7 g 14.5 g
28 mm 28 mm
: 22.5 mm : 22.5 mm
3.5
1
1.6
15
20
6