松下NPM-D3^D3A操作说明书 - 第688页
NPM- D3 EJM6DC-MB-09O-01 9-1-6 -9 ( ) 1 1 No. 7001 7030 7015 *) ( ) ( ) 0.7 1.1 mm 0.6 1.0 m m 0.8 1.2 mm ( ) 1608R, C 1608R, C BGA CSP ( : mm) No. 7021 7023 7026 *) *) *) ( ) 0.6 1.0 mm 0.4 0.8 mm 0.7 1.1 mm ( ) BGA CSP…

NPM-D3 EJM6DC-MB-09O-01
( )
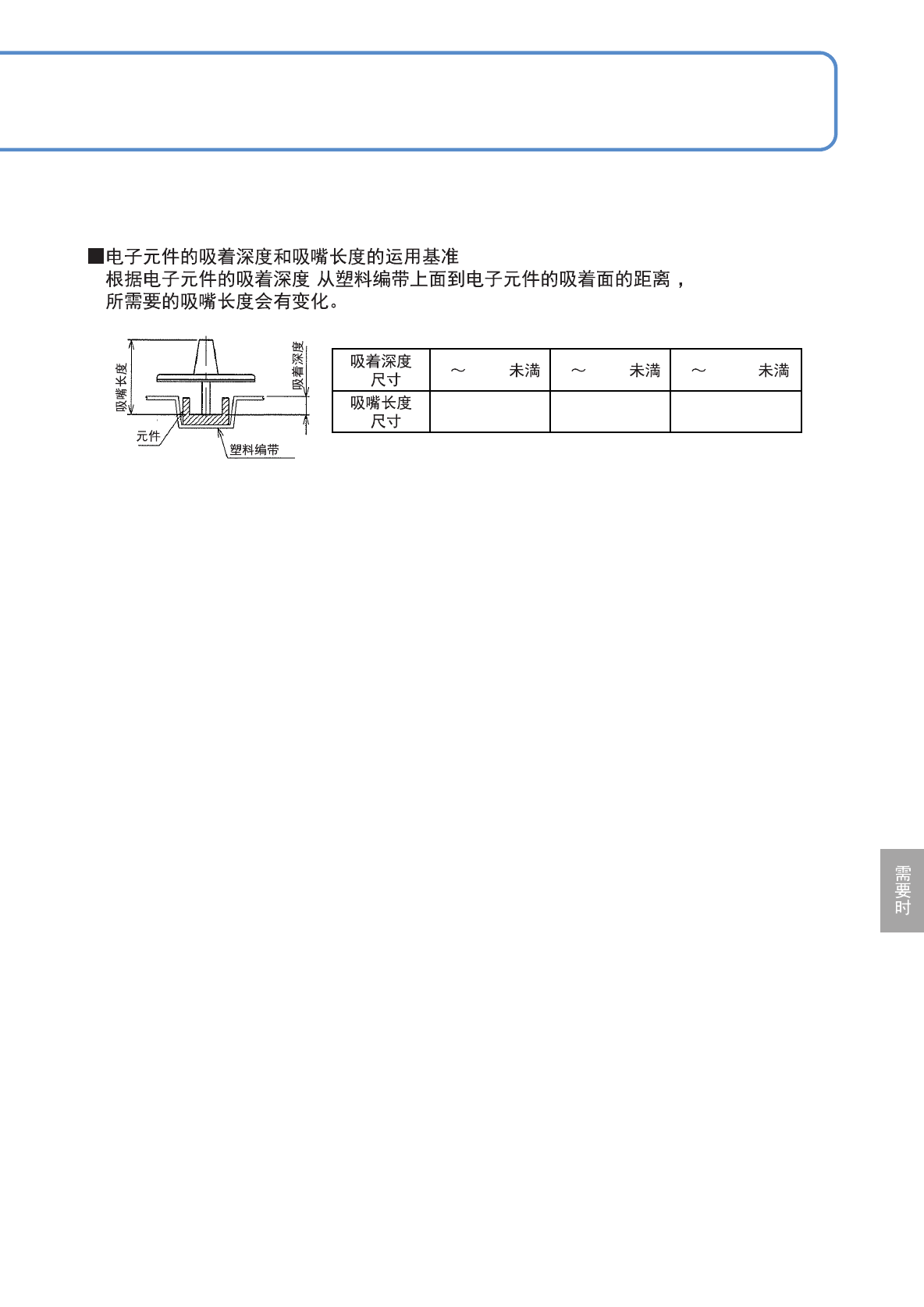
B
0 3 mm 3 8 mm 8 13 mm
A
22.5 mm 27.5 mm 32.5 mm
A
B
9-1-6
-8

NPM-D3 EJM6DC-MB-09O-01
9-1-6
-9
( ) 1
1
No.
7001 7030 7015
*)
( )
( )
0.7 1.1 mm 0.6 1.0 mm
0.8 1.2 mm
( )
1608R, C 1608R, C BGA
CSP
( : mm)
No.
7021 7023 7026
*) *) *)
( ) 0.6 1.0 mm 0.4 0.8 mm 0.7 1.1 mm
( )
BGA
CSP
BGA
CSP
BGA
CSP
( : mm)
)
( ) ( )
A B
5
9-1-6

NPM-D3 EJM6DC-MB-09O-01
9-1-6
-10
2
No.
7201 7204 7222
( )
0.6 1.0 mm 0.7 1.1 mm 0.7 1.1 mm
( )
1608R, C
3216R,C
1608R, C
3216R,C
2125R, C
3216R,C
( : mm)
No.
7223 7224 7236
( )
0.7 1.1 mm 0.7 1.1 mm 0.7 1.1 mm
( )
3216R, C
4 mm x 4 mm
2 mm x 2 mm
4 mm x 4 mm
2125R, C
3216R,C
( : mm)
A B