00196043-05 - SG X und X4I FSE_de - 第252页
C&P20A Beschreibung der Leiterplatten am C&P20A Einstellungen Student Guide SIPLACE X-Serie und X4I FSE 252 Einstell ungen 7.5 Einstellungen Beschreib ung der Lei terplatt en am C&P20 A 7.5.1 Beschreibung der…

C&P20A
Abhol- und Bestückzyklus am C&P20A Standardmodus-Bestücken: Z-Achse aufwärts
251 Student Guide SIPLACE X-Serie und X4I FSE
Standard modus-Bestücken: Z-Achse aufwärts
7.4.26 Standardmodus-Bestücken: Z-Achse aufwärts
Optische Pipettenabfrage
7.4.27 Optische Pipettenabfrage
▪ Nach dem Referenzlauf fahren die Portale in die Warteposition und führen das erste
Pipettenscanning durch. Während der Produktion wird jeweils nach 350 Kopfzyklen (bei Bedarf
durch den Siplace-Service einstellbar) und nach dem Beenden der gerade bestückten Leiterplatte
das nächste Pipettenscanning durchgeführt. Dadurch wird die Pipettenqualität während der
Produktion ständig überprüft:
– Alle Pipetten, die im Scan-Parametersatz der Station aufgelistet sind, werden von der BE-
Kamera gemessen.
– Gibt es eine Abweichung von der definierten Größe, Form und Helligkeit der Pipettenspitze so
zeigt die Maschine die Meldung Pipette abgenutzt oder verschmutzt an.
▪ Kleine Pipetten können leicht, aufgrund der minimalen Bauelement-Höhe, die Lötpaste oder den
Kleber berühren, falls das Bauteil auf der Pipette versetzt ist.
▪ Die Anzahl der Bauelemente pro Segment (Anzahl der Kopf-Zyklen), nach der die nächste
Pipettenabfrage durchgeführt wird, sollte den Prozessanforderungen des Kunden angepasst
werden. Dieser Test wird immer durchgeführt, nachdem die LP-Verarbeitung abgeschlossen ist.
Beschreibung Blasluftsteuerung beim Bestücken
7.4.28 Beschreibung Blasluftsteuerung beim Bestücken
Die Blasluftsteuerung erfolgt über das digitale Druckregelventil, die über die GF-Daten des SIPLACE
Pro-Rechners programmierbar sind. In den GF-Daten können unter "Erweiterte Bearbeitung" Werte
zwischen 0-255 mbar eingegeben werden. Der Standardwert, der mit der GF zur Station übertragen
wird, ist 150 mbar. Dieser Wert muss zu 80 % beim Bestücken erreicht werden.
Detaillierte BE-Bestückabfolge: Z-Achse aufwärts
LS-unten schaltet:
▪...
▪ Abhol-/Bestückposition: Blasluftschwelle "BE
bestücken" erreicht? Ja
▪ Startsignal zur Aufwärtsbewegung
Z-Achse startet:
▪ Positionierung Z-Achse aufwärts
Kopffirmware:
▪ Digitales Druckregelventil Blasluft ausschalten
▪ Reset Signal LS unten
Achscontroller:
▪ Z-Achsmesswert für Pipette "leer" und
▪ Z-Achse im sicheren Bereich. ergibt
▪ Startfreigabe für X-, Y-Portalachsen
Vakuumabfrage:
▪ Schwellwert für Haltekreis erreicht? Ja
▪ Sternachse starten.

C&P20A
Beschreibung der Leiterplatten am C&P20A Einstellungen
Student Guide SIPLACE X-Serie und X4I FSE 252
Einstellungen
7.5 Einstellungen
Beschreibung der Leiterplatten am C&P20A
7.5.1 Beschreibung der Leiterplatten am C&P20A
Kopfadap ter für C& P20A an X-Maschin en mit A364
7.5.1.1 Kopfadapter für C&P20A an X-Maschinen mit A364
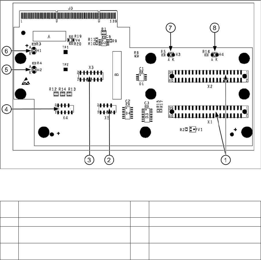
Kopfadapter für C&P20A
Legende
1 X1, X2 Verbindung zum Zwischenverteiler 5 H2 LED (grün) für Anzeige 24 V der DP-
Motoren
2 X5 Spursignale für die Z-Achse 6 H1 LED (rot) für Anzeige 24 V am C&P20
3 X3 Teststecker: serielle und parallele
Schnittstelle (SPI)-Bus
7 H3 LED (grün) für Anzeige BE-Sensor
4 X4 Spursignale für den Stern 8 H4 LED (rot) für Anzeige Hardware-Fehler
C&P20A

C&P20A
Einstellungen Beschreibung der Leiterplatten am C&P20A
253 Student Guide SIPLACE X-Serie und X4I FSE
Basisadapter für CPx an SX4-Maschinen mit HCU
7.5.1.2 Basisadapter für CPx an SX4-Maschinen mit HCU
Basisadapter für CPx [03045647-xx] an SX4-Maschinen mit HCU
Legende
Bedeutung der LEDs H1 - H9
1 X3 Anschluss an die Kopfinterfaceplatine
C700
5 Teststecker für FPGA
2 X4-X14-X15 Anschlussstecker für HCU 6 X1-X2 Flachbandanschluss für CPP oder
C&P20
3 Schalter S1 Zwischenkreisspannung
Z-Achse
40V C&P20 (Schalter oben)
150V CPP (Schalter unten)
7 X6 Programmierstecker für FPGA
4 LED H3- H9 8 X7 Teststecker HCU
H1 OK Statusanzeige für den BE-Sensor
H2 RS232 Leuchtet, wenn der Programmierstecker für die HCU1 angeschlossen ist (für
Service nicht vorgesehen)
H3 1V5 Spannungsüberwachung 1,5 V, leuchtet rot bei Fehler
H4 3V3 Spannungsüberwachung 3,3 V, leuchtet rot bei Fehler
H5 5V Spannungsüberwachung 5 V, leuchtet rot bei Fehler
H6 15V Spannungsüberwachung 15 V, leuchtet rot bei Fehler