00196043-05 - SG X und X4I FSE_de - 第316页
Collect-, Pick- und Place-Kopf (CPP) Beschreibung der Leiterplatten Einste llungen am CPP-Kopf Student Guide SIPLACE X-Serie und X4I FSE 316 Die Spannungsübe rwachungen sprechen an, sobald die S ollspannung um 5% über- o…

Collect-, Pick- und Place-Kopf (CPP)
Einstellungen am CPP-Kopf Beschreibung der Leiterplatten
315 Student Guide SIPLACE X-Serie und X4I FSE
Für die Beschreibung des Kopfinterface an SX4-Maschinen mit HCU siehe "8.5.1.2 Kopfinterface an
SX4-Maschinen mit HCU" [ ➙ 316].
Basisadapter für CPx an SX4-Maschinen mit HCU
8.5.1.1 Basisadapter für CPx an SX4-Maschinen mit HCU
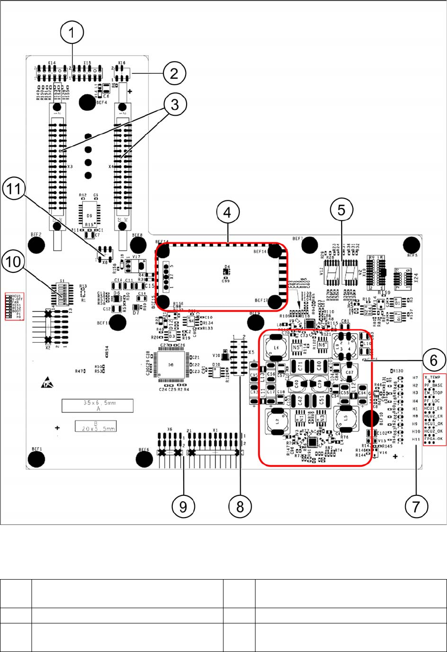
Basisadapter für CPx [03045647-xx] an SX4-Maschinen mit HCU
Legende
Bedeutung der LEDs H1 - H9
1 X3 Anschluss an die Kopfinterfaceplatine
C700
5 Teststecker für FPGA
2 X4-X14-X15 Anschlussstecker für HCU 6 X1-X2 Flachbandanschluss für CPP oder
C&P20
3 Schalter S1 Zwischenkreisspannung
Z-Achse
40V C&P20 (Schalter oben)
150V CPP (Schalter unten)
7 X6 Programmierstecker für FPGA
4 LED H3- H9 8 X7 Teststecker HCU
H1 OK Statusanzeige für den BE-Sensor
H2 RS232 Leuchtet, wenn der Programmierstecker für die HCU1 angeschlossen ist (für
Service nicht vorgesehen)
H3 1V5 Spannungsüberwachung 1,5 V, leuchtet rot bei Fehler
H4 3V3 Spannungsüberwachung 3,3 V, leuchtet rot bei Fehler
H5 5V Spannungsüberwachung 5 V, leuchtet rot bei Fehler
H6 15V Spannungsüberwachung 15 V, leuchtet rot bei Fehler

Collect-, Pick- und Place-Kopf (CPP)
Beschreibung der Leiterplatten Einstellungen am CPP-Kopf
Student Guide SIPLACE X-Serie und X4I FSE 316
Die Spannungsüberwachungen sprechen an, sobald die Sollspannung um 5% über- oder unterschritten
wird.
Kopfinterface an SX4-Maschinen mit HCU
8.5.1.2 Kopfinterface an SX4-Maschinen mit HCU
Das Kopfinterface an der SIPLACE SX4 gibt es in zwei Ausführungen. Grund sind die gespiegelten
Portale.
▪ Kopfinterface C700X-L [03055067-xx) für Portal 1 und 3
▪ Kopfinterface C700X-R [03055069-xx] für Portal 2 und 4
Beide Versionen haben die gleichen Funktionen, Stecker und Schalter.
Das Kopfinterface wird über den Kabelschlepp mit einer Spannung von 40 V versorgt. Über einen DC/
DC-Wandler werden dann weitere Spannungen für die Elektronik und andere Subsysteme bereitgestellt.
Weitere Spannungen und Signale sind:
▪ Spursignale X-Achse
▪ Temperatursensor
▪ FDB Bus / CAN Bus
▪ Spannungen für die Stern- Achse, Z-Achse und X-Achse kommen vom Stromversorger und werden
auf das Kopfinterface verteilt.
H7 DP Spannungsüberwachung DP (momentan ohne Funktion)
H8 24V Spannungsüberwachung 24 V, leuchtet rot bei Fehler
H9 LOC Spannungsüberwachung Local leuchtet rot, sobald eine der
Spannungsüberwachungen anspricht (nicht für 24 V).

Collect-, Pick- und Place-Kopf (CPP)
Einstellungen am CPP-Kopf Beschreibung der Leiterplatten
317 Student Guide SIPLACE X-Serie und X4I FSE
Kopfinterface C700X an SX4-Maschinen
Legende
1 X15 zum Spursignalgeber
X14 Teststecker Spursignale
7 LEDs H1-H4, H7-H11
2 X16 vom Temperatursensor X-Motor 8 X5 vom Visionboard (CAN_H/L)
3 X3-X4 Flachbandleitungen vom
Portalinterface
9 X1 Teststecker, X6 Programmierstecker
für FPGA