00196043-05 - SG X und X4I FSE_de - 第415页
BE-Handling Pneumatisches Schneidgerät Steuereinheit am Gurtschneidgerät (C A N-Knoten) 415 Student Guide SIPLACE X-Serie und X4I FSE Leergurtleitkanal mit B auel emente-Abwurfbehälte r Legende Baugruppe n auf dem L eerg…

BE-Handling
Leergurtleitkanal Pneumatisches Schneidgerät
Student Guide SIPLACE X-Serie und X4I FSE 414
Leergurtleitkanal
10.3.3 Leergurtleitkanal
Der Leergurtleitkanal nimmt am Einlassspalt (1) die Leergurte aus den Förderern auf und leitet diese
vom Austrittsspalt (2) zur Schneidposition des pneumatischen Schneidgeräts weiter. Dort wird der Gurt
zerkleinert und gelangt über die Gurtabfallrutsche in den Auffangbehälter des BE-Wagens. Für Gurte
mit Gurttaschen tiefer als 17 mm muss das mittelste Blech des Leergurtleitkanals, welches mit einer
Schraube auf der linken und rechten Seite fixiert ist, demontiert werden.
Der Leergurtleitkanal ist auf dem pneumatischen Schneidgerät mit vier Schrauben befestigt.
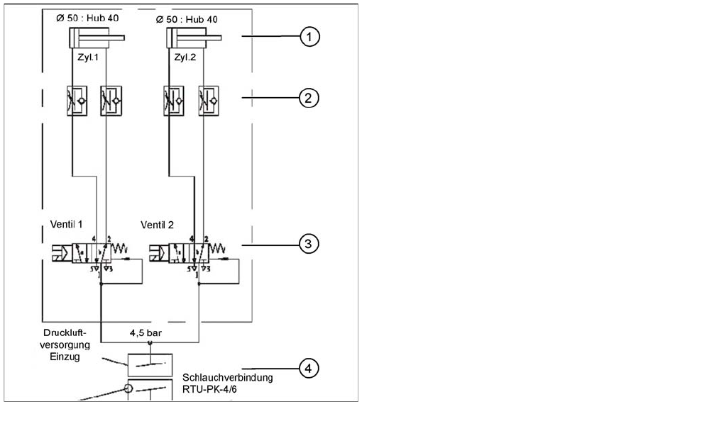
Pneumatikplan Gurtschneidgerät
Legende
1. Antriebszylinder für Schneidmesserbewegung
40 mm Hub
2. Einstellbare Rückschlagdrosseln an den
Zylinderanschlüssen
3. 5/2-Wege Magnetventile
4. 4,5 bar Druckluftversorgung über das SSK
Sicherheitsreilais
Schneidgerät nur bei geschlossenen Schutzhauben
aktiv

BE-Handling
Pneumatisches Schneidgerät Steuereinheit am Gurtschneidgerät (CAN-Knoten)
415 Student Guide SIPLACE X-Serie und X4I FSE
Leergurtleitkanal mit Bauelemente-Abwurfbehälter
Legende
Baugruppen auf dem Leergurtleitkanal
10.3.3.1 Baugruppen auf dem Leergurtleitkanal
Der Leergurtleitkanal ist Träger für weitere Baugruppen:
▪ Der abnehmbare BE-Abwurfbehälter
▪ Pipettenwechsler
▪ Pipettenabzugseinheit mit Abblaseinheit für den C&P20A-Kopf.
Steuereinheit am Gurtschneidgerät (CAN-Knoten)
10.3.4 Steuereinheit am Gurtschneidgerät (CAN-Knoten)
Sehen Sie dazu auch...
4.3.11 Kommunikation Gurtschneider und Pipettenwechsler [ ➙ 113]
1 Einlassspalt für die Leergurte 4 Pipettenabwurfbehälter
2 Austrittsspalt für die Leergurte oberhalb
des pneumatischen Schneidgeräts
5 Pipettenstation
6 Pipettenwechsler-Aufnahmebohrungen
3 Trennblech für Gurte < 15 mm, für Gurte >
15 mm demontierbar
7 BE-Abwurfbehälter

BE-Handling
Steuereinheit am Gurtschneidgerät (CAN-Knoten) Für Ihre eigenen Zeichnungen und Notizen
Student Guide SIPLACE X-Serie und X4I FSE 416
Für Ihre eigenen Zeichnung en und Notizen
10.4 Für Ihre eigenen Zeichnungen und Notizen