YS12_F_KKJ_j - 第19页
P AGE 17 Condential & Proprietary Y S 1 2 F Air circuit (FES24+FIX60) H 0 1 6 3 4 2

PAGE
16
Condential & Proprietary
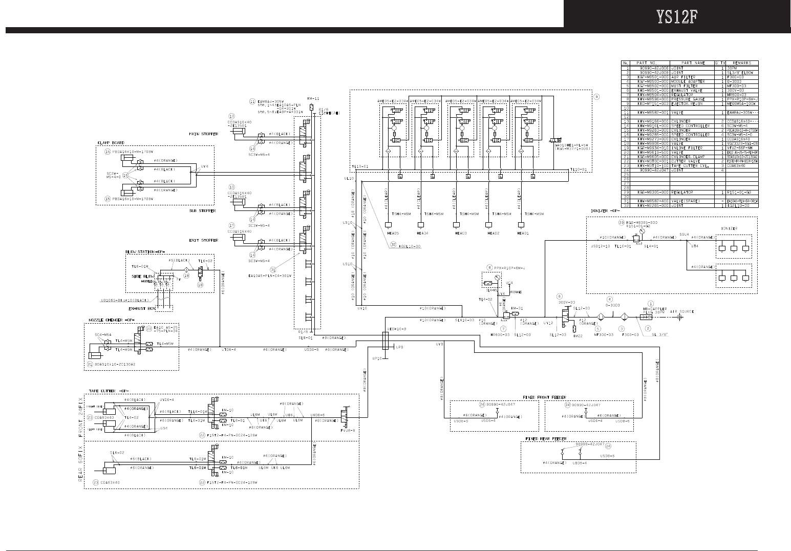
YS12F
Air circuit (FIX24+FIX60)
H 0 1 6 3 4 2

PAGE
17
Condential & Proprietary
YS12F
Air circuit (FES24+FIX60)
H 0 1 6 3 4 2

W i r in g p a r t s l i s t
KKJ1001
PAGE
18
Condential & Proprietary
No Part No. Part Name Q'ty Remarks No Part No. Part Name Q'ty Remarks
1 KHY-M661A-001 HNS,XB11-QS11 1 J0001 39 90K30-444100 HNS,EARTH 1 J0081
2 KHY-M661L-001 HNS,QF11-TM11 1 J0003 40 90K30-245060 HNS,EARTH 5 J0083-J0087
3 KHY-M661E-000 HNS,TM11-QF31 1 J0004
41 90K30-255040 HNS,PE 400 1 J0091
4 KHY-M661F-010 HNS,QF31-NF11.GS31 1 J0005
42 90K30-377020 HNS,PE 200 1 J0093
5 KHY-M661G-000 HNS,NF11-KM11 1 J0006 43 KHY-M536A-001 HNS,PE 1 J0097
6 KHY-M661H-001 HNS,C/R AC230V 1 J0007
44 90K30-244035 HNS,FG-CNT.BOX 1 J0099
7 KHY-M661M-000 HNS,C/R AC100V 1 J0009 45 KHY-M668A-000 HNS,I/O CMN 1 J0101
8 KM6-M66M1-102 HNS,TAP CHANGE 10 J0010-J0019 46 KHY-M668F-000 HNS,I/O CONV CMN 1 J0102
9 KM6-M66M1-202 HNS,TAP CHANGE 1 J0020
47 KHY-M66B3-000 HNS,ANC CMN 1 1 J0103
10 KHY-M662A-010 HNS,TC11-QF21 XT21 1 J0021 48 KHY-M66RB-000 HNS,FEEDER F1 CMN 1 J0104
11 KHW-M66M4-000 HNS,V10 JUMPER 1 J0022 49 KJJ-M66RF-200 HNS,FEEDER COM 2 1 J0106/J0107
12 KHY-M662E-010 HNS,QF21 XT21-GS21 1 J0023 50 KHY-M66RG-000 HNS,TERMINATION 1 J0108/J0109
13 KHW-M662G-000 HNS,LCD POWER 1 1 J0024 51 KHY-M66RF-000 HNS,FEEDER I/O 1 J0110/J0111
14 KHW-M662G-000 HNS,LCD POWER 1 2 J0024,J0025 52 KHY-M66B3-100 HNS,ANC CMN 2 1 J0112
15 KHY-M662F-010 HNS,TM11-TC11 1 J0027 53 KJJ-M66RF-300 HNS,FEEDER COM 2 1 J0113/J0114
16 KHY-M663R-001 HNS,C/R EXT.POWER 1 J0028 54 KG2-M669R-113 HNS,BUZZER 1 J0119
17 KGA-M662M-001 HNS,U10 JUMPER 1 J0029 55 KGK-M6680-200 HNS,USB-MEMORY 2M AS 1 J0120
18 KHY-M663E-000 HNS,I/O HEAD DC24V 1 J0042 56 KHY-M66A1-001 HNS,HEAD SRVB 1 J0121
19 KHY-M663F-000 HNS,Y-FLEX H.PWR EMG 1 J0043 57 KHY-M66A2-000 HNS,Y-FLEX SRV 1 J0122
20 KHY-M663G-000 HNS,X-FLEX H.PWR EMG 1 J0044 58 KHY-M66A3-000 HNS,X-FLEX SRV 1 J0123
21 KHY-M663J-010 HNS,I/O CONV.PWR 1 J0046 59 KHY-M66A5-000 HNS,PI2 1 J0125
22 KHY-M663K-002 HNS,CONV PWR 1 J0047 60 KHW-M66A6-000 HNS,BASE X1P 1 J0126
23 KHY-M66GF-000 HNS,FAN 1 J0048 61 KHY-M66A6-001 HNS,Y-FLEX X1P 1 J0127
24 KHY-M663N-000 HNS,ANC POWER 1 J0051 62 KHW-M66A8-000 HNS,BASE W1P 1 J0128
25 KHY-M664A-010 HNS,GS31-KM12 XT31 1 J0052 63 KHW-M66A9-000 HNS,BASE PUP 1 J0129
26 KHY-M664F-010 HNS,KM12 +48V 1 J0055 64 KHY-M66AA-000 HNS,BASE Y1P 1 J0130
27 KHY-M663V-001 HNS,ANC DC24V 1 J0056 65 KHY-M66AE-000 HNS,BASE Y2P 1 J0131
28 KHY-M665A-000 HNS,BRAKE SRV2 1 J0061 66 KHY-M66A0-000 HNS,I/F SRVA 1 J0135
29 KHY-M665F-000 HNS,CONV.DRIVER 1 J0062 67 KHY-M66E4-010 HNS,MO2 1 J0142
30 KHW-M665E-000 HNS,CONV. MOTOR 1 J0064 68 KHY-M66E3-000 HNS,Y-FLEX X1M 1 J0143
31 90K30-945035 HNS,EARTH 1 J0069 69 KHY-M66F2-000 HNS,HEAD C/R EMG 1 J0162
32 90K30-945025 HNS,EARTH 1 J0070 70 KJJ-M66F3-000 HNS,EMG 1 J0163
33 KV8-M66L1-001 HNS,FG-C/R 1 J0071 71 KHY-M66F4-011 HNS,CONTACTOR 1 1 J0164
34 90K30-544180 HNS,EARTH 1 J0072 72 KHY-M66F5-010 HNS,CONTACTOR 2 1 J0165
35 90K30-544130 HNS,PE 1300 1 J0073 73 KGA-M667J-002 HNS,EMG SW 2 J0166,J0167
36 90K30-945070 HNS,EARTH 3 J0075-J0077 74 KHY-M667A-000 HNS,COVER LIMIT 1 J0168
37 90K30-245020 HNS,EARTH 1 J0078 75 KHY-M667A-000 HNS,COVER LIMIT 2 J0168,J0169
38 90K30-245080 HNS,EARTH 800 1 J0080 76 KHY-M66F6-000 HNS,EMG SHORT 4 J0174,J0175,J0176,J0177