YS12_P_KKD_j - 第7页
Confidential & Proprietary P A G E CN17 CN18 CN19 CN20 F.TERM INAL BOARD OPE.PAN EL F R.TERM INAL BOARD OPE.PAN EL R CN20 CN19 CN19 CN17 J0191 J0181 J0193 J0182 HL12 HL12 F2 SW DI F2 SW DO FRONT ERROR LAMP(YE LLOW/ B…

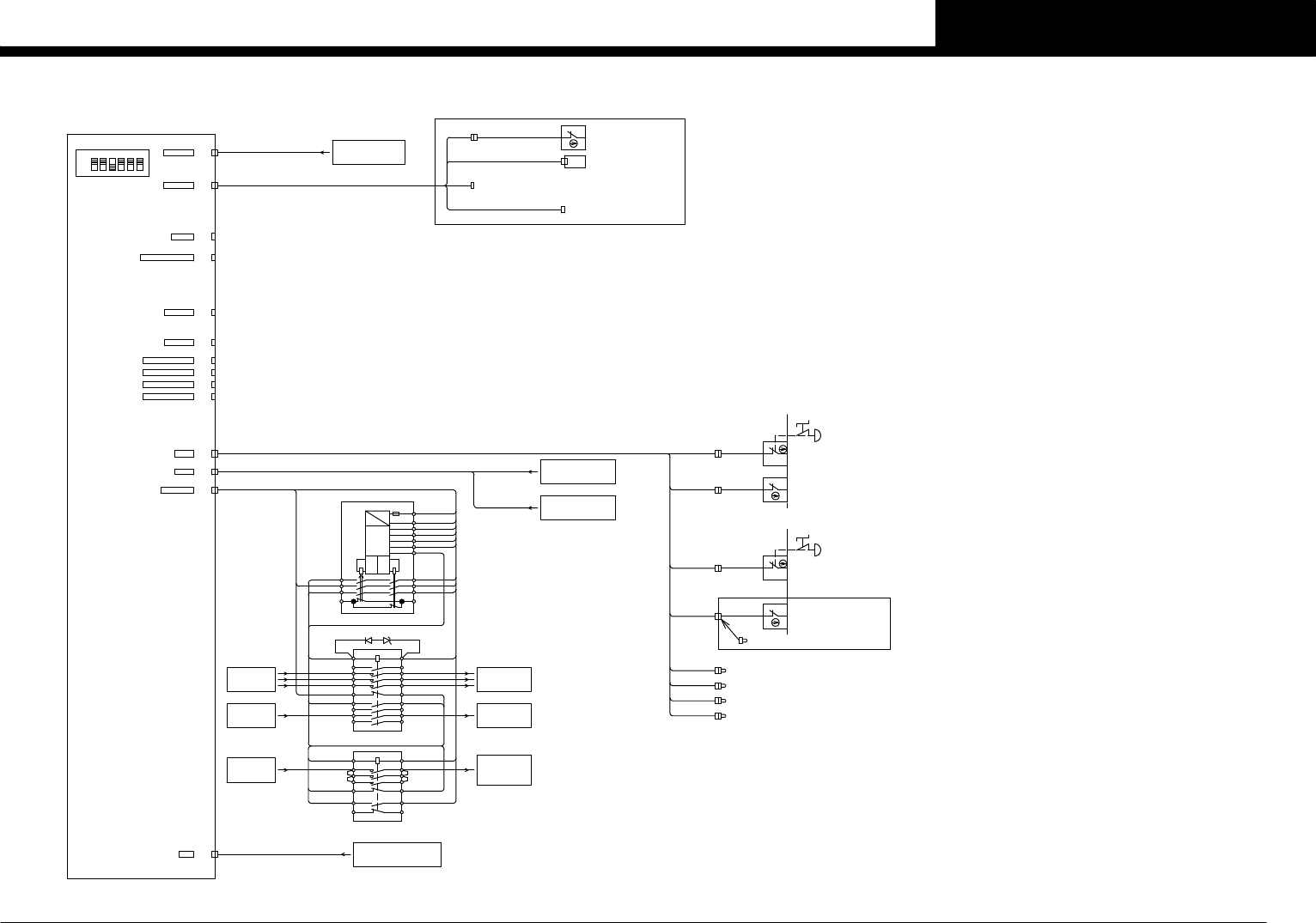
Confidential & Proprietary
PAGE
CN1
CN6
CN1 J0046
CN10
CN9
CN8
CN7
CN3
CN4
CN5
CN2
CN2
CN13
CN13 J0164
CONTROL BOX
POWER CIRCUIT
NF11
POWER CIRCUIT
3 5 6
ON
OFF
1 2
DIP SW(S1)
43 5 6
ON
OFF
1 2
DIP SW(S1)
4
J0226
KM10
CH2 CH1
K1K2
AC
DC
LOGIC
A1
A2
T11
T12
T22
T31
T32
A1
A2 0V24
T11 EMG0
T12 EMG22
T22 EMG22
T31
T32
13
23
33
13 +24V
23 +24V
33 +24V34
24
1414
24 +24E
34 +24B
S10
U52
V52
W52
A1 A2 0V24
U54
V54
W54
J0165
CN12
CN12 J0162
CN11
CN11 J0163
CUT COVER
DC24V IN
SPARE DI
NOZZLE SENSOR 4
NOZZLE SENSOR 3
NOZZLE SENSOR 2
NOZZLE SENSOR 1
MULTI CAM UP/LOW
NZL ST
TAPE CUT
CONTACTOR
SPARE
EMG1
EMG2
CUT COVER
TAPE CUTTER(OPTION)
J0227
OPEN/CLOSE
FRONT TAPE CUTTER
T0100080/T0100081
SQ103
FRONT TAPE CUTTER COVER SWITCH
YV045
F.CUTTER
R.CUTTER
4142
1121 T32B 1122 T32A
C/V MOTOR DRIVER
POWER CIRCUITPOWER CIRCUIT
GS21
1153 +24B
CONV+24V
1154+24C
CONV+24E
A2 0V24A1
1221 T32A 1222 T32
13
A1
53
73
83
21
63
1/L1
3/L2
5/L3
A2
14
2/T1
4/T2
6/T3
22
54
64
74
84
KM11/KM11A
1233 +24C 1234 SRV ON
CN14
CN14 J0102
INTERFACE BOARD
CONTROL BOX
See Page 2
I/O A
COM
I/O CONVEYOR BOARD ASSY P025
Y1ORG
HEAD
See Page 6
Y1OT
HEAD EMG
SRV2 GOOD
CONTROL BOX
See Page 2
SRV1 GOOD
I/F GOOD
COVERF COVER
EMGF1 EMG
EMGR1 EMG
J0168 FRONT COVER SW
SQ101
J0166
FRONT SIDE
J0167
REAR SIDE
R1 EMG SW
SB32
F1 EMG SW
SB31
R COVER COVER J0169 REAR COVER SW
SQ102
REAR COVER(OPTION)
J0178(STANDARD SPEC.)
F1 FDR EMG
FDR EMG
F2 FDR EMG
FDR EMG
R1 FDR EMG
FDR EMG
R2 FDR EMG
FDR EMG
J0174
J0175
J0176
J0177
See Page 12See Page 12
See Page 12See Page 12
GS21
QF23
QF24
POWER CIRCUIT
See Page 14
※In I/O CONVEYOR BOARD
since KJJ-M4580-031,
there is no DIP SW.
KM12/KM12A
A2
2/T1
4/T2
6/T3
22
A1
1/L1
3/L2
5/L3
21
33 34
4241
+48V
HEAD SERVO +48V
POWER CIRCUIT
See Page 12
GS31
POWER CIRCUIT
See Page 12
+48A
CC.V4
3
I/O CONVEYOR -1-
YS12P

Confidential & Proprietary
PAGE
CN17
CN18
CN19
CN20
F.TERMINAL BOARD
OPE.PANEL F
R.TERMINAL BOARD
OPE.PANEL R
CN20
CN19
CN19
CN17 J0191
J0181
J0193
J0182
HL12
HL12
F2 SW DI
F2 SW DO
FRONT
ERROR LAMP(YELLOW/BLUE)
T0100047
ERROR LAMP(YELLOW/BLUE)
REAR
T0100057
HL13
HL13
F.ACTIVE
F.START
F.STOP
F.ERR.CLR
F.READY
F.RESET
ACTIVE
START
STOP
ERR.CLR
READY
RESET
J0207
J0208
J0209
J0210
J0211
J0212
N0100880/T0100040
F.ACTIVE(WHITE)
SB01
N0100881/T0100041
F.START(GREEN)
SB02
N0100884/T0100044
F.READY(WHITE)
SB05
N0100885/T0100045
F.RESET(WHITE)
SB06
ACTIVE
START
STOP
ERR.CLR
READY
RESET
R.ACTIVE
R.START
R.STOP
R.ERR.CLR
R.READY
R.RESET
J0213
J0214
J0215
J0216
J0217
J0218
SB07
SB08
SB11
SB12
R.ACTIVE(WHITE)
R.START(GREEN)
R.READY(WHITE)
R.RESET(WHITE)
N0100890/T0100050
N0100891/T0100051
N0100894/T0100054
N0100895/T0100055
TCN1
TCN1R
SQ002
SQ004
PU-AXIS 1 ORIGIN
N0100904
W1-AXIS ORIGIN
N0100906
REAR(RIGHT)SIDE
CN8
CN11
CN17
CN21
CN3
CN10
TCN8R
TCN11R
SQ031
SQ032
SQ033
SQ037
SQ035
SQ039
SQ040
CONVEYOR ENTRANCE
N01008F0
WAITING POSITION
N01008F1
N01008F2
STAGE-1 PCB MOUNT POSITION
N01008F6
STAGE-1 MAIN STOPPER
WORK OUT1
N01008F4
SUB STOPPER HIGH END
N0100900
CONVEYOR EXIT
N0100901
P
AIR PRESSJ0194
SQ205
N01008E4
TAPE CUTTER F1 CLOSE
TAPE CUTTER(OPTION)
N0100902
AIR PRESSURE
SP11
F1 FEEDER FLOAT(OPTION)
SQ041A
SQ041B
FRONT(L) FEEDER FLOAT
N01008C0
CN8
CN7
CN11
CN12
CN19
CN20
CN24
CN28
CN17
CN21
CN3
CN10
TCN10F
TCN3F
TCN17F
TCN28F
TCN24F
TCN20F
TCN19F
TCN12F
TCN11F
TCN7F
TCN8F
FRONT(LEFT)SIDE
TCN1
TCN1F
SQ083A
SQ083B
J0195
YV082
SIDE BLOW
BLOW STATION
N0100907
SIDE BLOW
T01000E2
CN26
CN30
CN9
CN13
CN25
CN29
CN15
CN2
TCN15R
TCN2R
CN5
CN18
J0200(STANDARD SPEC.)
CN5
CN18
J0201
CN26
CN30
CN9
CN13
CN25
CN29
CN27
CN2
CN4
CN6
CN22
CN23
CN14
CN15
CN16
CN27
CN22
CN23
CN20
CN24
ION I/F BOARD ASSYJ0871TCN24R
CN28
TCN28R
IONIZER ASSY(OPTION)
CN7
CN12
CN14
CN16
CN19
I/O CONVEYOR BOARD ASSY P025
TERMINAL BOARD ASSY P014
TERMINAL BOARD ASSY P013
J0204
BLOW STATION(OPTION)
J0203
J0205
J0202
See Page 10
N0100882/T0100042
SB03
N0100883/T0100043
SB04
SB09
SB10
N0100892/T0100052
N0100893/T0100053
F.STOP(RED/WHITE)
F.ERROR CLEAR(YELLOW/BLUE)
R.STOP(RED/WHITE)
R.ERROR CLEAR(YELLOW/BLUE)
F.OPERATION PANEL
COMPONENT SUPPLY INDICATOR LAMP(OPTION)
COMPONENT SUPPLY INDICATOR LAMP(OPTION)
R.OPERATION PANEL
C4
CN6
TCN6R
CC.V4
4
I/O CONVEYOR -2-
YS12P

Confidential & Proprietary
PAGE
CN34
DI00/ANC
DI01/ANC
SQ061
N0101070
SQ062
N0101071
NOZZLE STATION OPEN
NOZZLE STATION CLOSE
CN6
CN7
CN6A
CN7A
See Page 10
See Page 12
J0772
J0771
CN38
CN37
SS FEEDER F2 CART POWER
SS FEEDER F1 CART POWER
See Page 9
PITCH LED BOARD ASSY
P108
FDR ST BOARD ASSY P107
FRONT FEEDER SET STATION(OPTION)
DIP SW(S1)
21
OFF
ON
J0911
J0909
J0907
J0905
CN6
CN5
CN4
CN3
SS FEEDER
LED OUTCN2
J0903CN1 CN2
CN1
+24V
FDR
PITCH SET
PITCH DWN
PITCH UP
CN6
CN5
CN4
PITCH SET SW
SB55
SB53
PITCH DOWN SW
PITCH UP SW
SB51CN3CN1
CN1J0901FDR STF.FDR ST
R.FDR ST
I/O CONVEYOR BOARD ASSY P025
BUSY IN:N0100920 / LR IN :N0100923
BA OUT :T01000E5 / UR OUT:T01000E6
COUNT RESET:N0100923
NEXT
INTERFACE PANEL
J0223
NEXT INTERFACE
J0198
NEXT A
NEXT B
P011
CONVEYOR DRIVER 1
ANC CTRL BOARD ASSY P018
CART PW.ON/OF SIGNAL CN22
LE OUT :T0100031
BA IN :N0100921 / UR IN :N0100922
BUSY OUT:T01000E4 / LR OUT:T01000E7
J0186
PREV
1 0V
5 DO
4 COM
3 OUT5
1 4
3
KA01
J0187
PREV C
PREVIOUS INTERFACE
PREV
INTERFACE PANEL
J0224
J0199
PREV A
PREV B
ANC UNIT(OPTION)
J0196 NOZZLE STATION OPENANC OPEN
T0100800
YV022
CN11A
321
DC24V INCN3
CN3J0056
ANC+24V
DO00,DO01/ANC CN11
DIP SW(SW2)
COM1
COM2CN2
CN1
4 65
ON
OFF
I/O A
I/O A
ANC CN1
ANC CN2
J0112
J0185CN25
GATE CN25
+24VD3
+24VD4 CN31
CN30
See Page 7
MULTI CAMERA POWER
CAMERA UNIT SEL.
CONTROL BOX
SERVO BREAKE +24V
See Page 2
EXT.PWR
J0049
J0028
CN27
CN27
+24VF5 CN27
+24VC2,+24VC3 CN28
CN29SS FEEDER
J0045CN29
MAIN ST1 MAIN STOPPER UP
T0100020
YV001
CLAMP 1
T0100022
PCB CLAMP
YV003
SUB ST
EXIT ST
T0100025
EXIT STOPPER UP
T0100024
SUB STOPPER UP
YV005
YV006
EX
See Page 8
ACTIVE CHANGE(T0100027)
OPERATION PANEL SEL.
MULTI CAM.UP/DOWN CN23
J0222CN24
VLV(CONV.) CN24
+24VC1,+24VF3
+24VS1 CN44
CN43
AMF
SIGNAL TOWER
FAN LOCK ALARM
CN41
CN40
CN39
CN37
CN38+24VD2
+24VD1
+24VF7 CN36
CN35+24VF6
CN34+24E
CN33YTF C/V MOTOR
MCH C/V MOTOR
CART UP/DOWN VLV
COVER EARTH
IONIZER ASSY(OPTION)
HL11
RUN(GREEN)
ERROR(YELLOW/BLUE)
T01000D2
T01000D0
ALARM(RED/WHITE)
T01000D1
N01008B7
N01008B6
N01008B5
N01008B4
SIDE PANEL
SIDE PANEL
FAN4
FAN3
FAN2
FAN1
REAR BOTTOM COVER
TRANS ROOM
FAN4
FAN3
FAN2
FAN1
J0042
J0225
J0221
J0048
CN43
CN41
CN40
CN39
See Page 6
I/O HEAD POWER
I/O HEAD
AMF2
T0100035
AMF1
T0100034
T01000D6
BUZZER
HL11
J0051CN35
J0871 ION I/F BOARD ASSY
ION CN3R
ION CN3F
See Page 2
CONTROL BOX
INTERFACE BOARD
I/O A
KM11A
POWER CIRCUIT
J0062CN32
DCN1
CV1 CN2
□60 MAX 300rpm
CONVEYOR MOTOR 1 30W
M19
CV1
J0047
J0064
CN1
CV1 CN3
CN3CN2CN32
USB
CONVEYORFRONT RIGHT(F2)
REAR RIGHT(R1)REAR CENTER
FRONT CENTERFRONT LEFT(F1)
REAR LEFT(R2)
CN21
J0081
J0103
J0086J0085
J0082 J0083
J0087
J0084
J0099
CC.V4
5
I/O CONVEYOR -3-
YS12P