YS12_P_KKD_j - 第10页
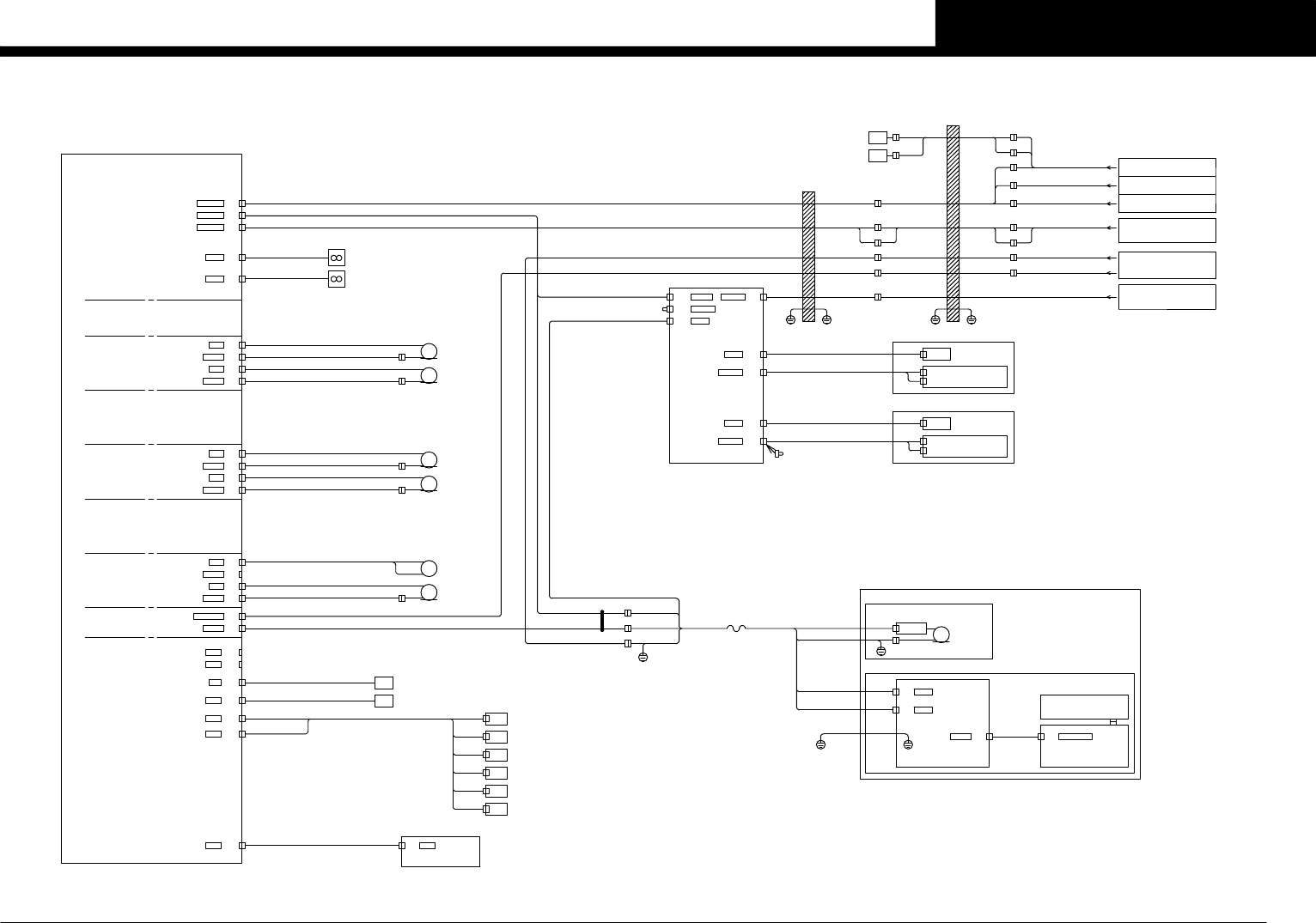
Confidential & Proprietary P A G E See Page 2 CONTROL BOX VISION BOARD CN28 MULTI CAMERA POWER I/O CONVEYOR BOARD See Page 5 L+24V COAX J0508 M.CAM CN8 CN4 CN6 POCL +24V LIGHT L+24V CN1 CN5 CN5 DVR I/F CN1 CN3 CN4 SI…

Confidential & Proprietary
PAGE
J0320
J0305
FAN5
FAN6
FAN1
FAN2
SCP
IF SCP
XOT
XORG
CN18
CN19
CN4
CN5
CN2
CN1
CN2
CN2
CN1
CN2
CN2
CN1
CN2
CN4
CN1
CN14
CN15
CN16
CN17
CN18
CN19
FAN1
FAN2
SENS0
SENS1
SENS0
SENS1
SENS0
SENS1
ENC DIFF
SENS0
DI0
DI1
OT
ORG
DO0
DO1
N002D005
X1-AXIS ORIGIN
N002D006
X1-AXIS OVER TRAVEL
E03
LINEAR IF BOARD ASSY P048
HEAD SERVO UNIT ASSY
CN3
CN3TXD/RXD
J0123
CN2
CN2+24VOUT
J0302
CN1
CN1POW/EMG
J0044
J0121J0122
J0141J0145
J0133 J0124
SRVB1
SRVB2
SRVB1
SRVB2
SCP
SRVB
PI1
MO1
See Page 2
CONTROL BOX
INTERFACE BOARD
See Page 2
CONTROL BOX
SERVO BOARD 1
SCM SCM
SCP
J0042
H+24V
CN43
J0162
Y1ORG
Y1OT
HEAD EMG
CN12
SQ005
SQ001
Y1-AXIS ORG
N0100980
Y1-AXIS OVER TRAVEL
N0100981
J0043 J0055
H+48V
DC48V,0V48
POW/EMG
See Page 3
I/O CONV BOARD
I/O CONV BOARD
See Page 5
KM12,XT31
Y1ORG
Y1OT
J0190
DUCT Y
FLEXIBLE
DUCT X
FLEXIBLE
J0502J0503CAMOUT
CN11
CN10
CN8
DC24V
LIGHT3
CAM3
CN5CAMOUT
DC+24V
LIGHT3
J0321
SCCAM
CAM2 CONTROL BOX
VISION BOARD
See Page 2
CAM2
J0146
J0134
J0072J0073
CN4CAM1
CAM1
CN7LIGHT1
LIGHT1
CN6CAM2
CAM2
CN9LIGHT2
LIGHT2
J0301(STANDARD SPEC.)
J0504
J0300
D.CAM1
FCAM1
CN1
CN2
FID1
FID.LIGHT BRD. ASSY
FIDUCIAL CAMERA 1
J0505
J0301
CN1
CN2
FID2
D.CAM2
FCAM2
FID.LIGHT BRD. ASSY
FIDUCIAL CAMERA 2(OPTION)
I/O HEAD BOARD ASSY P041
CAMERA SELECTOR P082
P086
P087
Z1M
IF1 J0310 SENS1
M14
MAX 1m/s
Z1-AXIS 10W
M16
R1-AXIS 15W
□42 MAX 2000rpm
Z3M
IF3 J0311 SENS3
M12
MAX 1m/s
Z3-AXIS 10W
Z2M
IF2 J0315 SENS2
M15
Z2-AXIS 10W
MAX 1m/s
Z4M
IF4 J0316
Z5M
IF5 J0312 SENS5
M10
MAX 1m/s
Z5-AXIS 10W
SENS4
M13
MAX 1m/s
Z4-AXIS 10W
M0
M0
M0
M1
M1
M1
CN4
CN4
CN4
J0304CN21 VAC
CN1 VACCN21AD0
VAC SENSOR BRD ASSY
P049
HEAD 1
HEAD 2
HEAD 3
HEAD 4
HEAD 5
T002C801/T002C803
HEAD 5(VACUUM/BLOW)
T002CC00/T002CC02
HEAD 4(VACUUM/BLOW)
T002CC01/T002CC03
HEAD 3(VACUUM/BLOW)
T003C000/T003C002
HEAD 2(VACUUM/BLOW)
T003C001/T003C003
HEAD 1(VACUUM/BLOW)
SH BLOW
T003C400
SHAFT BLOW
See Page 12
HEAD SERVO1 P042
HEAD SERVO3 P043
HEAD SERVO5 P044
YV301
YV302
YV303
YV304
YV305
YV311
SQ302
SQ301
IF SCP
SC+24V
SCM
J0307
CAM3
SC+24V
CN1
CN3
SCAN J0514
POCL
+24V
CN4LIGHT CN1 LIGHT I/F
SCAN CAM.SUB ASSY OF.LIGHT BRD.ASSY.
OF.SV.LIGHT BRD ASSY
SCAN CAM. ASSY
P083
P085
P084
SCAN UNIT ASSY
SCM
M18
MAX 1.5m/s
SC-AXIS 85W
CN2
CN1
SCAN AXIS ASSY
SENSOR BOARD ASSY
P088SC-AXIS
J0306
CC.V4
6
HEAD SERVO UNIT
YS12P

Confidential & Proprietary
PAGE
See Page 2
CONTROL BOX
VISION BOARD
CN28
MULTI CAMERA POWER
I/O CONVEYOR BOARD
See Page 5
L+24V
COAXJ0508
M.CAM
CN8
CN4
CN6
POCL
+24V
LIGHT
L+24V
CN1
CN5
CN5 DVRI/F CN1
CN3
CN4SIDE
SUB COAX
MAIN
MAIN
SUB CX J0509
J0510
CN1
SUB COAX
CN1
SUB COAX
CN1
MAIN
CN1
MAIN
CN1
MAIN
CN1
MAIN
CN1
MAIN
CN1
MAIN
P073 P074P075 P076 P077 P078 P079 P080
DIGITAL MULTI CAMERA 2 ASSY(REAR)
MULTI CAM2 BRD.ASSY
MULTI CAM1 BRD.ASSY
J0049
M.LIGHT COAX. ASSY P072
MULTI CAM.SUB ASSY
M.LIGHT SUB CX. ASSYM.LIGHT MAIN ASSY
P092
P071
CAM3
J0507
CC.V4
7
MULTI CAMERA UNIT SEL.(OPTION)
YS12P

Confidential & Proprietary
PAGE
J0181
J0245
J0230
J0244
FRONT LCD (STANDARD)
FRONT OPERATION SWITCHES
A12
MOUSE
A10
KEYBOARD
J0254
FRONT OPERATION SWITCHES
FRONT LCD TOUCH PANEL(OPTION)
J0240
J0181
J0245
J0244
J0234
LCD 1
J0252 LCD1
LCD1
DC12V IN
VGA SERIAL
A12
MOUSE
A10
KEYBOARD
J0256
RS232C F
RS232C F
J0230 J0254
VGA F
LCD1
VGA
LCD 1
VGA F
VGA
KEY
MOUSE
CN18
See Page 4
I/O CONVEYOR -2-
CN18
See Page 4
I/O CONVEYOR -2-
EXT.PWR
VGA
KEY
MOUSE
SERIAL1
CONTROL BOX
See Page 2
EXT.PWR
CONTROL BOX
See Page 2
J0252J0234 LCD1
DC12V IN
FRONT OPERATION SWITCHES
J0181
LCD 1LCD 2
FRONT & REAR LCD TOUCH PANEL (OPTION)
KB R
MS R
J0237
J0239
J0253
J0255
J0257
KB1
MS1
J0254
J0252
J0256
J0236
J0238
CRT2
KB2
MS2
RS2
EX
CRT1
KB1
MS1
RS1
RS PC CRT PC KB/MS PC
SWITCHER BOARD ASSY
REAR OPERATION SWITCHES
EX
J0242
KB2
MS2
RS2 RS1 J0240
KB F
RS232C F
MS F
RS232C R
KEY
CRT PC
CRT2 CRT1
CN18
See Page 4
I/O CONVEYOR -2-
J0232
J0233
J0234,J0235
EXT.PWR
KEY
VGA
J0231
SERIAL1
CONTROL BOX
See Page 2
J0182
See Page 4
I/O CONVEYOR -2-
CN20
J0222
CN24
I/O CONVEYOR -3-
See Page 5
MOUSE
A12
MS F
LCD 1
FRONT & REAR LCD(OPTION)
A11
KEYBOARD
A13
MOUSE
MS2
KB2 KEYBOARD
A10
KB F
J0239
MS1
KB1 J0238
J0236J0237J0255
LCD 2
KB R
MS R
J0254
EX
FRONT OPERATION SWITCHESREAR OPERATION SWITCHES
MS2
RS2
EX
CRT1
KB1
MS1
RS1
SWITCHER BOARD ASSY
CRT2
KB2
RS PC CRT PC KB/MS PC
KEY
CRT2 CRT1
J0182
See Page 4
CN20
I/O CONVEYOR -2-
CRT PC
P31
P31
J0252J0253
J0222
J0181
CN18
See Page 4
I/O CONVEYOR -2-
J0232
J0233
VGA
KEY
I/O CONVEYOR -3-
See Page 5
CN24
EXT.PWR
J0234,J0235
LCD2
VGA
REAR SIDE
VGA R
DC12V IN
LCD1
VGA
FRONT SIDE
VGA F
DC12V IN
LCD1LCD2
REAR SIDE
KEYBOARD
A11
MOUSE
A13
LCD2
DC12V IN
SERIAL VGA
RS232C R
VGA R
LCD2
FRONT SIDE
A10
KEYBOARD
A12
MOUSE
LCD1
DC12V IN
VGA SERIAL
RS232C F
VGA F
LCD1
See Page 2
CONTROL BOX
CC.V4
8
OPERATION PANEL SEL.
YS12P