YS12_P_KKD_j - 第5页
Confidential & Proprietary P A G E READER BARCODE REAR READER BARCODE FRONT CAM1(H ALF) CAM2(F ULL) CAM3(H ALF) CAM4(F ULL) TRG1 TRG2 SRVA SRVB GOOD I/O SYM1 SYM2 CAM2 V1 TRG1 V1 TRG2 I/F SRVA I/F SRVB I/F GOOD IF1 I…

Confidential & Proprietary
PAGE
Safety Relay
EMERGENCY CIRCUIT
TERMINAL
3∼ 200V 0-375Hz
See Page 10
See Page 9
See Page 13
See Page 11
See Page 12
AC50/60Hz 11.6A(MAX)
2:2.36KW(TOTAL)
1:1.30KW(TOTAL)
FIX60
DC24V
DC24V
QF24 20A
QF21 10A
1.5KVA(with UPS)
1.0KVA(STD)
COMU
DC24V
DC48V
COMU
COMU
COMU
COMU
COMU
DC24V
DC24V
DC24V
See Page 3-5
CN1-CN14 …Page 3
CN17-CN20…Page 4
1∼ AC100V
DC24V
Power Supply
I/O CONVEYOR BOARD
CONTROL BOX
(OPTION)
BARCODE READER
USB MEMORY
Each Motors
OPERATION PANEL SEL.
See Page 8
See Page 7
MULTI CAMERA UNIT
See Page 2
IONIZER ASSY(OPTION)
FAN
VALVE
SENSOR
CONVEYOR MOTOR 30W
SIGNAL TOWER
COVER S/W
EMG S/W
F.FEEDER
3∼ AC230V
1∼ AC100V
KM12/KM12A
FAN
HEAD SENSOR,VALVE
Z,R SERVO MOTOR
I/O HEAD
See Page 6
GS31 600W 7A
1∼ AC230V DC48VDC48V
Contactor
Peak 15.5A 10sec
Power Supply
KM11/KM11A
DRIVER
CONVEYOR MOTOR
DRIVER
OUTPUT:
MOTOR:3∼ 230V
AC50/60Hz 4.0A(MAX)
CONTROL:1∼ 100V
INPUT:
KM10
CH1CH2K2 K1
POWER CIRCUIT
3∼3∼ 3∼ AC230V
1∼ AC100V
3∼ AC230V 3∼ AC230V 3∼ AC230V
DC24VDC24V
QF23 12A
QF25 4A
Contactor
NF11
TC11
Noise
Filter
Circuit
Protector
TM11 1.7KVA
Transformer
Transformer
POWER TRANSFORMER
XB11
QS11 25A QF11 20A
Main Breaker
Main Switch
Terminal
380/400/416V
200/208/220/240
3∼ 50/60Hz
CN21-CN44…Page 5
GS21 600W 27A
QF31 set5A
(4-6.3A)
Rating 3.6KVA MAX.
CC.V4
1
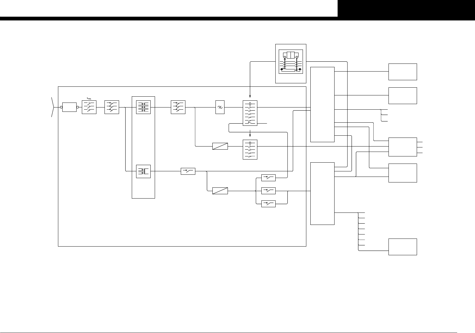
OVER VIEW
YS12P

Confidential & Proprietary
PAGE
READER
BARCODE
REAR
READER
BARCODE
FRONT
CAM1(HALF)
CAM2(FULL)
CAM3(HALF)
CAM4(FULL)
TRG1
TRG2
SRVA
SRVB
GOOD
I/O
SYM1
SYM2
CAM2
V1 TRG1
V1 TRG2
I/F SRVA
I/F SRVB
I/F GOOD
IF1 I/O
VGA
SERIAL1
SERIAL2
KEY
MOUSE
USB1
USB2
USB3
USB4
SERIAL1
KEY
MOUSE
USB4
OPERATION PANEL SEL
See Page 8
LAN
SRV2 GOOD
MO2
SRV2 CMN
PI2
SRV2 BRAKE
TRG1
TRG2
SRV CMN
ENC
BRAKE
GOOD
MO(Y1,Y2,PU1,W1)
(Y1,Y2,PU1,W1)
GOOD
TRG1
TRG2
MO
SRV CMN
ENC
BRAKE
(X1,SC,-,-)
(X1,SC,-,-)
X1M
X1P
SCM
SCP
X1M
X1P
M01
X-AXIS 750W
□86 MAX 5000rpm
DUCT Y
FLEXIBLE
SRV1 GOOD
MO1
SRV1 CMN
PI1
E.COM BOARD
VISION
INTERFACE
SYSTEM
SERVO2
SERVO1
HEAD SERVO UNIT
SC-AXIS MOTOR
See Page 6
J0143
J0127
J0145
J0133
AC100V
AC100V
AC230V
AC230V
EXT POWER
UPS
(OPTION)
POWER CIRCUIT
POWER CIRCUIT
BUZZER
J0119
AIR REGULATOR PANEL
HA01
WIN BUZZER
EXT.PWR
IT OPTION(OPTION)
PE
J0071
AC100V
AC230V
POWER CIRCUIT
CN27
See Page 5
I/O CONVEYOR BOARD
CN14 I/O CONVEYOR BOARD
See Page 3
M05
W1-AXIS 60W
□42 MAX 500rpm
M04
M02
M03
W1P
W1M
W1 BK
PU1P
PU1M
PU1 BK
Y1P
Y1M
Y2P
Y2M
E01
E02
W1P
Y2P
Y1P
PU1P
J0131
J0130
J0129
J0128
PU1-AXIS 200W
□54 MAX 1500rpm
Y1-AXIS 1KW
□86 MAX 5000rpm
Y2-AXIS 1KW
□86 MAX 5000rpm
ANC STATION(OPTION)
See Page 5
J0102
J0103
J0104
I/O A
I/O B
I/O C
I/O A
See Page 6
CAMERA SELECTOR
SRV1 TRG1
SRV1 TRG2
J0061
J0892
J0893
J0502
J0507
J0530
J0135
J0121
J0101
J0120
J0142
J0125
J0141
J0124
J0234,J0235
J0751
J0028
J0891
J0007
J0009
J0162
CN12
I/O CONVEYOR BOARD
See Page 3
SI04
SI03
SI02
SI01
A43
A44
J0531
USB4
USB MEMORY
BCR-R SYM
BCR-F SYM
See Page 7
(OPTION)
MULTI CAMERA UNIT SEL.
See Page 12
See Page 12
See Page 12
See Page 9
SS FEEDER F1&F2
SRVB1
SRVB2
I/O HEAD BOARD
See Page 6
LCD PWR
DC12V
CONTROL BOX ASSY A1
PCS/M
CABLE HOST(OPTION)
DC5V
+5V
DC5V
+5V
S/M
VGA
CC.V4
2
CONTROL BOX
YS12P

Confidential & Proprietary
PAGE
CN1
CN6
CN1 J0046
CN10
CN9
CN8
CN7
CN3
CN4
CN5
CN2
CN2
CN13
CN13 J0164
CONTROL BOX
POWER CIRCUIT
NF11
POWER CIRCUIT
3 5 6
ON
OFF
1 2
DIP SW(S1)
43 5 6
ON
OFF
1 2
DIP SW(S1)
4
J0226
KM10
CH2 CH1
K1K2
AC
DC
LOGIC
A1
A2
T11
T12
T22
T31
T32
A1
A2 0V24
T11 EMG0
T12 EMG22
T22 EMG22
T31
T32
13
23
33
13 +24V
23 +24V
33 +24V34
24
1414
24 +24E
34 +24B
S10
U52
V52
W52
A1 A2 0V24
U54
V54
W54
J0165
CN12
CN12 J0162
CN11
CN11 J0163
CUT COVER
DC24V IN
SPARE DI
NOZZLE SENSOR 4
NOZZLE SENSOR 3
NOZZLE SENSOR 2
NOZZLE SENSOR 1
MULTI CAM UP/LOW
NZL ST
TAPE CUT
CONTACTOR
SPARE
EMG1
EMG2
CUT COVER
TAPE CUTTER(OPTION)
J0227
OPEN/CLOSE
FRONT TAPE CUTTER
T0100080/T0100081
SQ103
FRONT TAPE CUTTER COVER SWITCH
YV045
F.CUTTER
R.CUTTER
4142
1121 T32B 1122 T32A
C/V MOTOR DRIVER
POWER CIRCUITPOWER CIRCUIT
GS21
1153 +24B
CONV+24V
1154+24C
CONV+24E
A2 0V24A1
1221 T32A 1222 T32
13
A1
53
73
83
21
63
1/L1
3/L2
5/L3
A2
14
2/T1
4/T2
6/T3
22
54
64
74
84
KM11/KM11A
1233 +24C 1234 SRV ON
CN14
CN14 J0102
INTERFACE BOARD
CONTROL BOX
See Page 2
I/O A
COM
I/O CONVEYOR BOARD ASSY P025
Y1ORG
HEAD
See Page 6
Y1OT
HEAD EMG
SRV2 GOOD
CONTROL BOX
See Page 2
SRV1 GOOD
I/F GOOD
COVERF COVER
EMGF1 EMG
EMGR1 EMG
J0168 FRONT COVER SW
SQ101
J0166
FRONT SIDE
J0167
REAR SIDE
R1 EMG SW
SB32
F1 EMG SW
SB31
R COVER COVER J0169 REAR COVER SW
SQ102
REAR COVER(OPTION)
J0178(STANDARD SPEC.)
F1 FDR EMG
FDR EMG
F2 FDR EMG
FDR EMG
R1 FDR EMG
FDR EMG
R2 FDR EMG
FDR EMG
J0174
J0175
J0176
J0177
See Page 12See Page 12
See Page 12See Page 12
GS21
QF23
QF24
POWER CIRCUIT
See Page 14
※In I/O CONVEYOR BOARD
since KJJ-M4580-031,
there is no DIP SW.
KM12/KM12A
A2
2/T1
4/T2
6/T3
22
A1
1/L1
3/L2
5/L3
21
33 34
4241
+48V
HEAD SERVO +48V
POWER CIRCUIT
See Page 12
GS31
POWER CIRCUIT
See Page 12
+48A
CC.V4
3
I/O CONVEYOR -1-
YS12P