YSM40R_2-Beam_PartList - 第56页
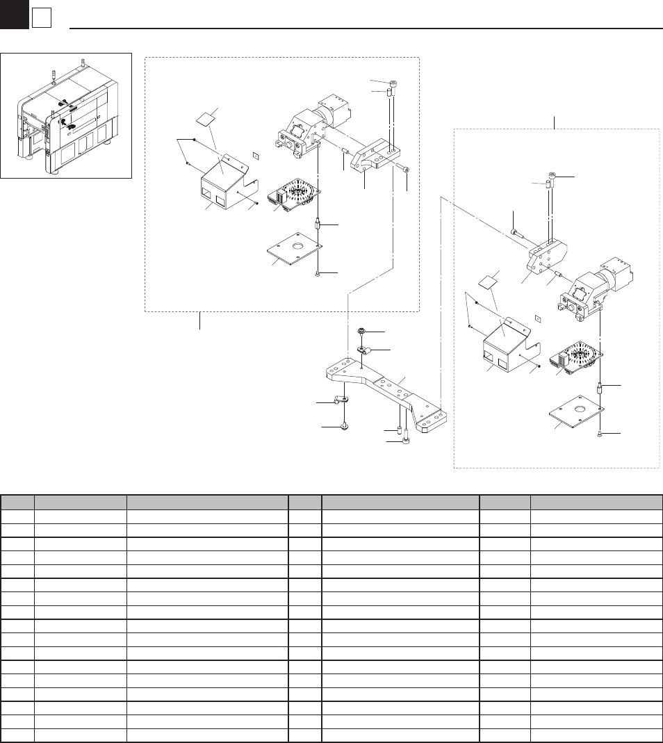
2 8 Fiducial Camera (2-beam) Camera KMB-100-1607 16 17 6 1 4 9 15 10 3 13 14 3 11 2 7 8 12 6 9 5 6 9 5 8 12 10 3 13 3 14 11 2 7 4 1 No. Part No. Part Name Q'ty Remarks Compati. Revision No.-date 1 $NK-3N NYLON CLIP …

1
8
Multi Camera & Light Assy
Camera
KMB-100-1607
No. Part No. Part Name Q'ty Remarks Compati. Revision No.-date
1 KLF-M73L0-00 MULTI LIGHT ASSY. 1 STD
2 KLF-M73L0-50 MULTI LIGHT ASSY. 1 Co-planarity
3 KLF-M735S-01 M.LIGHT BOARD SET 1
4 KLF-M7361-00 CASE,LIGHT 1
5 KLF-M7362-00 COVER,LIGHT 1
6 KLF-M7363-00 COVER,GLASS 1
7 KLF-M7368-00 COVER,LIGHT 2 1
8 90990-08J019 SCREW,M2X3 36
9 91312-03005 BOLT,HEX.SOCKET HEAD 12 M3X5
10 90990-32J005 BOLT,FLANGE 2
11 KLF-M7366-00 LSD 1
12 90990-08J019 SCREW,M2X3 4
13 90563-02J120 SPACER BOLT 2
14 KLF-M735A-00 M.LIGHT CPLA CX ASSY 1
15 90112-02J006 BOLT,HEX.SOCKET HEAD 2
16 KLF-M795E-00 DIFFUSER 1
17 KLF-M7981-00 S.V.LIGHT BRD.ASSY. 1
18
KLF-M73C0-000 MULTI CAM.ASSY. 1 ( 2 beam A-Table)
KLF-M73C0-A00 MULTI+SV CAM.ASSY. 1 ( 2 beam A-Table +SV)
KLF-M73C0-B00 MULTI+CO CAM.ASSY. 1 ( 2 beam A-Table +CO)
KLF-M73C0-C00 MULTI+SV+CO CAM.ASSY 1 ( 2 beam A-Table +SV+CO )
19
KLF-M73C0-000 MULTI CAM.ASSY. 1 ( 2 beam B-Table)
KLF-M73C3-A00 MULTI+SV CAM.ASSY. 1 ( 2 beam B-Table +SV)
KLF-M73C0-B00 MULTI+CO CAM.ASSY. 1 ( 2 beam B-Table +CO)
KLF-M73C3-C00 MULTI+SV+CO CAM.ASSY 1 ( 2 beam B-Table +SV+CO )
1
9
5
B
6
7
9
9
10
4
3
8
17
18,19
16
15
11
12
13
14
12
2
A

2
8
Fiducial Camera (2-beam)
Camera
KMB-100-1607
16
17
6
1
4
9
15
10
3
13
14
3
11
2
7
8
12
6
9
5
6
9
5
8
12
10
3
13
3
14
11
2
7
4
1
No. Part No. Part Name Q'ty Remarks Compati. Revision No.-date
1 $NK-3N NYLON CLIP 6
2 90563-03J100 SPACER 8
3 90990-08J020 SCREW, PAN HEAD 12
4 90990-11J003 SCREW, PAN HEAD W/W 6
5 91312-04016 BOLT HEX,SOCKET HEAD 10
6 91312-05016 BOLT HEX,SOCKET HEAD 6
7 98702-03006 SCREW,FLAT HEAD 8
8 99480-04010 PIN,PARALLEL 4
9 99480-05010 PIN,PARALLEL 6
10 90K41-001320 LABEL,CAUTION 2
11 KLF-M6461-00 FID.LIGHT BRD.ASSY 2
12 KLF-M76L1-01 STAY,CAMERA 2
13 KLF-M76L5-00 COVER,CAMERA 2
14 KLF-M76L6-00 DIFFUSER,MAIN 2
15 KLF-M76LA-00 STAY,2 CAMERA 1
16 KLF-M7650-10 W-FID.CAM.ASSY.L 1
17 KLF-M7650-20 W-FID.CAM.ASSY.R 1

1
9
Blow Station (Fix)
Blow Station
KMB-100-1607
24
10
16
12
23
5
17
20
13
15
6
18
7
21
3
22
14
21
24
8
4
26
2
24
17
11
27
9
26
1
25
28
1
25
28
19
No. Part No. Part Name Q'ty Remarks Compati. Revision No.-date
1 KLF-M9901-10 BASE,BLOW ST. 2
2 KLF-M9902-11 BRACKET,VALVE 1
3 KLF-M9903-10 BLOCK,BLOW ST. 1
4 KLF-M9905-10 PLATE,BLOW ST.1 1
5 KLF-M9906-A0 VALVE ASSY. 1
6 KLF-M9907-10 PLATE,BLOW ST.2 1
7 KMB-M9908-00 PLATE,BLOW ST.3 1
8 KLF-M9911-10 COVER,BLOW ST.1 1
9 KLF-M9924-10 COVER,BLOW ST.2 1
10 KLF-M9931-10 COVER,HNS.2 1
11 KGR-M9934-01 INLINE FILTER 1
12 K40-M8598-10 PLUG 1 1
13 $NK-2N NYLON CLIP 1
14 $PF PLUG 1
15 $TS6-01M JOINT 1
16 $TSH6-02 JOINT 1
17 $ULA6M JOINT 2
18 90112-02J006 BOLT,HEX.SOCKET HEAD 4
19 90112-02J008 BOLT,HEX.SOCKET HEAD 4
20 90990-11J003 SCREW,PAN HEAD W/W 1
21 91312-03010 BOLT,HEX.SOCKET HEAD 4 M3X10
22 91312-03014 BOLT,HEX.SOCKET HEAD 2 M3X14
23 91312-03020 BOLT,HEX.SOCKET HEAD 2 M3X20
24 91312-04006 BOLT,HEX.SOCKET HEAD 6 M4X6
25 91312-04025 BOLT,HEX.SOCKET HEAD 2 M4X25
26 91312-06045 BOLT,HEX.SOCKET HEAD 4 M6X45
27 98902-03006 SCREW, BINDING HEAD 10
28 99480-03010 PIN, PARALLEL 4