YG100R_KHW_j - 第36页

W iring parts list KHW -2010 P AGE 33 Condential & Proprietary No Part No. Part Name Q'ty Remarks No Part No. Part Name Q'ty Remarks 1 KGA-M55G0-106 LAN CABLE 10M 1 10M 39 KGS-M4899-402 LIGHT 1 ASSY 1 HL11…

100%1 / 41
PAGE
32
Condential & Proprietary
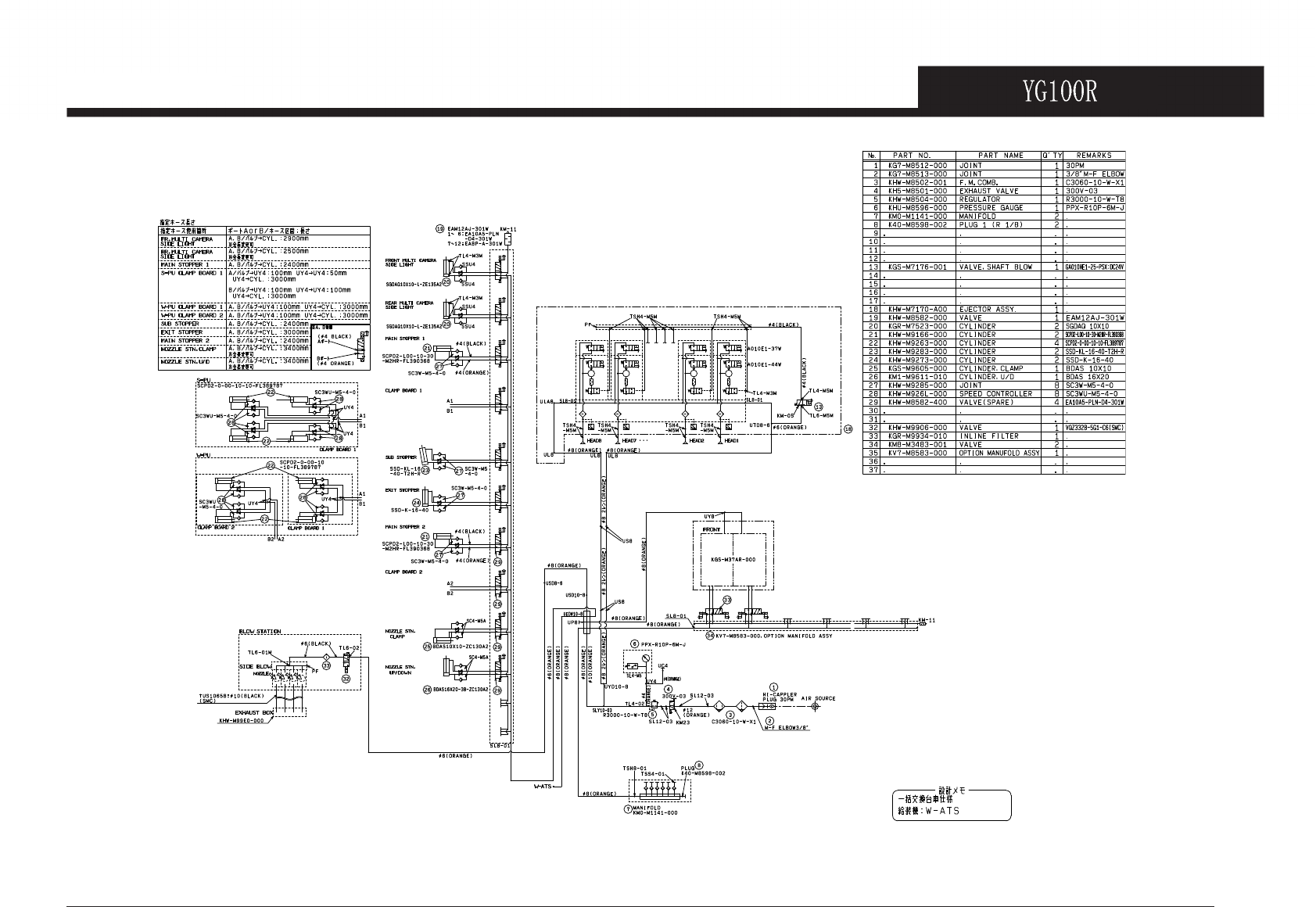
Air circuit
H010864
Wiring parts list
KHW-2010
PAGE
33
Condential & Proprietary
No Part No. Part Name Q'ty Remarks No Part No. Part Name Q'ty Remarks
1 KGA-M55G0-106 LAN CABLE 10M 1 10M 39 KGS-M4899-402 LIGHT 1 ASSY 1 HL11 2200MM
2 KGA-M66X3-021 HNS,RS232C-BCR-F 1 1500MM J876 40 KGS-M4899-502 LIGHT 1 ASSY 1 HL11 2300MM
3 KGA-M66X3-121 HNS,RS232C-BCR-R 1 2700MM J877 41 KGS-M4896-011 ERROR LIGHT ASSY 2 HL12,HL13
4 KGA-M55G0-406 LAN CABLE 30M 1 30M
42 KGS-M4897-011 LIGHT,ERROR 1 HL12,HL13
5 KGA-M55G0-006 LAN CABLE 5M 1 5M 43 KHW-M661A-002 HNS,QF-TM11 1 J0001
6 KW3-M5150-501 KEYBOARD J 2 A10(F),A11(R) 44 KHW-M661E-001 HNS,TM11-QF31 1 J0002
7 KW3-M5150-601 KEYBOARD E 2 A10(F),A11(R)
45 KHW-M661F-001 HNS,QF31-NF11 1 J0003
8 KW3-M5169-043 MOUSE 2 A12(F),A13(R) 46 KHW-M661G-000 HNS,NF11-KM10 1 J0004
9 KGK-M530H-001 USB FDD 1 A14 47 KHW-M661H-000 HNS,C/R POWER 1 J0005
10 KGS-M8302-100 IONIZER 1 A21,A22
48 KHW-M661J-001 HNS,TM11-QF32 1 J0006
11 KW3-M5150-501 KEYBOARD J 1 A31 49 KHW-M661K-000 HNS,QF32 XT31-GS31 1 J0007
12 KGA-M55B2-020 BCR,SYMBOL TYPE 5M 1 A43/A44
50 KHN-M661M-401 HNS,TAP CHANGE 1 10 J0010, J0019
13 KGS-M655E-000 SENSOR 1 CKD TOH/V
51 KHN-M661M-501 HNS,TAP CHANGE 2 1 J0020
14 KGA-M660E-200 HNS,CLI2 1 CLI 2 PLATE 52 KHW-M662A-001 HNS,TC11-QF21 XT21 1 J0021
15 KGA-M660E-300 HNS,CLI3 1 CLI 3 PLATE
53 KHW-M662E-000 HNS,QF21 XT21-GS21 1 J0023
16 KGA-M660E-400 HNS,CLI4 1 CLI 4 PLATE 54 KHW-M662F-001 HNS,TM11-TC11 1 J0027
17 KGA-M6522-202 SPARE RELAY 1 CONV. I/O BOARD KA1,3,4,6 55 KGA-M662H-032 HNS,EXT.POWER 1 J0028
18 KGA-M6522-020 SPARE RELAY SET 1 CONV. I/O BOARD KA8,9
56 KHW-M663A-000 HNS,I/F-DC24V 1 J0041
19 K87-M113B-000 CLANK ARM 1 CTF-A08-791-B 57 KHW-M663E-000 HNS,I/O POWER 1 J0042
20 K87-M113C-100 CLAMP PIN 1 CTF-A08-793-90 58 KGS-M663F-010 HNS,Y-FLEX HEAD PWR 1 J0043
21 KGN-M5810-407 DRIVER BOARD ASSY 1 DYTF 59 KHW-M663G-000 HNS,X-FLEX HEAD PWR 1 J0044
22 KK1-M6563-200 FERRITE CORE 1 E5 FDD 60 KHW-M663H-000 HNS,GS21 DC24V 1 J0045
23 KHW-M6185-001 FAN MOTOR ASSY 2 FAN1,FAN2 61 KHW-M663J-001 HNS,I/O CONV CN20 1 J0046
24 KW8-M6185-001 FAN MOTOR ASSY 1 FAN3 62 KHW-M663K-002 HNS,CONV PWR 1 J0047
25 KJ0-M4187-000 FAN GUARD 2 FAN3 63 KHW-M663M-000 HNS,LED DRIVER PWR 1 J0049
26 KGS-M4187-000 FAN GUARD 40MM 1 FAN5 64 KHW-M663R-100 HNS,CN46 +24V 1 J0051
27 KGS-M6186-030 FAN MOTOR ASSY 1 FAN5 65 KHW-M664A-010 HNS,GS31-KM XT31 1 J0052
28 KJ3-M6561-A00 POWER SUPPLY ASSY 1 GS11 66 KGS-M664E-030 HNS,KM-ZM DB 1 J0053
29 KJ3-M6561-310 POWER SUPPLY DC24V 1 GS11 67 KHW-M664G-000 HNS,KM11A-RESISTOR 1 J0054
30 KHW-M6561-A00 POWER SUPPLY 1 ASSY 1 GS21 68 KHW-M664F-010 HNS,KM +48V 1 J0055
31 KV7-M6561-010 POWER SUPPLY1 1 GS21 69 KHW-M665A-001 HNS,BRAKE 1 J0061
32 KHW-M6561-B00 POWER SUPPLY 1 ASSY 1 GS31 70 KHW-M665F-001 HNS,CONV. DRIVER 1 J0062
33 KGS-M6561-000 POWER SUPPLY 1 1 GS31 71 KHW-M665E-000 HNS,CONV. MOTOR 1 J0064
34 K85-M662E-000 HNS,LAMP DC24V 1 HL01 72 KHW-M665B-000 HNS,PU2 BRAKE 1 J0066
35 KGS-M4899-002 LIGHT 1 ASSY 1 HL11 1850MM 73 90K30-9PR080 HNS,EARTH 5 J0069,J0070,J0075,J0077
36 KGS-M4899-102 LIGHT 1 ASSY 1 HL11 1900MM 74 90K30-2KL070 HNS,EARTH 1 J0071
37 KGS-M4899-202 LIGHT 1 ASSY 1 HL11 2000MM 75 90K30-5PP180 HNS,EARTH 1 J0072
38 KGS-M4899-302 LIGHT 1 ASSY 1 HL11 2100MM 76 90K30-5PP130 HNS,EARTH 1 J0073
Wiring parts list
KHW-2010
PAGE
34
Condential & Proprietary
No Part No. Part Name Q'ty Remarks No Part No. Part Name Q'ty Remarks
77 90K30-2PR020 HNS,EARTH 1 J0078 115 KHW-M66G6-100 HNS,ORG 1 J0186
78 90K30-2PP060 HNS,EARTH 1 J0080 116 KHW-M66G8-000 HNS,OT 1 J0188
79 90K30-4PP090 HNS,EARTH 1 J0081 117 KHW-M66G9-000 HNS,FEEDER FLOAT 1 J0189
80 90K30-2PP015 HNS,EARTH 8 J0082-J0084,J0086-J0088,J0096,J0098
118 KHW-M66GA-000 HNS,Y-FLEX YORG OT 1 J0190
81 KM0-M536A-010 HNS,PE 70 2 J0089,J0090 119 KHW-M66GE-002 HNS,CONV.SENSOR 1 J0191
82 90K30-2RR030 HNS,EARTH 2 J0091,J0092 120 KHW-M66GF-001 HNS,FAN LDC DI 1 J0192
83 90K30-2PP015 HNS,EARTH 1 J0099
121 KHW-M66GG-001 HNS,DUMP/AIR 1 J0193
84 KGS-M668A-001 HNS,I/O A 1 J0101 122 KHW-M66GH-001 HNS,NOZZLE ST. 1 1 J0194
85 KGS-M668E-000 HNS,I/O B 1 J0102 123 KHW-M66GJ-001 HNS,NOZZLE ST. 2 1 J0195
86 KHW-M668F-000 HNS,CN16 I/O 1 J0103
124 KHW-M66GK-001 HNS,NOZZLE ST. 3 1 J0196
87 KGS-M668G-003 HNS,Y-FLEX I/O A 1 J0104 125 KHW-M66GL-001 HNS,NOZZLE ST. 4 1 J0197
88 KHW-M668H-000 HNS,X-FLEX I/O A 1 J0105
126 KW3-M66GW-005 HNS,NEXT INTERFACE 1 J0198
89 KGK-M6680-201 HNS,USB-MEMORY 2M AS 2 J0111,J0112
127 KW3-M66GX-005 HNS,PRE.INTERFACE 1 J0199
90 KHW-M66A1-001 HNS,SRVA 1 J0121 128 KGA-M669V-041 HNS,SWITCH ACTIVE 1 J0207
91 KGS-M66A2-002 HNS,Y-FLEX SRVA 1 J0122
129 KGA-M669V-242 HNS,SWITCH START 1 J0208
92 KHW-M66A3-001 HNS,SRVA X-FLEX 1 J0123 130 KGA-M669V-322 HNS,SWITCH STOP 1 J0209
93 KGS-M66A4-003 HNS,PI1 1 J0124 131 KGA-M669V-422 HNS,SWITCH ERR.CLR. 1 J0210
94 KGS-M66A5-001 HNS,PI2 1 J0125
132 KGA-M669V-141 HNS,SWITCH READY 1 J0211
95 KHW-M66A6-001 HNS,BASE X1P 1 J0126 133 KGA-M669V-541 HNS,SWITCH RESET 1 J0212
96 KGS-M66A7-000 HNS,Y-FLEX X1P 1 J0127 134 KGA-M669V-041 HNS,SWITCH ACTIVE 1 J0213
97 KHW-M66A8-001 HNS,BASE W1P 1 J0128 135 KGA-M669V-242 HNS,SWITCH START 1 J0214
98 KHW-M66A9-001 HNS,BASE PUP 1 J0129 136 KGA-M669V-322 HNS,SWITCH STOP 1 J0215
99 KHW-M66AA-002 HNS,BASE Y1P 1 J0130 137 KGA-M669V-422 HNS,SWITCH ERR.CLR. 1 J0216
100 KHW-M66AE-002 HNS,BASE Y2P 1 J0131 138 KGA-M669V-141 HNS,SWITCH READY 1 J0217
101 KHW-M66A9-001 HNS,BASE PUP 1 J0132 139 KGA-M669V-541 HNS,SWITCH RESET 1 J0218
102 KHW-M66E1-000 HNS,MO1 1 J0141 140 KGT-M66G4-011 HNS,SIG.TOWER 1 J0221
103 KHW-M66E2-000 HNS,MO2 1 J0142 141 KHW-M66H2-000 HNS,VALVE 1 J0222
104 KHW-M66E3-001 HNS,Y-FLEX X1M 1 J0143 142 KHW-M66H3-000 HNS,AMF 1 J0225
105 KHW-M66E4-000 HNS,BASE PU2M 1 J0144 143 KHW-M66H4-000 HNS,CN9 DO 1 J0226
106 KHW-M66F1-000 HNS,AREA 1 J0161 144 KW3-M668J-020 HNS,TOUCH PANEL ASSY 1 J0231
107 KHW-M66F2-000 HNS,CN22 XOT 1 J0162 145 KU8-M66F5-204 HNS,VGA 2M 1 J0232
108 KHW-M66F3-001 HNS,EMG 1 J0163 146 KGK-M6640-100 HNS,KEY/MOUSE ASSY 1 J0233
109 KHW-M66F4-000 HNS,CONTACTOR 1 J0164 147 KHW-M662H-001 HNS,LCD POWER 1 1 J0234
110 KHW-M66F5-000 HNS,KM10-KM11 1 J0165 148 KHW-M662H-001 HNS,LCD POWER 1 2 J0234,J0235
111 KGA-M667J-003 HNS,EMG SW 2 J0166,J0167 149 KU8-M66F5-304 HNS,VGA 3M 1 J0236
112 KHW-M66G1-000 HNS,F.OPE.PANEL 1 J0181 150 KU8-M66F5-504 HNS,VGA 5M 1 J0237
113 KGT-M66G1-101 HNS,R.OPE.PANEL 1 J0182 151 KGA-M6640-A02 HNS,SWITCHER IN1 ASS 1 J0238
114 KHW-M66G5-000 HNS,SMEMA 1 J0185 152 KGA-M6640-B02 HNS,SWITCHER IN2 ASS 1 J0239