YG100R_KHW_j - 第11页
Confidential & P roprietary P A G E NOTE1:The Harness is attachm ent for System board. FRONT & RE AR LCD T OUCH PANE L (OPTIO N) REAR SIDE FRONT SIDE FRONT & REA R LCD NO N TOUCH P ANEL(OPT ION) VGA AC100V IN…

Confidential & Proprietary
PAGE
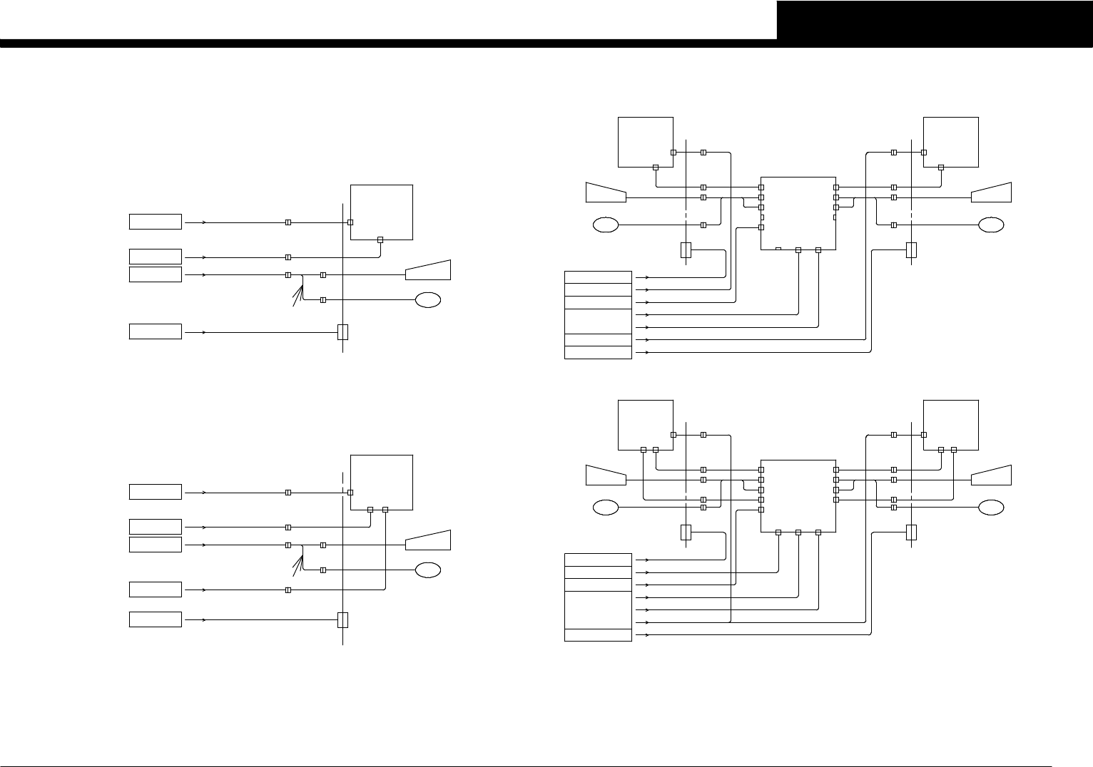
DIGITAL MALTI CAMERA 1 ASSY
See Page 2
CONTROL BOX
See Page 5
LED DRIVER POWER
I/O CONVEYOR BOARD CN45
DIGITAL MALTI CAMERA 3
D-CAM3
OPTION
DIGITAL MALTI CAMERA 2 ASSY
D-CAM3
3D CO-PLANARITY CAMERA
3D CO-PLANARITY CHECKER
CN7
L.CTL1
CN33
CN45
I/O CONVEYOR BOARD
LED DRIVER POWER
See Page 5
LDC2 UPPER/LOWER
I/O CONVEYOR BOARD
See Page 4
DIGITAL MALTI CAMERA 2
D-CAM2
CONTROL BOX
See Page 2
CN33
L.CTL1
CONTROL BOX
LIGHT CONTROL
See Page 2
CN45
I/O CONVEYOR BOARD
LED DRIVER POWER
See Page 5
LDC1 UPPER/LOWER
I/O CONVEYOR BOARD
See Page 4
DIGITAL MALTI CAMERA 1
D-CAM1
CONTROL BOX
See Page 2
CN6
L.CTL1
CN1CN1
L+24V
1 2 3
24VIN
ON
RS485OUTRS485IN
KV1 LED_DRIVER BOARD ASSY
L.CTL1 CN7
CN1CN1
CN6
SQ703
SQ704
SQ701
SQ702
CN7
L.CTL1
CN1
CN6L.CTL1
24VIN
ON
RS485OUTRS485IN
KV1 LED_DRIVER BOARD ASSY
1 2 31 2 3
24VIN
ON
RS485OUTRS485IN
KV1 LED_DRIVER BOARD ASSY
DIGITAL MULTI CAMERA 2
D-CAM2D-CAM1
DIGITAL MULTI CAMERA 1
N08C71
LDC1 LOWER
N08C70
LDC1 UPPER LDC2 UPPER
LDC2 LOWER
N08C72
N08C73
L+24VL+24V
J0506
J0049
J0192
J0503
J0507
J0508
J0509
J0518
J0510
J0049
J0192
J0504
J0511
J0512
J0513
J0518
J0517J0515
J0516J0049
J0505
CAPTURE1 D_CAM1 LIGHT
CAPTURE1 D_CAM1 LIGHT
CAPTURE1 D_CAM2 LIGHT
CAPTURE1 D_CAM2 LIGHT
UPEND
LOWEND
UPEND
LOWEND
KV1-M6474-0XX P083
KV1-M6474-0XX P081 KV1-M6474-0XX P082
V1
7
CAMERA UNIT SEL.
YG100R

Confidential & Proprietary
PAGE
NOTE1:The Harness is attachment for System board.
FRONT & REAR LCD TOUCH PANEL (OPTION)
REAR SIDE FRONT SIDE
FRONT & REAR LCD NON TOUCH PANEL(OPTION)
VGA
AC100V IN
See Page 2
See Page 3
See Page 2
See Page 2
See Page 2
FRONT OPERATION SWITCHES
FRONT LCD TOUCH PANEL(OPTION)
NOTE1
See Page 3
See Page 2
See Page 2
FRONT OPERATION SWITCHES
QF22,XT21(AC100V)
NOTE1
FRONT LCD NON TOUCH PANEL(STANDARD)
LCD2
DC12V IN
SERIAL VGA VGA
LCD1
DC12V IN
SERIAL
LCD1
LCD1
DC12V IN
SERIALVGA
VGA
AC100V IN
LCD1
FRONT SIDE
LCD2
REAR SIDE
LCD1
VGA
AC100V IN
MOUSE
A13
MOUSE
A13
KEYBOARD
A11
KEYBOARD
A11
MOUSE
A12
KEYBOARD
A10
A12
MOUSE
A10
KEYBOARD
MOUSE
A12
MOUSE
A12
KEYBOARD
A10
KEYBOARD
A10
See Page 26
J0024
J0236
J0245
J0181
J0234
J0236
J0245
J0240
J0181
J0182
J0231
J0222
J0232
J0233
J0234,J0235
J0181
J0237
J0239 J0238
J0240
J0239 J0238
J0182
J0025
J0222
J0232
J0233
J0024
J0181
FRONT OPERATION SWITCHESREAR OPERATION SWITCHES
REAR OPERATION SWITCHES FRONT OPERATION SWITCHES
CRT2
KB2
MS2
RS2
EX
RS PC CRT PC
CRT1
KB1
MS1
RS1
KB/MS PC
SWITCHER BOARD ASSY
P031
CRT2
KB2
MS2
RS2
EX
RS PC CRT PC
CRT1
KB1
MS1
RS1
KB/MS PC
SWITCHER BOARD ASSY
P031
J0250
J0254
J0252
J0254
J0256
J0237
J0251
J0255 J0236
J0250
J0254
J0255 J0254J0236
J0242J0257 J0256
J0252J0253
KGA-M4472-0XX
KGA-M4472-0XX
See Page 2
See Page 2
See Page 3
See Page 3
See Page 3
I/O CONVEYOR BOARD
CONTROL BOX
I/O CONVEYOR BOARD
I/O CONVEYOR BOARD
CONTROL BOX
CN8
CN10
VGA
MS/KEY
CN7
EXT.PWR
SERIAL1
See Page 3
See Page 3
QF22.XT21(AC100V)
QF22.XT21(AC100V)
See Page 3
I/O CONVEYOR BOARD
I/O CONVEYOR BOARD
I/O CONVEYOR BOARD
CN8
CN10
VGA
CN7
MS/KEY
See Page 2
CONTROL BOX
See Page 26
CONTROL BOX
CONTROL BOX
CONTROL BOX
CONTROL BOX
I/O CONVEYOR
CONTROL BOX
CONTROL BOX
I/O CONVEYOR
VGA
VGA
CN7
CN7
MS/KEY
MS/KEY
SERIAL1
EXT.PWR
See Page 26
V1
8
OPERATION PANEL SEL.
YG100R

Confidential & Proprietary
PAGE
FIX24 FRONT-2 FEEDER
R1
F2
+24V+24V+24V +24V+24V+24V
VALVES VALVES
17 9 1 17 9 1
FIX24 REAR-1 FEEDERFIX24 REAR-2 FEEDER
+24V +24V +24V+24V +24V +24V
VALVES
1 9 17
FIX24 FRONT-1 FEEDER
DUMP1
DUMP4
DUMP2
DUMP3
N08C80 N08C81
N08C82N08C83
20 1234567891011121314151617181921
204 5 6 7 82 3 9 10 11 12 13 14 15 16 17 18 191
1791
20 19
R2
12345678910111213141516171821
F1
4 5 6 7 82 3 9 10 11 12 13 14 15 16 17 18 19 201
YV201YV208YV209YV216YV217YV224
YV101 YV108 YV109 YV116 YV117 YV124
YV251YV258YV259YV266YV267YV274
YV151 YV158 YV159 YV166 YV167 YV174
VALVES
R1R2
F2F1
222324
21 22 23 24
222324
21 22 23 24
CN34
CN4
CN2
CN3
CN1
CN5
J0701
J0702
J0703
J0704
J0705
J0193
I/O CONVEYOR BOARD
DI/DO
See Page 3,4
V1
9
FIX24 FEEDER STRUCTURE
YG100R