YG100R_KHW_j - 第31页
P AGE 28 Condential & Proprietary Air circuit H010864

Confidential & Proprietary
PAGE
S10
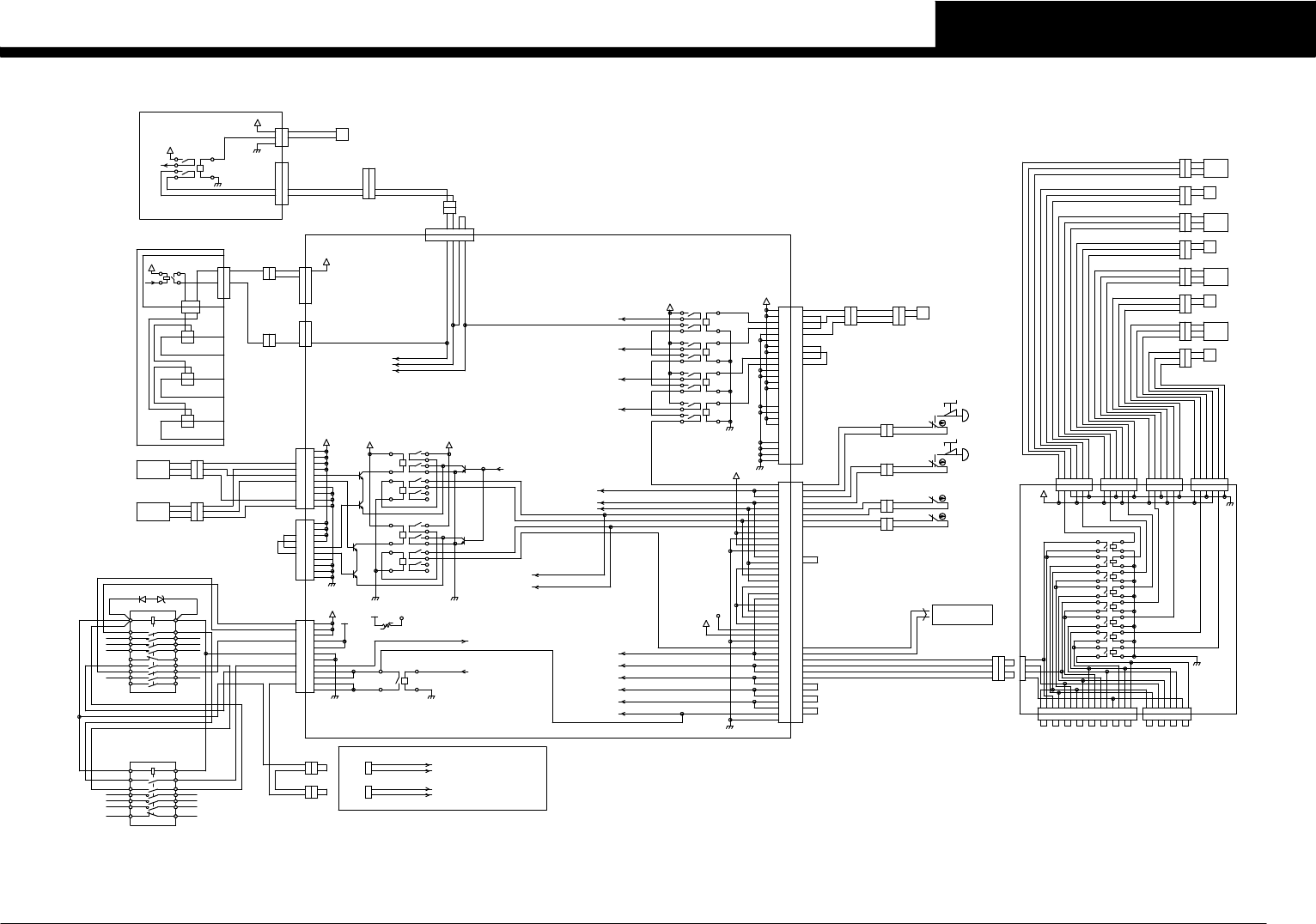
INTERCONNECTION DIAGRAM
1
2
1
2
DOOR SAFE 1
DOOR SAFE 2
2
1
2
1
Y1OT Y1OT
33
2
1
2
1
Y1OT
33
2
1
2
1
* NONSTOP/NORMAL
1
2
3
CART/UPPER
R2
SQ224/SQ208
1
2
3
AREA/FORWARD
R2
SQ214B
/SQ207
1
2
3
CART/UPPER
R1
SQ223/SQ206
1
2
3
AREA/FORWARD
R1
SQ213B
/SQ205
F2
1
2
3
CART/UPPER
SQ222/SQ204
1
2
3
AREA/FORWARD
F2
SQ212B
/SQ203
3
2
2
1
3
1
AREA/FORWARD
CART/UPPER
F1
F1
SQ211B
/SQ201
SQ221/SQ202
3
2
1
3
2
1
3
2
1
3
2
1
3
2
1
3
2
1
3
2
1
3
2
1
1 2 3 4 651 2 3 4 65 1 2 3 4 65 1 2 3 4 65
KA8
KA7
KA6
KA5
KA4
KA3
KA2
KA1
NONSTOP (*Note1) NORMAL (*Note2)
CN5
654321
CN3
654321
CN2
+24V
654321
CN6
654321
CN10CN9
87
875 64321
6543219 16151413121110
161514131211109
87
875 64321
654321
CN8
4
3
2
1
A1
B1
A2
B2
A3
B3
A4
B4
A5
B5
A6
B6
A7
B7
A8
B8
A9
B9
A10
B10
A11
B11
A12
B12
A13
B13
A17
B17
A18
B18
A19
B19
A20
B20
A14
B14
A15
B15
B16
A16
A1
B1
A2
B2
A3
B3
A4
B4
A5
B5
A6
B6
A7
B7
A8
B8
A9
B9
A10
B10
A11
B11
A12
B12
A13
B13
12
11
10
9
8
7
6
5
4
3
2
1
A1
B1
A2
B2
A3
B3
A4
B4
A5
B5
A6
B6
A7
B7
A8
B8
A9
B9
A10
B10
A11
B11
A12
B12
A13
B13
A1
B1
A2
B2
A3
B3
A4
B4
A5
B5
A6
B6
A7
B7
A8
B8
A9
B9
A10
B10
A11
B11
A12
B12
A13
B13
A17
B17
A18
B18
A19
B19
A20
B20
A14
B14
A15
B15
B16
A16
EMG3
EMG4
EMG5
EMG6
EMG7
EMG8
EMG9
EMG10
EMG11
EMG12
EMG13
E12A
E11A
E13A
EMG15
EMG16
EMG17
EMG18
EMG19
EMG20
EMG14
CN41
CN42
+24VK
+24VI
KA11
KA2
KA5
KA7
KA10
+24VK
+24VJ
+24EA
+24E
+24VJ
CN52
EMG20
EMG21
9
8
7
6
5
4
3
2
1
12
11
10
I/O CONVEYOR BOARD ASSY
SPARE
SPARE
SPARE
N08C13
N08C12
N08C11
N08C10
Y1OT
SPARE
N08CE5
REAR EMG SW
N08CE4
FRONT EMG SW
N08CE3
FES EMG5
FES EMG4
FES EMG3
FES EMG2
FES EMG1
N08CF5
N08CF4
N08CF3
N08CF2
N08CF1
N08CF0
TF EMG
N08C86
SERVO ON
T08164
READY OUT
Note2 : For use in nomal feeder cariage
Note1 : For use in nonstop feeder cariage
FES CN8
4
3
2
1
4
3
2
1
DOOR SAFE 1
DOOR SAFE 2
2
1
2
1
INTERCONNECTION DIAGRAM
(OPTION)
It is a circuit to make re-servo_on impossibility when magazine-door opens.
+24V
EMG20
EMG20A
EMG21
33
13
A1
EMG21
N08C86SRV ON
EMG2134
14
A2
1/L1
3/L2
5/L3
2/T1
4/T2
6/T3
INTERCONNECTION DIAGRAM
KM11/KM11A
41 42+48VC +48VD
+48V
+48VA
+48VB
+48VA
+48VB
+48VC
+24V
KM10/KM10A
13 14
A1 A2
53 54
73 74
83 84
21 22
63 64
1/L1
3/L2
5/L3
2/T1
4/T2
6/T3
U52
V52
W52
1
2
R EMG
1
2
F EMG
2
1
2
1
1
2
R COVER
1
2
F COVER
2
1
2
1
REAR EMG SW
SB32
FRONT EMG SW
SB31
SQ102
SQ101
REAR COVER SW
FRONT COVER SW
CONV+24V
+24E
EMG20A
U54
V54
W54
CONV+24E
0V24
0V24
+24B
+24B
(OPTION)
FES BOARD ASSY
P051
P025
N00181
+24V
K1
CN5
7
6
2
1
44
33
22
I/O A
11
3
4
5
7
6
5
4
3
2
1
I/O HEAD BOARD ASSY
+24V
CN1
3
2
1
3
2
1
X1OT
SQ302
P021
HEAD EMG
21
21
1 2 3 4 65 7 8
1 2 3 4 5 6 7 8
EMG2
CN22
REAR COVER SW
FRONT COVER SW
N08CE7
N08CE6
2.5A
+24EA+24E
SQ112B
SQ111B
1
2
3
1
2
3
1
2
3
1
2
3
FRONT AREA SENSOR
REAR AREA SENSOR
F AREA
R AREA
INTERFACE
GOOD
1
2
3
4
5
1 2 3
1 2 3
SERVO 3
1 2
1 2
SERVO 2
1 2
1 2
1 2
1 2
I/OA
A1
SERVO 1
2
1
2
1
GOOD
2
1
E+24V
5
4
2
1
3
2
1
1
2
3
4
1
2
3
4
5
6
B5
A5
B4
A4
B3
A3
B2
A2
B1
A1
1
2
3
4
5
6
1
2
3
4
EMG1
CN16
CN51
+24VC
CONTROL BOX ASSY
N08CE2
N08CE1
N08CE0
YOT
XOT
CONT.GOOD
A1
B1
A2
B2
A3
B3
A4
B4
A5
B5
A1
B1
A2
B2
A3
B3
A4
B4
A5
B5
A1
B1
A2
B2
A3
B3
A4
B4
A5
B5
CN43
+24VD
CN53
KA9
KA10
KA11
KA12
SERVO ON
+24VK+24VK
5 5
SQ005
CART/UP
AREA/FWD
CART/UP
AREA/FWD
CART/UP
AREA/FWD
CART/UP
AREA/FWD
dYTF COVER SW
See dYTF
sATS COVER SW
See sATS
dYTF,sATS
dYTF,sATS EMG
See dYTF,sATS
V1
27
EMERGENCY CIRCUIT
YG100R

PAGE
28
Condential & Proprietary
Air circuit
H010864

PAGE
29
Condential & Proprietary
Air circuit
H010864