YG100R_KHW_j - 第32页
P AGE 29 Condential & Proprietary Air circuit H010864

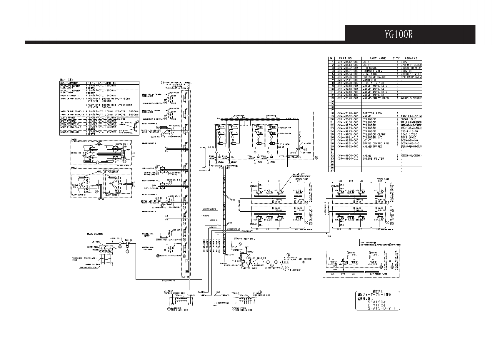
PAGE
28
Condential & Proprietary
Air circuit
H010864

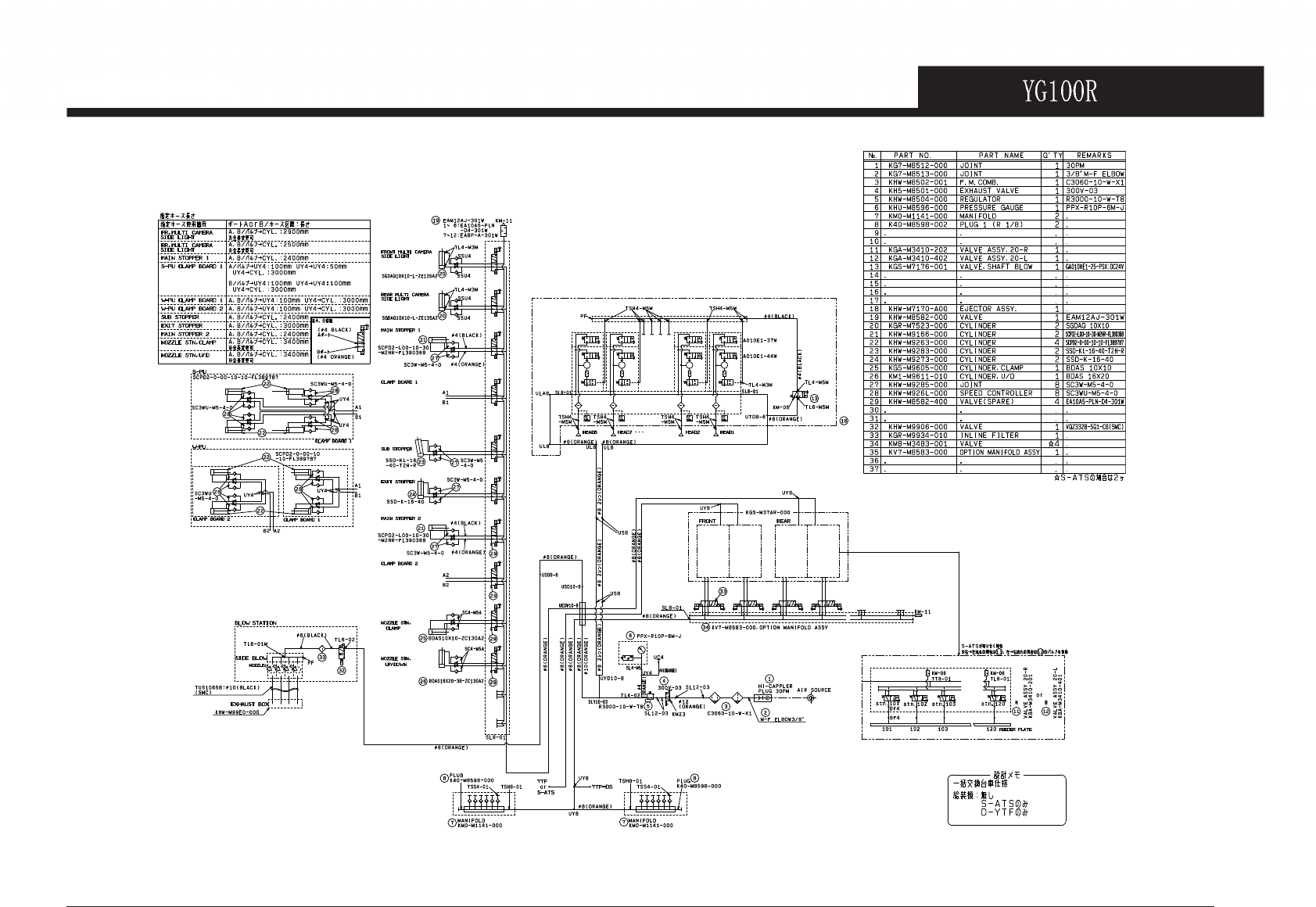
PAGE
29
Condential & Proprietary
Air circuit
H010864

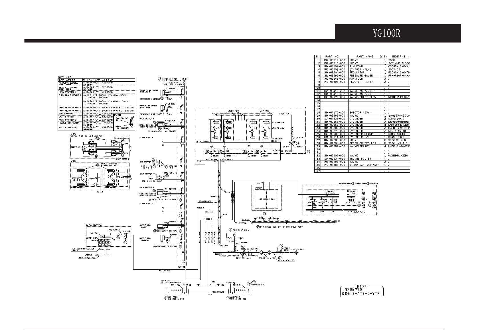
PAGE
30
Condential & Proprietary
Air circuit
H010864
P AGE 29 Condential & Proprietary Air circuit H010864


