YG100R_KHW_j - 第33页
P AGE 30 Condential & Proprietary Air circuit H010864

PAGE
29
Condential & Proprietary
Air circuit
H010864

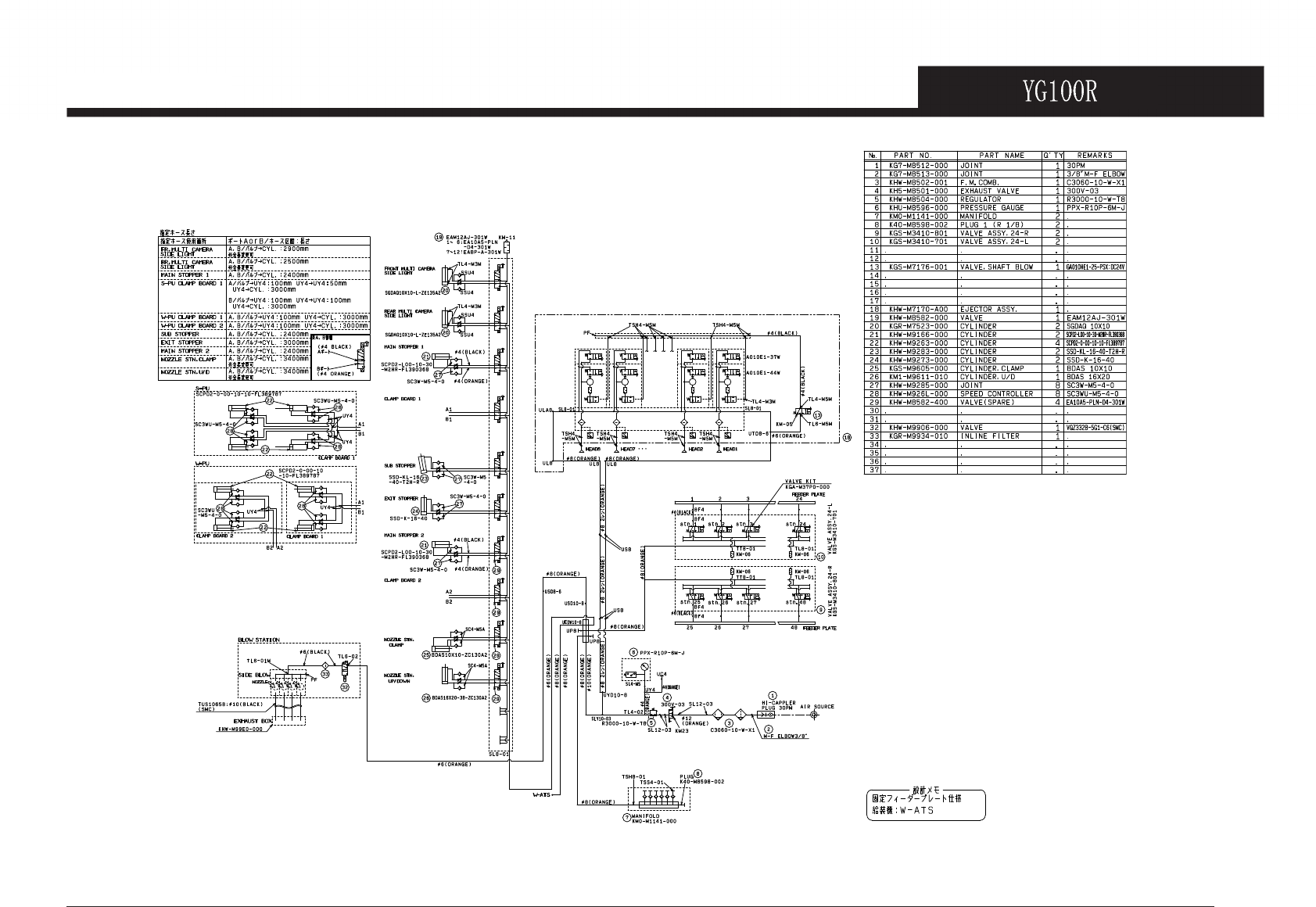
PAGE
30
Condential & Proprietary
Air circuit
H010864

PAGE
31
Condential & Proprietary
Air circuit
H010864
P AGE 30 Condential & Proprietary Air circuit H010864


