YG100R_KHW_j - 第8页
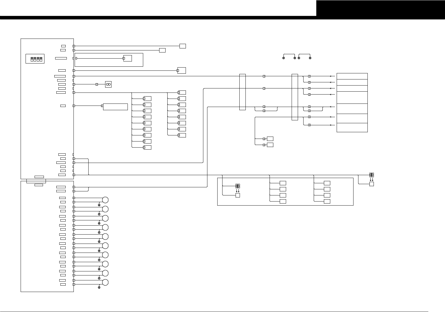
Confidential & P roprietary P A G E INTERC ONNEC TION DIAGRAM FES BO ARD E MG FES20 & 24 SAFET Y CIRCUI T See Pa ge 12 -17 FRONT SIDE REAR SIDE F LAMP R LAMP COVER LAMP COVER LAMP EMG EMG EMG CN4 1 R COVER R EMG …

Confidential & Proprietary
PAGE
CN28
CN28DI0
PU1ORG
N08C02
PU2ORG
W1ORG
N08C04
N08C03
See Page 6
I/O HEAD
CN29
CN29DI2
CN30DI3
CN30
SAFETY CIRCUIT
FES20 & FES24
CART DETECT DI(NONSTOP)
See Page 12 - 14
N08C20
N08C21
N08C24
N08C25
F1 FLOAT
F2 FLOAT
R1 FLOAT
R2 FLOAT
FLOAT F+24V
FLOAT
FLOAT F+24V
FLOAT
FLOAT F+24V
FLOAT
FLOAT F+24V
FLOAT
FEEDER FLOAT SENSOR(OPTION)
CN32
CN31
CN32DI6
CN31DI5
CAMRA UNIT SEL.
LDC UPPER/LOWER
See Page 7
TUNING
P
SP11
SENSOR
AIR PRESSURE
BLOW ST./NZL DET.
See Page 9-11
DUMP STATION
FEEDER STRUCTURE
See Page 12 - 17
SAFETY CIRCUIT
CLAMP SW DI
FES20 & FES24
N08C50
ENT
N08C51/T08186(TUNING)
N08C52/T08186(TUNING)
N08C53/T08186(TUNING)
N08C54/T08186(TUNING)
WORK OUT2
N08C55/T08186(TUNING)
MAIN ST1
N08C56
N08C63
ANC CLOSE
N08C62
ANC OPEN
N08C65
N08C64
ANC LOWER
ANC UPPER
UPPER
LOWER
MAIN ST2
N08C57
N08C61
EXIT
N08C60
SUB ST
EXIT
DIAGRAM
CN37
CN38
CN39
CN40
DI17 CN40
DI16 CN39
CN38DI13
CN37DI12
N08CC4-N08CC7
NOZZLE2
N08CC0-N08CC3
NOZZLE1
N08CD4-N08CD7
N08CD0-N08CD3
NOZZLE4
NOZZLE3
NOZZLE6
NOZZLE5
N08D04-N08D07
N08D00-N08D03
N08D14-N08D17
N08D10-N08D13
NOZZLE8
NOZZLE7
5-8
1-4
NOZZLE
NOZZLE
13-16
9-12
NOZZLE
NOZZLE
21-24
17-20
NOZZLE
NOZZLE
29-32
25-28
NOZZLE
NOZZLE
NOZZLE STATION(OPTION)
J0186
J0189
J0786
J0191
J0222
J0194
J0195
J0196
J0197
J0200
J0201
J0202
J0203
PU-AXIS 1 ORIGIN
PU-AXIS 2 ORIGIN
W1-AXIS ORIGIN
W-PU(OPTION)
ENTRANCE
STAGE-1 PCB
STAGE-2 PCB
CONVEYOR
W-PU(OPTION)
STAGE-2 MAIN STOPPER
HIGH END
W-PU(OPTION)
HIGH END
NOZZLE STATION1
NOZZLE STATION1
NOZZLE STATION1
NOZZLE STATION1
CN33
CN33DI7
CN34
CN34DI8
CN36R.NONSTOP
CN35F.NONSTOP
CN36
CN35
J0192
J0193
J0771
J0772
J0798
J0799
BLOW STN
SENSOR
N08C87
N08C84
AIR PRESS
I/O CONVEYOR BOARD ASSY
DS1,2 LOWER
P025
FAN MOTOR
See Page 5
SQ002
SQ003
SQ004
SQ051A
SQ051B
SQ052A
SQ052B
SQ053A
SQ053B
SQ054A
SQ054B
SQ031
SQ032
SQ033
SQ034
SQ035
SQ036
SQ037
SQ038
SQ039
SQ040
SQ061
SQ062
SQ063
SQ064
SQ071
SQ072
SQ073
SQ074
SQ075
SQ076
SQ077
SQ078
SQ083A
SQ083B
I/O CONVEYOR BOARD
See Page 3
CN12
KGT-M4580-0XX
FIX24 & FES20 & FES24
dYTF STATION LOWER SENSOR
See dYTF INTERCONNECTION
W-PU(OPTION)
WAITING
POSITION
MOUNT POSITION
MOUNT POSITION
WORK OUT1
WORK OUT1
WORK OUT2
SUB STOPPER
CONVEYOR
OPEN
CLOSE
FEEDER FLOAT
FEEDER FLOAT
FEEDER FLOAT
FEEDER FLOAT
WAIT POS.
MNT POS.1
MNT POS.2
Y1ORG
F1
F2
R1
R2
STAGE-1 MAIN STOPPER
HIGH END
V1
4
I/O CONVEYOR -2-
YG100R

Confidential & Proprietary
PAGE
INTERCONNECTION DIAGRAM
FES BOARD EMG
FES20 & 24 SAFETY CIRCUIT
See Page 12-17
FRONT SIDE
REAR SIDE
F LAMP
R LAMP
COVER
LAMP
COVER
LAMP
EMG
EMG
EMG CN41
R COVER
R EMG
F COVER
F EMGCN41
COVER SWITCH
COVER SWITCH
CN42
CN42YOT
CN43
CN43
L AREA
CAMERA UNIT SEL.
See Page 7
LED DRIVER POWER
DC24VE CN45
CN45
DC24EA CN44
DC24VD
DC24VN
CN46
CN47
CN46
DC24VH CN49
CN49
EL21
Maintenance Fluorescent Light(OPTION)
LAMP
CN52
CONTACTOR CN52
POWER CIRCUIT
GS21
A1
13
+48V
+48VA
+48VB
331133 EMG20A
1063 +24V
11A1 EMG21
C/V MOTOR DRIVER
POWER CIRCUIT
A2
14
+48VA
+48VB
+48VC
34 1134 EMG21
1064 +24E
1114 SRV ON
1/L1
3/L2
5/L3
2/T1
4/T2
6/T3
73 74
83 84
63 64
KM10/KM10A
See Page 26See Page 26
R AREA CN53
REAR EMG SW
SB32
FRONT EMG SW
SB31
REAR
FRONT
SQ102
SQ101
KM11/KM11A
NF11
POWER CIRCUIT
W52
V52
U52
1013 +24V
10A1 EMG21
S10
CONTROL BOX
POWER CIRCUIT
W54
V54
U54
13 14
A1 A2
1/L1
3/L2
5/L3
2/T1
4/T2
6/T3
See Page 26See Page 26
1053 EMG20 1054 EMG20A53 54
21 22
41 42+48VC +48VD
SERVO HEAD +48V
POWER CIRCUIT
See Page 26
GS31
POWER CIRCUIT
See Page 26
CONV+24ECONV+24V
J0163
J0188
J0161
J0049
J0051
J0164
J0170
J0166
J0168
J0167
J0169
10A2 0V24
1014 +24B
1113 +24B
11A2 0V24
CN48
DC24VLM CN48
C+24VJ0883 J0884
J0872
IONIZER ASSY(OPTION)
See Page 24
DOOR SEFE 1
DOOR SEFE 2
FES CN8
TF EMG1,2
STICK FEEDER POWER
STICK FEEDER POWER
STICK FEEDER POWER
STICK FEEDER POWER
+24V
+24V
+24V
+24V
CN47 J0885
STACK STICK FEEDER(OPTION)
REAR AREA SENSOR(OPTION)
FRONT AREA SENSOR(OPTION)
SQ112A
SQ112B N08C15
R A+24V
R AREA
SQ111A
SQ111B N08C14
F A+24V
F AREA
CN1
FES BOARD POWER
FES20&24 SAFETY CIRCUIT
+24V IN
See Page 2
SERVO BREAKE +24V
CONTROL BOX
INTERCONNECTION DIAGRAM
See Page 12-17
AZBK+24V
sATS
See sATS
REAR AREA
FRONT AREA
PP SENS1
I/O CONVEYOR BOARD ASSY
N08C16
+24V
PUSH UP PIN SENSOR
J0205
PUSH UP PIN SENSOR(OPTION)
PP SEN1
P025
J0165
SQ080A
SQ080B
See Page 6
I/O HEADY1OT
FAN3
FAN1
FAN2
PNP CHAHGER
PNP CHAHGER
PNP CHAHGER
U01
U02
U03
FAN
FAN
FAN
INDICATOR BOARD POWER
I/O HEAD
I/O HEAD POWER
See Page 6
See Page 22,23
DC24VB CN50
CN50 J0042
J0905
FEEDER INDICATOR(OPTION)
I/O CONV.BOARD CN33
See Page 4
J0192
CN51DC24VCN
E+24V
CN51
I/O+24V
I/O+24V
J0041
INTERCONNECTION DIAGRAM
TF I/O BOARD POWER
See Page 2
CONTROL BOX
INTERFACE BOARD
I/O A
J0101
FAN3
FAN2
FAN1
KGT-M4580-0XX
INTERCONNECTION DIAGRAM
SIDE COVER
SIDE COVER
TRANS ROOM
See dYTF,sATS
dYTF,sATS EMG
See dYTF,sATS
See dYTF,sATS
dYTF,sATS EMG
Y10T
V1
5
I/O CONVEYOR -3-
YG100R

Confidential & Proprietary
PAGE
DI0,1
DI2
CN10
CN12
CN5
CUnet/EMG CN5
+24E CN6
CN7
CN8DI3_2
DI3_1 CN7
FAN
CN9
DO0,1,3
CN11
VAC CN11
CN2
CN1
ORG
OT SQ302
X1-AXIS
SIDE VIEW(OPTION)
CN3 SV LIGHT
LIGHT
SIDE VIEW
EL11
SQ301
X1-AXIS
CN4LIGHT
SIDE VIEW CN3
CN4 LIGHT
LIGHT
FIDUCIAL
EL1
ON
OFF
1 2 43
EV2
EV1
CN17
CN16
CN15
24V/48V CN15
BLOW1
BLOW2
BLOW3
BLOW4
BLOW5
BLOW6
BLOW7
BLOW8
SH BLOW
T00010
T00011
T00012
T00013
T00014
T00015
T00016
T00017
T00037
YV381
YV348
YV347
YV346
YV345
YV344
YV343
YV342
YV341
CN28
I/O A
CONTROL BOX
See Page 2
CN22
See Page 3
I/O CONVEYOR BOARD
KM11
CONTACTOR
I/O CONVEYOR BOARD
See Page 5
CN50
See Page 2
CONTROL BOX
SRVA
I/O CONVEYOR BOARD
See Page 4
H+48V
I/O A
SRV SC2
SRV SC1
Y1ORG
HEAD EMG
H+24V
See Page 26
DUCT Y
FLEXIBLE
SRV SC2
SRV SC1
I/O A
HEAD PWR
DUCT X
FLEXIBLE
RIGHTLEFT
X-FRAME X-FRAME
CN23 PWR/IO
CN14 PWR/SRV
□42 MAX 4500rpm
□42 MAX 4500rpm
R2-AXIS 60W
R1-AXIS 60W
M15
M16
□20 MAX 2500rpm
□20 MAX 2500rpm
□20 MAX 2500rpm
□20 MAX 2500rpm
□20 MAX 2500rpm
□20 MAX 2500rpm
□20 MAX 2500rpm
□20 MAX 2500rpm
Z8-AXIS 17W
Z7-AXIS 17W
Z6-AXIS 17W
Z5-AXIS 17W
Z4-AXIS 17W
Z3-AXIS 17W
Z2-AXIS 17W
Z1-AXIS 17W
M10
M11
M12
M13
M14
CN18
CN19
CN17
CN20
CN14
CN15
CN13
CN16
CN10
CN11
CN9
CN12
CN6
CN7
MO9
ENC9
MO8
ENC8
MO7
ENC7
MO6
ENC6
MO5
ENC5
MO4
ENC4
MO3
ENC3
CN5MO2
CN8ECN2
MO1 CN2
ENC1 CN3
CN1
CN4
MO0
ENC0
Z1P
Z1M
Z2P
Z2M
Z3P
Z3M
Z4P
Z4M
Z5P
Z5M
Z6P
Z6M
Z7P
Z7M
Z8P
Z8M
R1P
R1M
R2P
R2M
CN21
CN22
SRV SC2
SRV SC1 CN21
CN22
DI0,1 CN20
SQ321
SQ322
SQ323
SQ324
CN20
CN12
FAN5
J0305
J0301
J0302
J0303
J0304
J0105
J0044
J0123
J0104
J0043
J0122
J0190
J0101
J0162
J0055
J0042
J0121
J0186
J0089 J0090
OVER TRAVEL
ORIGIN
SQ311B
SQ311A
C+24V
A-Table
Flying nozzle clutch
A-Table
Flying nozzle 2 pos1
A-Table
Flying nozzle 4 pos1
A-Table
Flying nozzle 6 pos1
A-Table
Flying nozzle 8 pos1
SQ325
SQ326
SQ327
SQ328
N00194
N00195
N00196
N00197
N00190
N00191
N00192
N00193
N00184
P2-8
P2-6
P2-4
P2-2
P1-6
P1-4
P1-2
P1-8
CLUTCH
For FNC HEAD Version
Z+24V
Z DOWN
SQ361A
SQ361B
N001A0
A-Table ENOZZLE
DOWN LIMIT
A-Table
Flying nozzle 2 pos2
A-Table
Flying nozzle 4 pos2
A-Table
A-Table
Flying nozzle 6 pos2
Flying nozzle 8 pos2
Y1OT
N08C10
SQ5
SQ1
N08C00
Y1-AXIS ORIGIN
Y1-AXIS OVER TRAVEL
T00000
T00001
T00002
T00003
T00004
T00005
T00006
T00007
VAC1
VAC2
VAC3
VAC4
VAC5
VAC6
VAC7
VAC8
YV308
YV307
YV306
YV305
YV304
YV303
YV302
YV301
HEAD VACUUM 1
A-Table
A-Table
A-Table
A-Table
A-Table
A-Table
A-Table
A-Table
HEAD VACUUM 2
HEAD VACUUM 3
HEAD VACUUM 4
HEAD VACUUM 5
HEAD VACUUM 6
HEAD VACUUM 7
HEAD VACUUM 8
A-Table
HEAD BLOW 1
A-Table
A-Table
A-Table
A-Table
A-Table
A-Table
A-Table
HEAD BLOW 2
HEAD BLOW 3
HEAD BLOW 4
HEAD BLOW 5
HEAD BLOW 6
HEAD BLOW 7
HEAD BLOW 8
A-tbl HEAD
I/O CONVEYOR BOARD
Y1OT J0188
CN42
See Page 5
SERVO BOARD ASSY P022
I/O HEAD BOARD ASSY P021
VAC
M07
M08
M09
VAC.SENSOR BOARD ASSY
KHL-M4592-0XX P041
KGS-M4570-0XX
KGS-M5840-0XX
N00181
N00180
Y1ORG
SHAFT BLOW
CN9
XOT
XORG
DIP SW(S1)
V1
6
I/O HEAD
YG100R