2RGTTA000111.pdf - 第13页
1 1 0 1 1 1 0 2 1 1 0 3 1 1 0 4 1 1 0 5 1 1 0 6 1 1 0 7 1 1 0 8 1 1 0 9 1 1 1 0 1 1 1 1 1 1 1 2 1 1 1 3 1 1 1 4 1 1 1 5 1 1 1 6 1 1 1 7 1 1 1 8 1 1 1 9 1 1 2 0 1 1 2 1 1 1 2 2 1 1 2 3 1 1 2 4 1 1 2 5 1 1 2 6 1 1 2 7 1 1 …

10 01
10 02
10 03
10 04
10 05
10 06
10 07
10 08
10 09
10 10
10 11
10 12
10 13
10 14
10 15
10 16
10 17
10 18
10 19
10 20
10 21
10 22
10 23
10 24
10 25
10 26
10 27
10 28
10 29
NAME PAGE
電気回路線図
CIRCUIT DIAGRAM
52
10
TITLE TYPE
総合制御回路
GENERAL CONTROL CIRCUIT
TARY-LT2
DRAWING No.
10
10
T1
2RGTTA000204
10 30
FUJI SECRET
I
O
IN00
I
O
IN01
I
O
IN03
I
O
IN05
I
O
IN06
I
O
IN07
ADDRESS
525
ADDRESS
703
1 2
I
O
IN02
ADDRESS
4307
ADDRESS
4312
ADDRESS
611
ADDRESS
3412
ADDRESS
604
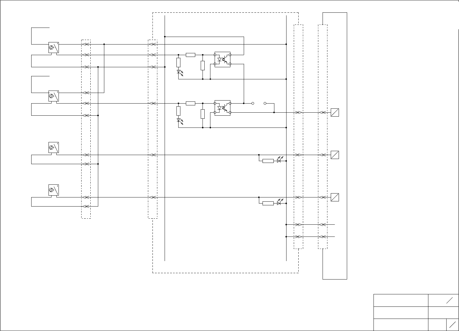
トレイユニット制御基板
TRAY UNIT CONTROL PCB
+24VC2
GC
(T1PC1)
CPU
I/O
-1
-2
-3
-5
-11
非常停止SW
-12
EMERGENCY STOP SW
セーフティーリレーOK
-13
SAFETY RELAY OK
-14
-15
-17
-16
-18
-21
IN01
IN00
(T1PCB1)
CNS13
IN02
(T1PC1)
CPU
I/O
JP8
-20 -4
IN03
IN04
IN05
NGパーツ排出C/V送りカウント
NG PARTS C/V COUNT
GC
CNS13
-23
-24
-25
-26
IN06
上マガジン扉閉じ確認
UPPER MAGAZINE COVER
CLOSED CHECK
IN07
下マガジン扉閉じ確認
LOWER MAGAZINE COVER
CLOSED CHECK
R208 PL92
R209 PL93
R210 PL94
6/8K 1/4W
6/8K 1/4W
6/8K 1/4W
-22
トレイユニット制御基板
TRAY UNIT CONTROL PCB
(T1PCB1)
1.5インチ対応
1.5 INCH PARTS
NGパーツ排出許可確認
NG PARTS FULL
(1.5 INCH)

11 01
11 02
11 03
11 04
11 05
11 06
11 07
11 08
11 09
11 10
11 11
11 12
11 13
11 14
11 15
11 16
11 17
11 18
11 19
11 20
11 21
11 22
11 23
11 24
11 25
11 26
11 27
11 28
11 29
NAME PAGE
電気回路線図
CIRCUIT DIAGRAM
52
11
TITLE TYPE
総合制御回路
GENERAL CONTROL CIRCUIT
TARY-LT2
DRAWING No.
23
1
T2
2RGTTA000204
11 30
FUJI SECRET
(T2LS1A)
SQ1/T2
(T2LS1B)
SQ1/T2
(T2LS2)
SQ2/T2
(T2LS3)
SQ3/T2
1 2
I
O
IN10
I
O
IN11
I
O
IN12
トレイユニット制御基板
(T1PCB1)
TRAY UNIT CONTROL PCB
+24VC6
(未接続)
黒 BLK
CNT181 CNS14
3.3K 1/2W
青 BLU
-3 -3
D ON
PC34
R235
T2031 T2137
R
4
1
茶 BRW 白 WHT
-2 -2
2 3
6/8K 1/4W
R
R234
680 1/16W
R
R236
PS2732-1
-1 -1
PL118
(未接続)
黒 BLK
3.3K 1/2W
青 BLU
-6
D ON R238
PC35
T2032 T2139
R
4
1
茶 BRW 白 WHT
-5 -16
2 3
6/8K 1/4W
R
R237
680 1/16W
R
R239
PS2732-1
-4
PL119
NO
茶 BRW 青 BLU
-8 -4
-7
NO
茶 BRW 青 BLU
-11 -5
-10
(T1IO1)
GC
CNS10 CN1
T2138
JP10
IN10
シャトル後退端
-2 -2
SHUTTLE REVERSE
IN11
シャトルチャック開き端(クランプ確認)
6/8K 1/4W
-27 -27
SHUTTLE CHUCK OPEN END
R212 PL96
IN12
シャトルチャック閉じ端(アンクランプ確認)
6/8K 1/4W
-3 -3
SHUTTLE CHUCK CLOSE END
R213 PL97
-1 -1
-6 -6
(UNCONNECTION)
(UNCONNECTION)

12 01
12 02
12 03
12 04
12 05
12 06
12 07
12 08
12 09
12 10
12 11
12 12
12 13
12 14
12 15
12 16
12 17
12 18
12 19
12 20
12 21
12 22
12 23
12 24
12 25
12 26
12 27
12 28
12 29
NAME PAGE
電気回路線図
CIRCUIT DIAGRAM
52
12
TITLE TYPE
総合制御回路
GENERAL CONTROL CIRCUIT
TARY-LT2
DRAWING No.
23
2
T2
2RGTTA000204
12 30
FUJI SECRET
I
O
IN13
I
O
IN14
I
O
IN15
ADDRESS
1901
ADDRESS
5117
ADDRESS
4310
トレイユニット制御基板
(T1PCB1)
TRAY UNIT CONTROL PCB
(T1IO1)
+24VC5
GC
(T2LS4T)
SQ4T/T2
CNS11
茶 BRW
CNS10 CN1
IN13
シャトルトレイ高さ監視(下)
黒 BLK
-16 -28
SHUTTLE TRAY HIGH CHK (LOW)
(L.ON)
青 BLU
茶 BRW
IN14
シャトルトレイ高さ監視(中)
黒 BLK
-17 -4
SHUTTLE TRAY HIGH CHK (MIDDLE)
(L.ON)
青 BLU
茶 BRW
IN15
シャトルトレイ高さ監視(上)
黒 BLK
-18 -29
SHUTTLE TRAY HIGH CHK (HIGH)
(L.ON)
青 BLU
-29
-4
-28
R214 PL98
R215 PL99
R216 PL100
CNT151
-8
-9
-10
-12
-10
-3
-1
6/8K 1/4W
6/8K 1/4W
6/8K 1/4W
+24VC5
GC
IN13
GC
+24VC5
IN14
IN15
+24VC5
GC
(T2LS4)
SQ4/T2
(T2LS4R)
SQ4R/T2
(T2LS5)
SQ5/T2
(T2LS5T)
SQ5T/T2
(T2LS5R)
SQ5R/T2
(T2LS6)
SQ6/T2
(T2LS6T)
SQ6T/T2
(T2LS6R)
SQ6R/T2
シャトルトレイ高さ監視(1.5インチ)
SHUTTLE TRAY HIGH CHK (1.5 INCH)
0V
+24V
0V
+24V
0V
+24V
0V
+24V
CN-T2LS35
GC
-3
IN04
-2
+24VC6
-1