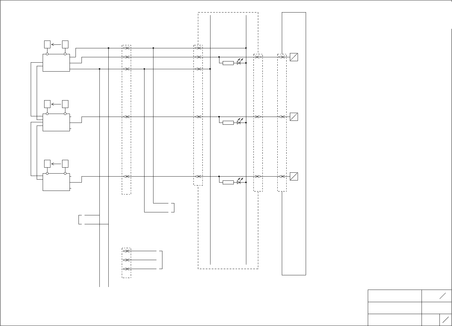
2RGTTA000111.pdf - 第15页
1 3 0 1 1 3 0 2 1 3 0 3 1 3 0 4 1 3 0 5 1 3 0 6 1 3 0 7 1 3 0 8 1 3 0 9 1 3 1 0 1 3 1 1 1 3 1 2 1 3 1 3 1 3 1 4 1 3 1 5 1 3 1 6 1 3 1 7 1 3 1 8 1 3 1 9 1 3 2 0 1 3 2 1 1 3 2 2 1 3 2 3 1 3 2 4 1 3 2 5 1 3 2 6 1 3 2 7 1 3 …

12 01
12 02
12 03
12 04
12 05
12 06
12 07
12 08
12 09
12 10
12 11
12 12
12 13
12 14
12 15
12 16
12 17
12 18
12 19
12 20
12 21
12 22
12 23
12 24
12 25
12 26
12 27
12 28
12 29
NAME PAGE
電気回路線図
CIRCUIT DIAGRAM
52
12
TITLE TYPE
総合制御回路
GENERAL CONTROL CIRCUIT
TARY-LT2
DRAWING No.
23
2
T2
2RGTTA000204
12 30
FUJI SECRET
I
O
IN13
I
O
IN14
I
O
IN15
ADDRESS
1901
ADDRESS
5117
ADDRESS
4310
トレイユニット制御基板
(T1PCB1)
TRAY UNIT CONTROL PCB
(T1IO1)
+24VC5
GC
(T2LS4T)
SQ4T/T2
CNS11
茶 BRW
CNS10 CN1
IN13
シャトルトレイ高さ監視(下)
黒 BLK
-16 -28
SHUTTLE TRAY HIGH CHK (LOW)
(L.ON)
青 BLU
茶 BRW
IN14
シャトルトレイ高さ監視(中)
黒 BLK
-17 -4
SHUTTLE TRAY HIGH CHK (MIDDLE)
(L.ON)
青 BLU
茶 BRW
IN15
シャトルトレイ高さ監視(上)
黒 BLK
-18 -29
SHUTTLE TRAY HIGH CHK (HIGH)
(L.ON)
青 BLU
-29
-4
-28
R214 PL98
R215 PL99
R216 PL100
CNT151
-8
-9
-10
-12
-10
-3
-1
6/8K 1/4W
6/8K 1/4W
6/8K 1/4W
+24VC5
GC
IN13
GC
+24VC5
IN14
IN15
+24VC5
GC
(T2LS4)
SQ4/T2
(T2LS4R)
SQ4R/T2
(T2LS5)
SQ5/T2
(T2LS5T)
SQ5T/T2
(T2LS5R)
SQ5R/T2
(T2LS6)
SQ6/T2
(T2LS6T)
SQ6T/T2
(T2LS6R)
SQ6R/T2
シャトルトレイ高さ監視(1.5インチ)
SHUTTLE TRAY HIGH CHK (1.5 INCH)
0V
+24V
0V
+24V
0V
+24V
0V
+24V
CN-T2LS35
GC
-3
IN04
-2
+24VC6
-1

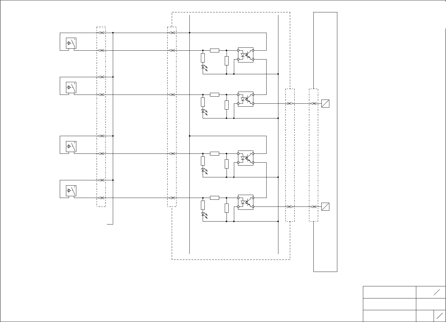
13 01
13 02
13 03
13 04
13 05
13 06
13 07
13 08
13 09
13 10
13 11
13 12
13 13
13 14
13 15
13 16
13 17
13 18
13 19
13 20
13 21
13 22
13 23
13 24
13 25
13 26
13 27
13 28
13 29
NAME PAGE
電気回路線図
CIRCUIT DIAGRAM
52
13
TITLE TYPE
総合制御回路
GENERAL CONTROL CIRCUIT
TARY-LT2
DRAWING No.
23
3
T2
2RGTTA000204
13 30
FUJI SECRET
(T2LS7)
SQ7/T2
(T2LS8)
SQ8/T2
(T2LS9)
SQ9/T2
(T2LS10)
SQ10/T2
I
O
IN16
I
O
IN17
ADDRESS
1401
トレイユニット制御基板
(T1PCB1)
TRAY UNIT CONTROL PCB
+24VC5
CNS11
-19
3.3K 1/2W
R164
T2019 T2120
R
茶
BRW
青
BLU
-20
6/8K 1/4W
R
R163
680 1/16W
R
R165
PL72
3.3K 1/2W
R167
T2020 T2122
R
茶
BRW
青
BLU
-21
6/8K 1/4W
R
R166
680 1/16W
R
R168
PL73
3.3K 1/2W
R170
T2021 T2123
R
茶
BRW
青
BLU
-22
6/8K 1/4W
R
R169
680 1/16W
R
R171
PL74
3.3K 1/2W
R173
T2022 T2125
R
茶
BRW
青
BLU
-23
6/8K 1/4W
R
R172
680 1/16W
R
R174
PL75
(T1IO1)
GC
PC22
4
1
2 3
T2121
PS2732-1
CNS10 CN1
PC23
4
1
2 3
IN16
上マガジン
パレットクランプ左行端(アンクランプ確認)
-5 -5
PS2732-1
PC24
4
1
2 3
T2124
PS2732-1
PC25
4
1
2 3
IN17
上マガジン
パレットクランプ右行端(クランプ確認)
-30 -30
PS2732-1
UPPER MAGAZINE
PALLET CLAMP LEFT END
UPPER MAGAZINE
PALLET CLAMP RIGHT END
CNT152
-1
-2
-4
-6
-8
-3
-5
-7
+24VC5

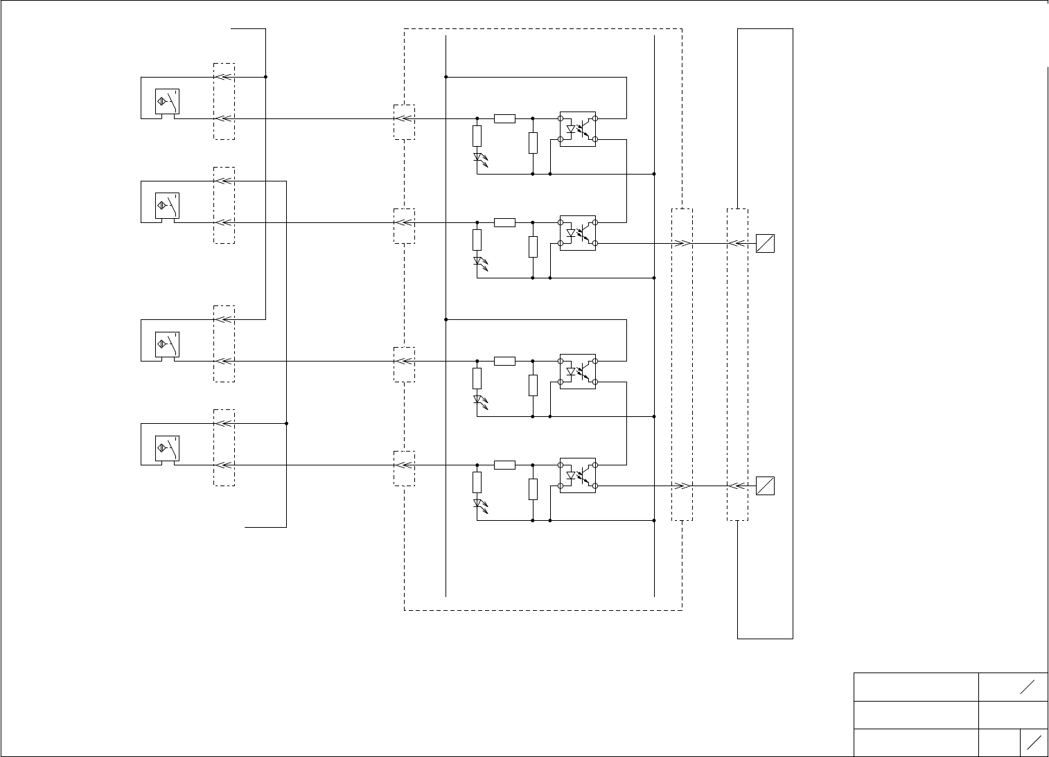
14 01
14 02
14 03
14 04
14 05
14 06
14 07
14 08
14 09
14 10
14 11
14 12
14 13
14 14
14 15
14 16
14 17
14 18
14 19
14 20
14 21
14 22
14 23
14 24
14 25
14 26
14 27
14 28
14 29
NAME PAGE
電気回路線図
CIRCUIT DIAGRAM
52
14
TITLE TYPE
総合制御回路
GENERAL CONTROL CIRCUIT
TARY-LT2
DRAWING No.
23
4
T2
2RGTTA000204
14 30
FUJI SECRET
I
O
IN18
I
O
IN19
(T2LS11)
SQ11/T2
(T2LS12)
SQ12/T2
(T2LS13)
SQ13/T2
(T2LS14)
SQ14/T2
ADDRESS
1313
ADDRESS
1501
(T1IO1)
CN1
-7
-32
トレイユニット制御基板
TRAY UNIT CONTROL PCB
+24VC5
GC
-7
-32
IN18
IN19
(T1PCB1)
CNS10
中マガジン
パレットクランプ左行端(アンクランプ確認)
中マガジン
パレットクランプ右行端(クランプ確認)
CNS11
茶
BRW
青
BLU
-24
茶
BRW
青
BLU
-24
茶
BRW
青
BLU
-25
茶
BRW
青
BLU
-25
T2015
T2016
T2017
T2018
T2115
3.3K 1/2W
R152
PC18
T2114
R
4
1
2 3
6/8K 1/4W
R
R151
680 1/16W
R
R153
PS2732-1
PL68
3.3K 1/2W
R155
R
6/8K 1/4W
R
R154
680 1/16W
PL69
PC19
T2116
4
1
2 3
R
R156
PS2732-1
3.3K 1/2W
R158
R
6/8K 1/4W
R
R157
680 1/16W
PL70
3.3K 1/2W
R161
R
6/8K 1/4W
R
R160
680 1/16W
PL71
PC20
T2117
4
1
2 3
R
R159
T2118
PS2732-1
PC21
T2119
4
1
2 3
R
R162
PS2732-1
CNT152
-9
-10
-9
-10
-11
-12
-11
-12
CNS12
CNS11
CNS12
+24VC5
+24VC5
CNT152
CNT162
CNT162
MIDDLE MAGAZINE
PALLET CLAMP LEFT END
MIDDLE MAGAZINE
PALLET CLAMP RIGHT END