2RGTTA000111.pdf - 第39页
3 7 0 1 3 7 0 2 3 7 0 3 3 7 0 4 3 7 0 5 3 7 0 6 3 7 0 7 3 7 0 8 3 7 0 9 3 7 1 0 3 7 1 1 3 7 1 2 3 7 1 3 3 7 1 4 3 7 1 5 3 7 1 6 3 7 1 7 3 7 1 8 3 7 1 9 3 7 2 0 3 7 2 1 3 7 2 2 3 7 2 3 3 7 2 4 3 7 2 5 3 7 2 6 3 7 2 7 3 7 …

36 01
36 02
36 03
36 04
36 05
36 06
36 07
36 08
36 09
36 10
36 11
36 12
36 13
36 14
36 15
36 1 6
36 1 7
36 1 8
36 1 9
36 2 0
36 2 1
36 2 2
36 2 3
36 2 4
36 2 5
36 2 6
36 2 7
36 2 8
36 2 9
NAME PAGE
電気回路線図
CIRCUIT DIAGRAM
52
36
TITLE TYPE
上マガジン軸制御回路
UPPER MAGAZINE CONTROL CIRCUIT
TARY-LT2
DRAWING No.
2
2
T4
2RGTTA000204
36 3 0
FUJI SECRET
ADDRESS
3528
ADDRESS
3519
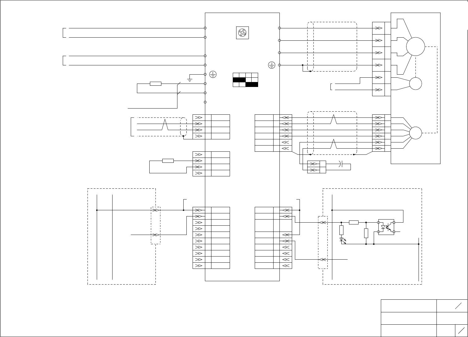
トレイユニット制御基板
TRAY UNIT CONTROL PCB
+24VC8
R21
PMR1
R
1
2
3
4
5
6
GC
CNS13
T4003
-8
-9
BLACK
BLACK
G3VM-61E1
3.3K 1/2W
T4002
T4102
(T1PCB1)
T4SR1
-1
-2
CNT6

37 01
37 02
37 03
37 04
37 05
37 06
37 07
37 08
37 09
37 10
37 11
37 12
37 13
37 14
37 15
37 16
37 17
37 18
37 19
37 20
37 21
37 22
37 23
37 24
37 25
37 26
37 27
37 28
37 29
NAME PAGE
電気回路線図
CIRCUIT DIAGRAM
52
37
TITLE TYPE
下マガジン軸制御回路
LOWER MAGAZINE CONTROL CIRCUIT
TARY-LT2
DRAWING No.
3
1
T5
2RGTTA000204
37 30
FUJI SECRET
ADDRESS
3504
ADDRESS
3506
ADDRESS
3509
M
~
0.4KW
(T5BAT1)
+
(T5R2)
120Ω,1/4W
(T5R1)
R1/T5
ADDRESS
3526
ADDRESS
921
ADDRESS
3804
ADDRESS
3805
ADDRESS
3725
ADDRESS
3711
LOWER MAGAZINE AXIS SERVO AMP
S2
L1
T2
L2
S1
L1C
T1
L2C
ON
B1/+
OFF
B2
-
CN6A
1
2 /S
3 S
4 SH
CN6B
1
2 /S
3 S
4 SH
CNS13
CN1
6 +24VIN
-10
7 P-OT
8 N-OT
9 /DEC
10 /EXT1
-11
11 /EXT2
12 /EXT3
13 /S10
14 BAT(+)
15 BAT(-)
下マガジン軸サーボアンプ
下マガジン軸モータ
LOWER MAGAZINE AXIS MOTOR
(T5SA1)
T5M1
U 4
3
(T5M1)
V 3
W 2
M1/T5
1
SW2
1 2 3 4
CN2
T5M1
PG
PS 5 4
*PS 6 5
PG5V 1 6
PG
PG0V 2 3
8
9
3
黒
1
赤
CN1
CNS13
ALM+ 3
下マガジン軸サーボアラーム
LOWER MAGAZINE AXIS
SERVO ALARM
ALM- 4
-12
/BK+ 1
/BK- 2
/SO2+ 23
/SO2- 24
/SO3+ 25
/SO3- 26
N1/T4
0.75sq耐熱電線
100Ω
PC17
R149
R
4
1
2 3
R
R148
R
R150
PL67
GC
-13
トレイユニット制御基板
TRAY UNIT CONTROL PCB
+24VC2
GC
T5002
T5000
T5001 T5100
T5U1
T5V1
T5W1
S5-
S5+
PS2732-1
680 1/16W
6/8K 1/4W
3.3K 1/2W
T5101
(T1PCB1)
+24VC2
5
T5003
BK
GC
6
6.9W
0.29A
SW1
トレイユニット制御基板
(T1PCB1)
TRAY UNIT CONTROL PCB
サーボアンプ動力電源
SERVO AMP MAIN POWER
サーボアンプ制御電源
SERVO AMP CONTROL POWER
0.75sq Heat-Resistant Cable
BLK
RED

38 01
38 02
38 03
38 04
38 05
38 06
38 07
38 08
38 09
38 10
38 11
38 12
38 13
38 14
38 15
38 1 6
38 1 7
38 1 8
38 1 9
38 2 0
38 2 1
38 2 2
38 2 3
38 2 4
38 2 5
38 2 6
38 2 7
38 2 8
38 2 9
NAME PAGE
電気回路線図
CIRCUIT DIAGRAM
52
38
TITLE TYPE
下マガジン軸制御回路
LOWER MAGAZINE CONTROL CIRCUIT
TARY-LT2
DRAWING No.
2
3
T5
2RGTTA000204
38 3 0
FUJI SECRET
ADDRESS
3719
ADDRESS
3728
トレイユニット制御基板
TRAY UNIT CONTROL PCB
CNS13
-14
-15
BLACK
BLACK
(T1PCB1)
CNT7
-1
-2
T5SR1
GC
+24VC8
R23
PMR3
T5002
T5102
R
1 4
3.3K 1/2W
2 5
T5003
3 6
G3VM-61E1