2RGTTA000111.pdf - 第47页
4 5 0 1 4 5 0 2 4 5 0 3 4 5 0 4 4 5 0 5 4 5 0 6 4 5 0 7 4 5 0 8 4 5 0 9 4 5 1 0 4 5 1 1 4 5 1 2 4 5 1 3 4 5 1 4 4 5 1 5 4 5 1 6 4 5 1 7 4 5 1 8 4 5 1 9 4 5 2 0 4 5 2 1 4 5 2 2 4 5 2 3 4 5 2 4 4 5 2 5 4 5 2 6 4 5 2 7 4 5 …

44 01
44 02
44 03
44 04
44 05
44 06
44 07
44 08
44 09
44 10
44 11
44 12
44 13
44 14
44 15
44 1 6
44 1 7
44 1 8
44 1 9
44 2 0
44 2 1
44 2 2
44 2 3
44 2 4
44 2 5
44 2 6
44 2 7
44 2 8
44 2 9
NAME PAGE
電気回路線図
CIRCUIT DIAGRAM
52
44
TITLE TYPE
本機間I/F制御回路
MODULE I/F CONTROL CIRCUIT
TARY-LT2
DRAWING No.
1
7
T8
2RGTTA000204
44 3 0
FUJI SECRET
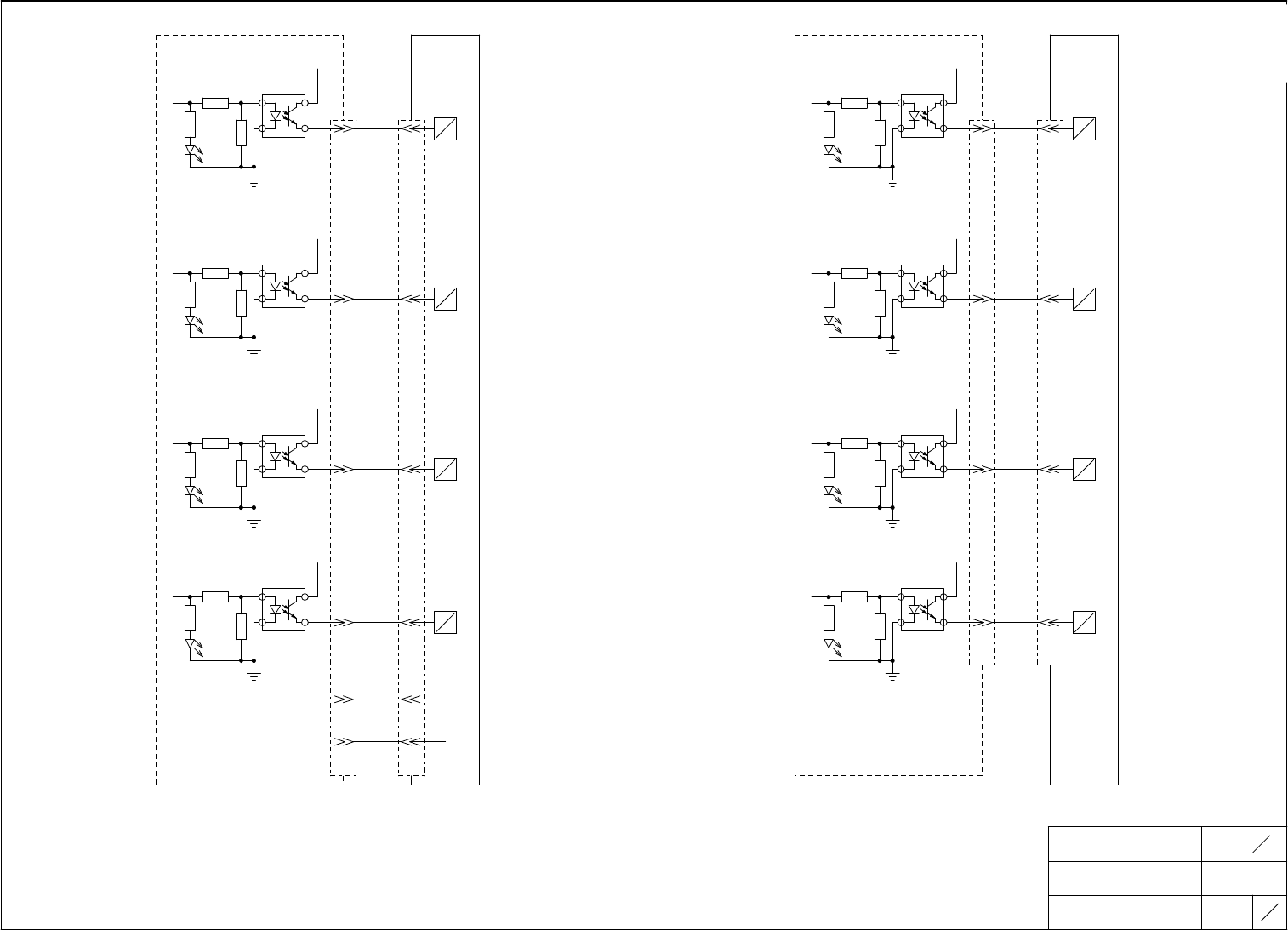
I
O
IN30
I
O
IN31
I
O
IN32
I
O
IN33
I
O
IN34
I
O
IN35
I
O
IN36
I
O
IN37
(T1IO2)
-1
-28
-3
-27
-2
-1
-6
-2
CN1
GC
GC
(T1IO2)
-4
-29
-5
-30
DEVICE PALLET PCB
デバイスパレット基板
+24V
PC
IN30
-3
IN31
-4
IN32
-5
IN33
-6
デバイスパレット基板
DEVICE PALLET PCB
-7
-8
-9
-10
IN34
IN35
IN36
IN37
R
R
R
PL
(T1PCB2) (T1PCB2)
CN5 CN1CN5
下マガジンコマンド選択0bit
M/C I/F INPUT5
下マガジンコマンド選択1bit
M/C I/F INPUT6
下マガジンコマンド選択2bit
M/C I/F INPUT7
下マガジンコマンド選択3bit
M/C I/F INPUT8
上マガジンコマンド選択0bit
M/C I/F INPUT1
上マガジンコマンド選択1bit
M/C I/F INPUT2
上マガジンコマンド選択2bit
M/C I/F INPUT3
上マガジンコマンド選択3bit
M/C I/F INPUT4
+24V
PC
R
R
R
PL
+24V
PC
R
R
R
PL
+24V
PC
R
R
R
PL
+24V
PC
R
R
R
PL
+24V
PC
R
R
R
PL
+24V
PC
R
R
R
PL
+24V
PC
R
R
R
PL

45 01
45 02
45 03
45 04
45 05
45 06
45 07
45 08
45 09
45 10
45 11
45 12
45 13
45 14
45 15
45 1 6
45 1 7
45 1 8
45 1 9
45 2 0
45 2 1
45 2 2
45 2 3
45 2 4
45 2 5
45 2 6
45 2 7
45 2 8
45 2 9
NAME PAGE
電気回路線図
CIRCUIT DIAGRAM
52
45
TITLE TYPE
本機間I/F制御回路
MODULE I/F CONTROL CIRCUIT
TARY-LT2
DRAWING No.
2
7
T8
2RGTTA000204
45 3 0
FUJI SECRET
I
O
IN38
I
O
IN39
I
O
IN3A
I
O
IN3B
I
O
IN3C
I
O
IN3D
I
O
IN3E
I
O
IN3F
-7
-32
-8
-33
-9
-34
-10
-35
デバイスパレット基板
DEVICE PALLET PCB
(T1IO2) (T1IO2)
デバイスパレット基板
DEVICE PALLET PCB
-11
-12
-13
-14
-15
-16
-17
-18
IN38
IN39
IN3A
IN3B
IN3C
IN3D
IN3E
IN3F
(T1PCB2)(T1PCB2)
CN5 CN1CN5 CN1
スロットNo.0bit
M/C I/F INPUT9
スロットNo.1bit
M/C I/F INPUT10
スロットNo.2bit
M/C I/F INPUT11
スロットNo.3bit
M/C I/F INPUT12
上マガジン起動
M/C I/F INPUT13
下マガジン起動
M/C I/F INPUT14
単独コマンド選択0bit
M/C I/F INPUT15
単独コマンド選択1bit
M/C I/F INPUT16
+24V
PC
R
R
R
PL
+24V
PC
R
R
R
PL
+24V
PC
R
R
R
PL
+24V
PC
R
R
R
PL
+24V
PC
R
R
R
PL
+24V
PC
R
R
R
PL
+24V
PC
R
R
R
PL
+24V
PC
R
R
R
PL

46 01
46 02
46 03
46 04
46 05
46 06
46 07
46 08
46 09
46 10
46 11
46 12
46 13
46 14
46 15
46 1 6
46 1 7
46 1 8
46 1 9
46 2 0
46 2 1
46 2 2
46 2 3
46 2 4
46 2 5
46 2 6
46 2 7
46 2 8
46 2 9
NAME PAGE
電気回路線図
CIRCUIT DIAGRAM
52
46
TITLE TYPE
本機間I/F制御回路
MODULE I/F CONTROL CIRCUIT
TARY-LT2
DRAWING No.
3
7
T8
2RGTTA000204
46 3 0
FUJI SECRET
I
O
IN40
I
O
IN41
I
O
IN42
I
O
IN43
I
O
IN44
I
O
IN45
I
O
IN46
I
O
IN47
(T1IO2)
-2
-27
-3
-28
(T1IO2)
-4
-29
-5
-30
デバイスパレット基板
DEVICE PALLET PCB
デバイスパレット基板
DEVICE PALLET PCB
-3
-4
-5
-6
-7
-8
-9
-10
IN40
IN41
IN42
IN43
IN44
IN45
IN46
IN47
(T1PCB2) (T1PCB2)
CN2CN4CN4 CN2
GC
-1
-1
GC
-6
-2
単独コマンド選択2bit
M/C I/F INPUT17
単独コマンド選択3bit
M/C I/F INPUT18
単独起動
M/C I/F INPUT19
自動運転中
M/C I/F INPUT20
即停止指示
M/C I/F INPUT21
位置選択0bit
M/C I/F INPUT22
位置選択1bit
M/C I/F INPUT23
位置選択2bit
M/C I/F INPUT24
+24V
PC
R
R
R
PL
+24V
PC
R
R
R
PL
+24V
PC
R
R
R
PL
+24V
PC
R
R
R
PL
+24V
PC
R
R
R
PL
+24V
PC
R
R
R
PL
+24V
PC
R
R
R
PL
+24V
PC
R
R
R
PL