2RGTTA000111.pdf - 第51页
4 9 0 1 4 9 0 2 4 9 0 3 4 9 0 4 4 9 0 5 4 9 0 6 4 9 0 7 4 9 0 8 4 9 0 9 4 9 1 0 4 9 1 1 4 9 1 2 4 9 1 3 4 9 1 4 4 9 1 5 4 9 1 6 4 9 1 7 4 9 1 8 4 9 1 9 4 9 2 0 4 9 2 1 4 9 2 2 4 9 2 3 4 9 2 4 4 9 2 5 4 9 2 6 4 9 2 7 4 9 …

48 01
48 02
48 03
48 04
48 05
48 06
48 07
48 08
48 09
48 10
48 11
48 12
48 13
48 14
48 15
48 1 6
48 1 7
48 1 8
48 1 9
48 2 0
48 2 1
48 2 2
48 2 3
48 2 4
48 2 5
48 2 6
48 2 7
48 2 8
48 2 9
NAME PAGE
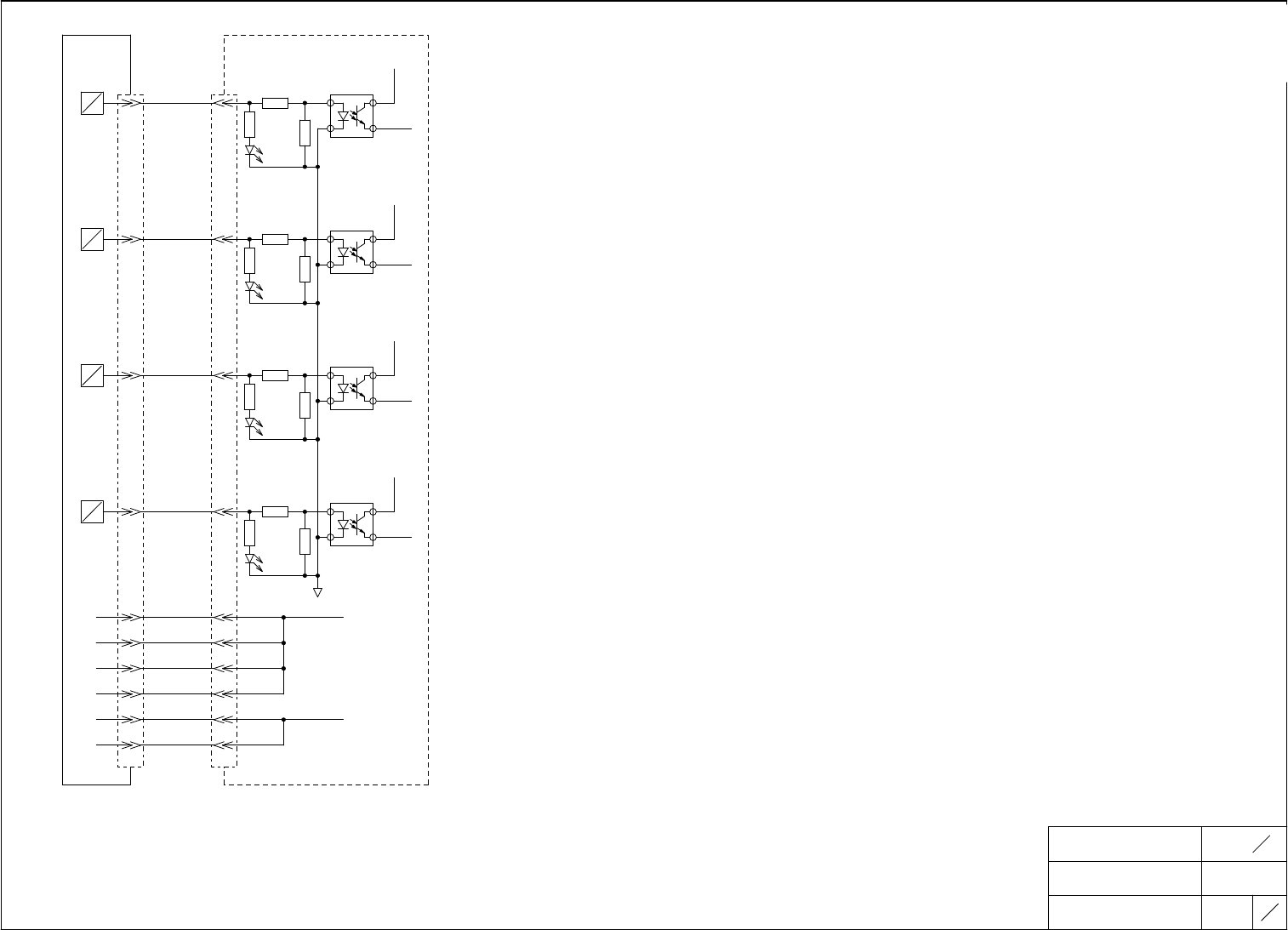
電気回路線図
CIRCUIT DIAGRAM
52
48
TITLE TYPE
本機間I/F制御回路
MODULE I/F CONTROL CIRCUIT
TARY-LT2
DRAWING No.
5
7
T8
2RGTTA000204
48 3 0
FUJI SECRET
I
O
OUT3C
I
O
OUT3D
I
O
OUT3E
I
O
OUT3F
CN5
-25
-26
-27
-28
デバイスパレット基板
DEVICE PALLET PCB
上マガジン完了
M/C I/F OUTPUT1
下マガジン完了
M/C I/F OUTPUT2
単独完了
M/C I/F OUTPUT3
上マガジン異常
M/C I/F OUTPUT4
(T1IO2)
OUT3C
-23
OUT3D
-48
OUT3E
-24
OUT3F
-49
+24VC
+24VC
-19
-20
GC
-23
GC
-24
VCC
PC
R
R
R
PL
VCC
PC
R
R
R
PL
VCC
PC
R
R
R
PL
VCC
PC
R
R
R
PL
GC
(T1PCB2)
CN1
-15
-22
-40
-47
-39
-46
+24VC
+24VC
-21
-22

49 01
49 02
49 03
49 04
49 05
49 06
49 07
49 08
49 09
49 10
49 11
49 12
49 13
49 14
49 15
49 1 6
49 1 7
49 1 8
49 1 9
49 2 0
49 2 1
49 2 2
49 2 3
49 2 4
49 2 5
49 2 6
49 2 7
49 2 8
49 2 9
NAME PAGE
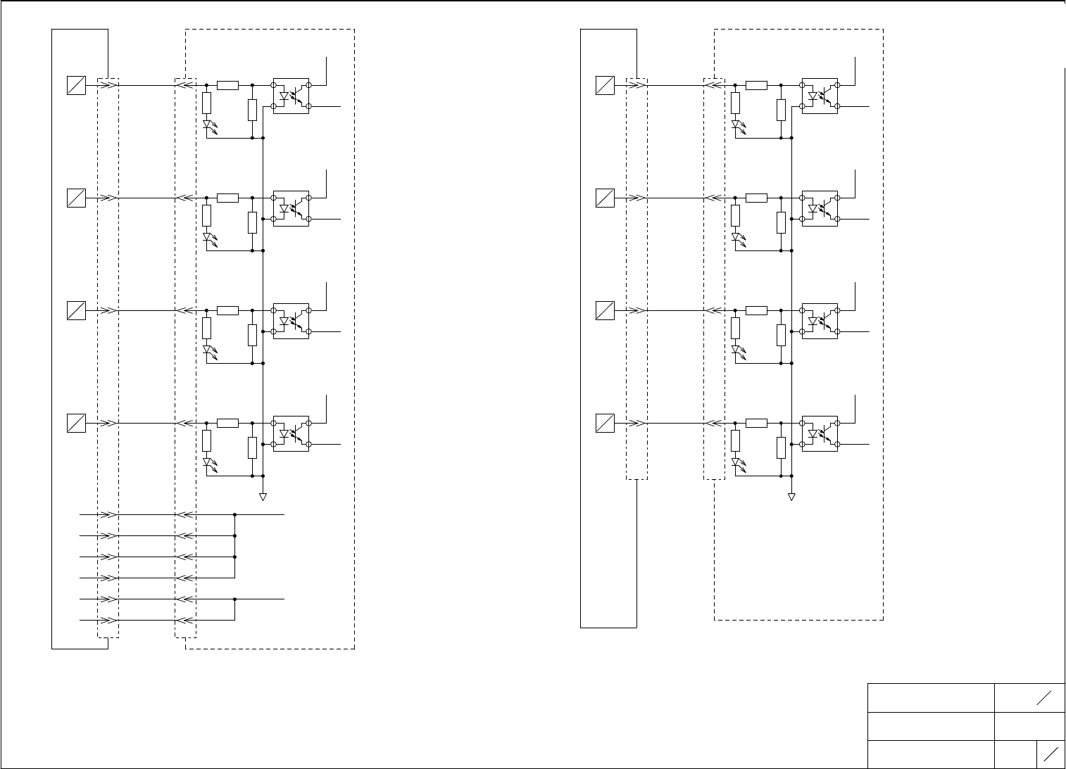
電気回路線図
CIRCUIT DIAGRAM
52
49
TITLE TYPE
本機間I/F制御回路
MODULE I/F CONTROL CIRCUIT
TARY-LT2
DRAWING No.
6
7
T8
2RGTTA000204
49 3 0
FUJI SECRET
I
O
OUT44
I
O
OUT45
I
O
OUT46
I
O
OUT47
I
O
OUT40
I
O
OUT41
I
O
OUT42
I
O
OUT43
デバイスパレット基板
DEVICE PALLET PCB
CN4
予備
-29
M/C I/F OUTPUT9
予備
-30
M/C I/F OUTPUT10
予備
-31
M/C I/F OUTPUT11
予備
-32
M/C I/F OUTPUT12
(T1IO2)
OUT44
-16
OUT45
-41
OUT46
-17
OUT47
-42
VCC
PC
R
R
R
PL
VCC
PC
R
R
R
PL
VCC
PC
R
R
R
PL
VCC
PC
R
R
R
PL
GC
(T1PCB2)
CN2
デバイスパレット基板
(T1PCB2)
DEVICE PALLET PCB
(T1IO2)
VCC
CN2 CN4
PC
OUT40
R
下マガジン異常
-12 -25
M/C I/F OUTPUT5
R
R
PL
VCC
PC
OUT41
R
単独異常
-37 -26
M/C I/F OUTPUT6
R
R
PL
VCC
PC
OUT42
R
上マガジン扉閉
-13 -27
M/C I/F OUTPUT7
R
R
PL
VCC
PC
OUT43
R
下マガジン扉閉
-38 -28
M/C I/F OUTPUT8
R
R
PL
GC
+24VC
-15 -19
+24VC
-22 -20
+24VC
-40
+24VC
-47
GC
-39 -23
GC
-46 -24
-21
-22

50 01
50 02
50 03
50 04
50 05
50 06
50 07
50 08
50 09
50 10
50 11
50 12
50 13
50 14
50 15
50 1 6
50 1 7
50 1 8
50 1 9
50 2 0
50 2 1
50 2 2
50 2 3
50 2 4
50 2 5
50 2 6
50 2 7
50 2 8
50 2 9
NAME PAGE
電気回路線図
CIRCUIT DIAGRAM
52
50
TITLE TYPE
本機間I/F制御回路
MODULE I/F CONTROL CIRCUIT
TARY-LT2
DRAWING No.
7
7
T8
2RGTTA000204
50 3 0
FUJI SECRET
I
O
OUT4C
I
O
OUT4D
I
O
OUT4E
I
O
OUT4F
I
O
OUT48
I
O
OUT49
I
O
OUT4A
I
O
OUT4B
デバイスパレット基板
DEVICE PALLET PCB
CN4
通信コマンド発行許可
-37
M/C I/F OUTPUT17
イベント発生確認要求
-38
M/C I/F OUTPUT18
部品廃棄BOX着座確認
-39
M/C I/F OUTPUT19
予備
-40
M/C I/F OUTPUT20
(T1IO2)
OUT4C
-23
OUT4D
-48
OUT4E
-24
OUT4F
-49
VCC
PC
R
R
R
PL
VCC
PC
R
R
R
PL
VCC
PC
R
R
R
PL
VCC
PC
R
R
R
PL
GC
(T1PCB2)
CN2
デバイスパレット基板
(T1PCB2)
DEVICE PALLET PCB
(T1IO2)
VCC
CN2 CN4
PC
OUT48
R
予備
-19 -33
M/C I/F OUTPUT13
R
R
PL
VCC
PC
OUT49
R
フィーダ浮上り検知
-44 -34
M/C I/F OUTPUT14
R
R
PL
VCC
PC
OUT4A
R
予備
-20 -35
M/C I/F OUTPUT15
R
R
PL
VCC
PC
OUT4B
R
予備
-45 -36
M/C I/F OUTPUT16
R
R
PL
GC