2RGTTA000111.pdf - 第75页
2 0 1 2 0 2 2 0 3 2 0 4 2 0 5 2 0 6 2 0 7 2 0 8 2 0 9 2 1 0 2 1 1 2 1 2 2 1 3 2 1 4 2 1 5 2 1 6 2 1 7 2 1 8 2 1 9 2 2 0 2 2 1 2 2 2 2 2 3 2 2 4 2 2 5 2 2 6 2 2 7 2 2 8 2 2 9 2 3 0 2 3 1 2 3 2 2 3 3 2 3 4 2 3 5 2 3 6 2 3 …

1 01
1 02
1 03
1 04
1 05
1 06
1 07
1 08
1 09
1 10
1 11
1 12
1 13
1 14
1 15
1 16
1 17
1 18
1 19
1 20
1 21
1 22
1 23
1 24
1 25
1 26
1 27
1 28
1 29
1 30
1 31
1 32
1 33
1 34
1 35
1 36
1 37
1 38
1 39
1 40
1 41
1 42
1 43
1 44
1 45
NAME PAGE
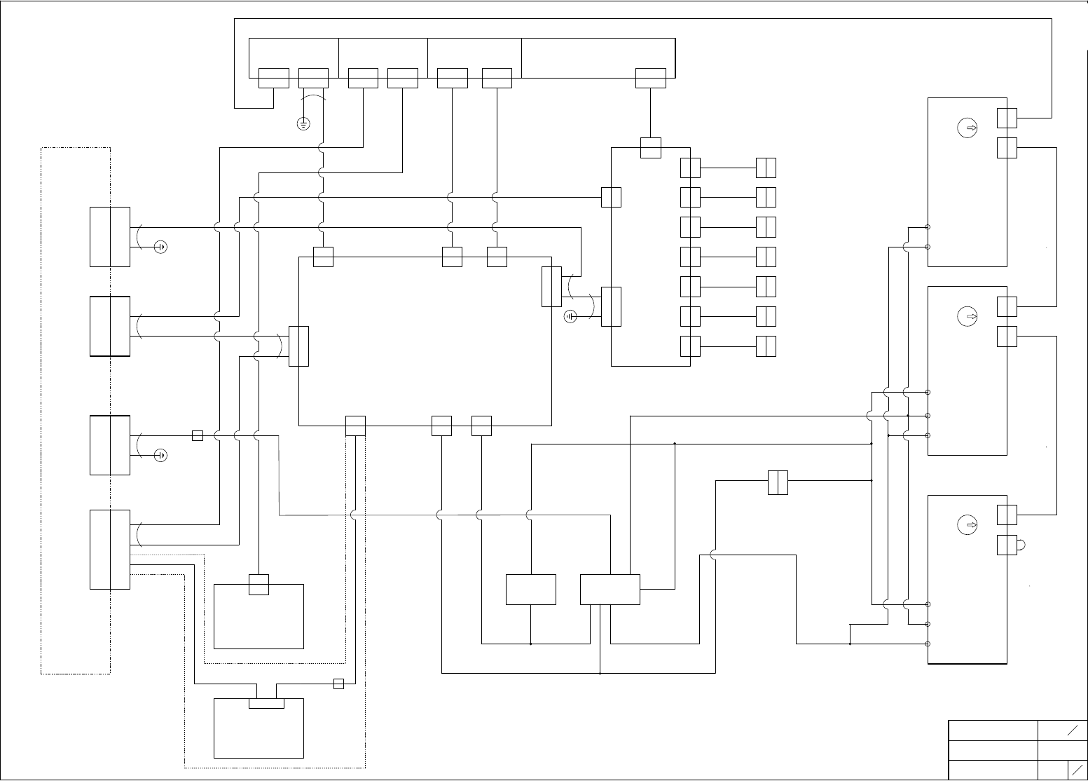
装置接続図
DEVICE CONNECTION DIAGRAM
6
1
TITLE TYPE
トレイユニットLT2
TRAY UNIT LT2
TRAY-LT2
DRAWING No.
1
6
FUJI SECRET
2RGTTA000704
N X T / A I M
M/C CN1M/C CN2M/C CN3M/C CN4
M/C CN1M/C CN2M/C CN3M/C CN4
M-Ⅰ/Ⅱ
M-Ⅰ/Ⅱ
POWER
POWER
コントローラ
CONTROLLER
T1PC1
PORT
PORT
I/Fモジュール
I/F MODULE
T1IF1
CN1
CN1
I/Oモジュール
I/O MODULE
T1IO1
SLOT39
SLOT39
SLOT40
SLOT40
SLOT41
SLOT41
SLOT42
SLOT42
SLOT43
SLOT43
SLOT44
SLOT44
SLOT45
SLOT45
デバイスパレット基板
DEVICE PALLET PCB
T1PCB2
CN1
CN1
CN3
CN3
CN4
CN4
CN2
CN2 CN2
CN2
CNS3
CNS3
CNS10
CNS10
CNS9
CNS9
CNS1
CNS1
CNS18
CNS18
CNS4
CNS4
CNS2
CNS2
トレイユニット制御基板
TRAY UNIT CONTROL PCB
T1PCB1
2EGTTA0033**
2EGTTA0001**
2EGTTA0002**
2EGTTA0029**
2EGTTA0030**
2EGTTA0004**
RS422/485
RS422/485
高さ測定用基板
TRAY HIGH CHECK PCB
T1PCB3
CN1
CN1
2EGTTA0036**
(CN8)(CN9)(CN10)(CN11)(CN13)(CN12)(CN14)
I/Oモジュール
I/O MODULE
T1IO2
CNS15
CNS15
RFID リーダ・ライターユニット
RFID READER・WRITER・UNIT
T10PCB1
RH6490*
2EGTTA0054**
(OPTION)
2EGTTA0017**
2EGTTA0003**
2EGTTA0009**
2EGTTA0046**
CNT171
CNT171
動力電源入り
MAIN POWER ON
T1MS1X
2EGTTA0008**
セーフティーリレーユニット
SAFETY RELAY UNIT
T1SR1
SW2
CN6B
CN6B
シャトル軸サーボアンプ
SHUTTLE AXIS SERVO AMP
T3SA1
2EGTTA0066**
CN6A
CN6A
2
SW2
CN6B
CN6B
上マガジン軸サーボアンプ
UPPER MAGAZINE AXIS SERVO AMP
T4SA1
CN8
L1,L2
2EGTTA0067**
L1C、L2C
CN6A
CN6A
3
SW2
CN6B
CN6B
下マガジン軸サーボアンプ
LOWER MAGAZINE AXIS SERVO AMP
T5SA1
2EGYTF0099**
CN8
1
CN6A
CN6A
2EGTTA0005**
2EGTTA0007**
L1,L2
L1C、L2C
L1,L2
L1C、L2C
フィーダースロット№39
FEEDER SLOT NO. 39
フィーダースロット№40
FEEDER SLOT NO. 40
フィーダースロット№41
FEEDER SLOT NO. 41
フィーダースロット№42
FEEDER SLOT NO. 42
フィーダースロット№43
FEEDER SLOT NO. 43
フィーダースロット№44
FEEDER SLOT NO. 44
フィーダースロット№45
FEEDER SLOT NO. 45
2EGTTA0018**
2EGTTA0016**
2EGTTA0015**
2EGTTA0014**
2EGTTA0013**
2EGTTA0012**
2EGTTA0006**
フェライトコア
FERRITE CORE
K67504
KGS
MRFC-13
RFID付属品(5ターン巻き)
ATTACHED TO RFID UNIT
TURN AROUND 5TIMES
FERRITE CORE
フェライトコア

2 01
2 02
2 03
2 04
2 05
2 06
2 07
2 08
2 09
2 10
2 11
2 12
2 13
2 14
2 15
2 16
2 17
2 18
2 19
2 20
2 21
2 22
2 23
2 24
2 25
2 26
2 27
2 28
2 29
2 30
2 31
2 32
2 33
2 34
2 35
2 36
2 37
2 38
2 39
2 40
2 41
2 42
2 43
2 44
2 45
NAME PAGE
装置接続図
DEVICE CONNECTION DIAGRAM
6
2
TITLE TYPE
トレイユニットLT2
TRAY UNIT LT2
TRAY-LT2
DRAWING No.
2
6
FUJI SECRET
2RGTTA000704
ADDRESS
626
トレイユニット制御基板
TRAY UNIT CONTROL PCB
T1PCB1
上マガジントレイ高さ確認(左)
UPPER MAGAZINE TRAY HIGH CHK (L)
T2LS25
T2LS25
上マガジントレイ高さ確認(右)
UPPER MAGAZINE TRAYHIGH CHK (R)
T2LS26
下マガジントレイ高さ確認(左)
LOWER MAGAZINE TRAY HIGH CHK (L)
T2LS27
下マガジントレイ高さ確認(右)
LOWER MAGAZINE TRAY HIGH (R)
T2LS28
シャトルトレイ高さ監視(下)
SHUTTLE TRAY HIGH CHK (LOW)
T2LS4
シャトルトレイ高さ監視(中)
SHUTTLE TRAY HIGH CHK (MIDDLE)
シャトルトレイ高さ監視(上)
SHUTTLE TRAY HIGH CHK (HIGH)
T2LS8
T2LS7
上マガジンパレットクランプ左行端
UPPER MAGAZINE PALLET CLAMP LEFT END
上マガジンパレットクランプ右行端
UPPER MAGAZINE PALLET CLAMP RIGHT END
T2LS9
T2LS10
T1LS1E
+24VC2
IN06
+24VC2
T1016
11
12
21
22
上マガジン扉閉じ確認/ロック
UPPER MAGAZINE COVER CLOSED CHK / LOCK
31 T1003
32 T1015
E1 T1017
E2 GC
T2LS26
T2LS7
T2LS8
T2LS9
T2LS10
CNT4
中マガジンパレットクランプ左行端 MIDDLE MAGAZINE PALLET CLAMP LEFT END
中マガジンパレットクランプ右行端 MIDDLE MAGAZINE PALLET CLAMP RIGHT END
T2LS11
T2LS13
T2LS11
T2LS13
CNT1
CNT1
CNL1
CNL1
上マガジンLED表示基板
UPPER MAGAZINE LED PCB
T2PCB1
CNR1
CNR1
T2LS5
T2LS6
CNS11
CNS11
CNT151
CNT151
CNT152
CNT152
CN2
CN2
CN4
CN4
高さ測定基板
TRAY HIGH CHECK PCB
T1PCB3
2EGTTA0041**
2EGTTA0027**
2AGTTA0002**
2AGTTA0003**
T2LS27
T2LS28
T2LS4
T2LS5
T2LS6
上マガジンLED表示基板
UPPER MAGAZINE LED PCB
T2PCB2
CNT30
CNT30

3 01
3 02
3 03
3 04
3 05
3 06
3 07
3 08
3 09
3 10
3 11
3 12
3 13
3 14
3 15
3 16
3 17
3 18
3 19
3 20
3 21
3 22
3 23
3 24
3 25
3 26
3 27
3 28
3 29
3 30
3 31
3 32
3 33
3 34
3 35
3 36
3 37
3 38
3 39
3 40
3 41
3 42
3 43
3 44
3 45
NAME PAGE
装置接続図
DEVICE CONNECTION DIAGRAM
6
3
TITLE TYPE
トレイユニットLT2
TRAY UNIT LT2
TRAY-LT2
DRAWING No.
3
6
FUJI SECRET
2RGTTA000704
ADDRESS
627
ADDRESS
505
下マガジンパレットクランプ左行端
LOWER MAGAZINE PALLET CLAMP LEFT END
T2LS15
T2LS16
下マガジンパレットクランプ右行端
LOWER MAGAZINE PALLET CLAMP RIGHT END
T2LS17
T2LS18
T1LS2E
+24VC2
IN07
+24VC2
T1019
11
12
21
22
31
32
E1
E2
T1015
+24VA1A
T1020
GC
T2LS15
T2LS16
T2LS17
T2LS18
CNT5
上マガジンパレットクランプ右行
UPPER MAGAZINE PALLET CLAMP RIGHT
SY3240-5L0Z
T2SOL1
T2SOL2
SY3240-5L0Z
上マガジンパレットクランプ左行
UPPER MAGAZINE PALLET CLAMP LEFT
T2SOL5
SY3240-5L0Z
下マガジンパレットクランプ右行
LOWER MAGAZINE PALLET CLAMP RIGHT
T2SOL6
SY3240-5L0Z
下マガジンパレットクランプ左行
LOWER MAGAZINE PALLET CLAMP LEFT
T2SOL7
SY3120-5M0Z-C4-F2
シャトルチャック開き
SHUTTLE CHUCK OPEN
CNT2
CNT2
CNL2CNR2
CNL2CNR2
T2SOL3
T2SOL4
SY3240-5L0Z
SY3240-5L0Z
中マガジンパレットクランプ右行
MIDDLE MAGAZINE PALLET CLAMP RIGHT
中マガジンパレットクランプ左行
MIDDLE MAGAZINE PALLET CLAMP LEFT
T2LS12
T2LS12
中マガジンパレットクランプ左行端 MIDDLE MAGAZINE PALLET CLAMP LEFT END
T2LS14
T2LS14
中マガジンパレットクランプ右行端 MIDDLE MAGAZINE PALLET CLAMP RIGHT END
CNS12
CNS12
CNT161
CNT161
CNT162
CNT162
2EGTTA0028**
2EGTTA0042**
2EGTTA0038**
2AGTTA0005**
下マガジン扉閉じ確認/ロック
LOWER MAGAZINE COVER CLOSED CHK / LOCK
下マガジンLED表示基板
LOWER MAGAZINE LED PCB
T2PCB3
下マガジンLED表示基板
LOWER MAGAZINE LED PCB
T2PCB4
トレイユニット制御基板
TRAY UNIT CONTROL PCB
T1PCB1
CNT31
CNT31
CNT5