2RGTTA000111.pdf - 第77页
4 0 1 4 0 2 4 0 3 4 0 4 4 0 5 4 0 6 4 0 7 4 0 8 4 0 9 4 1 0 4 1 1 4 1 2 4 1 3 4 1 4 4 1 5 4 1 6 4 1 7 4 1 8 4 1 9 4 2 0 4 2 1 4 2 2 4 2 3 4 2 4 4 2 5 4 2 6 4 2 7 4 2 8 4 2 9 4 3 0 4 3 1 4 3 2 4 3 3 4 3 4 4 3 5 4 3 6 4 3 …

3 01
3 02
3 03
3 04
3 05
3 06
3 07
3 08
3 09
3 10
3 11
3 12
3 13
3 14
3 15
3 16
3 17
3 18
3 19
3 20
3 21
3 22
3 23
3 24
3 25
3 26
3 27
3 28
3 29
3 30
3 31
3 32
3 33
3 34
3 35
3 36
3 37
3 38
3 39
3 40
3 41
3 42
3 43
3 44
3 45
NAME PAGE
装置接続図
DEVICE CONNECTION DIAGRAM
6
3
TITLE TYPE
トレイユニットLT2
TRAY UNIT LT2
TRAY-LT2
DRAWING No.
3
6
FUJI SECRET
2RGTTA000704
ADDRESS
627
ADDRESS
505
下マガジンパレットクランプ左行端
LOWER MAGAZINE PALLET CLAMP LEFT END
T2LS15
T2LS16
下マガジンパレットクランプ右行端
LOWER MAGAZINE PALLET CLAMP RIGHT END
T2LS17
T2LS18
T1LS2E
+24VC2
IN07
+24VC2
T1019
11
12
21
22
31
32
E1
E2
T1015
+24VA1A
T1020
GC
T2LS15
T2LS16
T2LS17
T2LS18
CNT5
上マガジンパレットクランプ右行
UPPER MAGAZINE PALLET CLAMP RIGHT
SY3240-5L0Z
T2SOL1
T2SOL2
SY3240-5L0Z
上マガジンパレットクランプ左行
UPPER MAGAZINE PALLET CLAMP LEFT
T2SOL5
SY3240-5L0Z
下マガジンパレットクランプ右行
LOWER MAGAZINE PALLET CLAMP RIGHT
T2SOL6
SY3240-5L0Z
下マガジンパレットクランプ左行
LOWER MAGAZINE PALLET CLAMP LEFT
T2SOL7
SY3120-5M0Z-C4-F2
シャトルチャック開き
SHUTTLE CHUCK OPEN
CNT2
CNT2
CNL2CNR2
CNL2CNR2
T2SOL3
T2SOL4
SY3240-5L0Z
SY3240-5L0Z
中マガジンパレットクランプ右行
MIDDLE MAGAZINE PALLET CLAMP RIGHT
中マガジンパレットクランプ左行
MIDDLE MAGAZINE PALLET CLAMP LEFT
T2LS12
T2LS12
中マガジンパレットクランプ左行端 MIDDLE MAGAZINE PALLET CLAMP LEFT END
T2LS14
T2LS14
中マガジンパレットクランプ右行端 MIDDLE MAGAZINE PALLET CLAMP RIGHT END
CNS12
CNS12
CNT161
CNT161
CNT162
CNT162
2EGTTA0028**
2EGTTA0042**
2EGTTA0038**
2AGTTA0005**
下マガジン扉閉じ確認/ロック
LOWER MAGAZINE COVER CLOSED CHK / LOCK
下マガジンLED表示基板
LOWER MAGAZINE LED PCB
T2PCB3
下マガジンLED表示基板
LOWER MAGAZINE LED PCB
T2PCB4
トレイユニット制御基板
TRAY UNIT CONTROL PCB
T1PCB1
CNT31
CNT31
CNT5

4 01
4 02
4 03
4 04
4 05
4 06
4 07
4 08
4 09
4 10
4 11
4 12
4 13
4 14
4 15
4 16
4 17
4 18
4 19
4 20
4 21
4 22
4 23
4 24
4 25
4 26
4 27
4 28
4 29
4 30
4 31
4 32
4 33
4 34
4 35
4 36
4 37
4 38
4 39
4 40
4 41
4 42
4 43
4 44
4 45
NAME PAGE
装置接続図
DEVICE CONNECTION DIAGRAM
6
4
TITLE TYPE
トレイユニットLT2
TRAY UNIT LT2
TRAY-LT2
DRAWING No.
4
6
FUJI SECRET
2RGTTA000704
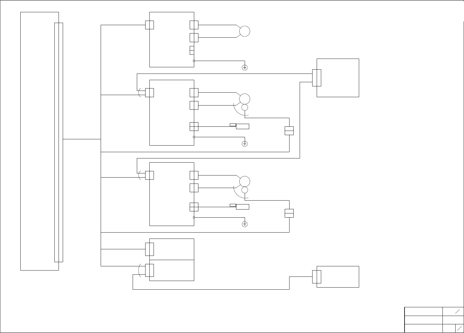
CN1
CN1
CN2
CN2
M
シャトル軸モータ
SHUTTLE AXIS MOTOR
TB
TB
B1B2
2EGTTA0022**
CN1
CN1
CN2
CN2
M
上マガジン軸モータ
UPPER MAGAZINE AXIS MOTOR
TB
TB
BK
B1
白
T4R1
2AGTTA0007**
T4R1
B2
白
CNT6
CNT6
CN1
CN1
CN2
CN2
M
下マガジン軸モータ
LOWER MAGAZINE AXIS MOTOR
TB
TB
BK
B1
白
T5R1
2AGTTA0008**
T5R1
B2
白
CNT7
CNT7
CPU I/OCN1
CPU I/OCN1
CNS13
CNS13
CN3
CN3
CN5
CN5
トレイユニット制御基板
TRAY UNIT CONTROL PCB
T1PCB1
シャトル軸サーボアンプ
SHUTTLE AXIS SERVO AMP
T3SA1
上マガジン軸サーボアンプ
UPPER MAGAZINE AXIS SERVO AMP
T4SA1
下マガジン軸サーボアンプ
LOWER MAGAZINE AXIS SERVO AMP
T5SA1
高さ測定基板
TRAY HIGH CHECK PCB
T1PCB3
デバイスパレット基板
DEVICE PALLET PCB
T1PCB2
コントローラ
CONTROLLER
T1PC1
I/Oモジュール
I/O MODULE
T1IO2
2EGTTA0057**
2EGTTA0058**
2EGTTA0059**
2EGTTA0062**
2EGTTA0063**
2EGTTA0023**
2EGTTA0024**
2EGTTA0043**
2EGTTA0060**

5 01
5 02
5 03
5 04
5 05
5 06
5 07
5 08
5 09
5 10
5 11
5 12
5 13
5 14
5 15
5 16
5 17
5 18
5 19
5 20
5 21
5 22
5 23
5 24
5 25
5 26
5 27
5 28
5 29
5 30
5 31
5 32
5 33
5 34
5 35
5 36
5 37
5 38
5 39
5 40
5 41
5 42
5 43
5 44
5 45
NAME PAGE
装置接続図
DEVICE CONNECTION DIAGRAM
6
5
TITLE TYPE
トレイユニットLT2
TRAY UNIT LT2
TRAY-LT2
DRAWING No.
5
6
FUJI SECRET
2RGTTA000704
ADDRESS
315
CNS14
CNS14
トレイユニット制御基板
TRAY UNIT CONTROL PCB
T1PCB1
2AGTTA0009**
T2LS1A
T2LS1A
シャトル後退端
SHUTTLE REVERSE
CNT181
CNT181
T2LS2
T2LS2
シャトルチャック開き端
SHUTTLE CHUCK OPEN END
T2LS3
T2LS3
シャトルチャック閉じ端
SHUTTLE CHUCK CLOSE END
2AGTTA0001**
T2LS24T1
T2LS24T1
T2LS24R1
T2LS24R1
CNT182
CNT182
T2LS24T2
T2LS24T2
T2LS24R2
T2LS24R2
CNT183
CNT183
2EGTTA0044**
RH3703*
CNT184
CNT184
RH2919*
CNT185
CNT185
CN7
CN7
デバイスパレット基板
DEVICE PALLET PCB
T1PCB2
2EGKTC0078**
シャッタ閉じ確認センサ
SHATTER CLOSE CHK
パレット収納確認
PALLET RECEIVE CHK