2RGTTA000111.pdf - 第8页
6 0 1 6 0 2 6 0 3 6 0 4 6 0 5 6 0 6 6 0 7 6 0 8 6 0 9 6 1 0 6 1 1 6 1 2 6 1 3 6 1 4 6 1 5 6 1 6 6 1 7 6 1 8 6 1 9 6 2 0 6 2 1 6 2 2 6 2 3 6 2 4 6 2 5 6 2 6 6 2 7 6 2 8 6 2 9 NAME PAGE 電気回路線図 CIRCUIT DIAGRAM 52 6 T I T L …

5 01
5 02
5 03
5 04
5 05
5 06
5 07
5 08
5 09
5 10
5 11
5 12
5 13
5 14
5 1 5
5 16
5 17
5 18
5 19
5 20
5 21
5 22
5 23
5 24
5 25
5 26
5 27
5 28
5 29
NAME PAGE
電気回路線図
CIRCUIT DIAGRAM
52
5
TITLE TYPE
総合制御回路
GENERAL CONTROL CIRCUIT
TARY-LT2
DRAWING No.
10
5
T1
2RGTTA000204
5 30
FUJI SECRET
(T1CR14X)
13 9
2321
KA14X/T1
(T1MS1X)
KM1X/T1
a
b
102 102 103
512
ADDRESS
417
ADDRESS
421
ADDRESS
1005
(T1CR10X)
1 16
KA10X/T1
a
b
122
C1
D20
(T1MS1X)
521
KM1X/T1
ADDRESS
3908
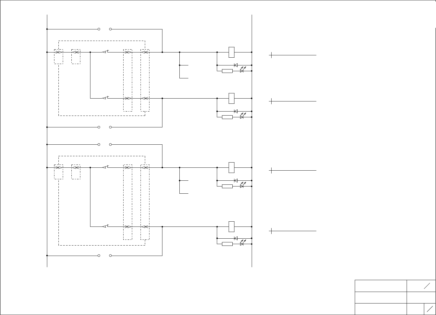
セーフティーリレーユニット
SAFETY RELAY UNIT
(T1SR1)
K1/T1
Power Supply
A1(+)
S34
S12
S11
S22
μController2
S21
Input circuit
Y4
Y5
Test pulse output
Y7
Delay
Y6
Feedback loop
Comtrol loop
DELAY TIME:0.5s
DC24V,2W
A2(-)
t
動力電源入り
MAIN POWER ON
14
t
24
μController1
Y32
&
S35
≦1
S36
&
+24VC2
TRAY UNIT CONTROL PCB
トレイユニット制御基板
-1
-2
-3
-5
-4
-6
-8
-7
-12
GC
TRAY UNIT CONTROL PCB
トレイユニット制御基板
IN01
T1010
T1011
-9
-10
-11
D10
PL10
R10
セーフティリレーOK
SAFETY RELAY OK
G6A-274P-ST-US
T1012 T1013
T1009
(T1PCB1)
(T1PCB1)
CNS4 CNS4
T1135
A1 A2
SD-Q11
41 42
T1024 T1014
T1025

6 01
6 02
6 03
6 04
6 05
6 06
6 07
6 08
6 09
6 10
6 11
6 12
6 13
6 14
6 1 5
6 16
6 17
6 18
6 19
6 20
6 21
6 22
6 23
6 24
6 25
6 26
6 27
6 28
6 29
NAME PAGE
電気回路線図
CIRCUIT DIAGRAM
52
6
TITLE TYPE
総合制御回路
GENERAL CONTROL CIRCUIT
TARY-LT2
DRAWING No.
10
6
T1
2RGTTA000204
6 30
FUJI SECRET
(T1LS1E)
11 12
SQ1E/T1
(T1CR1X)
1 16
KA1X/T1
a
b
707 721
(T1CR2X)
1 16
KA2X/T1
a
b
707 721
(T1LS2E)
11 12
SQ2E/T1
(T1LS1E)
21 22
SQ1E/T1
(T1CR7X)
1 16
KA7X/T1
a
b
711 725
(T1CR8X)
1 16
KA8X/T1
a
b
711 725
(T1LS2E)
21 22
SQ2E/T1
ADDRESS
1024
1 2
1 2
1 2
1 2
ADDRESS
1022
ADDRESS
802
ADDRESS
804
TRAY UNIT CONTROL PCB
トレイユニット制御基板
+24VC2
-1 -2
GC
上マガジン扉閉じ確認
UPPER MAGAZINE COVER CLOSED CHECK
PL1R1
R2 PL2
-1
-2
LOWER MAGAZINE COVER CLOSED CHECK
下マガジン扉閉じ確認
G6A-274P-ST-US
G6A-274P-ST-US
IN06
IN07
-4
R7 PL7
G6A-274P-ST-US
R8 PL8
-4
G6A-274P-ST-US
D1
D7
D2
D8
T1016
T1019
(T1PCB1)
CNS11 CNS11
CNS12
CNS12
上マガジン扉閉じ確認
UPPER MAGAZINE COVER CLOSED CHECK
下マガジン扉閉じ確認
LOWER MAGAZINE COVER CLOSED CHECK
CNT15
-1
CNT15
-2
-4
CNT16
-1
CNT16
-2
-4
JP11
JP12
JP13
JP14

7 01
7 02
7 03
7 04
7 05
7 06
7 07
7 08
7 09
7 10
7 11
7 12
7 13
7 14
7 1 5
7 16
7 17
7 18
7 19
7 20
7 21
7 22
7 23
7 24
7 25
7 26
7 27
7 28
7 29
NAME PAGE
電気回路線図
CIRCUIT DIAGRAM
52
7
TITLE TYPE
総合制御回路
GENERAL CONTROL CIRCUIT
TARY-LT2
DRAWING No.
10
7
T1
2RGTTA000204
7 30
FUJI SECRET
(T1PB1E)
1-1 1-2
SB1E/T1
(T1CR4X)
1 16
KA4X/T1
a
b
213
ADDRESS
1003
(T1CR3X1)
1 16
KA3X1/T1
(T1CR3X)
1 16
KA3X/T1
a
b
302 403
a
b
303 407
(T1CR7X)
9 13
620
KA7X/T1
(T1CR5X)
4 8
2318
KA5X/T1
(T1CR8X)
9 13
627
KA8X/T1
(T1CR7X)
4 8
620
KA7X/T1
(T1CR8X)
4 8
627
KA8X/T1
(T1CR1-1)
4 6
2409
KA1-1/T1
(T1CR2-1)
4 6
2413
KA2-1/T1
(T1CR1X)
9 13
617
KA1X/T1
(T1CR5X)
9 13
2318
KA5X/T1
(T1CR2X)
9 13
624
KA2X/T1
(T1CR1X)
4 8
617
KA1X/T1
(T1CR2X)
4 8
624
KA2X/T1
(T1CR1)
4 6
2407
KA1/T1
(T1CR2)
4 6
2411
KA2/T1
(T1PB1E)
2-1 2-2
SB1E/T1
(T1PB1E)
3-1 3-2
SB1E/T1
-2-1
R4 PL4
非常停止SW
EMERGENCY STOP SW
G6A-274P-ST-US
IN00
TRAY UNIT CONTROL PCB
トレイユニット制御基板
+24VC2
GC
D4
(T1PCB1)
CNS6CNS6
D3
D31
R6 PL6
トレイユニット非常停止要因
TRAY UNIT EMG FACTOR
G6A-274P-ST-US
G6A-274P-ST-US
T1023 T1110 T1111 T1112 T1113
R3 PL3
T1022 T1105 T1106 T1107 T1108
CNS6 CNS6
-3 -4
-5