00196439-0202_MA_Option_Durchtransport_HF-Serie_X-Serie_D3 - 第9页
Montageanleitung Option Durchtransport SIPLACE HF-Serie / X-Serie / D3 Ausgabe 04/2010 9 : Lösen Sie die zwei im Bild gezeigten Schraub en. Schrauben 1 : Ziehen Sie den Einschu b der T ransportsteuerung heraus. 1 Um dien…

Montageanleitung Option Durchtransport SIPLACE HF-Serie / X-Serie / D3
Ausgabe 04/2010
8
1.4 Montage
: Docken Sie den BE-Wagen vom Bestückautomaten ab.
: Schalten Sie den Bestückautomaten am Hauptschalter aus.
1
: Nehmen Sie die im Bild gezeigten Abdeckungen ab.
Abdeckungen abnehmen
1
1
1
1
1

Montageanleitung Option Durchtransport SIPLACE HF-Serie / X-Serie / D3
Ausgabe 04/2010
9
: Lösen Sie die zwei im Bild gezeigten Schrauben.
Schrauben
1
: Ziehen Sie den Einschub der Transportsteuerung heraus.
1
Um dien Arbeitsbereich optimal zu erreichen, kann es nötig sein, die Schraube des Pneumatikein-
zugs zu lösen und diesen etwas herauszuziehen. 1
1

Montageanleitung Option Durchtransport SIPLACE HF-Serie / X-Serie / D3
Ausgabe 04/2010
10
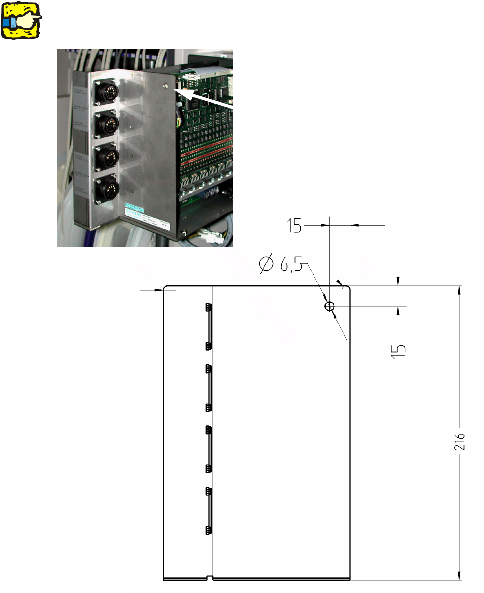
: Falls im Gehäuse der Transportsteuerung die Bohrung zum Einbau des Tasters noch nicht vor-
handen ist (siehe Bild), muß diese anhand der folgenden Zeichnung gebohrt werden.
1
Achten Sie hierbei darauf, daß keine Metallspäne auf die Flachbaugruppe oder in die Maschine
fallen. Dies könnte zu einem Kurzschluß führen. 1
1