SM482_TRM(Ver3.8_CS14.24)_2EE66 - 第112页
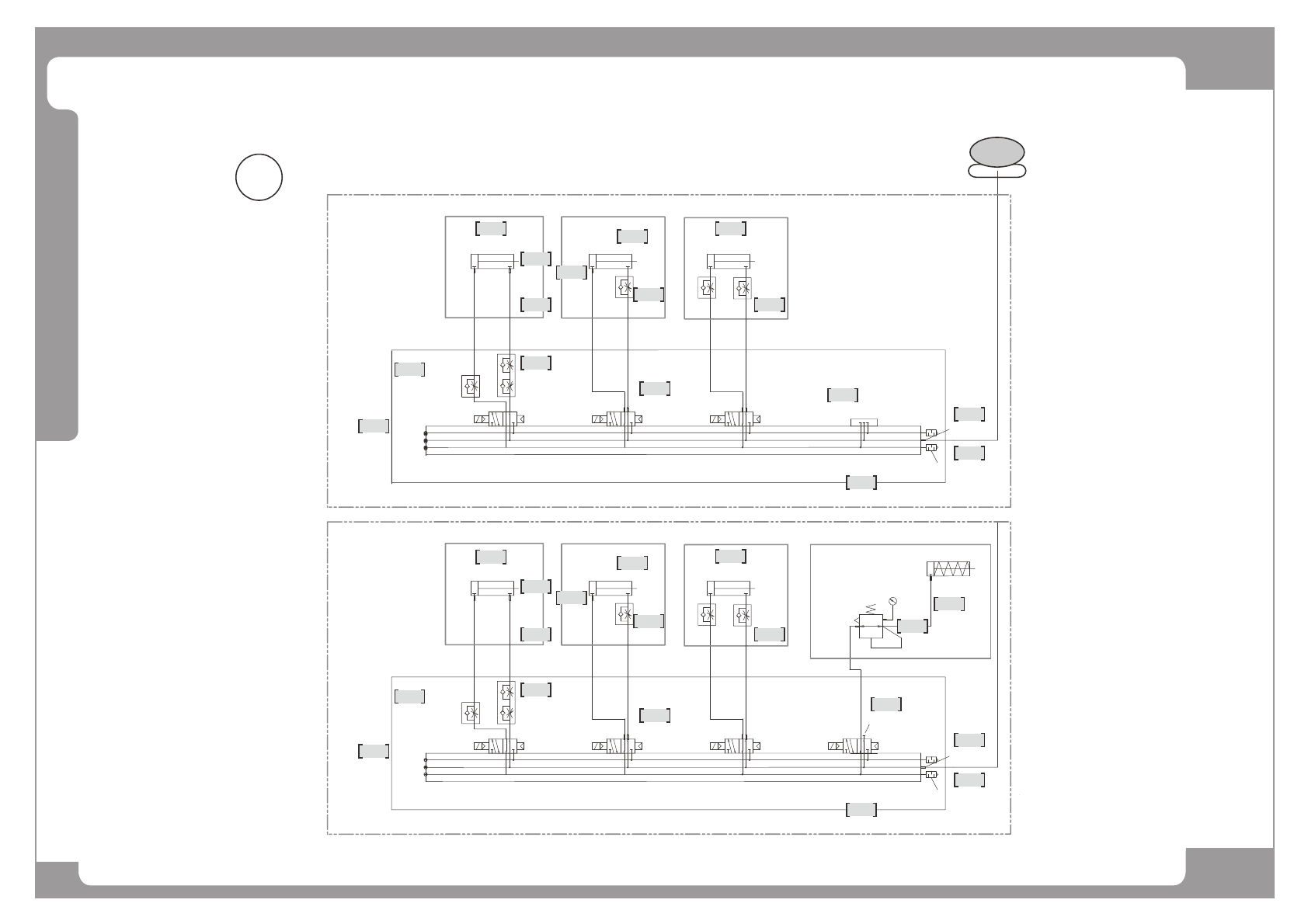
Page SAMSUNG TECHWIN 108 SM482(L) AIR Ass’y(5/5) ST ANDARD AIR ASSY 2-J671 1028A KQ2L04-01 J6701088A CM2C32-50 SOL_V ALVE_EDGE_FIX-OPTION 2-J671 1028A KQ2L04-01 J6701088A CM2C32-50 'd' 3-HP06-000275 DIN 908-G1/…

Page
SAMSUNG TECHWIN
107
SM482(L)
AIR Ass’y(4/5)
NO. PART NO. PART NAME Q'TY Old No. Supply Supply LT Reference
1 HP06-900043 JOINT KQ2F04-01 1
2 HP09-000150 COMPONENTS,ELECTRIC-SPABT-P10-R18-2N-K1- 1
3 HP06-900255 STRAIGHT FITTING KQ2H04-M5/SQL04-M5-W 1
4 TE07-900096 METER GZ46-K-01-C1 1
5 HP06-900056 ELBOW FITTING KQ2L04-01/SQL04-01S-W 2
6 HP06-900026 ELBOW FITTING PL12-04/SQL12-04S-W 2
7 HP09-900112 REGULATOR [TAR4000-04] 1
8 HP09-900123 REGULATOR AR08-T2-D0M0-J346A 1
9 HP06-900271 UNION Y FITTING [BUYD06-04] 1
10 HP06-900027 FITTING [KQ2L04-M5/PL4-M5M/SQL04-M5] 2

Page
SAMSUNG TECHWIN
108
SM482(L)
AIR Ass’y(5/5)
STANDARD AIR ASSY
2-J6711028A
KQ2L04-01
J6701088A
CM2C32-50
SOL_VALVE_EDGE_FIX-OPTION
2-J6711028A
KQ2L04-01
J6701088A
CM2C32-50
'd'
3-HP06-000275
DIN 908-G1/8-ST
AM03-007232A SM482_SOL_VALVE_MODULE (4연)
2-J6703028A
SS4-M5MA
2-HP09-000164
U-E-1/8-S
HP14-000397 VUVG-S10-M52-RT-M5-1H2L
HP06-000279
QS-E-1/8-8-C
U2-4-6*4(YELLOW)
HP14-000398
GRLA-E-M5-QS-4C
J67031002A
ASD230F-M5-04
U2-4-4*2.5
3-HP14-000397
VUVG-S10-M52-RT-M5-1H2L
J1301188
KQ2L04-M5
J6701018B
WTS10X30-RS2
U2-4-4*2.5(BLUE)
U2-4-4*2.5
J1301354
AS1201F-M5-04-X214
J9080778B(J6701064A)
BDAS10X5-1A-ZC153A2
U2-4-4*2.5(YELLOW)
U2-4-4*2.5
2-J6703028A
SS4-M5MA
HP15-000010
VABB-L1-10-S
AM03-007338A SOL_VALVE_EDGE_FIX-OPTION
2-J6703028A
SS4-M5MA
2-HP09-000164
U-E-1/8-S
HP06-000279
QS-E-1/8-8-C
3-HP06-000275
DIN 908-G1/8-ST
U2-4-6*4(YELLOW)
HP14-000398
GRLA-E-M5-QS-4C
J67031002A
ASD230F-M5-04
U2-4-4*2.5
4-HP14-000397
VUVG-S10-M52-RT-M5-1H2L
J1301188
KQ2L04-M5
J6701018B
WTS10X30-RS2
U2-4-4*2.5(BLUE)
U2-4-4*2.5
J1301354
AS1201F-M5-04-X214
J9080778B(J6701064A)
BDAS10X5-1A-ZC153A2
U2-4-4*2.5(YELLOW)
U2-4-4*2.5
2-J6703028A
SS4-M5MA
J6701037B
CQ2B12-KRC0137-2D
J6709018A
AR10-M5BG
2-J1301188
KQ2L04-M5
U2-4-4*2.5
J1301188
KQ2L04-M5
HP09-000156
B-M5-B
CONVEYOR ASSY
BUT ASSY
STOPPER ASSY(WORK)
ANC ASSY
CONVEYOR ASSY SOL_VALVE_EDGE_FIX-OPTION
BUT ASSY
STOPPER ASSY(WORK)
ANC ASSY
J9053341A EDGE FIXER ASSY(OPTION)
1
2
5
6
11
12
12
13
13
15
14
13
12
11
7
8
10
10
9
9
8
7
6
5
4
4
3 3
3 3
2
1
D
B-D
5
5

Page
SAMSUNG TECHWIN
109
SM482(L)
AIR Ass’y(5/5)
NO. PART NO. PART NAME Q'TY Old No. Supply Supply LT Reference
1 HP03-900040 CYLINDER[CM2C32-50] 1
2 HP06-900056 ELBOW FITTING KQ2L04-01/SQL04-01S-W 2
3 HP14-900085 SPEED CONTROLLER [SS4-M5MA] 2
4 HP03-000096 CYLINDER-CXSJM10-40-A93 1 HP03-900015
5 HP06-900027 FITTING [KQ2L04-M5/PL4-M5M/SQL04-M5] 2
6 HP14-900009 THROTTLE VALVE STRAIGHT [AS1201F-M5-04- 1
7 J9080778B ANC SENSOR CABLE ASSY[SM-CV010] 1
8 HP14-000398 VALVE,THROTTLE-GRLA-E-M5-QS-4C 1
9 HP06-000275 FITTING-DIN 908-G1/8-ST;Plug,Thread 3
10 HP14-900096 DOUBLE_SPEED_CONTROLLER ASD230F-M5-04 1
11 HP14-000397 VALVE,SOLENOID-VUVG-S10-M52-RT-M5-1H2L 1
12 HP15-000010 ACCESSORY,VALVE-VABB-L1-10-S 1
13 HP09-000164 SILENCER-U-E-1/8-S 2
14 HP09-000156 ACCESSORY,PNEUMATICS-B-M5-B 1
15 AM03-007338A ASSY,AIR-SOL_VALVE_EDGE_FIX-OPTION 1