SM482_TRM(Ver3.8_CS14.24)_2EE66 - 第177页
Page SAMSUNG TECHWIN 173 SM482(L) Power Block Diagram(6/8) NO. P ART NO. P ART NAME Q'TY Old No. Supply Supply L T Reference 1 AM03-006873 A CABLE ASSY -CP2_TB1-MC1 1 SM48_PW008 2 AM03-006958A CABLE ASSY -MC1 _TB1 1…

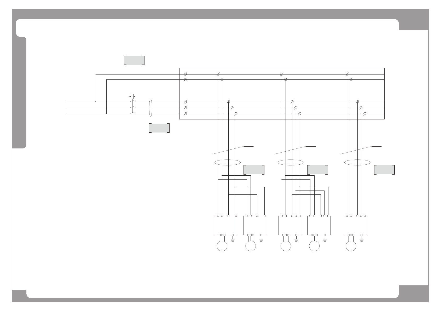
Page
SAMSUNG TECHWIN
172
SM482(L)
Power Block Diagram(6/8)
DRIVERDRIVER
PE09
U
-M1
3~
M
WV E
3~
-M2
M
UV
PE10
W E
L3
SERVO
r
-SD1
L1
t
SERVO
rt
-SD2
L3L1
DRIVERDRIVER
PE11
U
-M3
3~
M
VW E V
M
3~
-M4
U
PE12
W E
SERVO
r
-SD3
L2L1
t
SERVO
t
L3
r
-SD4
L2 L3L1
2
DRIVER
E
PE13
-M5
3~
M
W
UV
L2
-SD5
r
L1
t
SERVO
L3
50W
SW-AXIS
100W
WD-AXIS
750W
X-AXIS
1KW
Y2-AXIS
1KW
Y1-AXIS
2 2
22L1
22L3
22L2
22T
22R
(SM48_PW018)
0.75mm
(SM48-PW019) (SM48_PW020)
-MC1
3P AC220V
22R
22S
22T
LC1D096BD-20A
(SM48_PW009)
0.75mm 0.75mm
FROM CP2
(SM48_PW008)
17C17B
19B
21B
19C
21C
15B
13B
15C
13CB
18B
22B
20B
16B
14B13A
15A
17A
19A
21A
1
3
5
2
4
6
1
2
3 4 5

Page
SAMSUNG TECHWIN
173
SM482(L)
Power Block Diagram(6/8)
NO. PART NO. PART NAME Q'TY Old No. Supply Supply LT Reference
1 AM03-006873A CABLE ASSY-CP2_TB1-MC1 1 SM48_PW008
2 AM03-006958A CABLE ASSY-MC1_TB1 1 SM48_PW009
3 AM03-006959A CABLE ASSY-SW_WD_SERVO_POWER 1 SM48_PW018
4 AM03-006960A CABLE ASSY-X_Y2_SERVO_POWER 1 SM48-PW019
5 AM03-006961A CABLE ASSY-Y1_SERVO_POWER 1 SM48_PW020

Page
SAMSUNG TECHWIN
174
SM482(L)
Power Block Diagram(7/8)
3
5
U
V
W
PE
1
3
+24V
HD MAIN AIR
VACUUM AIR SOL CONNECTOR
VACUUM PUMP ALARM
GND
VACUUM PUMP ALARM
GND
+24V
VACUUM PUMP PWR
PE3
-MC2
(TH-N12)
VACUUM
PUMP
SK
SM48_PW040
SM471-PW041
SM471_PW42-1
3P-C16
-CP2
(23880)
SM471_PW42
CV-CN12
SM471_PW146-1
SM471_PW146
CV-CN15
SM471_PW147-1
SM471_PW147
1
3
5
2
4
6
2
4
6
97
95
98
96
13
A1
14
A2
135
246
1
2
4
5 6
8
7
3