SM482_TRM(Ver3.8_CS14.24)_2EE66 - 第27页
Page SAMSUNG TECHWIN 23 SM482(L) Feeder Base Ass’y - DC (3/4) NO. P ART NO. P ART NAME Q'TY Old No. Supply Supply L T Reference 1 J91741071A F EEDER_INPUT_EXT _BOARD VER 1.1 1 2 AM03-000819A ASSY ,BOAR D-FEEDER IO B…

Page
SAMSUNG TECHWIN
22
SM482(L)
Feeder Base Ass’y - DC (3/4)
3
4
CAN FEEDER EXTENSION B
OARD
CAN CONVEYOR BOARD
5
5
6
2
1

Page
SAMSUNG TECHWIN
23
SM482(L)
Feeder Base Ass’y - DC (3/4)
NO. PART NO. PART NAME Q'TY Old No. Supply Supply LT Reference
1 J91741071A FEEDER_INPUT_EXT_BOARD VER 1.1 1
2 AM03-000819A ASSY,BOARD-FEEDER IO BOARD ASSY 1
3 FC09-000977A BRACKET-FRONT SENSOR BKT2;SPCC 1 J70540267B
4 FC09-000976A BRACKET-FRONT SENSOR BKT1;SPCC 1 J70540266B/ J70540266C
5 FC29-900144 DRAWER PULL [HD-108] 2
6 FC15-001297A COVER-COVER LFM DC SM481 1

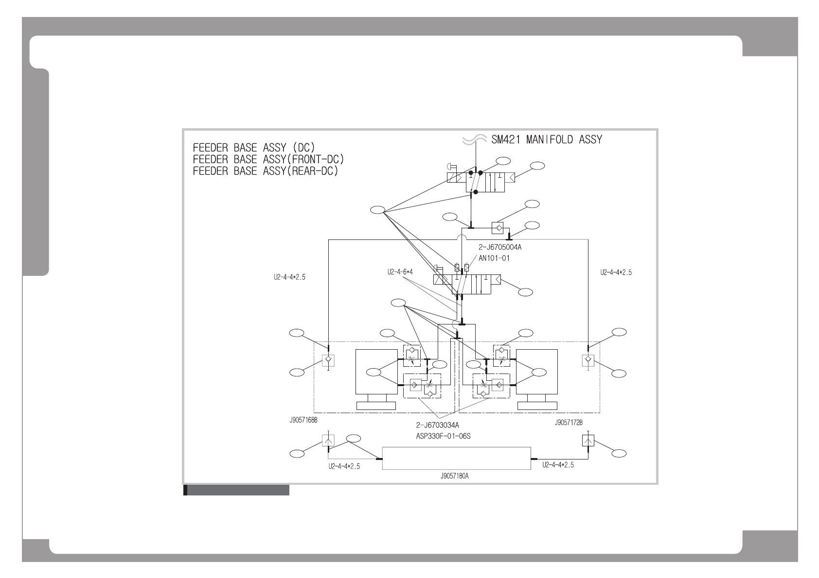
Page
SAMSUNG TECHWIN
24
SM482(L)
Feeder Base Ass’y - DC (4/4)
Reference to Air Ass'y
ڡۀۀڿۀۍٻڝڼێۀٻڃڟڞڄ
1
1
2
3
3
6
6
2
2
4
5 5
4
10
11
12
7
10
9
8
12