P-309-002e - 第146页

Key No. P AR T No. P AR T NAME Q’ty REMARKS NOTE 905 9W3101 13 CORD 1 1091401300-505 906 9W3101 14 CORD 1 1091401300-506 910 9W3101 18 CORD 1 1091401300-510 927 23K10273 CASE CONN 1 1091401300-527 928 23K10260 CASE CONN …

100%1 / 378
0912-002
Fig. D3
X62
X63
X121 X112 X111
X122
K15
XB2 XB1
X25
X153
X154
X163
X150
X41
X42
X28
X114
X13 X12
X16X17 X15
X113
D15
D318
K318
JP1
JP2
D65A
K65A
D66A
K66A
K11
D11
K21
D21
K22
D22
F14 F13
X11
X23 X8
K3-62,-T11,-T22,
-T12,-T21,-T32,
-53,--23,-43,-44
TB DC1
S101,105(F) S101,105(R)
988
9D1
980
981
930
927
931
906
9A6
986
987
933
910
9A6
929
905
984
985
989
990
983
9D0
933
9A6
905
906
978
979
982
9C1
910
906
9A6
936
938
9C0
929
928
9A6
9C1
9C0
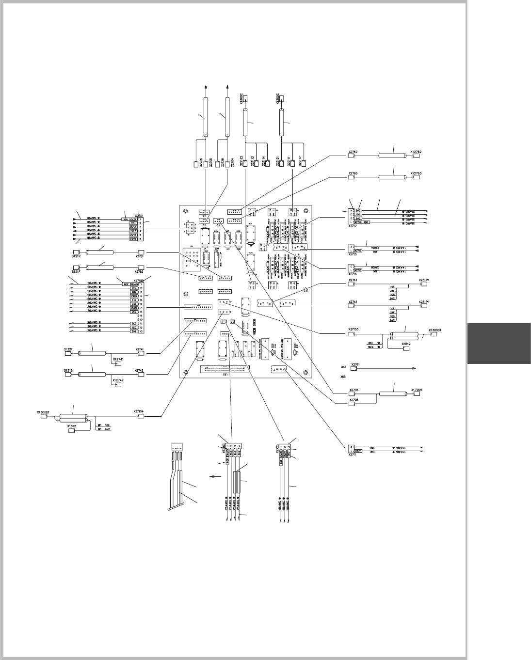
Fig. D3-10
UNIT-3
Fig. D3
ELEC2
Key No. PART No. PART NAME Q’ty
REMARKS
NOTE
905 9W310113 CORD 1 1091401300-505
906 9W310114 CORD 1
1091401300-506
910 9W310118 CORD 1
1091401300-510
927 23K10273 CASE CONN 1
1091401300-527
928 23K10260 CASE CONN 1
1091401300-528
929 4J300096 CABLE JOINT TERMINAL 16 1091401300-529
930 23K10301 CASE CONN 1
1091401300-530
931 23K10300 CASE CONN 1
1091401300-531
933 4J300125 CABLE JOINT TERMINAL 10 1091401300-533
936 23K10150 CASE_CONN 1
1091401300-536
938 4J300057 CABLE JOINT_TERMINAL 3 1091401300-538
946 0914B31H CORD(AE-POWER) 1
1091401300-546
947 9W210342 CABLE 1
1091401300-547
948 9W210343 CABLE 1
1091401300-548
949 9W210386 CABLE 1
1091401300-549
950 9W210387 CABLE 1
1091401300-550
951 9W210388 CABLE 1
1091401300-551
952 4W205275 CORD 1
1091401300-552
953 4W205276 CORD 1
1091401300-553
954 4W205288 CORD 2
1091401300-554
955 9W210344 CABLE 1
1091401300-555
956 9W210345 CABLE 1
1091401300-556
958 9W210346 CABLE 1
1091401300-558
959 9W210347 CABLE 1
1091401300-559
960 9W210348 CABLE 1
1091401300-560
961 9W210349 CABLE 1
1091401300-561
962 9W210350 CABLE 1
1091401300-562
963 9W210351 CABLE 1
1091401300-563
964 9W210352 CABLE 1
1091401300-564
965 9W210353 CABLE 1
1091401300-565
966 9W210354 CABLE 1
1091401300-566
967 9W210355 CABLE 1
1091401300-567
968 4W205278 CORD 1
1091401300-568
969 4W204952 CORD 1
1091401300-569
971 9W210389 CABLE 1
1091401300-571
972 9W210390 CABLE 1
1091401300-572
973 9W210391 CABLE 1
1091401300-573
974 9W210392 CABLE 1
1091401300-574
978 4W204747 CORD(24G3A) 1
1091401300-578
979 4W204748 CORD(24G3B) 1
1091401300-579
980 9W210378 CABLE 1
1091401300-580
981 9W210379 CABLE 1
1091401300-580
982 4W205295 CORD 1
1091401300-582
983 9W210377 CABLE 1
1091401300-583
984 0914B30U CABLE 1
1091401300-584
Fig. D3-10
Fig. D3
UNIT-3
Fig. D3
ELEC2
SIGMA-G4DA
SIGMA-G4DB
SIGMA-G4DC
Key No. PART No. PART NAME Q’ty
REMARKS
NOTE
985 0914B30V CABLE 1 1091401300-585
986 9W210384 CABLE 1
1091401300-586
987 9W210385 CABLE 1
1091401300-587
988 4W205293 CORD 1
1091401300-588
989 9W210382 CABLE 1
1091401300-589
990 9W210383 CABLE 1
1091401300-590
9A6 23N20103 TUBE_WIRING 2
1091401300-646
9C0 23N20125 TUBE WIRING 1
1091401300-660
9C1 23N20126 TUBE WIRING 1
1091401300-661
9D0 4W205296 CORD 1
1091401300-670
9D1 4W205294 CORD 1
1091401300-671
9D2 0914B30W CABLE 1
1091401300-672
9D3 0914B30X CABLE 1
1091401300-673
Fig. D3
0912-002
Fig. D3-10
UNIT-3
Fig. D3
ELEC2
SIGMA-G4DA
SIGMA-G4DB
SIGMA-G4DC